Aller au contenu

Palomar AD2000


PATASTROF

Messages recommandés

Posté

pour la vitesse de pointage il faudra tester car si il y a un déséquilibrage sur la monture il loupe des pas et il ne sais pas les ratrapés car il n y a pas de codeur.

  • Réponses 62
  • Créé
  • Dernière réponse
Posté

Pour le joystick, tu m'as envoyé un cablage pour une DB9, mais sur mon palomar j'ai deux DB15 : une femelle pour les moteurs et une mâle marquée "IN" au feutre:?:, le schéma pour "aux 0" est endommagé , je ne peux l'ouvrir

 

C'est pas mon EQ5 ta monture, Belle bête;)

 

22H Je tente un test en conditions réelles:

température au sol:23°C

vent: à décorner les cocus!!

c'est pour ça qu'il n'y a pas de nuaaaaage:D

c'est pas top pour tester comme conditions, mais j'ai pas mieux en magasin!

 

 

22H30 1er Résultat

mise en station au viseur polaire, alignement sur Véga avec le 150/543+Hypérion 13mm soit un champ de 1.4° c'est pas un capteur de Toucam!

Goto sur M13, suivit d'un goto sur NGC457, Suivit d'un goto sur Véga: au centre! Yesss!

Valeur accélération/décélération:60

Vitesse goto : x 375

Je l'ai laissé en suivit sur Véga, je verrai d'ici un moment

 

23H 2ème résultat

Ca suit plutôt bien

Même test goto mais avec le 5mm Hypérion, 0.5° de champ résultant

C'est toujours dedans mais en bord de champ

Comme je n'ai pas la raquette je centre à la main et je là j'ai touché du doigt le jeu de la monture, à 100x presque un quart de degrés, même pour Picastro il faut que je reprenne ce jeu

Fin du test pour ce soir

à bientôt

Patrick

Posté

salut Patastrof,

 

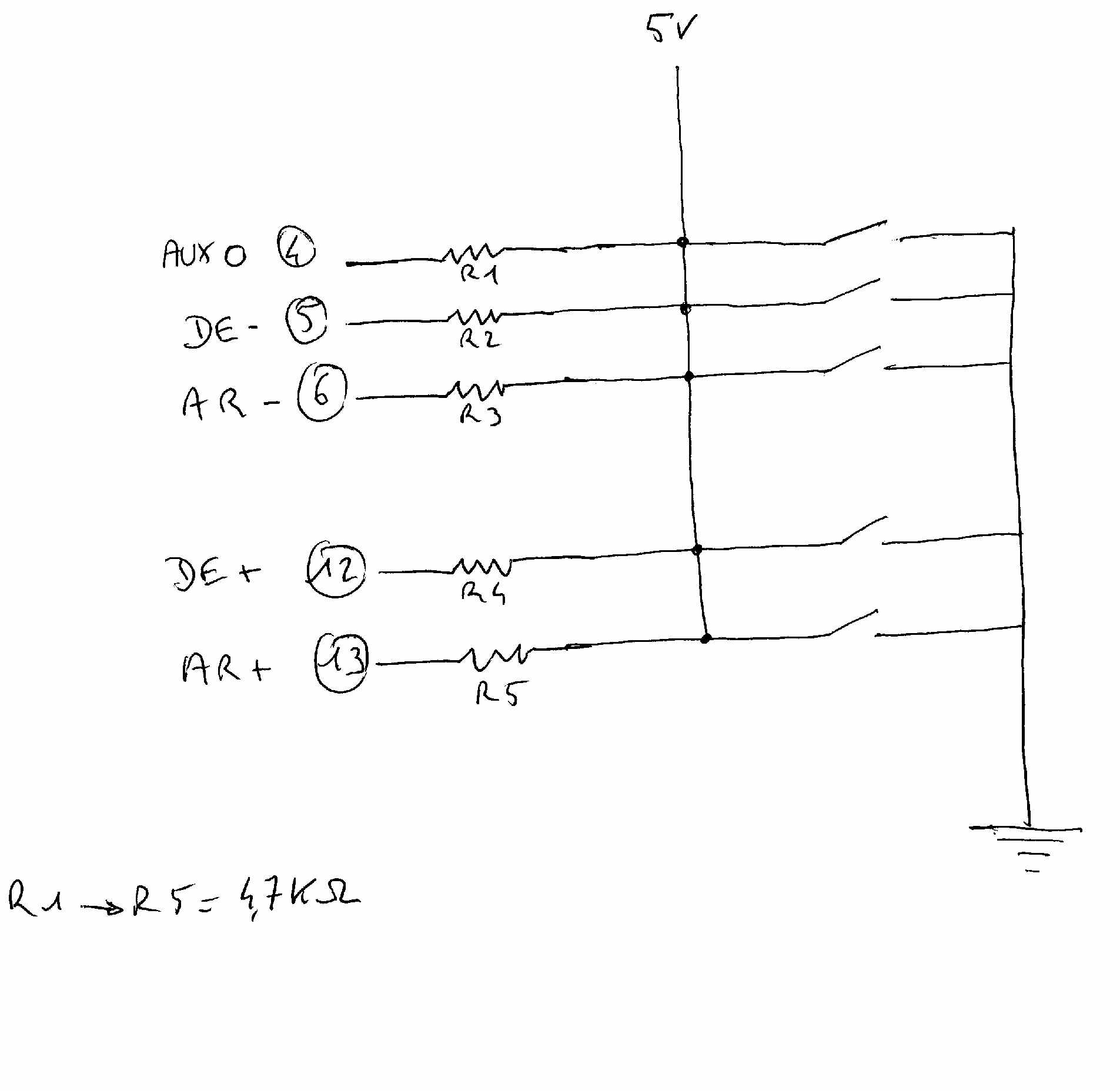
c'est cool que ca fontionne cela veut alors dire que ma mise en station est à chier il faut que je vérifis cela. pour le connecteur auxiliaire il est dans le manuel PDF que je t'ai fourni juste avant ou apres le câblage de la DB9 et puis pour le câblage de AUX0 voici le JPG refait.:)

AUX0.jpg.df3059deae59258174e8348edec9af0c.jpg

Posté

Bonjours Gilles,

vu! pour la prise "AUXPORT"

Donc, je te cite:

"en ce qui concerne la commande du joystick il faut utiliser le même câblage que AUX0 que je t'ai fournie sous peine de cramer l'eprom."

donc pour chaque poussoir de direction, il faut interposer une résistance de 4.7K avec le 5V, tu confirmes mon schéma de câblage ci-joint?

 

L'AUX0 ne sert que si l'on veux dialoguer avec le Palomar par RS232, pour "prendre la main" , c'est ça? pas la peine de le câbler si pas utile?

 

PS: je n'aurais surement pas le temps de câbler un joystick ce WE, donc en Aout pour la suite des test, et j'espère la copie d'eprom

A plus

Patrick

joystick.thumb.jpg.000dae778f7e352667eab1f9538a0cf0.jpg

Posté

PATASTROF,

Normalement oui, mais ce n'ai qu'une supposition de ma part car je n'ai pas eu de reponse de la par de la société DTA en Italie, mais au vu du cablage de AUX0 et en regarant la doc de l'AMSII de chez eux (je sais plus si je te l'ai fournie) on peut voir qu'il demande sur leur produit une résistance de 470 Ohms mais ATTENTION vu que c pas le même produit je préfére mêtre une 4,7k car en lisant le DATASHEET du PIC j'ai vu que certaine entrée acceptais 1mA (donc 4,7k sous 5V) et d'autre 10mA (donc 470 Ohms sous 5V). Pour évité tous problème il vaudra mieux faire les éssais avec 4,7K dans un premier temps, mais bon vérifie si tu veux le DATASHEET.

AU FAITE ou as tu vu sur la doc que le AUX0 servait à prendre la main je l'ai pas vu moi!

Posté

pour moi ce pourrais être aussi le moyen avec AUX0 de doubler la vitesse cidérale pour ratrapper l'objet!.

quand pense tu?

Posté

OK!

"Au fait ou as tu vu sur la doc que le AUX0 servait à prendre la main je l'ai pas vu moi!"

Je te posais la question;)

Est-il nécessaire de faire la connection sur la broche 4 (AUX0) si l'on ne veux pas dialoguer par RS232 (rts, dts) mais juste faire une raquette avec 4 boutons de direction?

Je vais sagement attendre que l'eprom soit copiée avant de faire le branchement du joystick:be:

Posté

J'en sais absolument rien, vu que le AUX0 ce trouve sur le DB9 et qu'il est dit nul par qu'il est fait pour la connection RS232 je pense qu'il faut le cabler! vu que les italien velent plus répondre, ils nous faudrait peut être personne parlant l'italien et leur tel. sinon je ne voie pas!..

Posté
Pour le joystick, tu m'as envoyé un cablage pour une DB9, mais sur mon palomar j'ai deux DB15 : une femelle pour les moteurs et une mâle marquée "IN" au feutre:?:, le schéma pour "aux 0" est endommagé , je ne peux l'ouvrir

 

C'est pas mon EQ5 ta monture, Belle bête;)

 

22H Je tente un test en conditions réelles:

température au sol:23°C

vent: à décorner les cocus!!

c'est pour ça qu'il n'y a pas de nuaaaaage:D

c'est pas top pour tester comme conditions, mais j'ai pas mieux en magasin!

 

 

22H30 1er Résultat

mise en station au viseur polaire, alignement sur Véga avec le 150/543+Hypérion 13mm soit un champ de 1.4° c'est pas un capteur de Toucam!

Goto sur M13, suivit d'un goto sur NGC457, Suivit d'un goto sur Véga: au centre! Yesss!

Valeur accélération/décélération:60

Vitesse goto : x 375

Je l'ai laissé en suivit sur Véga, je verrai d'ici un moment

 

23H 2ème résultat

Ca suit plutôt bien

Même test goto mais avec le 5mm Hypérion, 0.5° de champ résultant

C'est toujours dedans mais en bord de champ

Comme je n'ai pas la raquette je centre à la main et je là j'ai touché du doigt le jeu de la monture, à 100x presque un quart de degrés, même pour Picastro il faut que je reprenne ce jeu

Fin du test pour ce soir

à bientôt

Patrick

 

Pour centré un objet avec l'AD2000 C'EST POSSIBLE DANS UN DES MENU TU PREND LA MAIN EN APPLIQUANT UNE VITESSE ENTRE 1 ET 5 FOIS LA VITESSE CIDERAL.

Posté

salut patric,

 

bon j'ai fouiné un peu sur le net et j'ai trouvé quel que petites choses qui nous intéresse, mais avant tous ne fait pas le grand saut pour la conception du joystic, laisse moi d'abord faire des essais au mois d'août et je te donnerai les résultats, mais je suis confiant, car je pense que ce que je t'ai dit sur le câblage du JOY. est bon, pour preuves cette image que je joint QUI N'A ATTENTION RIEN À VOIR AVEC notre AD2000 mais qui montre bien

le câblage d'une commande annexe sur EPROM M27CXXX.

voila je par en vacance fin de semaine je suis de retour le 30 juillet.

A+

voc32v4.jpg.e06a1501b2003fb4616d4cabf31fbabe.jpg

  • 1 mois plus tard...
Posté

coucou me revoilou.

bon j'ai fait quelque petits tests pendant vacance et... pour ce qui concerne le joystick il ne faut pas de résistance du tous car il y a en amont un réseau de 2,2K, donc les bontons poussoirs sur chaque sortie : ar+, ar-, dec+, dec- et de l'autre coté direct a la masse. Mais le JOY. ne fonctionne que dans le menu N°9 du pointage des objets et dans le Menu micro ratrapage CCD, par ailleur j'ai eu des nouvelle de la société DTA qui m'a envoyer le manuel de l'évolution du PALOMRA qui s'appelle : "ECLIPSE" et dedant il donne le câblage du JOY. , mais toujours rien sur les broches AUX0 et AUX1, mais je cherche toujours, encore quelques testes et je devrais y arrivé. voila sinon les vacance à 1200m d'altitude ca le fait grave en plus quand on à un observatoir à 15mn équipé d'un C14 je vous dit pas le pied.... voila A+ bonne journée à tous et toutes.

Posté

Salut,

Merci de ne pas remuer la plaie autour du couteau! Ok?:mad:

 

Perso, sur trois semaines de congé: une nuit astro intéressante, et deux nuits plus que moyenne :cry:

 

Suis toujours en rade de programmateur pour cette fichue Eproom :confused:

Posté

bon si il y a pas de solution j'achette le programmateur à 150 Euro et ca va etre bon,

Quand pense tu.

par ailleur comment fait tu pour voir mes nouveau méssage, car moi ca déconnecte toute les 10mn et je suis obligé de me relogué et c'est pas internet je suis au boulot?!...

Posté

:( Encore un mystère pour moi?????

Au boulot aucun problème et chez moi ça disjoncte comme pour toi

Un paramétrage dans windows qui est aux fraises? surement! mais lequel?????????

  • 2 semaines plus tard...
Posté

salut,

 

as tu de-nouveau essayer ton PALOMAR fonctionne t-il bien?

et es que ton pointage est correct?.

 

Par-ailleurs je désirais savoir si tu avais avancé sur le programmateur?

sinon si ce n'est pas le cas, dis le moi et surtout dis moi combien coûte par chez toi un programmateur que je t'en voie un mandat pour le régler, comme cela nous pourrons les copie des EPROMs;)

Posté

Salut Gilles

J'avoue qu'en ce moment je n'ai pas trop pensé Palomard:confused:

Aprés le mauvais temps qui nous à sevré d'étoile, le premier réflexe n'as pas été pour ce boitier.

Je reprends les investigations et je te tiens au courant.

Patrick

  • 3 semaines plus tard...
Posté

Hé! Gilles!

Je viens de commander ça :

http://cgi.ebay.com.au/ws/eBayISAPI.dll?ViewItem&item=200155285958&ssPageName=MERC_VI_RCRX_Pr4_PcY_BIN_Stores_IT&refitem=200157939142&itemcount=4&refwidgetloc=active_view_item&usedrule1=CrossSell_LogicX&refwidgettype=cross_promot_widget

 

Ca te dis quelque chose?? ;)

j'espère (déjà le recevoir :confused:) que l'on pourra recopier l'eprom de mon palomar avec.

Je te tiens au courant dés que j'ai reçu la bète et que j'ai déchiffré la doc.

Patrick

Posté

Salut Patrick,:)

 

Désolé de ne pas avoir répondu avant, beaucoup de boulot

et puis je suis aussi en train de finir le cahier des charges pour la modif. du palomar.

1 - d'un aspect extérieur , la carte sera mis dans un boîtier alu. dissipateur de chaleur et

 

2 - le clavier et l'afficheur dans une raquette meade 497#, donc j'ai récupérer le boîtier clavier souple et toutes les leds CMS,;)

 

on y véra plus claire la nuit. je suis en train aussi de terminer le joystick mais celui-ci ne fonctionne apparemment que dans le menu de commande de la CCD et celui de la commande direct manuel, tu me diras cela n'a aucun intérai alors,:o

à quoi je te répond oui sauf si tu modifie comme ceci :

ordonné un reset pour obtenir le menu 0 de départ puis ordonné un comptage jusqu'au menu souhaité et puis le tour est jouer, :be:

 

tous cela sur une carte à part monté dans le même boîtier et sur le clavier une touche supplémentaire. voilas comme tu le vois beaucoup de boulot.

 

en ce qui concerne le programmateur je n'ai pas vu dans la liste M27C4001.

par ailleurs il faudrait prévoir des M27C4001-35F6.

 

pourquoi 35 et pas 10, car 35 = 35 nano second en réponse à une commande contre 100 pour le chiffre 10.

 

pourquoi F6 et F1, car F1 = fonctionnement de 0° à 70° et F6 de -40° à 85°

voilas, comme tu le vois ça bosse dure.

 

aller A+ j y retourne. bye bye.

Posté

T'as perdu les lunettes?:be:

 

EPROM(on main board)/ 27C64, 27C128, 27C256, 27C512, 27C010, 27C020, 27C040,27C1001

M27C1001, M27C2001, M27C4001 ;)

Si je reçois le programmateur :confused:, la version 0° ou -10° lui il s'en moque:D

je te tiens au jus dés que j'ai du nouveau

Posté

Bonjour,

J'ai reçu ce matin le programmateur parti de Chine le 05/10:o Les transporteurs français ont du souci à se faire:be:.

 

Je l'ai testé au boulot, il a l'air de fonctionner tout à fait normalement( tout s'allume correctement et il dialogue bien avec le PC).

 

Donc, Gilles tu m'envoies une (ou plus) eeprom quand tu veux, je suis (normalement) prêt ;)

 

Edit :

Testé chez moi : le progamateur à l'air de fonctionner j'ai même pu "lire" l'eeprom de mon Palomar.

Gilles, j'attends tes eeproms de pied ferme;)

  • 2 semaines plus tard...
Posté

Super on va pouvoir avancé. jecommande les eproms e dés que je les ai je te le dis.

A+

Posté

:D Quand même!!!!

J'ai crus que t'étais mourut d'un cactus dans le myocarde en apprenant la nouvelle:D:D

 

Tout viens à point à qui sais attendre! Patience et longueur de temps....etc...;)

 

A bientôt, Gilles

Patrick

Posté

je commande ça chez radiospears et j'aurais normalement celà demainnnnnn

 

Yesssssssssss. et toi à tu pu jouer avec ton PALOMAR ces temps si?.

Posté
je commande ça chez radiospears et j'aurais normalement celà demainnnnnn

 

Yesssssssssss. et toi à tu pu jouer avec ton PALOMAR ces temps si?.

 

Je t'avoue franchement que je suis plutôt Picastro/eq5/Hisis24(de prêt)/autoguidage en ce moment

 

Je garde le Palomar pour équiper l'eq5 en version "légère"...C'est à dire dés que j'ai l'eq6. A moins que les petits neveux ne mettent le grappin dessus, les monstres :D

Posté

salut patric,

 

J'ai recu les Eprom, pourais tu m'envoyer sur mon Email ton adresse que je puisse te les envoyers.

merci.

Posté
salut patrick,

 

J'ai recu les Eprom, pourrais tu m'envoyer sur mon Email ton adresse que je puisse te les envoyer.

merci.

C'est comme si c'était fait;)

  • 4 semaines plus tard...
Posté

Salut Gilles,

J'ai reçu les eeproms hier matin, je les ai "flaschoulliées" hier soir, mais je n'ai pas eu le temps de les tester sur le terrain:confused:.

Elles repartent cet après midi par l'Express (ils ne sont pas en grève:be:) donc atterrissage prévu demain dans la journée (ils ne sont vraiment pas en grève!pomoi!).

Tiens moi, évidemment, au courant dés que tu auras testé la cuvée 2.5

@+

Posté

salut mon petit PATASTROF voici bien long temps que je n'ai tapouiller sur mon clavier:be:

 

Je n'ai pas encore recu les EPROMs mais ce ne serai tardé.

Dés que je les recois je te fait signe;)

 

par ailleur j'ai contacté le jeune homme D'Astromist qui regarde à faire une .DLL pour notre Palomar ce serai super chouette non.

 

voilou voilou, bonne soirée za toi.

 

A+.:)

Archivé

Ce sujet est désormais archivé et ne peut plus recevoir de nouvelles réponses.

  • En ligne récemment   0 membre est en ligne

    • Aucun utilisateur enregistré regarde cette page.
×
×
  • Créer...

Information importante

Nous avons placé des cookies sur votre appareil pour aider à améliorer ce site. Vous pouvez choisir d’ajuster vos paramètres de cookie, sinon nous supposerons que vous êtes d’accord pour continuer.