Aller au contenu

denis-mgt

Membre
  • Compteur de contenus

    554
  • Inscription

  • Dernière visite

Tout ce qui a été posté par denis-mgt

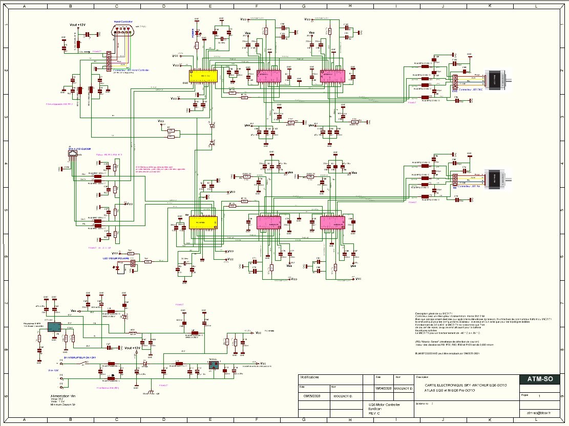
  1. Détail de la carte Contrôleur N-Eq6 Réf SkyWatcher : HM6GT-F00-10 Cuivre dessus Cuivre dessous Cuivre internes 1 (multi-couches) Cuivre internes 2 (multi-couches) CI transparence Info couches CI Epaisseur piste 35µm. Schéma électronique carte EQ6 Mise à jour schéma le 21/04/2020 Schéma électrique EQ6.pdf format A1 Brochage connecteur sub-D9 (F), Hand Controller EQ6 Brochage connecteur RJ11, Auto Guider EQ6 Brochage connecteur 12V Changer le connecteur par un connecteur aviation. Tuto ici Schéma des pôles, pour remplacer soi-même le connecteur d'origine par un connecteur fiable et vissant. Voici la liste des composant Appareil de mesure: RIGOL DM3058E / WAVETEK DM27XT / ITC-990 / DCA75 et LCR-40 - Analyseur de composants CONDASATEUR C1 100nf Condensateur céramique multicouche CMS, 50 V, 0603 [1608 Metric] C2 1µf Condensateur céramique multicouche CMS, 50 V, 0603 [1608 Metric] C3 470µf 25v Condensateur électrolytique À sorties radiales, 5 mm C4 10nf Condensateur céramique multicouche CMS, 50 V, 0603 [1608 Metric] C5 10nf Condensateur céramique multicouche CMS, 50 V, 0603 [1608 Metric] C6 50pf Condensateur céramique multicouche CMS, 50 V, 0603 [1608 Metric]± 0.05pF C7 50pf Condensateur céramique multicouche CMS, 50 V, 0603 [1608 Metric]± 0.05pF C8 50pf Condensateur céramique multicouche CMS, 50 V, 0603 [1608 Metric]± 0.05pF C9 50pf Condensateur céramique multicouche CMS, 50 V, 0603 [1608 Metric]± 0.05pF C10 10nf Condensateur céramique multicouche CMS, 50 V, 0603 [1608 Metric] C11 10nf Condensateur céramique multicouche CMS, 50 V, 0603 [1608 Metric] C12 47µf 16v Condensateur électrolytique, À sorties radiales, 2.54 mm C13 100nf Condensateur céramique multicouche CMS, 50 V, 0603 [1608 Metric] C14 100µf 25v Condensateur électrolytique, À sorties radiales, 2.54 mm C15 220nf Condensateur céramique multicouche CMS, 50 V, 0603 [1608 Metric] C20 18pf Condensateur céramique multicouche CMS, 50 V, 0603 [1608 Metric]± 1% C21 18pf Condensateur céramique multicouche CMS, 50 V, 0603 [1608 Metric]± 1% C22 10nf Condensateur céramique multicouche CMS, 50 V, 0603 [1608 Metric] C23 1µf Condensateur céramique multicouche CMS, 50 V, 0603 [1608 Metric] C24 330nf Condensateur céramique multicouche CMS, 50 V, 0603 [1608 Metric] C25 330nf Condensateur céramique multicouche CMS, 50 V, 0603 [1608 Metric] C26 50pf Condensateur céramique multicouche CMS, 50 V, 0603 [1608 Metric]± 0.05pF C27 50pf Condensateur céramique multicouche CMS, 50 V, 0603 [1608 Metric]± 0.05pF C28 10nf Condensateur céramique multicouche CMS, 50 V, 0603 [1608 Metric] C29 10nf Condensateur céramique multicouche CMS, 50 V, 0603 [1608 Metric] C30 18pf Condensateur céramique multicouche CMS, 50 V, 0603 [1608 Metric]± 1% C31 18pf Condensateur céramique multicouche CMS, 50 V, 0603 [1608 Metric]± 1% C32 10nf Condensateur céramique multicouche CMS, 50 V, 0603 [1608 Metric] C33 1µf Condensateur céramique multicouche CMS, 50 V, 0603 [1608 Metric] C34 330nf Condensateur céramique multicouche CMS, 50 V, 0603 [1608 Metric] C35 330nf Condensateur céramique multicouche CMS, 50 V, 0603 [1608 Metric] C36 50pf Condensateur céramique multicouche CMS, 50 V, 0603 [1608 Metric] ± 0.05pF C37 50pf Condensateur céramique multicouche CMS, 50 V, 0603 [1608 Metric] ± 0.05pF C38 10nf Condensateur céramique multicouche CMS, 50 V, 0603 [1608 Metric] C39 10nf Condensateur céramique multicouche CMS, 50 V, 0603 [1608 Metric] C40 1µf Condensateur céramique multicouche CMS, 50 V, 0603 [1608 Metric] C41 470µf 25v Condensateur électrolytique À sorties radiales, 5 mm C42 220nf Condensateur céramique multicouche CMS, 50 V, 0603 [1608 Metric] C43 220nf Condensateur céramique multicouche CMS, 50 V, 0603 [1608 Metric] C44 1000pf Condensateur céramique multicouche CMS, 100 V, 0603 [1608 Metric] C45 1000pf Condensateur céramique multicouche CMS, 100 V, 0603 [1608 Metric] C46 10nf Condensateur céramique multicouche CMS, 50 V, 0603 [1608 Metric] C47 10nf Condensateur céramique multicouche CMS, 50 V, 0603 [1608 Metric] C48 1000µf 35v Condensateur électrolytique À sorties radiales, 5 mm C49 220nf Condensateur céramique multicouche CMS, 50 V, 0603 [1608 Metric] C70 10nf Condensateur céramique multicouche CMS, 50 V, 0603 [1608 Metric] C71 1µf Condensateur céramique multicouche CMS, 50 V, 0603 [1608 Metric] C72 10nf Condensateur céramique multicouche CMS, 50 V, 0603 [1608 Metric] C73 220nf Condensateur céramique multicouche CMS, 50 V, 0603 [1608 Metric] C74 47µf 35v Condensateur électrolytique, À sorties radiales, 2.54 mm C75 220nf Condensateur céramique multicouche CMS, 50 V, 0603 [1608 Metric] C76 220nf Condensateur céramique multicouche CMS, 50 V, 0603 [1608 Metric] C77 220nf Condensateur céramique multicouche CMS, 50 V, 0603 [1608 Metric] C78 100nf Condensateur céramique multicouche CMS, 50 V, 0603 [1608 Metric] C79 110pf Condensateur céramique multicouche CMS, 50 V, 0603 [1608 Metric] ± 0.05pF C80 10nf Condensateur céramique multicouche CMS, 50 V, 0603 [1608 Metric] C81 1µf Condensateur céramique multicouche CMS, 50 V, 0603 [1608 Metric] C82 10nf Condensateur céramique multicouche CMS, 50 V, 0603 [1608 Metric] C83 220nf Condensateur céramique multicouche CMS, 50 V, 0603 [1608 Metric] C84 47µf 35v Condensateur électrolytique, À sorties radiales, 2.54 mm C85 220nf Condensateur céramique multicouche CMS, 50 V, 0603 [1608 Metric] C86 220nf Condensateur céramique multicouche CMS, 50 V, 0603 [1608 Metric] C87 220nf Condensateur céramique multicouche CMS, 50 V, 0603 [1608 Metric] C88 100nf Condensateur céramique multicouche CMS, 50 V, 0603 [1608 Metric] C90 10nf Condensateur céramique multicouche CMS, 50 V, 0603 [1608 Metric] C91 1µf Condensateur céramique multicouche CMS, 50 V, 0603 [1608 Metric] C92 10nf Condensateur céramique multicouche CMS, 50 V, 0603 [1608 Metric] C93 220nf Condensateur céramique multicouche CMS, 50 V, 0603 [1608 Metric] C94 47µf 35v Condensateur électrolytique, À sorties radiales, 2.54 mm C95 220nf Condensateur céramique multicouche CMS, 50 V, 0603 [1608 Metric] C96 220nf Condensateur céramique multicouche CMS, 50 V, 0603 [1608 Metric] C97 220nf Condensateur céramique multicouche CMS, 50 V, 0603 [1608 Metric] C98 100nf Condensateur céramique multicouche CMS, 50 V, 0603 [1608 Metric] C99 110pf Condensateur céramique multicouche CMS, 50 V, 0603 [1608 Metric] C100 10nf Condensateur céramique multicouche CMS, 50 V, 0603 [1608 Metric] C101 1µf Condensateur céramique multicouche CMS, 50 V, 0603 [1608 Metric] C102 10nf Condensateur céramique multicouche CMS, 50 V, 0603 [1608 Metric] C103 220nf Condensateur céramique multicouche CMS, 50 V, 0603 [1608 Metric] C104 47µf 35v Condensateur électrolytique, À sorties radiales, 2.54 mm C105 220nf Condensateur céramique multicouche CMS, 50 V, 0603 [1608 Metric] C106 220nf Condensateur céramique multicouche CMS, 50 V, 0603 [1608 Metric] C107 220nf Condensateur céramique multicouche CMS, 50 V, 0603 [1608 Metric] C108 100nf Condensateur céramique multicouche CMS, 50 V, 0603 [1608 Metric] C109 110pf Condensateur céramique multicouche CMS, 50 V, 0603 [1608 Metric] C42A 220nf Condensateur céramique multicouche CMS, 50 V, 0603 [1608 Metric] C7A 110pf Condensateur céramique multicouche CMS, 50 V, 0603 [1608 Metric] ± 0.05pF C7B 110pf Condensateur céramique multicouche CMS, 50 V, 0603 [1608 Metric] ± 0.05pF C8A 110pf Condensateur céramique multicouche CMS, 50 V, 0603 [1608 Metric] ± 0.05pF C8B 110pf Condensateur céramique multicouche CMS, 50 V, 0603 [1608 Metric] ± 0.05pF C9A 110pf Condensateur céramique multicouche CMS, 50 V, 0603 [1608 Metric] ± 0.05pF C9B 110pf Condensateur céramique multicouche CMS, 50 V, 0603 [1608 Metric] ± 0.05pF C10A 110pf Condensateur céramique multicouche CMS, 50 V, 0603 [1608 Metric] ± 0.05pF C10B 110pf Condensateur céramique multicouche CMS, 50 V, 0603 [1608 Metric] ± 0.05pF DIODE D1 SK34A SOD-123 Diodes et redresseurs Schottky 3.0 Amp 40 Volt 150 Amp IFSM D2 SK34A SOD-123 Diodes et redresseurs Schottky 3.0 Amp 40 Volt 150 Amp IFSM D3 LED rouge 1.5V T-1 3/4 (5MM) D4 (1n4148) Diode NP, 150mA, SOD-80, 2 Broche(s) D5 (1N4148) Diode NP, 150mA, SOD-80, 2 Broche(s) RESISTANCE R1 10K Résistance à puce CMS, Couche mince, 0603 [1608 Metric],Série ERA, 75 V R2 NC 0603 (Pas de résistance) R3 75K ohm Résistance à puce CMS, Couche mince, 0603 [1608 Metric],Série ERA, 75 V R4 20K ohm Résistance à puce CMS, Couche mince, 0603 [1608 Metric],Série ERA, 75 V 1% R5 4.7K ohm Résistance à puce CMS, Couche mince, 0603 [1608 Metric],Série ERA, 75 V 1% R6 33K ohm Résistance à puce CMS, Couche mince, 0603 [1608 Metric],Série ERA, 75 V R7 100 ohm Résistance à puce CMS, Couche mince, 0603 [1608 Metric],Série ERA, 75 V R9 10K ohm Résistance à puce CMS, Couche mince, 0603 [1608 Metric],Série ERA, 75 V R10 10K ohm Résistance à puce CMS, Couche mince, 0603 [1608 Metric],Série ERA, 75 V R11 10K ohm Résistance à puce CMS, Couche mince, 0603 [1608 Metric],Série ERA, 75 V R12 10K ohm Résistance à puce CMS, Couche mince, 0603 [1608 Metric],Série ERA, 75 V R21 1K ohm Résistance à puce CMS, Couche mince, 0603 [1608 Metric],Série ERA, 75 V R22 1K ohm Résistance à puce CMS, Couche mince, 0603 [1608 Metric],Série ERA, 75 V R31 1K ohm Résistance à puce CMS, Couche mince, 0603 [1608 Metric],Série ERA, 75 V R32 1K ohm Résistance à puce CMS, Couche mince, 0603 [1608 Metric],Série ERA, 75 V R41 1K ohm Résistance à puce CMS, Couche mince, 0603 [1608 Metric],Série ERA, 75 V R42 11K ohm Résistance à puce CMS, Couche mince, 0603 [1608 Metric],Série ERA, 75 V, 1% R43 430 ohm Résistance à puce CMS, Couche mince, 0603 [1608 Metric],Série ERA, 75 V, 1% R70 0.680 ohm Résistance à puce CMS, Couche épaisse, 2010 [5025 Metric], 200 V R71 51K ohm Résistance à puce CMS, Couche mince, 0603 [1608 Metric],Série ERA, 75 V R80 0.680 ohm Résistance à puce CMS, Couche épaisse, 2010 [5025 Metric], 200 V R81 51K ohm Résistance à puce CMS, Couche mince, 0603 [1608 Metric],Série ERA, 75 V R90 0.680 ohm Résistance à puce CMS, Couche épaisse, 2010 [5025 Metric], 200 V R91 51K ohm Résistance à puce CMS, Couche mince, 0603 [1608 Metric],Série ERA, 75 V R100 0.680 ohm Résistance à puce CMS, Couche épaisse, 2010 [5025 Metric], 200 V R101 51K ohm Résistance à puce CMS, Couche mince, 0603 [1608 Metric],Série ERA, 75 V CIRCUIT LOGIQUES U1 78D05AL TO-252 Régulateur de tension fixe monolithique 5V 1A U2 PIC16F886 SOIC_28_W MCU 8 bits, FLASH, PIC16 Family PIC16F8XX Series Microcontrollers, 20 MHz, 14 KB, 368 Byte U3 PIC16F886 SOIC_28_W MCU 8 bits, FLASH, PIC16 Family PIC16F8XX Series Microcontrollers, 20 MHz, 14 KB, 368 Byte U4 2171WU TO263-5 Régulateurs de tension de commutation 2.5A, tension d'entrée de 3 V à 40 V U7 A3959SLBT Driver de moteur, double, DMOS, Alimentation 7V à 50V, 2 Sorties 50V/3A, SOIC-24 U8 A3959SLBT Driver de moteur, double, DMOS, Alimentation 7V à 50V, 2 Sorties 50V/3A, SOIC-24 U9 A3959SLBT Driver de moteur, double, DMOS, Alimentation 7V à 50V, 2 Sorties 50V/3A, SOIC-24 U10 A3959SLBT Driver de moteur, double, DMOS, Alimentation 7V à 50V, 2 Sorties 50V/3A, SOIC-24 QUARTZ, OSCILLATEUR, RESONATEUR X1 20Mhz Cristal,Traversant, 10.9mm x 4.65mm X2 20Mhz Cristal,Traversant, 10.9mm x 4.65mm EMI L1 Perle de ferrite, 1206, Résistance DC max 0.015ohm, Impédance typique à 100MHz: 50ohm, 3.5A, ± 25%, Réf: BLM31PG500SN1L L1 Perle de ferrite, 1206, Résistance DC max 0.015ohm, Impédance typique à 100MHz: 50ohm, 3.5A, ± 25%, Réf: BLM31PG500SN1L L2 Perle de ferrite, 603, Résistance DC max 0.15ohm, Impédance typique à 100MHz: 220ohm, 1A, ± 25%, Réf: BLM18EG221TN1D L3 Perle de ferrite, 603, Résistance DC max 150Mohm, Impédance typique à 100MHz: 80ohm, 500mA, ± 25%, Réf: MMZ1608S800ATA00 L4 Perle de ferrite, 603, Résistance DC max 150Mohm, Impédance typique à 100MHz: 80ohm, 500mA, ± 25%, Réf: MMZ1608S800ATA00 L5 Perle de ferrite, 603, Résistance DC max 0.85ohm, Impédance typique à 100MHz: 1Kohm, 100mA, ± 25%, Réf: BLM18BD102SN1D L6 Perle de ferrite, 603, Résistance DC max 0.85ohm, Impédance typique à 100MHz: 1Kohm, 100mA, ± 25%, Réf: BLM18BD102SN1D L7 Perle de ferrite, 603, Résistance DC max 0.85ohm, Impédance typique à 100MHz: 1Kohm, 100mA, ± 25%, Réf: BLM18BD102SN1D L8 Perle de ferrite, 603, Résistance DC max 0.85ohm, Impédance typique à 100MHz: 1Kohm, 100mA, ± 25%, Réf: BLM18BD102SN1D L11 Perle de ferrite, 603, Résistance DC max 0.15ohm, Impédance typique à 100MHz: 220ohm, 1A, ± 25% Réf: BLM18EG221TN1D L14 Perle de ferrite, 805, Résistance DC max 0.25ohm, Impédance typique à 100MHz: 33ohm, 3A, ± 25%, Réf: BLM18PG330SN1D L40 Perle de ferrite, 805, Résistance DC max 0.25ohm, Impédance typique à 100MHz: 33ohm, 3A, ± 25%, Réf: BLM18PG330SN1D L71 Perle de ferrite, 805, Résistance DC max 0.05ohm, Impédance typique à 100MHz: 120ohm, 2A, ± 25%, Réf: BLM18PG121SN1D L72 Perle de ferrite, 805, Résistance DC max 0.05ohm, Impédance typique à 100MHz: 120ohm, 2A, ± 25%, Réf: BLM18PG121SN1D L82 Perle de ferrite, 805, Résistance DC max 0.05ohm, Impédance typique à 100MHz: 120ohm, 2A, ± 25%, Réf: BLM18PG121SN1D L91 Perle de ferrite, 805, Résistance DC max 0.05ohm, Impédance typique à 100MHz: 120ohm, 2A, ± 25%, Réf: BLM18PG121SN1D L92 Perle de ferrite, 805, Résistance DC max 0.05ohm, Impédance typique à 100MHz: 120ohm, 2A, ± 25%, Réf: BLM18PG121SN1D L101 Perle de ferrite, 805, Résistance DC max 0.05ohm, Impédance typique à 100MHz: 120ohm, 2A, ± 25%, Réf: BLM18PG121SN1D L102 Perle de ferrite, 805, Résistance DC max 0.05ohm, Impédance typique à 100MHz: 120ohm, 2A, ± 25%, Réf: BLM18PG121SN1D INDUCTANCE L42A Inductance,100uH LISTE NON-EXHAUSTIVE Protéger un appareil contre les inversions de polarité, sans occasionner de chute de tension d’alimentation importante 300ma. Protection d’inversion de la polarité pour éviter toute dégradation en cas de branchement inverse de la batterie ou de la prise. Dimension circuit: 31x25x4 Module P.I.P. Ref: AT00011 a souder sur câble Ref: AT00012 Pour monture EQ8-R/AZEQ6/EQ6R Ref: AT0001B.5A Protège le matériels ASTRO 5A Max Ref: AT0001B.10A Protège le matériels ASTRO 10A Max Pour toute commande contacte ICI Un circuit de protection avec un transistor MOSFET canal N 300A 80V. Celui-ci entrera en action si la tension est négative. Module alimentés sous 12 à 14 V. ____________________________________________________________________________________________________________________________________________________________________________________ Les pannes éventuelles de la carte contrôleur N-Eq6: - Appel de courant trop fort au démarrage des moteurs. - Non-respect des consignes d'alimentation. - Inversion de polarité. - Prise Db9 F. défectueuse. - Ci la raquette SynScan ne fonctionne plus, par contre la monture arrive quand même à fonctionner avec Eqmod et le câble Eq-direct directement relié au PC, L2 défectueuse et peut être C4 aussi. Dans la majorité des cas L1+, L1-, L2 , C1, C3 et C4 composant électronique défectueux (cramé). La L1 perle de ferrite Joue le rôle de protection, comme un fusible. La perle de ferrite agit comme un filtre, aider à éliminer les interférences radioélectriques à haute fréquence et les signaux d'interférence électromagnétique (EMI) souvent appelés « bruit » qui se trouvent généralement autour de chaque équipement électronique, ex téléphone portable. Ce "bruit" peut également interfère dans la plupart des appareils électroniques, y compris votre monture. Ainsi, le "bruit" RF est partout et est généré par bien plus que de simples téléphones portables. En gros, ces circuits sont appelés "filtres" car ils filtrent en quelque sorte le "bruit" juste au cas où de tels signaux indésirables pourraient être mal interprétés par les "microprocesseurs" sur la carte comme des commandes valides, cela pourrait engendrer des erreur de commande. Composant de remplacement: Perle de ferrite L1 Réf: BLM31PG500SN1L - Perle de ferrite, 1206 [3216 Metric], 50 ohm, 3.5 A, Série EMIFIL BLM31P, 0.015 ohm, ± 25% Perle de ferrite L2 Réf: BLM18EG221TN1D - Perle de ferrite, 0603 [1608 Metric], 220 ohm, 1 A, Série BLM18E, 0.15 ohm, ± 25% Condensateur C3 Réf: 25ZLJ470M10X12.5 - Condensateur électrolytique, Miniature, 470 µF, 25 V, Série ZLJ, ± 20%, À sorties radiales, 10 mm, 12.5mm, 5mm Condensateur C1 Réf: C0603C124K5RACTU - Condensateur céramique multicouche CMS, 0.12 µF, 50 V, 0603 [1608 Metric], ± 10%, X7R Condensateur C4 Réf: C0603C103K5RACAUTO - Condensateur céramique multicouche CMS, AEC-Q200, 10000 pF, 50 V, 0603 [1608 Metric], ± 10%, X7R Attention ce sont des composant de substitution échange d'un composant d'une représentation simplifiée par un autre composant et s'effectue dans le contexte d'une représentation simplifiée. On trouve les composant chez farnell ou bien sur ebay Attention, il ne faut surtout pas shunter le composant cramé (perles de ferrite) avec un fil, au risque de voir de plus gros dégât. Pour un dépannage. Un fusible, à la place de la perle de ferrite ça n'engage que vous. Voir ci-dessus la liste des composant pour l'intensité du fusible. Recherche de composant défectueux: Les composants montés en surface (C.M.S. ou M.S.D.) Recherchez des fissures, mêmes très légères par éclairage rasant pour bien les voir, pour identifier un composant douteux et faites vos mesures au multimètre pour confirmer ou infirmer l'état de panne. Un composant C.M.S. grillé peut tout à fait être remplacé par son homologue en gros boîtier classique, si vous n'avez rien d'autre. Avant toute intervention à lire les notes de bas de page. Message d'erreur SynScan: "No link to M.C. Stand-alone mode" la raquette n'est pas correctement branchée sur la monture voir câble défectueux. Ci non carte défectueuse (défaut sur Circuit logiques, EMI et diode à contrôler). Défaut contact avec le(s) moteurs 99% des cas c'est un manque de puissance. "CAUTION! Dec/Alt no detected" il y a quelques astram qui ignore ce message en appuyant sur ENTER ou bien ESC puis ENTER. Ou en réinitialisant la raquette SynScan ( menu "Setup" > "Factory Settings"). Un défaut avec la dernière version 3.37 du firmware de SynScan. Faux contacts au niveau des connexions moteurs RA, DEC. Défaut d'un ou des driver A3959SLBT. "Can not connect to a SynScan hand control" mise à jour de la raquette SynScan, vérifiez le cable de connexion et le câble PC-Link. Assurez-vous qu'ils soient en bon état de fonctionnement. Fermez toutes les applications qui peuvent occuper le port RS-232 puis essayez à nouveau. "CAUTION...Both Axes No Response" La raquette n'est pas correctement branchée sur la monture voir câble défectueux. Défaut composant de la raquette SynScan. Défaut composant carte mère cause inversion de polarité. Défaut composant carte mère lors d'un faux contact électrique. Défaut connecteur db9 Hand Controleur carte mére EQ6. Défaut connecteur RJ45 Hand Controleur SynScan. Défaut d'un ou des driver A3959SLBT. Défaut d'un ou des pic 16F886. Les pannes éventuelles de la raquette SynScan: Raquette V.3 Défaut connecteur RJ45 Hand Controleur SynScan. Dans la majorité des cas L9, L10 composant électronique défectueux (cramé). Composant de remplacement: Perle de ferrite L9; L10 Réf: BLM18AG601SN1 - Perle de ferrite, 0603 [1608 Metric], 600 ohm, 500 mA, EMIFIL BLM18A, 0.38 ohm, ± 25% Raquette V.4 & V.5 Défaut connecteur RJ45 Hand Controleur SynScan. Dans la majorité des cas U6; U9; U10; C3 et C55 composant électronique défectueux (cramé). U6 = TPD4F003DQDR ou VEMI45AA-HNH-GS08 Filtre EMI/RFI C55, C58, C3, C4 son des condensateurs au tantale 10uF, 16V 10% de tolérance. FB perle de ferrite 603 (BLM18EG221N1D) peut faire l affaire. U10 est un régulateur de 3.3V . (AZ1117-3.3) U9 est un régulateur de 5V. (AZ1117-5.0) Vous devez utiliser uniquement des cordons spécifiques comme ceux de Pierro Astro et surtout pas des câbles informatiques standards. Sous peine d’endommager le PC voir même la raquette de commande. La Led: Signification de la Led qui clignote. Défaut secteur. Défaut du filtre EMI L1 Défaut réglage vis tangente. La led clignote lentement tension ≃ 11.5V. La led clignote rapidement tension < 10.8V. La led ne doit pas clignoter du tout, pendant les déplacements ou le suivit, la monture aura une imprécision sur le Goto et le suivit. Pour vérifier le voltage, avec la raquette de commande de la monture EQ6 Aller dans le menu "Utility" >"Show informations" > "Power voltage". Le voltage doit être de 11V à 15V. (le bon compromis 13.8V) Une tension non comprise dans cette plage peut endommager définitivement la carte contrôleur voir même la raquette SynScan. Le fait de faire fonctionner la monture avec une faible tension d'alimentation. Générera un courant élevé à travers les composant. Info micrologiciel: correction d'une lecture de tention incorrecte sur le conrôtleur manuel SynScan V3. Sur certaines commandes manuelles SynScan V3, la lecture de la tension dans le menu "Utility" >"Show informations" > "Power voltage" est beaucoup plus élevée que la vraie tension d'alimentation. Dans de tels cas, utilisez ce micrologiciel pour résoudre le problème ici Prévoir une bonne Alimentation 12V de 5A minimum . Consommation monture N-EQ6: 420mA au démarrage sans suivit ± 0.030mA. . 600mA en suivit ± 0.050mA. Goto 1.1A à 2A suivant la charge. Moteur pas à pas HM6GT-F00-1A: 0,8A (± 0.06mA) par phases en Goto Caractéristique moteur pas-à-pas. Réf SkyWatcher: HM6GT-F00-1A Moteur pas-à-pas Bipolaire de type NEMA 17 Angle de pas (°): 1.8°. Dimensions (L*W*H) : 42 x 42 x 39 mm Courant nominal: 1A Couple de maintien: 0.4Nm Résolution: 200 pas Résistance par phase: 6.4 Ω ± 5% Inductance par phase: 11 mH ± 10% Diamètre de l'arbre: 4.90 mm Type d'arbre: Coupe en D Arbre simple / double arbre: Arbre simple Nombre de pas par tour: 783.333 Nombre de de µpas par tour : 12533.3333 Moteur de substitution: Osmtec 17HS15-0854S Osmtec 17HS19-0854S Aide à Analyse de l'Erreur Périodique Par Gandalf, Tuto ici Vérifier les phases moteur DEC & RA: HM6GT-F00-1A: figure 7 Par bobine 6.4 Ω ± 5% Pin 1 = Orange avec Pin 2 = Bleu Pin 3 = Jaune avec Pin 4 = Rouge Manque de couple moteur pas a pas, c'est un problème d'alimentation. Vérifier câblage moteur Vérifier le régulateur le convertisseur DC-DC U4. Vérifier les driver moteur U7, U8, U9, U10: figure 3 Mesurez la résistance entre GND et chacun des 4 pin du connecteur du moteur (RA et Dec). La résistance doit être, > à 7 MΩ. Si l'une des résistances est < à 1 KΩ, cela signifie que le driver A3959SLB connecté à la broche est endommagé et doit être remplacé. Important! Les drivers A3959SLBT peuvent avoir un court-circuit, s'il se retrouve alimenté en courant sans que les moteurs pas à pas ne soient connectés a la carte. les drivers seront endommagés et devront être remplacés. Description: Les driver est conçu pour commander le moteur en courant et non en tension. Sur la figure ci-dessous, vous pouvez voir les deux résistances shunt Rs1 et Rs2 (R70; R80; R90; R100) de 0.680 Ω connectés entre la partie inférieure du pont en H et la masse, ces résistances vont permettre de mesurer le courant en permanence dans les bobines du moteur et agir ainsi sur l'électronique de commande du pont en H Les quatre MOSFET sont bien sûr commandés en fonction du signal « STEP » généré par le microcontrôleur, mais également en fonction de la tension mesurée aux bornes Rs. En fait quelle que soit la tension qui alimente le driver, celui-ci va surveiller le courant à l’intérieur des bobines pour qu’il ne dépasse pas la valeur nominale réglée. Testeur de pic 16F886 Description : Ce schéma montre comment tester les microcontrôleurs PIC16F886 dessoudé après avoir téléchargé le fichier .HEX depuis MPLAB IDE. Il s'agit d'un problème courant avec ce type de carte, à savoir que la télécommande affiche "Caution...Both Axes No Response" . Cela se produit généralement si la communication série échoue sur les microcontrôleurs. Le circuit contient deux Microcontrôleurs PIC16F886, un pour RA et un pour DEC. Les 2 PIC16F886 ont le même firmware, la 21ème broche (RB0) indique au PIC, est-ce le RA ou le DEC. Si le ou les PIC tombe en panne, il est possible de les remplacer et de les recharger. Le firmware .mcf (Motor Controller Frmware) peut être téléchargé depuis le site Web de Skywatcher , attention le PIC16F886 vide ne peut pas être téléchargé avec l'utilitaire Windows via le contrôleur manuel. Heureusement, le fichier .mcf est un fichier .bin, qui peut être converti en .HEX, qui peut être flashé sur le PIC16F886 à partir de Microchip MPLAB X IDE. Cette conversion n'est pas simple, certains convertisseurs bin2hex fonctionnent, d'autres non. Flasher le PIC avec le PICKit 3. Le PICKIT ne suffit pas à lui seul pour télécharger le firmware, il faut fournir un +5V externe (VDD) au PIC pour pouvoir le télécharger. Après avoir flashé le firmware, il est possible de tester le PIC en connectant la télécommande (raquette SynScan) à l'aide du schéma ci dessus. La télécommande est alimentée par cette source +5V. NE connectez PAS le 12V, cela endommagerait le Pic!!! Si la programmation a réussi, la raquette affichera "RA/Azm... No response!" si le PIC est en mode DEC, et "Dec/Alt... No Response!" si le PIC est en mode RA. Dans ce cas, le PIC **fonctionne** et il est possible de le souder en toute sécurité sur la carte mère. Vérifier la diode schottky D1: figure 4 Test d'une diode Schottky au multimètre (sens passant) typiquement, on obtient des résultats entre 100mV et 300mV. Diode Schottky SK34A : 165mV à 190mV sens passant, OL sens ouvert. Diode claquée : court-circuit dans les 2 sens. Vérifier la diode PN D4 & D5: figure 4 Test d'une diode PN au multimètre (sens passant) typiquement, on obtient des résultats entre 400mV et 700mV. Diode PN : 610mV à 705mV sens passant, OL sens ouvert. Diode claquée : court-circuit dans les 2 sens, pensez au remplacement du composant.. Vérifier un condensateur: figure 5 Un condensateur c''est un composant dit passif, ne peut être testé qu’en étant séparé du circuit auquel il est raccordé. Il faut aussi le décharger. Mettez pour cela ses 2 pôles en contact avec un élément métallique quelconque. Il existe plusieurs façons de tester un condensateur pour savoir s’il fonctionne convenablement. Réglez le multimètre sur la position ohmmètre. Selon la capacité de votre condensateur, adaptez le calibrage de l'ohmmètre pour qu'il corresponde le mieux à votre condensateur ex 1 000 ohm/1K. Lorsque l’afficheur du multimètre (numérique) indique 10000(ou plus) puis redescend à 0, le condensateur fonctionne correctement. Si en revanche l’afficheur reste à 0 ou bien à la valeur précédente (10000 ou plus), le condensateur est défectueux, pensez au remplacement du composant. 2emme façons de tester un condensateur. Réglez le multimètre sur la position Capa. Selon la capacité de votre condensateur, adaptez le calibrage de Capa pour qu'il corresponde le mieux à votre condensateur. Si la capacitance que vous voyez s’afficher est proche de celle qui est notée sur le composant, vous savez qu’il est en bon état de fonctionnement. Si elle est inférieure de beaucoup ou si elle est proche de zéro, le condensateur est HS. Exemple de condensateur HS ci-dessous Vérifier une résistance: figure 6 La résistance c''est un composant dit passif, il conduit l'électricité avec un effet résistif. Il est bidirectionnel, il n'y a pas de sens obligatoire du passage du courant. Sont rarement assujettis aux pannes (sauf suite à la défaillance d'un semi-conducteur ou alors dus à un très gros défaut de fabrication ou de conception du montage !). Les résistances de puissance sont plus sujettes aux pannes, pour les même raisons que cités précédemment, mais également parce qu'elles sont amenées physiquement à dissiper de la chaleur, et parfois un peu trop pour elles : Elles vont donc soit se mettre en circuit ouvert, soit carrément changer de valeur (généralement pour prendre une valeur supérieure). Une résistance possède une résistance ohmique dont la valeur réelle peut varier légèrement par rapport à la valeur indiqué sur elle, cela est lié à sa tolérance. La plupart du temps, la mesure de la valeur ohmique d'une résistance ne peut être considérée comme valable que si elle est effectuée hors circuit, c'est à dire si au moins une de ses deux pattes n'est raccordée à rien. La valeur mesurée doit être proche de la valeur attendue, à sa tolérance près. Si ce n'est pas le cas (valeur bien plus élevée par exemple), pensez au remplacement du composant. Mesure en circuit Si la valeur mesurée est inférieure ou égale à la valeur attendue, on peut supposer que la résistance est bonne mais ce n'est pas certain. Il est rare de mesurer en condition normale une valeur de 20 ohms alors que la résistance est marquée 150 Kohms, mais cela est néanmoins possible dans certains cas, notamment en cas de présence de bobinages ou de transfo directement en relation avec la résistance en question. Seule sa déconnections (même partielle) peut permettre de confirmer son état. Vérifier le convertisseur DC-DC U4: figure 1 Régulateur SMPS 2171WU mesure la tension sur pin IN du U4 tension comprise à ≃ 12V (Tension d'alimentation). Si pas de tension sur IN, vérifier D1 et L40 voir même L1. Ci il y a une tension comprise à ≃ 12V du U4 sur pin 5 IN, vérifier les tension suivantes pin FB, COM et le + de C48 Mesure de la tension sur pin FB comprise à 1.24V (Tension de rétroaction). Si tension incorrecte sur FB, régulateur U4 HS, pensez au remplacement du composant. Mesure de la tension sur pin COM comprise à 1V (Compensation de fréquence). Si tension incorrecte sur COMP, régulateur U4 HS, pensez au remplacement du composant. Vérifier la tension sur le + de C48 tension comprise à 33V. Si tension incorrecte vérifier D2 et L14, si D2 et L14 correcte il y a suspicion que U4 est HS, pensez au remplacement du composant. Vérifier le régulateur de tension fixe monolithique U1: figure 2 Régulateur 78D05AL mesure la tension sur pin IN du U1 tension comprise à ≃ 12V (Tension d'alimentation). Si pas de tension sur IN, vérifier D1 ou L11 voir même L1. Ci il y a une tension sur pin IN de ≃ 12V du U1, vérifier la tension sur pin OUT du U1, tension comprise à 5V. Si pas de tension sur OUT, celui-ci est HS, pensez au remplacement du composant. Avant toute intervention sur la carte électronique. La décharge électrostatique (ESD electrostatic discharge) est un passage de courant électrique entre deux objets possédant des potentiels électriques différents sur un temps extrêmement court. Le terme est souvent utilisé en électronique et dans l'industrie lorsque l'on veut décrire des courants fugaces non-désirés pouvant endommager l'équipement électronique. Une décharge électrostatique est un problème grave dans l'électronique des solides, tels que les circuits intégrés. On ne s'en préoccupe jamais, mais l'électricité statique est un phénomène particulièrement destructeur dans de nombreux domaines et en particulier dans l'électronique. Comment est-elle évacuée normalement ? toucher une surface métallique mise à la terre. L'Electricité statique : l’ennemie invisible de vos matériels informatiques A SUIVRE Mise à jour le 31/08/2023
×
×
  • Créer...

Information importante

Nous avons placé des cookies sur votre appareil pour aider à améliorer ce site. Vous pouvez choisir d’ajuster vos paramètres de cookie, sinon nous supposerons que vous êtes d’accord pour continuer.