Aller au contenu

Analyse EP EQ6 sur MaximDl


shn13

Messages recommandés

Posté

Slt à tous,

j'aurais besoin de votre avis sur la qualité de suivi de ma monture:

Hier j'ai fait des essais (bcp de nuages), voici les résultats :

Rappel du matériel :

- EQ6 avec Poulies et Pic astro + roulements Pierrot Astro

- Camera Guidage = DSI Pro

- Au cul d'une APO 80/480

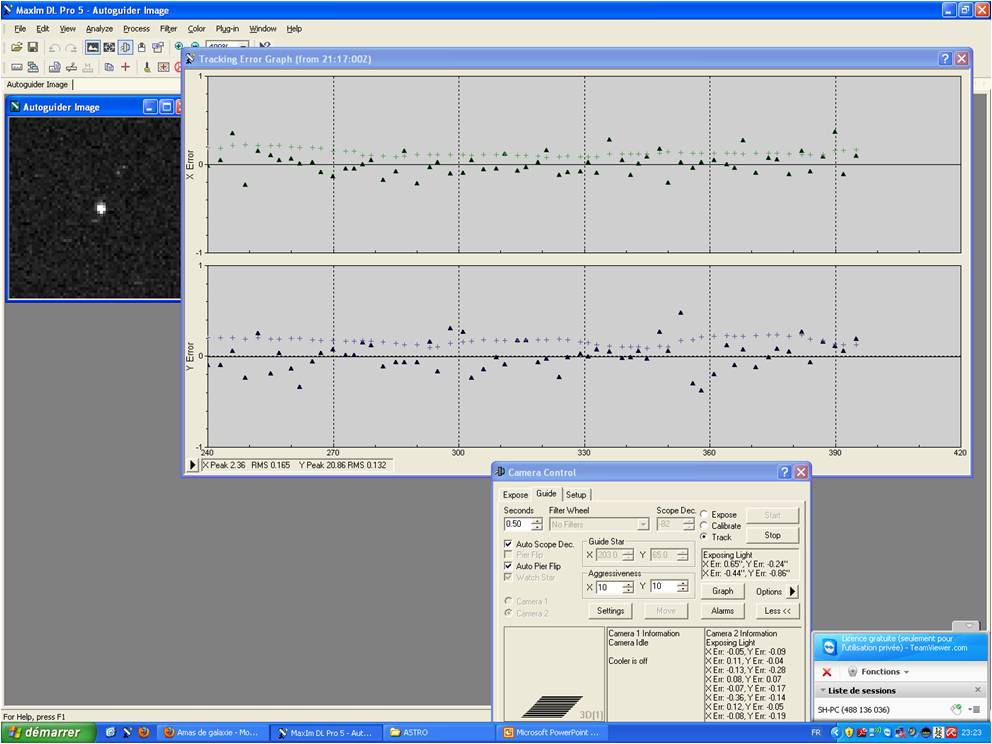
- le tout guidé par MAxim DL :

 

Première image avec des poses à 0,1 sec; Agressivité 10 et 10 =

- RMS X = entre 0,16 et 0,2

- RMS Y = 0,2 voire 0,3

 

Deuxième série avec des poses à 0,5s =

- RMS X = 0,16

- RMS Y = 0,13 à 0,15

 

 

=> Que veut dire RMS ? qu est ce que ça représente ?

=> Qu'en pensez vous ? est OK ?

 

Merci

EP.jpg.2e7f45010a6394ef71aaa7b4dd513bbc.jpg

EP1.jpg.86b35e2263274cd920131cac08162597.jpg

Posté

Bon, je me réponds à moi même :

 

echantillonnage : E = 206 * P / F

La DSi pro a un capteur avec des pixels rectangulaires ... : 9,6µm x 7,5xµm

 

E1 = 206 x 9,6 / 480 = 4,12 "/pix

E2 = 206 x 7,5 / 480 = 3,2 "/pix

 

Mes courbes montrent +/- 0,4 pix en écart maxi => +/- 1,5" ... :cry::cry::cry:

 

RMS moy = 0,18 => 0,7 arcsec

 

Me trompe je ?

Posté
Bon, je me réponds à moi même :

 

echantillonnage : E = 206 * P / F

La DSi pro a un capteur avec des pixels rectangulaires ... : 9,6µm x 7,5xµm

 

E1 = 206 x 9,6 / 480 = 4,12 "/pix

E2 = 206 x 7,5 / 480 = 3,2 "/pix

 

Mes courbes montrent +/- 0,4 pix en écart maxi => +/- 1,5" ... :cry::cry::cry:

 

RMS moy = 0,18 => 0,7 arcsec

 

Me trompe je ?

 

Bah non, 1.5" ca a du sens sur une eq6 autoguidée.

 

Pres faudra jouer surl'agressivité et le temps d epose de l'etoile guide pour ne pas guider sur la turbu.

Posté

Bonsoir,

 

En principe, l'erreur périodique se mesure sans autoguidage, en suivi à la vitesse sidérale. L'autoguidage va masquer les imperfections de la monture.

 

Cordialement,

 

Guy.

Posté

Bjr Guy,

certe, tu as raison, mais là je recherche à mesurer la précision de la monture en autoguidage, puisque j'autoguide systématiquement

Sans autoguidage, elle est à +/- 30 à 50 " ..

Archivé

Ce sujet est désormais archivé et ne peut plus recevoir de nouvelles réponses.

  • En ligne récemment   0 membre est en ligne

    • Aucun utilisateur enregistré regarde cette page.
×
×
  • Créer...

Information importante

Nous avons placé des cookies sur votre appareil pour aider à améliorer ce site. Vous pouvez choisir d’ajuster vos paramètres de cookie, sinon nous supposerons que vous êtes d’accord pour continuer.