Aller au contenu

spc900 amp off tuto?


cheeze

Messages recommandés

Posté

Bonjour,

j'ai effectuer la modif longue pose sur ma spc900 avec succes, mais maintenant, je voudrais réduire le bruit. J'ai lut pas mal à propos de la modif Amp off (sc 1.5), mais je ne trouve pas de tuto sur comment faire, quelqu'un aurais un indice?

merci.

Posté
Un lien en anglais ici.

 

JL

 

Merci, j'aurais quand même besoin de quelque éclairssissement, ce n'est pas toute claire, je vais y aller point par point:

 

Point #1: changer le amp off circuit:

-Je n'est pas de amp off circuit, j'ai seulement fait la modif LX, je ne sait pas comment faire l'autre.

 

Point#2: il faut mesurer le voltage à la pin 12 ou 10 tout dependant de la chip

-OK, ça, ça vas.

 

Point#3: mettre la camera en mode LX et amp off et mesurer le voltage sur la meme pin pour le voir descendre.

-Comment je fait le amp off?

 

Point#4 et 5: fixer avec un potentionmetre une tension de 100mv ente la pin 9 du pad (15v) et le ground

-D'accord, mais qu'est-ce que le pad? ( ca doit faire partie de la modif amp-off que je n'ais pas faite parce que je ne trouve pas de tuto...)

 

point #6: and tahts it,

-cool.

Posté

Il y a eu plusieurs versions d'Amp Off. Mais la plus efficace est celle-ci:

 

La diode Zener D1 sert à faire chuter la tension d'alimentation de l'ICX quand l'ampli est Off: Alim_ICX098 = 15V-Tension Zener. dans le schéma suivant quand l'ampli est Off l'ICX est alimenté sous 15V-6,1V=8,9V. A mon avis c'est trop, une zener de 9,1V serait mieux pour obtenir 5,9V quand l'ampli est Off. Q2 sert à court-circuiter la zener quand l'ampli est On: Alim nominale à 15V.

AmpOff-with-ZD.png

 

Pour que le reste du circuit fonctionne correctement quand l'alim du CCD est réduite, on va injecter sur l'entrée OSUB (broche 10) une tension équivalente à ce qu'on peut mesurer sur la broche 10 quand l'alim est normale:

circuit1.gif

La résistance variable (5kohm) sert à régler la tension que l'on va appliquer sur OSUB. On règle le potar au min pour avoir 0V sur l'anode de la diode. L'ICX étant alimenté en 15V, on mesure la tension en OSUB. On met l'ampli Off et on règle le potar pour avoir en OSUB une tension légèrement inférieure de 0,2V à ce qu'on avait mesuré quand l'ampli était On. Grâce à cette astuce la diode va isoler OSUB du potar quand l'ampli est ON et restaurer une tension sur OSUB quasi normale quand l'ampli est Off car la diode est passante.

Posté

salut, super ce montage, je mis metterais aussitôt si ce n'était cette petite épine sous mon pied:

Je n'utilise pas le port parallele, mais une adaptation série, avec un convertiseur série/usb. Selon ce montage:

serielp.jpg

alors , le ground de mon port serie est la pin #5 (E2), mais que serais l'équivalent de la broche #4 du port parralel en serie? c'est faisable?

merci.

Posté

Ton montage permet d'adapter le port série au montage port //.

 

Il faut cascader les montages:

 

  • E2, S2, Pin21 GND: reliés ensemble
  • S1, Parallel Port Pin 4: reliés ensemble

 

Bon c'est quand même une usine à gaz, je vais te proposer un montage plus simple à 1 transistor.

 

Quelques précisions:

 

  • Il faut dessouder la broche 8 de l'ICX de sa pastille et insérer le 1er montage que je t'ai fourni.
  • Par contre pour le OSUB la patte de l'ICX reste soudé et la diode qui la relie au potar vient se souder en plus dessus.
  • Le second montage est pour un ICX424, mais le principe reste le même pour un ICX098, si ce n'est les numéros des broches.

JL

Posté

Voici un montage que j'ai pondu:

attachment.php?attachmentid=18112&stc=1&d=1319196413

 

Résultats des simulations:

attachment.php?attachmentid=18113&stc=1&d=1319196413

Principes:

 

Courant Bias (OSUB)

R4, R5, RV1 et D4 permettent d'injecter le courant directement dans OSUB quand l'ampli est OFF. R4 et R5 limite la plage de réglage de la tension injectée entre 5,4V...10,4V (en prenant en compte la chute de tension ans D4. Je te conseille de prendre un multitour pour RV1: plus facile à régler.

 

Tension alim CCD

Quand la tension C_AmpOff est nul ou que rien n'y est connecté, Q1 est passant grâce à R2, R3, D2. La zener D3 est court-circuitée et le CCD est alimenté sous 15V. Dès que la tension C_AmpOff dépasse 2,4V , D2 se retrouve bloqué et bloque Q1. Le CCD se retrouve alimenté via la zener de 8,2V. Sa tension d'alim sera 15V-8,2V=6,8V

 

Ce montage est conçu pour fonctionner directement sur le port série.

 

JL

5aa581af4e9b3_Ampli_Offschema.thumb.jpg.04bdc0c8377b0031e072decc584ac7d1.jpg

Amp_On_Off-Courbe.thumb.jpg.6c53e079191399b4f65d976b1850637f.jpg

Posté

bonjour, super simple ce montage, néamoin, j'ai encore besoin de quelque précision dsl.

 

-Si le montage fonctionne directement sur le port série, est-ce que j'ai encore besoin de mon montage qui convertit le // en série plus haut?

 

-quel est vdc 15volt? est-ce un tranfo que je doit trimballer avec moi brancher sur le secteur?

 

-et pourquoi il y a 2 chip ccd1?

 

-et je n'ai plus besoin de l'ancien montage qui inclue un pad?

 

merci, je suis capable de faire le montage, mais ma connaissance de l'électronique est basique, je ne suis plus sure de ce que je doit faire.

Posté

bonjour, super simple ce montage, néamoin, j'ai encore besoin de quelque précision dsl.

 

-Si le montage fonctionne directement sur le port série, est-ce que j'ai encore besoin de mon montage qui convertit le // en série plus haut?

 

En effet tu n'as plus besoin du montage adaptateur. Tu connectes directement la broche 4=DTR de ta RS232 sur l'entrée C_AmpOff de mon montage.

 

-quel est vdc 15volt? est-ce un tranfo que je doit trimballer avec moi brancher sur le secteur?

 

Pas besoin d'alim supplémentaire. L'ICX098 fonctionne sous 15V, intégré à la webcam il y a un vonvertisseur DC-DC qui transforme le 5V USB en 18V non régulé, puis en 15V régulé.

Donc ce 15V est déjà à disposition sur la pastille sur laquelle est soudée la patte 8 de ton ICX. Il faut juste inséré le montage à transitor entre la pastille et la patte.

 

-et pourquoi il y a 2 chip ccd1?

Il n'y a pas 2 chips CCD. si tu regarde bien le schéma tu verras que E_CCD1 correspond à l'empreinte de L'ICX098 sur le circuit imprimé. En d'autres termes les pastilles.

CCD1 représente l'ICX098 à proprement parlé.

Simplement sur ce schéma tu vois que le montage ampli off ne nécessite aucune coupure entre les pastilles et les pattes de l'ICX098, si ce n'est entre la patte et la pastille 8.

 

-et je n'ai plus besoin de l'ancien montage qui inclue un pad?

 

merci, je suis capable de faire le montage, mais ma connaissance de l'électronique est basique, je ne suis plus sure de ce que je doit faire.

 

Tu oublies les autres montages. Ils ne servent qu'à la compréhension.

 

En résumé:

 

  • broche 4=DTR de ta RS232 sur l'entrée C_AmpOff
  • Souder la cathode de D4 sur la broche 10 de l'ICX098 en laissant cette dernière soudée à sa pastille.
  • Déconnecter la patte 8 de sa pastille et mettre le montage à transistor entre les 2.

JL

Posté

Merci! c'est génial ton truc.

Donc au final, j'aurais 4 fils de souder sur 3 pin de mon rs232, la pin 5 et 7 pour le mode LX et la pin 4 et 7 pour le mode amp off, c'est ca?.

POur le reste cela me semble assez clair pour que j'entreprenne une manoeuvre, si j'ai des question qui me vienne en cour de route je te le ferais savoir. Je ne vais pas le faire tout suite, mais bientot. Merci beacoup pour ce tuto, j'en donne des nouvelles à la fin.

Merci

Posté
Merci! c'est génial ton truc.

Donc au final, j'aurais 4 fils de souder sur 3 pin de mon rs232, la pin 5 et 7 pour le mode LX et la pin 4 et 7 pour le mode amp off, c'est ca?.

 

Pas tout à fait:

Contrôle pose longue:

Pin7-DB9 RS232=RTS= Commande du Frame transfer du circuit pose longue

Pin5-DB9 RS232=Masse

Un Interrupteur qui te renvoi une masse=commande du LX mode du circuit pose longue.

 

Contrôle Ampli Off:

Pin4-DB9 RS232=DTR= Commande du C_Ampoff du circuit ampli Off

Pin5-DB9 RS232=Masse

 

Remarque:

Ne connaissant pas ton schéma pose longue, je pense tout de même qu'il y a de fortes chances que tu doives utiliser ton adaptateur serie-// pour le circuit pose longue. Ce qui n'est plus le cas pour le circuit Ampli Off.

 

JL

Posté

merci gandalf pour toute cette aide, je garde enregistrer tout le fil de cette discussion dans mes favorie si un jour je me décide de faire la modif.

Au début, j'imaginais faire de l'astrophoto du ciel profond avec la webcam, mais finallement, il se peut que je ne l'utilise que pour faire de l'autoguidage , (avec des temps de pose de 1 ou 2 seconde?), Alors, la modif amp off ne sera peut-être pas nécessaire. ( encore faut t-il que j'achete un boitier d'appareil photos reflex pas chère usagé, j'ai vue un 350d pas trop dispendieu.)

 

merci.

Posté

Je suis en train de travailler sur une circuiterie spéciale SPC900 qui permettra sans trop faire de câblage de faire la LP et ampli Off pour ICX098, ICX424, ICX414, ICX618 avec possibilité de refroidissement asservie. ...mais il me manque du temps.

 

Concernant le boitier réflex, je ne saurais te conseiller plutôt un 1000D, car même ce n'est pas un point bloquant, le live view est une réel plus en astro.

 

JL

Posté
Je suis en train de travailler sur une circuiterie spéciale SPC900 qui permettra sans trop faire de câblage de faire la LP et ampli Off pour ICX098, ICX424, ICX414, ICX618 avec possibilité de refroidissement asservie. ...mais il me manque du temps.

 

Concernant le boitier réflex, je ne saurais te conseiller plutôt un 1000D, car même ce n'est pas un point bloquant, le live view est une réel plus en astro.

 

JL

 

Alors ça c'est d'une bonne idée !

Quand je l'ai fait, qu'est-ce que j'ai galéré pour trouver comment faire...J'en ai passé du temps à chercher la meilleur solution...Surtout qu'en on est pas électronicien, mais juste bricoleur ;)

Je suis se poste depuis le début, il est fort intéressant...J'ai moi-meme utilisé les liens que tu as donné. :)

Merci aussi à Mouf, qu'y m'a donné des infos pour l'injection bias.

Posté

Effectivement, il y a beaucoup de schémas sur le net, souvent conçus pour une interface parallèle à laquelle on vient coller un adaptateur série. Au final on obtient une usine à gaz. Après il y a des infos à droite à gauche qu'il faut synthétiser.

 

L'idée est d'adapté le concept directement avec un port série, ce qui simplifie le schéma final.

 

Je ne voulais pas diffusé quoique se soit avant d'avoir finaliser les tests. Ce fil m'a un peu forcé la main.

 

L'idée lors de la réalisation de mes circuits était double.

 

  • Simplifié les schémas en les rendant directement compatible RS232, donc USB.
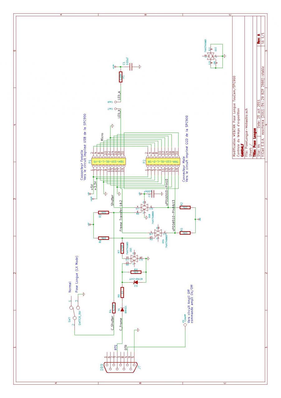
  • Réalisé des circuits imprimés qui viennent s'insérer sur les circuits imprimés de la spc. Par exemple le circuit LP possède une fiche Femelle d'un coté du circuit imprimé et une fiche male de l'autre. l'objectif étant de modifier la caméra LP sans rien modifier sur les circuits d'origine de la spc. Ci-joints le schéma électrique et je mettrai des photos dès que possible.

Par contre il faut que je valide circuit.

attachment.php?attachmentid=18148&stc=1&d=1319564346

JL

Schema_LP_Webastro.thumb.jpg.7a56ddd3ed069ed6981218f6f7ac19b1.jpg

Archivé

Ce sujet est désormais archivé et ne peut plus recevoir de nouvelles réponses.

  • En ligne récemment   0 membre est en ligne

    • Aucun utilisateur enregistré regarde cette page.
×
×
  • Créer...

Information importante

Nous avons placé des cookies sur votre appareil pour aider à améliorer ce site. Vous pouvez choisir d’ajuster vos paramètres de cookie, sinon nous supposerons que vous êtes d’accord pour continuer.