Aller au contenu

Modif SPC900 LP + Amp Off + Multicapteur


Gandalf

Messages recommandés

Posté

Les SPC900 commencent à être dépassées par des caméras style PLA-C... et autres BASLER. Mais elles ont le mérite, de part leur ancienneté, d'être reconnues par la quasi totalité des logiciels astros. Elles restent, à mon avis, aussi intéressante pour tout ce qui est guidage. Pour une telle utilisation seul la partie LP (Longue Pose) présente un intérêt. Pour ceux qui veulent aller plus loin, la partie capteur & Ampli Off peuvent attirer l'attention.

J'ai réalisé cette modif en prenant en compte les contraintes suivantes:

 

  • Modifier le minimum la caméra
  • Rendre la modif la plus reproductible possible, en essayant d'éliminer les aléas des parasites du au cablages volants.
  • Miniaturiser au maximum.
  • Simplifier les schémas pour rendre la modif directement utilisable sur un port RS232 ou un adaptateur USB/RS232
  • Choix du capteur ICX098, ICX424, ICX414, ICX618
  • Modif Longue Pose et Ampli Off
  • Présence d'un capteur Pt100 pour mesure de température/asservissement dans le cas d'un refroidissement Peltier.

 

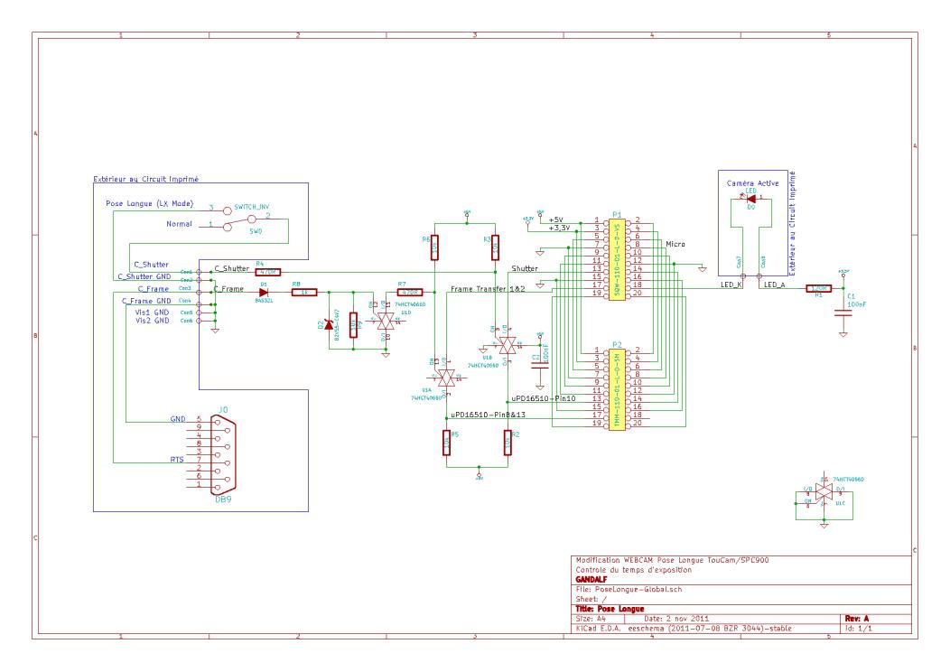
Circuit Longue Pose:

J'ai validé la première partie le circuit Longue Pose, le circuit marche:rolleyes::

 

Cette partie ne nécessite aucune modif de la caméra. Un Circuit imprimé vient s'insérer entre les deux circuits d'origine de la caméra. Il assure la continuité des signaux non utilisés (pour la LP) entre les 2 Circuits d'origine de la SPC900. Il commute ou pas les signaux Shutter/Frame et il interrompt le circuit d'alimentation de la LED de la caméra, on peut utiliser une autre LED pour envoyer l'info "caméra active " à l'arrière de celle-ci par exemple.

La réalisation
en CMS

All_PoseLongue.jpg

Les connections:

Red_PoseLongue-Implantation-Dessus.jpg

Le schéma
:

Red_PoseLongue-Schema.jpg

 

Test du circuit Pose Longue:

All.jpg

 

Signaux à l'oscillo:

Frame_Transfert_038_Shutter.jpg

La suite: la partie ampli Off & capteurs à venir...

 

JL...

Posté

Tu l'avais dis ! Tu l'as fait, trop fort....

Il te reste plus qu'à faire une série CI et à les revendre :)

J'en connais qu'y serait intéressé, à commencer par moi :)

Oui, parce que...en fait quel est ton but?

Car celui qu'y n'arrive pas à modifier une spc900 ou qu'y n'ose pas (moi...après en avoir cramé, m'a femme ne veut plus => des Toucam).

Est-ce que l'on osera se lancer dans un CI avec des CMS...

A mon avis tu vas devoir en vendre tous fait....:)

Posté

LE petit ressort métallique entre les deux cartes ne pose pas problème? je me souviens qu'il y en a un qui repose sur une piste en cuivre, j'ai pensé alors qu'il servait...

 

Sinon superbe ton idée Gandalf

Posté

Merci de vos encouragements.

 

Concernant le CMS c'est difficile à dessouder, mais c'est très facile à souder.

Il faut juste le bloquer sur le circuit imprimé par un moyen quelconque et le souder, sinon il reste généralement collé à la pane du fer à souder. Il faut aussi une petite pane.

 

En fait dans ce circuit le plus cher ce sont les connecteurs inter-cartes qui sont un peu spécifique et qu'il faut commander par 5 (ou 10?).

 

Pour Didou, le petit ressort sert à la continuité de masse et éviter les parasites je suppose. Il me gênait pour les vis je l'ai enlevé en me disant que je le remplacerai par une tresse de masse. La caméra n'étant pas finalisée, ce n'est pas encore fait. Mais pour l'instant, l'image est nickel même sans lui.

 

Concernant la suite, les schémas sont terminés et les typons aussi. Il faut que je les vérifie et que je les fasse tirer. Il me manque aussi les composants.

 

Je rajouterai bientôt des capture d'écran d'oscilloscope.

 

JL.

Posté

J'ai modifié le premier post:

 

  • Rajout de photos
  • Rajout des résultats des tests
  • Rajout des oscillographes Shutter & Frame.

JL

Archivé

Ce sujet est désormais archivé et ne peut plus recevoir de nouvelles réponses.

  • En ligne récemment   0 membre est en ligne

    • Aucun utilisateur enregistré regarde cette page.
×
×
  • Créer...

Information importante

Nous avons placé des cookies sur votre appareil pour aider à améliorer ce site. Vous pouvez choisir d’ajuster vos paramètres de cookie, sinon nous supposerons que vous êtes d’accord pour continuer.