Aller au contenu

question chemin optique et backfocus (80ED / correcteur / RaF / CCD)


Messages recommandés

Posté (modifié)

Coucou,

 

je réfléchis au chemin optique + bagues pour mon futur setup.

 

Setup actuel (sauf erreur pour le filetage) :

ED80 (Crayford) [M56] - [M56] correcteur/réducteur 0.85 [M48] - [M48] bague T/M48 pour canon [baillonette] - [baillonette] Canon

 

le nouveau setup sera le suivant :

ED80 (Crayford) [M56] - [M56] correcteur/réducteur 0.85 [M48] - (?????) - [M54] Roue à filtre QHYCFW2-M [M54] - (????) - [M42] cam QHY9s-M

 

avec le setup précédent, je ne me posais pas de question de flan focal / back focus derriere le correcteur, la bague et le correcteur tous deux skywatcher étaient fait pour ensuite visser directement l'APN sans se prendre la tête.

 

Avec le nouveau setup, je pense qu'il faut que je m'y intéresse...

 

Le correcteur a un plan focal de 55mm ( http://www.teleskop-express.de/shop/product_info.php/language/en/info/p3627_Skywatcher-0-85x-Reducer---Corrector-for-Evostar-ED-80-600.html )

J'avoue que je ne sais pas la différence entre le back focus et le plan focal, et calculer la bonne distance entre les pièces et ensuite choisir les bons objets.

 

la roue à filtre sera soit :

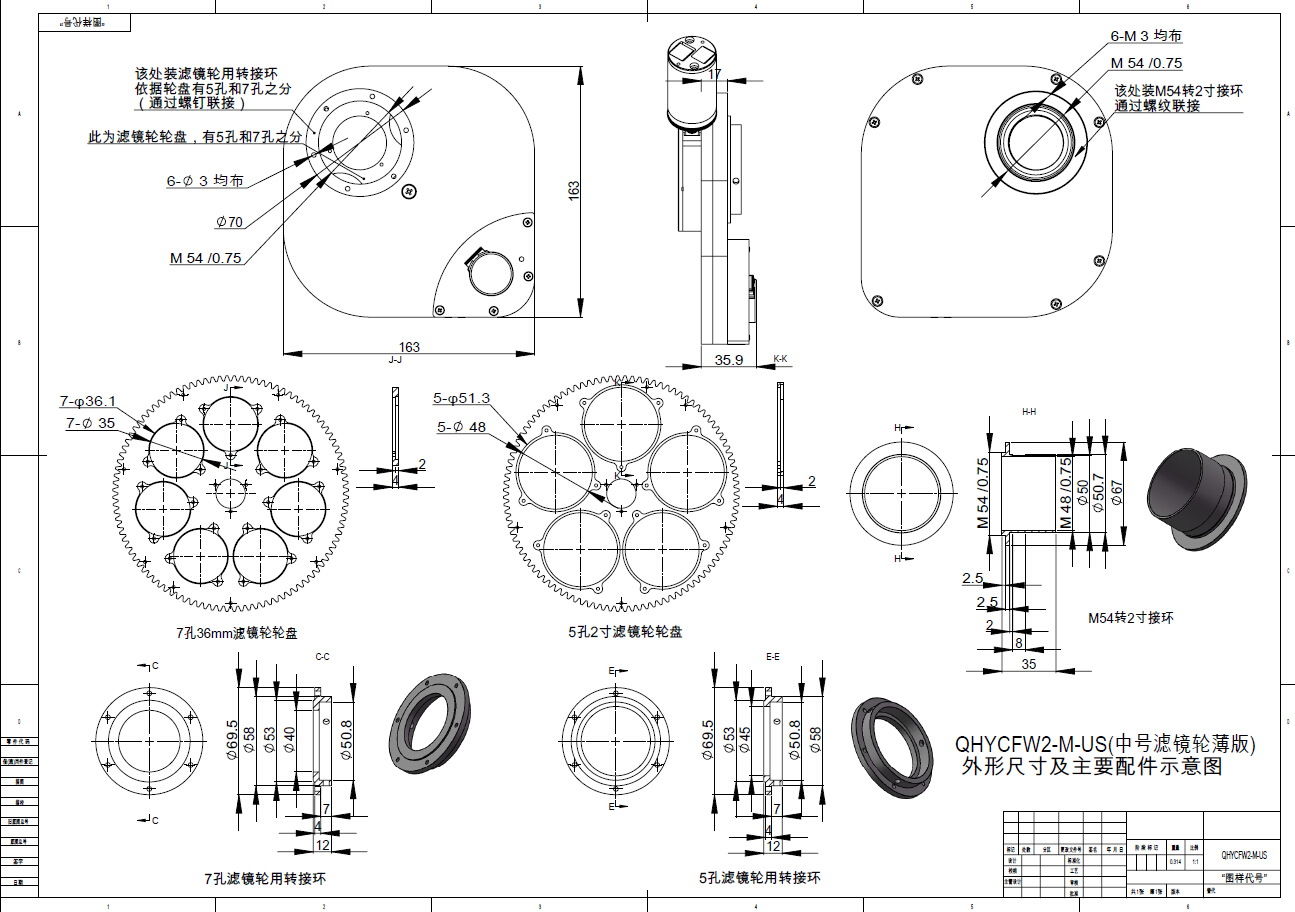
QHYCFW2-M-US.jpg (ultraslim)

soit :

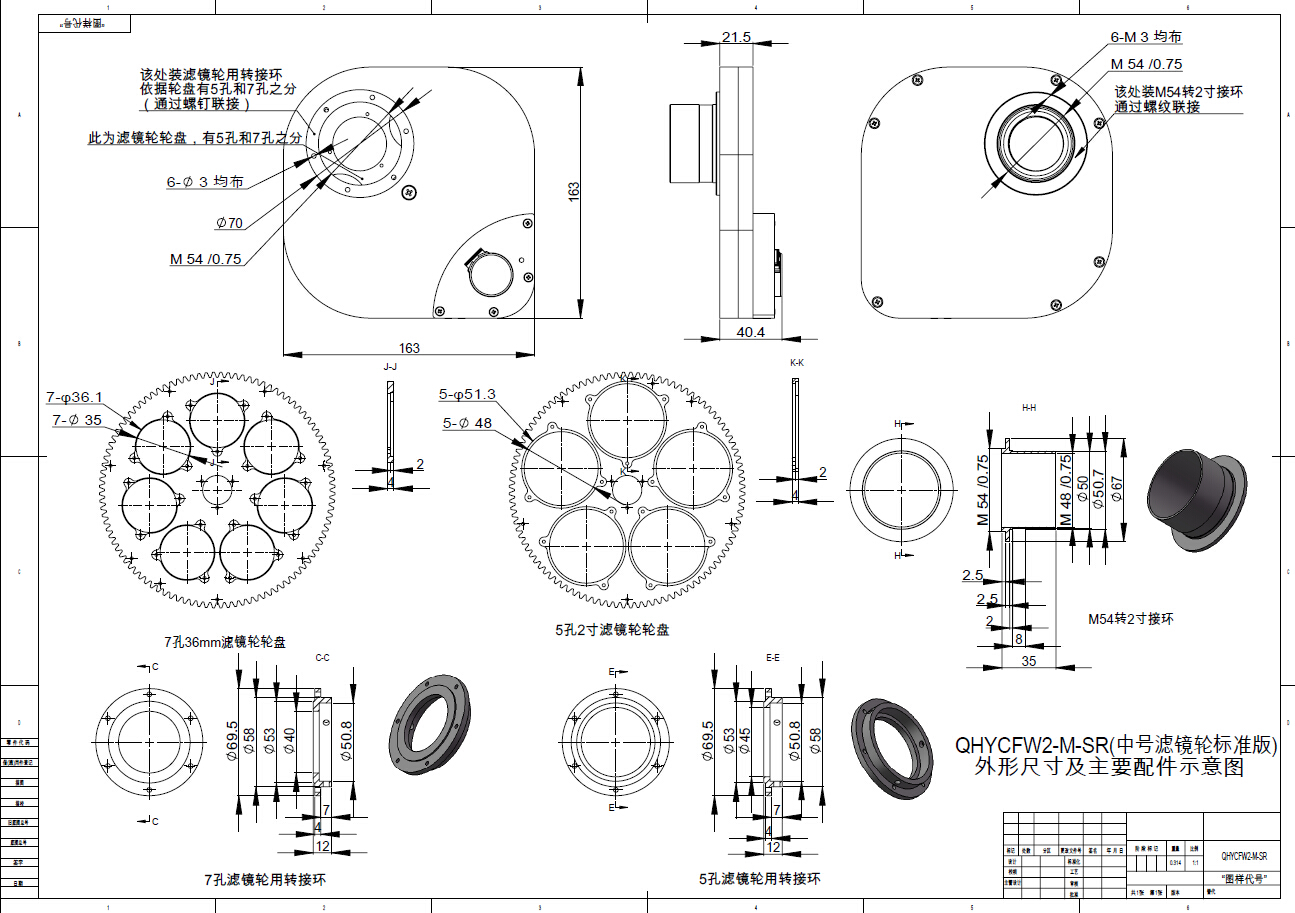
QHYCFW2-M-SR.jpg

 

sachant que je compte mettre dessus des filtres 36mm non montés.

J'ai privilégié le choix de la version ultra slim, ça me fait gagner un peu de poids (35g).

 

 

En fait; les questions que je me pose c'est :

 

- faut-il une quelconque bague d'adaptation (filetage et/ou allonge) entre le correcteur et la roue à filtre ? Pour le filetage, il me semble que ce sera obligatoire quand je lis ça : Mechanical Information for QHYCFW2-M

It has both M54/0.75, 3.5mm thickness thread on telescope side M54/0.75 2.5mm thickness thread on camera side. On camera side it has a 2mm stage which is used for avoid the light leaking when connect camera.. Je suis perturbé car je vois sur les dessins techniques la présence d'un filetage à un endroit d'un filetage M48/0.75, je ne sais pas si ça peut convenir.

 

- la version ultraslim de la roue à filtre posera t'elle quelconque problème ? Même question pour la roue standard (le vendeur me précise que la version standard est dispo, mais il faudra compter 1 semaine pour la version ultraslim, donc si la roue standard présente un avantage par rapport à la slim en terme de bague et ou allonge, bah je prend celle là)

 

- il faut encore une bague entre la roue a filtres et la caméra ?

 

Merci beaucoup !

Modifié par Raypulsif
Posté

Salut Raypulsif,

 

Pour ce genre de question j'ai appeler OU qui m'a tout détaillé en fonction de mon équipement que j'avais deja et celui qui manquer (bague etc...) réponse assez rapide et service nickel. Évidement j'ai acheter les bagues chez eux.

 

Virgile

Posté (modifié)

Bonsoir Raypulsif

 

Très bonne idée de t y intéresser.

 

Ou voit tu le M48?

 

En premiere approche:

BF QHY9 en T2 = 30.30

Bague T2 - M54 = 1.8mm http://www.pierro-astro.com/materiel-astronomique/accessoires-astronomie/accessoires-t2/bague-adaptatrice-m54-t2_detail

RAF ultraslim = 17

disons filtre baader de 2mm d’épaisseur donc retranché le tiers de 2mm soit 0.7mm

Bague M54-M48 = 2.3mm http://www.pierro-astro.com/materiel-astronomique/accessoires-astronomie/accessoires-m48/bague-adaptatrice-m54-m48_detail

Bague allonge en M48 de 5mm

 

soit 55.7mm

 

Remarques ou question pouvant modifier ces calculs.

Les 30.30mm ne semblent pas intégrer le BF "négatif" des verres qu'il y a à l’intérieur de la CCD (même calcul que pour les filtres).

Je ne sais pas comment interpréter les 2mm dont parle QHY.

Les 55mm se prennent à partir d'ou? en haut des filets ou au fond des filets du correcteur?

la profondeur des filets peut aussi poser des pb: dans un cas général: si tu a 5mm de filets males sur un accessoires que tu visses sur un accessoires avec seulement 3mm de filets femelle ton BF sera de 2mm.

Malheureusement, les données des fabricant n'est pas assez précises...

 

Je ne pense pas qu'OU fasse QHY. tu peux essayer M42optics qui est revendeur ou TS qui commercialise les QHY sous le nom d'Astrolumina (ou directement chez astrolumina)

 

tu as aussi le forum QHY: http://www.qhyccd.com/bbs/

@+

Steph

Modifié par astrotech
Posté (modifié)

Bon ben je m'aperçois quand même que ça commence à être un vrai bordel cette histoire de focus :-/ quand on a un correcteur. Je crois que je suis passé un peu vite de l'étape "tu branches ça marche" (APN) à l'étape "c'est custom, tu va galerer garçon"

 

Merci bien pour les précisions Astrotech.

Ou voit tu le M48?

sur le schéma plus haut, y'a une pièce à droite où il y a l'air d'avoir un filetage M54/M48 (après elle fait 35mm...)

 

Ce qui m'embête le plus, c'est que déjà tu as un peu l'impression que les vendeurs se gavent grave sur les rondelles (20€ - 30€ - 40€!), qu'il en faut plusieurs, et qu'en plus, si tu te rate dans les mesures ou mal indiqué, tu es bon pour acheter d'autres rondelles... et aussi bim les frais de port de 8-12€ à chaque fois...

un truc comme ça, ça m'irait bien, ça permettrait de faire le focus de façon sûre et correcte entre le correcteur et le capteur :

http://laclefdesetoiles.com/accessoires-pour-l-imagerie/3473-bague-varilock-baader-29.html

mais déjà c'est beaucoup trop large...

 

Les 55mm se prennent à partir d'ou? en haut des filets ou au fond des filets du correcteur?

je dirais que les 55mm se calculent à partir de la base (edit : la base du filetage M48) de ce truc là :

SW0182_1.jpg

j'ai vérifié en mesurant depuis cette position jusqu'au plan optique de mon APN et ça donne bien 55mm. Par contre, il faudra effectivement que je mesure la profondeur des "filets".

 

Bague allonge en M48 de 5mm

https://www.maison-astronomie.com/bagues-et-accessoires/3403-allonge-m48-mm-5-10-20-ou-30mm.html#/dimension-05_mm ?

 

Je ne sais pas comment interpréter les 2mm dont parle QHY.

les 2mm ? où ça ?

Modifié par Raypulsif

Rejoignez la conversation !

Vous pouvez répondre maintenant et vous inscrire plus tard. Si vous avez un compte, connectez-vous pour poster avec votre compte.

Invité
Répondre à ce sujet…

×   Collé en tant que texte enrichi.   Coller en tant que texte brut à la place

  Seulement 75 émoticônes maximum sont autorisées.

×   Votre lien a été automatiquement intégré.   Afficher plutôt comme un lien

×   Votre contenu précédent a été rétabli.   Vider l’éditeur

×   Vous ne pouvez pas directement coller des images. Envoyez-les depuis votre ordinateur ou insérez-les depuis une URL.

  • En ligne récemment   0 membre est en ligne

    • Aucun utilisateur enregistré regarde cette page.
×
×
  • Créer...

Information importante

Nous avons placé des cookies sur votre appareil pour aider à améliorer ce site. Vous pouvez choisir d’ajuster vos paramètres de cookie, sinon nous supposerons que vous êtes d’accord pour continuer.