Aller au contenu

intervallometre IR longue pose pour les nikon et autres


pagpatrice

Messages recommandés

Posté

Salut à tous ,

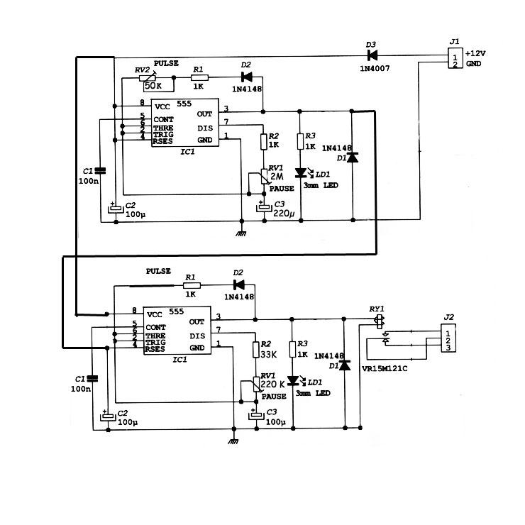
si comme moi vous n'avez pas de prise télécommande sur votre boitier :mad: mais une simple commande IR (qui n'est pas pratique du tout) je me suis fait un intervallometre IR pour pas cher :p (tous les composant ont été récupéré sur des vieux appareil qui été dans mon garage) si le cœur vous en dit je joint le schéma (que j'ai uniquement modifier l'original et ici). J'ai utilisé 2 NE555 mais c'est faisable avec 1 NE556 .Le relai remplace le bouton de la télécommande (j'ai ponter les pistes ) .Le temps de pose et réglable avec la RV2 avec une résistance de 2M ont à des poses de 5 min et plus cette résistance sera grande plus les temps de pose pourront être long . Pour l'alimentation sur le schéma il y a marquer 12 volts mais vous pouvez le faire fonctionner avec une pile de 9 volts. Le seul problème c'est qu'à la mise en route il faut cacher la cellule du boitier pendant la première impulsion, explication : avec le mode BULB de la télécommande ir vous devez appuyer sur le bouton pour actionner la pose et encore appuyer pour la stopper ; le ne555 numéro 1 crée deux pose une de Plusieurs minutes (pendant la photo) et l'autre d'environ 10sec pendant ces 10sec le ne555 numéro deux envoie deux impulsions au relai( démarrage et arrêt de la pose ) hors, quand on allume le circuit la première action est celle la. En ce qui concerne la télécommande ,moi je me sert d'une universelle c'est un peut gros mais c'est ce que j'avais en stock chez moi. J'espère avoir été assez clair dans mes explications (désolé je ne suis pas électronicien) ;)

 

Maintenant il me reste plus qu'à régler mes problème d'autoguidage et je serais prêts pour les longue pose ;)

Sans-titre-1.jpg.2e693fa3b63be5c8303892bb307a575f.jpg

  • 3 semaines plus tard...
Posté

salut à tous,

 

un petit up pour donner les modifs que j'ai apporter :

*ajout d'une RV de 1M en série avec la 2M,

*j'ai mis un inter sur la sortie du relais pour ne plus avoir à cacher la cellule lors du démarrage.

Donc cela donne des temps de pose réglable de 3 à 438 secondes, avec une précision de + ou - 1 centièmes.

 

A+

Posté

Ca m'intéresse brigrement ton truc:rolleyes:, j'ai un D40x et les rares fois où je fais des photos, c'est galère !!

Le seul hic, c'est que j'y comprends rien en éléctronique et je suis une daube en bricolage ! :confused::cry:

Posté

Salut,

 

je te rassure mes connaissance en électronique sont très limité pour ne pas dire inexistante :p . Il y a peu de composant à souder donc je pense que c'est à la porter de tous ,même pour ce qui ont 2 mains gauche (sans vouloir offenser les gaucher).En tous cas pour les nikoniste comme nous ça simplifie les prises de vue .

Posté
ça sera l'occasion ;)

plus sérieusement est ce que tu as une télécommande pour ton nikon?

 

Oui, j'ai la petite télécommande Nikon qui permet juste de déclencher à distance.

Posté

Tu as plusieurs possibilité car ce montage existe en kit vellemant à monter ou déjà monter (disponible ici), donc soit :

 

*tu achète tous les composants et tu les soude sur une plaque d'essai,

*tu achète 2 kits VM136 (version monter),

*tu achète 2 kits MK111.

 

Même si cela reste simple, Je les ais classé par ordre de difficulté (sur la version monter il faudra dessoudé des composants pour les remplacés)

 

Par contre si tu prend les kits il y a des composants à changer (je te ferais la liste).

 

C'est dommage que tu soit si loin sinon j'aurais pu te le monter.

Posté
Tu as plusieurs possibilité car ce montage existe en kit vellemant à monter ou déjà monter (disponible ici), donc soit :

 

*tu achète tous les composants et tu les soude sur une plaque d'essai,

*tu achète 2 kits VM136 (version monter),

*tu achète 2 kits MK111.

 

Même si cela reste simple, Je les ais classé par ordre de difficulté (sur la version monter il faudra dessoudé des composants pour les remplacés)

 

Par contre si tu prend les kits il y a des composants à changer (je te ferais la liste).

 

C'est dommage que tu soit si loin sinon j'aurais pu te le monter.

 

Salut,

 

Merci, mais vraiment je me vois guère me lancer là dedans !

Ca revient à combien à peu prés ?

Posté

je viens de regarder ,les kits coute 7€ et une RV de 3M coute 0.40€ donc en gros 25€ avec un boitier comme celui la .

 

edit : je te ferais la photo tout à l'heure

Posté
je viens de regarder ,les kits coute 7€ et une RV de 3M coute 0.40€ donc en gros 25€ avec un boitier comme celui la .

 

edit : je te ferais la photo tout à l'heure

 

Ok merci !

 

Ton dernier lien ne semble pas fonctionner ! :?::confused:

 

Quand je pense que je n'ai même pas de fer à souder....

Posté

Si tu achète les composants pour le faire entièrement faut compter 16.5€ .

Voila les photos, ce qui hachuré n'en fait pas partie,c'est un test pour alimenter le nikon sans batterie (qui au passage ne marche pas). Je sais que les experts diront que j'ai fais ça comme un porc mais mon fer de 25W a grillé donc je me suis servi de mon 60W qui chauffe beaucoup trop pour ce genre de chose :confused: mais le principal c'est que ça marche ;).Pour le lien chez moi il marche mais je te met l'adresse au cas ou :

http://www.conrad.fr/boitier_pour_instruments_electroniques_p_18925_18970_116895

 

ps : un fer à souder c'est pas cher et ça sert toujours ;)

DSC_0001.jpg.79d03ff40934e64eda9895d71327b2f0.jpg

DSC_0002.jpg.27b5746db913f5539f51a76cc88e9237.jpg

Posté
Faut pas se découragé avant de commencer :)

 

Ben sur tes photos je vois des fils de partout sans savoir où ils vont etc....je ne sais même pas lire un schéma électrique(tronique) ! :confused:

Posté

C'est certain qu'un kit "m'irait" mieux, mais ça ne suffit pas, faut encore faire des soudures, branchement...pour ça faut un schéma, savoir le lire, pas être "manchot" comme moi....

Posté

Pour ce qui est du branchement je peut t'aider à distance (avec des photo) par contre pour les soudures tu est seul maitre à bord .

Sinon tu connais personne vers chez toi qui pourrait te donner un coup de main ?

Posté

Non, je ne vois pas...Euh un fer de pirogravure (d'un jeu d'enfant, on ne rigole pas ! :)), ça pourrait faire l'affaire ?

Posté

Je ne peut pas dire je n'ai jamais eu de pyrograveur. Regarde sur la notice à quelle température ça monte .

edit:

En cherchant un peut sur la toile il semblerait que c'est la même chose donc il ne devrait pas y avoir de problème .

Posté

Ok.

Si tu pouvais me faier des schémas, mais pour novice, je veux dire pas focément normalisés, des trucs simples !?

 

Au fait, as tu déjà essayé sur "le terrain" ta télécommande ?

 

Et-il possible d'enchainer, disons par exemple, 10 poses de 2 minutes ?

 

Le problème avec mon boitier c'est que lors de pose Bulb, je dois arrêter l'interrupteur sans celà il me fait un dark tout seul à la fin de la pose !?! :confused:

Posté
Au fait, as tu déjà essayé sur "le terrain" ta télécommande ?

 

Oui, j'utilise une télécommande universelle donc c'est un peut gros mais ça marche bien .

 

 

Et-il possible d'enchainer, disons par exemple, 10 poses de 2 minutes ?

 

tu peut en enchainer autant que tu veut, puisque c'est toi qui doit arrêter l'appareil sinon il continuera jusqu'à ce que l'APN n'est plus de batterie.

 

 

Le problème avec mon boitier c'est que lors de pose Bulb, je dois arrêter l'interrupteur sans celà il me fait un dark tout seul à la fin de la pose !?! :confused:

 

c'est un réglage à faire dans le menu, tu dois mettre "réduction du bruit" sur off

Posté
c'est un réglage à faire dans le menu, tu dois mettre "réduction du bruit" sur off

 

Malheureusement non, sur mon modèle D40x, entrée de gamme, ce n'est pas possible ! :cry:

Posté
Malheureusement non, sur mon modèle D40x, entrée de gamme, ce n'est pas possible ! :cry:

 

Mais si,

Regarde page 85 de ton manuel

ou dans le menu tu vas sur le dessin en forme d'appareil photo et la tu as une ligne pour activé ou non la réduction du bruit. ;)

Posté
Mais si,

Regarde page 85 de ton manuel

ou dans le menu tu vas sur le dessin en forme d'appareil photo et la tu as une ligne pour activé ou non la réduction du bruit. ;)

 

Je regarderai ça, mais j'applique la méthode de Christian Buil qui a testé les APN Nikon et qui ne sont pas indiqués pour l'astro., ils ne délivreraient pas de vrais raw, donc la méthode qu'il préconise, autant que je me souvienne, c'est avec réduction de bruit, mais couper l'interrupteur avant que l'appareil n'est fait ce dernier. Ne me demande pas pourquoi, j'applique "bêtement" la méthode de Christian, qui n'a plus à faire ses preuves dans le domaine ! :)

Posté

je connais cette méthode et je ne l'a met pas en doute, mais la différence est quand même infime, c'est pour ça que je me prend pas la tête à stopper l'APN .

regarde ça tu verra que les nikon peuvent eux aussi faire de la belle astro ;)

Archivé

Ce sujet est désormais archivé et ne peut plus recevoir de nouvelles réponses.

  • En ligne récemment   0 membre est en ligne

    • Aucun utilisateur enregistré regarde cette page.
×
×
  • Créer...

Information importante

Nous avons placé des cookies sur votre appareil pour aider à améliorer ce site. Vous pouvez choisir d’ajuster vos paramètres de cookie, sinon nous supposerons que vous êtes d’accord pour continuer.