Aller au contenu

Messages recommandés

Posté

Pour les résistances je mettrais un 5A, et des 2 A pour la cam et l'alim de l'EOS.

 

la batterie doit être balèze pour alimenter tout ce matos

 

fab

 

C'est vrai que 45Ah ça va faire léger ; normalement il faut éviter de descendre de dessous de la moitié de la charge, ça veux donc dire 5h d'autonomie avec 4.5A de soutiré. C'est surtout l'ordi qui va pomper beaucoup ; il lui faudrait presque une batterie dédiée.

  • Réponses 505
  • Créé
  • Dernière réponse

Les pipelettes du sujet

Les pipelettes du sujet

Images postées dans ce sujet

Posté (modifié)

Ok je vais laisser tomber l'ordinateur pour le moment. De toute manière j'ai 7h d'autonomie avec la batterie interne en usage moyen ça devrait aller :-)

Modifié par philming
Posté (modifié)

OK alors voila le schéma modifié.

Quelques questions supplémentaires. Les connections entre les différents éléments, vous les faites comment ? Avec un domino a chaque fois ? genre pour brancher le voltmètre ?

Siq uelqu'un qui utilise ce genre d'éléments pouvait poster un shoot de son installation ce serait cool.

(JP60, la tienne a l'air propre, je vais partir la dessus pour le placement des éléments, d'uatnt que j'ai commandé la même boite. Question cependant : c'est quoi le truc que tu as branché direct entre les bornes de la batterie? Et c'est curieux ces cosses que tua s, c'est propre aux batteries Gel ?)

 

Ensuite question fusibles, certains doivent-ils être retardés ?

Et y a t il un risque de brancher par exemple l'EQ6 sur une des prises avec fusible 5A plutot que sur le 3 ? Et inversement, si je branche l'ordinateur sur une prise 2A, ca claque ?

 

Merci pour vos infos !

 

10772-1349599878.jpg

Modifié par philming
Posté (modifié)

Il faut bien que le + et le - de la batterie soit relié dessus ? Ou ca se calle juste sur le + ?

 

Et au fait, j'ai commandé un chargeur Ctek Multi XS 3600. Est-il possible de le laisser branché sur la batterie en permanence ? Il y a un témoin de charge sur celui la aussi il me semble non ?

Modifié par philming
Posté

le voltmetre se branche toujours en parallele sur la source 12v 220v 380v ect

le troisieme fil est un repiquage pour aller allimenter le coupe circuit

a se propo

je conseil de brancher le coupe circuit (fusible ) au debut de branchement

car si le voltmetre se met un jour en court circuit la il n y aura pas de protection

Posté

OK donc je supprime le fil qui relie le voltmètre à la borne -, et j'intervertis le voltmètre et le fusible 10A. c'est bien ca ?

Posté (modifié)
OK donc je supprime le fil qui relie le voltmètre à la borne -, et j'intervertis le voltmètre et le fusible 10A. c'est bien ca ?

je te montre sur le shema

Modifié par steffe76
Posté (modifié)
OK donc je supprime le fil qui relie le voltmètre à la borne -, et j'intervertis le voltmètre et le fusible 10A. c'est bien ca ?

voila se que moi je ferais

maintenant la resistance shunt je ne connai pas

Modifié par steffe76
Posté

Oui c'est mieux de mettre le fusible en début de ligne.

Quand au branchement du voltmètre il suffit de le mettre entre le fil rouge et le fil noir, après le coupe circuit et le fusible, mais avant l’ampèremètre.

Posté

Bon, pour le moment j'en suis la :

10772-1349605610.jpg

 

Les questions qui me restent :

• Pour les fusibles : retardés ou pas ?

• Quid du branchement du ctek ? permanent c'est OK?

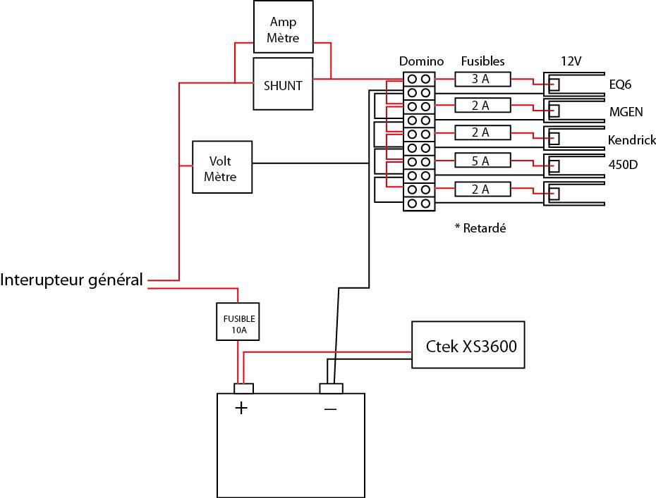
Posté (modifié)

Oups, nos réponses se sont croisées.

 

10772-1349606874.jpg

 

Par contre, tu as viré le shunt steffe. Erreur de ta part ?

 

Reste mes questions (je récap a chaque fois pour pas que ca se perde dans le fil :

• Fusibles retardés ou pas ?

• Ctek branché a demeure ou pas ?

• Erreur de branchement sur les 12V (EQ6 à la place de l'ordo, etc) ?

• Les "bifurcations", je fais ca avec des dominos ? Ou il y a mieux ?

Modifié par philming
Posté

moi je ne partirai pas sur des retarder

si probleme sur un depart ,il faut que sa coupe de suite

le seul retarder que je mettrai dans le shemas est le fusible general

car il ne doit pas sauter qud il y a un probleme sur l un des circuits

cela permet d avoir toujours du 12vt sur les autres departs

Posté

Un retardé ne se justifie nulle part, on en utilise sur des éléments qui montrent un pic d'intensité au démarrage, comme des gros moteurs en charge ou des lampes puissantes. Ici ça ne servirait absolument à rien.

 

Le shunt permet de produire une certaine tension aux bornes de l’appareil, tension qui est l'image de l'intensité qui le traverse. Si on ne le met pas l'appareil va "voir" du 12V à ses bornes alors qu'il est prévu pour recevoir 75mv maxi, et il n'y aura plus qu'à en commander un autre.

 

En ce qui concerne le chargeur faute d'avoir le schéma interne je pense qu'il serait préférable de mettre une diode en série, pour éviter que la batterie ne débite dedans en inverse. A voir toutefois sur la notice si il ne serait pas précisé qu'on peut le laisser branché en continu même quand il est arrêté.

 

Une question au fait : Tu n'aura pas besoin de 5 ou 6V pour certains trucs ?

Posté

OK alors mon schéma est OK ? Pour le shunt, le voltmètre etc ? Avec le shunt que j'ai commandé également ? Ne vaudrait-il pas mieux mettre le shunt en aval de l'ampmetre, en série ?

Posté (modifié)
Oups, nos réponses se sont croisées.

 

10772-1349606874.jpg

 

Par contre, tu as viré le shunt steffe. Erreur de ta part ?

non je ne connait pas bien le sujet

Modifié par steffe76
Posté

Bon je commence a être un peu perdu moi la dedans lol.

Ce que je voudrais c'est juste que ca marche ;-)

Il me semble que l'amperemètre que j'ai commandé est un 0-50. Maintenant sur la batterie il est indiqué 45Ah - 330A (env). Donc je suppose que tel quel, l'Ampèremètre (AM on va l'appeler hein) va bouffer 330A, donc beaucoup plus que ce qu'il est prévu pour (max 50). D'ou le shunt. C'est bien ca ?

Posté (modifié)
OK alors mon schéma est OK ? Pour le shunt, le voltmètre etc ? Avec le shunt que j'ai commandé également ? Ne vaudrait-il pas mieux mettre le shunt en aval de l'ampmetre, en série ?

 

Un shunt n'est rien d'autre qu'une très faible résistance, c'est presque un fil, donc si tu le met en série avec l’ampèremètre il ne servira à rien ;)

Celui que tu as commandé est un 50A/75mV, ce qui signifie qu'il a une résistance de 0.0015 ohm.

 

Lorsqu'un courant passe à travers il se crée donc une tension que l’appareil va mesurer ; l’appareil n'est en fait rien d'autre qu'un voltmètre avec une plage de mesure de 0 à 75mV, sauf que quand il lit 75mV il affiche 50A.

 

Bon je commence a être un peu perdu moi la dedans lol.

Ce que je voudrais c'est juste que ca marche ;-)

Il me semble que l'amperemètre que j'ai commandé est un 0-50. Maintenant sur la batterie il est indiqué 45Ah - 330A (env). Donc je suppose que tel quel, l'Ampèremètre (AM on va l'appeler hein) va bouffer 330A, donc beaucoup plus que ce qu'il est prévu pour (max 50). D'ou le shunt. C'est bien ca ?

 

Non, 45Ah est la capacité de la batterie, elle peut au maximum débiter 1A pendant 45 heures, ou 2A pendant 22.5h etc, mais comme je l'avais dis un peu plus haut il faut éviter de descendre en dessous de la moitié de la charge car on abime la batterie. Le voltmètre est là pour ça (et de toute façon il y a une détection de limite de tension dans ta monture, elle refusera de fonctionner si tu descend trop bas).

330A est l'intensité maximale que la batterie peut débiter en pointe, mais seulement sur un instant très court, comme quand tu alimentes le démarreur de ta voiture.

Avec l'utilisation que tu vas en faire cette indication n'est pas du tout pertinente.

 

En résumé tu peux suivre ton dernier schéma, il est parfait.

Modifié par Hans Gruber
Posté

OK. Donc je vais rester la dessus.

JE remarque juste un petit truc. J'ai mis un fusible général de 10A. Sauf que si je branche TOUS les éléments sur les 12V, je me retrouve avec 14A...

Faut que je mette un fusible de 20A du coup non ?

Posté

Oui il risque de griller, mais en même temps le choix des fusibles est un peu large sur caque départ, et à mon avis un 10A tiendrait. Éventuellement tu pourrais mettre un 10, et si tu vois qu'il a tendance à lâcher tu en met un plus gros.

Posté (modifié)
OK alors voila le schéma modifié.

Quelques questions supplémentaires. Les connections entre les différents éléments, vous les faites comment ? Avec un domino a chaque fois ? genre pour brancher le voltmètre ?

Siq uelqu'un qui utilise ce genre d'éléments pouvait poster un shoot de son installation ce serait cool.

(JP60, la tienne a l'air propre, je vais partir la dessus pour le placement des éléments, d'uatnt que j'ai commandé la même boite. Question cependant : c'est quoi le truc que tu as branché direct entre les bornes de la batterie? Et c'est curieux ces cosses que tua s, c'est propre aux batteries Gel ?)

 

Ensuite question fusibles, certains doivent-ils être retardés ?

Et y a t il un risque de brancher par exemple l'EQ6 sur une des prises avec fusible 5A plutot que sur le 3 ? Et inversement, si je branche l'ordinateur sur une prise 2A, ca claque ?

 

Merci pour vos infos !

------------------------------------------

 

 

Pour branché le chargeur de batterie j'ai mis la prise qui sort sur le coté de ma boîte, je pense que j'ai le même chargeur auto que tu as acheté, il était vendu avec des pinces croco qui ne me servent pas, je les ais remplacées par des cosses à oeilletons pour les visser sur les bornes de la batterie. cela me permet de brancher instantanément et charger sans une surveillance du temps de charge.

Les raccords que tu vois sont en réalité des raccords soudés à l'étain avec autour une petite gaine rétractable qu'il suffit de chauffer, c'est propre et bien protégé.

Quant aux prises allume cigare, tu ne peux qu'en mettre 3 par coté, J'ai aussi collé des gros domino pour faire les branchements, n'hésite pas sur la taille , j'ai du les changer , il y a plusieurs fils à enfiler, surtout si tu utilises du 2,5².

Bon je n'ai pas installé d'ampéremètre ni de voltmètre, j'utilise un petit voltmètre numérique pour ne pas descendre en dessous de 12,2v, en pleine charge je suis à 13,2V, je le branche dans une des prises allume cigare pour vérifier. mais en fixe c'est mieux!

 

Attention si tu utilise un petit sèche cheveux 12V ( je m'en sert pour les oculaires), ne pas le brancher sur ton fusible 3A ça saute au démarrage, il faut au moins 7 ampère, ou utiliser le BOOSTER.

 

Pour le Mac, je te conseille aussi une alimentation indépendante.

Attention au froid, tu vas pratiquement diviser par deux la capacité!

Modifié par JP60
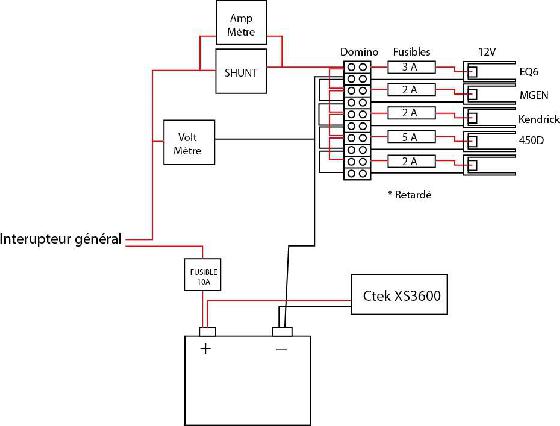
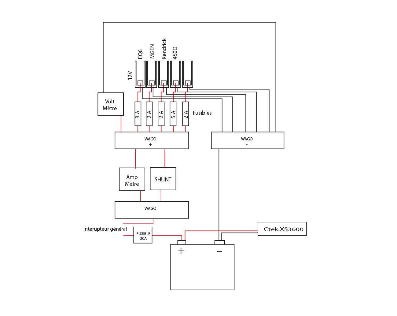
Posté

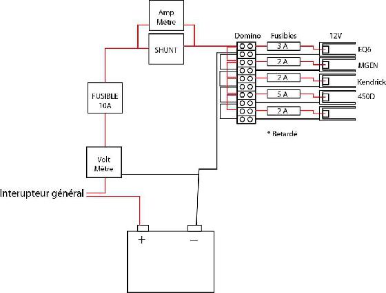
Pouvez-vous me dire si tout est OK ?

 

10772-1349610619.jpg

 

Non, ici ton ampèremètre est directement être les bornes de la batterie ; il faut se rappeler que cet appareil se comporte comme un fil, donc c'est comme si tu reliais directement les 2 bornes de la batterie.

Posté

En théorie le dernier schéma devrait fonctionner, mais comme le shunt a une résistance très faible si tu rajoutes du fil tu va modifier la valeur de ce qui est branché aux bornes de l’ampèremètre, il faut vraiment que celui ci soit connecté sur les bornes prévues à cet effet, donc le dernier schéma ne peut pas s'appliquer (sinon tu aurais un gros décalage dans ta mesure d'intensité).

 

Par ailleurs il est préférable de connecter le voltmètre avant l’ampèremètre, sinon tu vas soustraire sa chute de tension.

Posté (modifié)

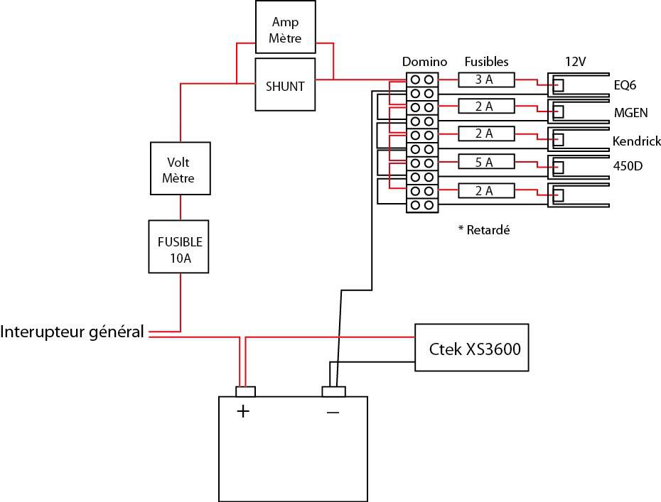
OK donc je dois partir sur 4 lignes directement connectées aux bornes de la batterie.

Une pour les 12V a travers les wago, avec l'AM+Shunt en amont

Une pour le Voltmètre.

Une pour le chargeur.

J'ai bon ?

 

Mais du coup je ne vois pas comment je peux mettre l'interupteur général sur toute la ligne...

Modifié par philming
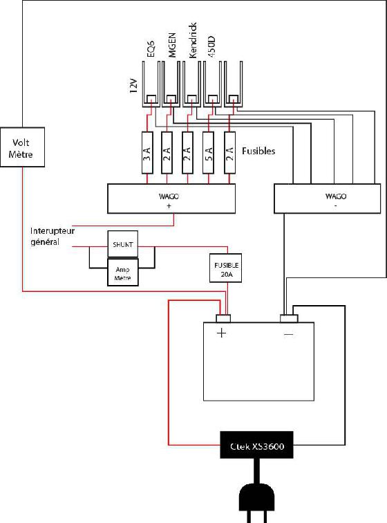
Posté (modifié)

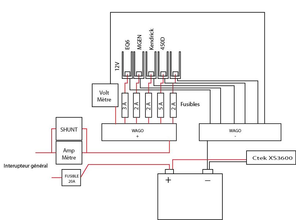
Voila un dernier schéma. Il y a l'option de mettre un wago direct a la sortie de la borne + de la batterie, et intercaller l'interupteur et le fusible 20A avant le wago, mais on retombe sur le problème cité plus haut non ?

 

10772-1349617664.jpg

 

Edit. J'ai remis le shunt et l'AM en amont du circuit général. Sinon ca ne fonctionne pas comme me le fait remarquer un ami.

Modifié par philming
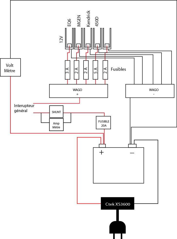
Posté (modifié)

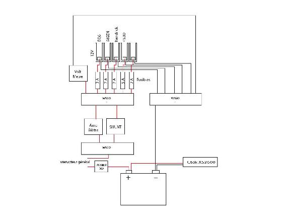
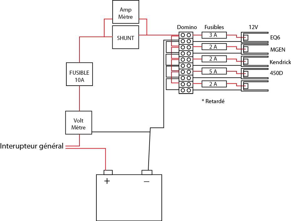
Comme ca ca va ?

 

10772-1349620114.jpg

 

Ou je reprends le #54 tel quel ?

 

Edit. Boulette dans le schéma. Corrigé.

Modifié par philming

Rejoignez la conversation !

Vous pouvez répondre maintenant et vous inscrire plus tard. Si vous avez un compte, connectez-vous pour poster avec votre compte.

Invité
Répondre à ce sujet…

×   Collé en tant que texte enrichi.   Coller en tant que texte brut à la place

  Seulement 75 émoticônes maximum sont autorisées.

×   Votre lien a été automatiquement intégré.   Afficher plutôt comme un lien

×   Votre contenu précédent a été rétabli.   Vider l’éditeur

×   Vous ne pouvez pas directement coller des images. Envoyez-les depuis votre ordinateur ou insérez-les depuis une URL.

  • En ligne récemment   0 membre est en ligne

    • Aucun utilisateur enregistré regarde cette page.

×
×
  • Créer...

Information importante

Nous avons placé des cookies sur votre appareil pour aider à améliorer ce site. Vous pouvez choisir d’ajuster vos paramètres de cookie, sinon nous supposerons que vous êtes d’accord pour continuer.