Aller au contenu

Messages recommandés

Posté (modifié)

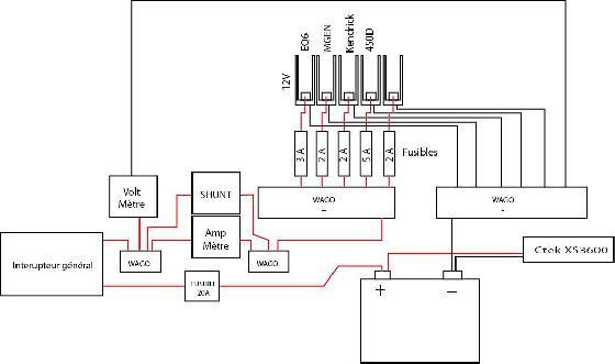
Non, le voltmètre ne doit pas être en série. Laisse-le comme en #54 aux bornes des WAGO

A la limite, une des bornes entre shunt et inter et l'autre sur le - de la batterie

 

[Edit] Là oui c'est bon après correction de ton schéma ;)

 

Pierre

Modifié par Newbie Mais
  • Réponses 505
  • Créé
  • Dernière réponse

Les pipelettes du sujet

Les pipelettes du sujet

Images postées dans ce sujet

Posté (modifié)

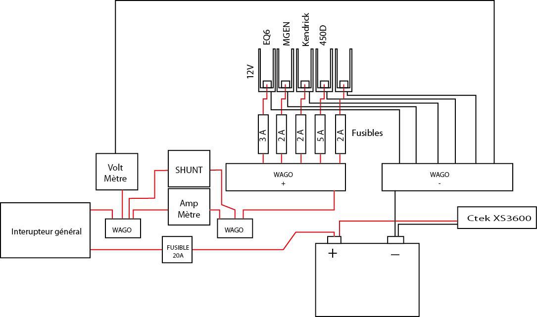
BIEN J'ESPERE QUE CE COUP CI C'EST LA BONNE !

 

10772-1349621123.jpg

 

J'ai ajouté un wago et des dominos pour les répartitions.

Modifié par philming
Posté

Bon ben demain, direction casto...

Liste d'achat : fil electrique de 4mm2, wagos. Le reste est en route.

 

Merci beaucoup à tous pour votre aide et surtout votre patience ;-)

Posté

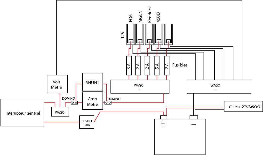
Sur ton message 64 c'est parfait, il reste juste un petit détail : Sur le shunt ce sont des vis, ils font les raccorder sur les fils avec des cosses rondes à sertir.

Il y a 2 vis de chaque coté, une pour y mettre le fil de l’ampèremètre, et une pour ton circuit principal.

Posté

4mm² ??? ce n'est pas trop gros? ça va pas être facile à ranger c'est raide!

Une petite question: est-ce bien utile d'ajouter un AM??? il y a déjà du monde!

Le wago c'est une bonne idée pour du fil rigide, sur le souple ?? il faudra étamé le bout pour l'enfiler.

Quant aux dominos, il suffit de vérifier de temps en temps le serrage. J'ai préféré cette solution pour les fixer sur le couvercle et que ce soit mieux rangé.

Alors bonne fabrication et montres nous le résultat.

Posté

Avecun fusible de 20A en amont de tout ca je pense que c'est nécessaire. A la limite si je mets un 16 ca peut suffir...

Les Wago ca évite les boucles de fil sur le domino justement.

Posté (modifié)
4mm² ??? ce n'est pas trop gros? ça va pas être facile à ranger c'est raide!

Une petite question: est-ce bien utile d'ajouter un AM??? il y a déjà du monde!

Le wago c'est une bonne idée pour du fil rigide, sur le souple ?? il faudra étamé le bout pour l'enfiler.

Quant aux dominos, il suffit de vérifier de temps en temps le serrage. J'ai préféré cette solution pour les fixer sur le couvercle et que ce soit mieux rangé.

Alors bonne fabrication et montres nous le résultat.

 

il faut prendre des wago pour fil souple

ils sont a serrage par petite languette

Modifié par steffe76
Posté

Oui c'est ce que je pense prendre. Ils ont ca chez casto - leroy ? Le fil j'espere en trouver monibrin aussi, pas enivie d'etamer tous les bouts moi...

Posté

Post interessant !! Je suis en train de regrouper les divers élements pour alimenter via une batterie mon scope, caméra, pc, etc...

Je viens de commander sur ebay, suite à ce post, des prises "wago" ainsi qu'un voltmètre et amperemètre .

Pour alimenter ma caméra je vais utiliser ca:

http://cgi.ebay.fr/New-Mini-ITX-M2-PC-DC-DC-ATX-PSU-ITPS-Power-200W-8V-28V-/170784971318?pt=PCA_UPS&hash=item27c393da36

En fait celle que j'avais commandé était une 160W.

Posté
Post interessant !! Je suis en train de regrouper les divers élements pour alimenter via une batterie mon scope, caméra, pc, etc...

Je viens de commander sur ebay, suite à ce post, des prises "wago" ainsi qu'un voltmètre et amperemètre .

Pour alimenter ma caméra je vais utiliser ca:

http://cgi.ebay.fr/New-Mini-ITX-M2-PC-DC-DC-ATX-PSU-ITPS-Power-200W-8V-28V-/170784971318?pt=PCA_UPS&hash=item27c393da36

En fait celle que j'avais commandé était une 160W.

 

Tu as besoin de quelle tension pour ta cam ? Parce qu'il existe des convertisseurs buck beaucoup moins chers, j'en ai justement utilisé un dans ma petite station d’énergie (pour avoir du 5V).

Posté
il faut prendre des wago pour fil souple

ils sont a serrage par petite languette

 

oui c'est vrai de plus j'en avais dans mes casiers, j'avais oublié car je n'avais utilisé que le modèle pour fil rigide, avec lequel les fils sont difficiles à enlever.

je pense que tu vas gagner de la place avec les wago.

Posté

Ma caméra (QSI 583 ) doit être alimentée en 12V. Je sais cette carte est assez chère mais elle regule vraiment bien .Elle dispose aussi de 5V en sortie.

Posté

bonjour

très intéressante cette alim.

je dirais que c'est dommage sur une si belle alimentation de mettre des prises allume cigare , en profité pour mettre des prises a meilleurs contacts

et vissantes.

pas de risque de débranchements intempestifs,surtout quand les fils d'alim partent dans tous les sens.

alain

Posté (modifié)

c'est vrai que les prises allume cigare ne sont pas l'idéal pour les connections électriques, mais avec les autres types , ça complique un peu les branchements avec un risque d'erreur. J'ai choisi la simplicité , la rapidité, et jusqu'à présent je n'ai jamais eu de problème avec mes prises allume cigare, mais peut-être qu'il en existe de différente qualité!

Modifié par JP60
Posté

J'ai recu mon bac à batterie, et evidemment, elle passe pas :-/

Je vais aller voir les boites a outil chez casto demain je pense.

Posté
Et c'est surtout universel ;)

Ah il est certain qu'il y a bien mieux comme les Neutrik

 

type-a-couleur-bleue-pour-power-in-937782.jpg

 

Pierre

 

Personnellement j'aime assez les fiches banane, c'est très simple, très fiable, pas cher et ça prend pas de place

fiche-banane.jpg

 

Un seul impératif : Savoir distinguer le rouge et le noir.

Posté

J'utilise pas mal aussi les bananes, mais uniquement lorsqu'une inversion ne fait pas courir de risques pour le matériel.

Bon, j'dis çà, mais j'utilise des crocos pour alimenter mon EQ6 !pomoi!

 

Pierre

Posté (modifié)
J'ai recu mon bac à batterie, et evidemment, elle passe pas :-/

Je vais aller voir les boites a outil chez casto demain je pense.

 

Oups!!!!Vraiment désolé pour toi, mais tu n'as pas vérifié les dimensions de ta batterie en l'achetant? le lien que je t'avais indiqué proposait plusieurs dimensions! J'aurai du attirer ton attention là-dessus!

Maintenant tu as intérêt à demander un échange au magasin qui te l'a vendue, c'est léger et le port peu couteux! il ne peuvent pas refuser!:confused:

Modifié par JP60
Posté
Personnellement j'aime assez les fiches banane, c'est très simple, très fiable, pas cher et ça prend pas de place

fiche-banane.jpg

 

Un seul impératif : Savoir distinguer le rouge et le noir.

 

les prises bananes me tentaient aussi, mais attention à ne pas être distrait:?:

Posté
les prises bananes me tentaient aussi, mais attention à ne pas être distrait

 

Éventuellement pour les plus distrait il y a toujours la possibilité de mettre une diode sur un des câbles avec un petit bout de gaine thermo autour.

Rejoignez la conversation !

Vous pouvez répondre maintenant et vous inscrire plus tard. Si vous avez un compte, connectez-vous pour poster avec votre compte.

Invité
Répondre à ce sujet…

×   Collé en tant que texte enrichi.   Coller en tant que texte brut à la place

  Seulement 75 émoticônes maximum sont autorisées.

×   Votre lien a été automatiquement intégré.   Afficher plutôt comme un lien

×   Votre contenu précédent a été rétabli.   Vider l’éditeur

×   Vous ne pouvez pas directement coller des images. Envoyez-les depuis votre ordinateur ou insérez-les depuis une URL.

  • En ligne récemment   0 membre est en ligne

    • Aucun utilisateur enregistré regarde cette page.

×
×
  • Créer...

Information importante

Nous avons placé des cookies sur votre appareil pour aider à améliorer ce site. Vous pouvez choisir d’ajuster vos paramètres de cookie, sinon nous supposerons que vous êtes d’accord pour continuer.