Aller au contenu

Messages recommandés

Posté

C'est assez rare comme activité mais je profite d'une recherche historique sur un AK70 Lichtenknecker (objectif collé) et celui de 70mm de la Televue Pronto/Ranger (j'ai les deux)

Les optiques collées de "petit" diamètre donnent de bons résultats.

 

Faire ou acheter ? Parlons d'abord ce que ça permet comme image.

 

Pour information la Televue Ranger/Pronto 70/480 est un achromat amélioré. (Je pense faite avec un doublet FK5-KzFS5, sans plus)

Elle offre un résidu chromatique correct comme une TAL FH 100/1000 R.

De jour, sur la Ranger en spotting scope on est limité à 15mm (x32, 1/2D), ça bave un peu en violet et bleu. Le AK70/1000 était sans défaut à x100.

 

Mais la nuit ...

Image obtenue avec une Televue Ranger 70mm /480 (potentiellement moins bonne qu'un 70/900 ou 70/1000 collé)

2019-09-21_T_03-50-42-0731drz.thumb.jpg.c5b2b0e23267254871194591fce523b5.jpg

Mais passons à un équivalent du AK70 qui est tout proche de la qualité de l'objectif de la Telementor, le C63-840 en plus gros.

Retrouver aujourd'hui les verres du AK70 de Lichtenknecker n'est pas possible (plus fabriqué) mais la méthode est sympa pour construire un objectif bien corrigé.

On trouve assez facilement des cellules pour tenir l'objectif : la norme c'est d'utiliser des verres de 72mm de diamètre pour 70mm d'ouverture.

 

C'est un littrow collé, le verre frontal est biconvexe. Cela procure un avantage à la mise en forme et au contrôle. Le AK70 était très facile à faire : biconvexe pour le crown, plat à l'arrière, collé.

1200px-Lens6b-fr.svg.png

Il existe un verre aujourd'hui qui permet une bonne correction (meilleur même) mais il faut arrondir la face arrière.

 

Pourquoi est-ce plus facile ?

Avec la combinaison magique des deux verres adaptés : K3 et SF1.

 

Le crown se met en forme avec le flint en utilisant un polissage à trois faces qui donne une très bonne qualité de forme.

On rogne en rotation r3 (flint) sur r1 (flint), r3 sur r2, puis on doucit en alternant les sens.

Les rayons sont bien stables, on voit facilement en cours de manœuvre si on a centré correctement l'axe optique en surveillant l'épaisseur au bord du crown.

Le contrôle de la lentille frontale (crown) se fait sur la focale qui dans la formule qui suit est de 50cm (la moitié des 1000mm)

On place une lampe à fente ou avec un graticule 1m devant environ et l'image quasiment parfaite donnée par la lentille biconvexe doit se former à 95cm environ.

 

Si la focale est bonne (à une faible tolérance près), l'image de bonne qualité, le crown est prêt.

Reste à finir le flint (arrondir la face arrière) pour amener la focale combinée à 1m et le chromatisme à un résultat correct.  

 

On colle avec de la colle UV Norland et un tube fluo UV et voilà un objectif à l'ancienne de très bonne facture : la qualité atteint et dépasse facilement tout doublet fait à la machine.

 

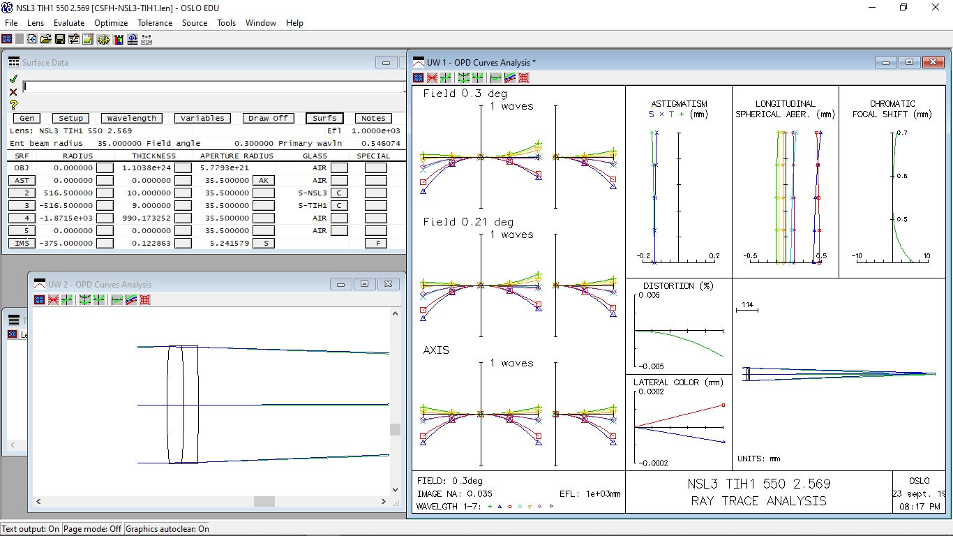
La formule optique vue dans le logiciel de conception. C'est un doublet très proche de semi-apo : résidu chromatique RC <2.6

La coma est faible et, si l'axe est bien aligné, <2mm sur 1m, ça suffit. Cela permet une observation dans tous les modes (solaire, lune, planète, grand champ)

L'aberration sphérique est très faible : le talent du metteur en forme / polisseur permettra de monter à 200x avec un peu d'habitude (oculaire 5mm ortho Abbe conseillé : pas ortho -HD)

Avec un peu moins d'habitude, un Baader ortho 6 ou 10 sera très bien pour profiter au mieux du résultat.

formuleK3-SF1.thumb.jpg.7c3440ec4c7ba5b2fea9fb1b64f69845.jpg

 

Forme des spots en plein champ 1"1/4 (de gauche à droite : planétaire, grand champ, solaire).

Obtenir 1,5° sur 1m de focale c'est utiliser un 60° à x40 : ~2mm de pupille. Le léger débordement du spot (FULL FIELD) autour du disque d'Airy est complètement invisible

Les étoiles apparaîtront fines (ponctuelles) et saturées.

70-1000-K3-SF1.jpg.5fe40fd1a94570465f41c7e87dd3bc24.jpg

 

Il est plus que probable que la société CSO (ali-express) offre en catalogue des 70/900 collés de ce type, certes un peu moins bon en correction couleur parce que plus court en f/D.

Mais du coup, c'est plus sympa qu'un bête achromat 70/700 type Fraunhöfer (verre séparé) qu'on trouve en tube basique.

En effet 70mm collé ne bougera pas et donnera beaucoup plus de plaisir pour la Lune, les planètes et les amas d'étoiles.

Car malgré tout c'est un diamètre en-dessous de la barrière des 100/110mm qui permet l'accès intéressant aux nébuleuses de part sa luminosité. 

Autant spécialiser...

Et si vous souhaitez le faire vous même...

Posté

merci Lyl pour ces infos

peux-tu nous indiquer un fabricant de barillet pour ces optiques et que penses tu des caractéristiques des objectifs CSO vu sur ALI?

Posté

J'étais absente ce we, en ballade à Puimichel.

 

J'ai déjà les barillets, j'ai reçu les objectifs CSO et je suis tombée sur les fesses pour le 90/1000mm. cf annonce sur AstroSurf http://www.astrosurf.com/annonces/ventes/tube-meade-fh-901000-modifié-r11543/

J'ai essayé Jupiter hier et j'avais de la purée, j'ai failli abandonner puis j'ai vu Saturne.

A tomber par terre : x250 avec un TMB 4mm : ombre de la planète sur les anneaux, Cassini perceptible, des bandes colorées

Pfiou un bon objectif, j'ai tiré un bon n°.

J'avais envoyé un design l'an dernier...

 

Note : les barillets et les lentilles sont standards avec ce qui se fait depuis des dizaines d'années. 

 

J'ai besoin d'un coup de main pour finir le 70mm, je ne l'ai pas encore testé. Il me faut un anneau de retenue de 75.5mm extérieur et 70.5mm intérieur, 2mm max d'épaisseur, 1mm préféré.

J'ai fait ça avec de l'assiette en carton plastifiée en attendant et du protège évier en plastique/mousse mou.

Probablement faisable en impression 3D ?

Et enfin un capuchon de diamètre intérieur 82mm, ça serait une protection sympa. Je verrai plus tard pour un pare-soleil/buée avec du Gerd Neumann.

IMG_20191001_183523c.thumb.jpg.17c0de2e77cf5978d18b827c51ac711f.jpg

 

Posté

Lyl, sur ton annonce on a l'impression que ton objectif est rayé ou qu'il y a des cheveux; il serait peut-être judicieux pour ceux qui ne connaisse pas ton professionnalisme et qui pourrait être inquiété par cette photo d'en proposer  une autre

Posté (modifié)

J'ai vu un peu après, j'étais déjà pas très convaincu en postant, et je suis allée voir, c'est la serre de mon proprio avec reflets spéculaire sur les montants en alu et d'autres trucs, mais j'avoue qu'aussi ça rebute les neuneus, ça me dérange pas pour le moment, j'en profite éhontément...

Je suis passée prendre une bombe peinture crème, tant pis pour le logo Meade après tout.

Je vais arranger ça pour les vrais astros, une image prise en intérieur et je vais faire une photo de Saturne ou la Lune dés que c'est moins pourri dans le ciel, ça devrait faire juge de paix.

Modifié par lyl

Rejoignez la conversation !

Vous pouvez répondre maintenant et vous inscrire plus tard. Si vous avez un compte, connectez-vous pour poster avec votre compte.

Invité
Répondre à ce sujet…

×   Collé en tant que texte enrichi.   Coller en tant que texte brut à la place

  Seulement 75 émoticônes maximum sont autorisées.

×   Votre lien a été automatiquement intégré.   Afficher plutôt comme un lien

×   Votre contenu précédent a été rétabli.   Vider l’éditeur

×   Vous ne pouvez pas directement coller des images. Envoyez-les depuis votre ordinateur ou insérez-les depuis une URL.

  • En ligne récemment   0 membre est en ligne

    • Aucun utilisateur enregistré regarde cette page.
×
×
  • Créer...

Information importante

Nous avons placé des cookies sur votre appareil pour aider à améliorer ce site. Vous pouvez choisir d’ajuster vos paramètres de cookie, sinon nous supposerons que vous êtes d’accord pour continuer.