Aller au contenu

Messages recommandés

Posté

Bonjour à tous!

 

Je suis désespérément à la recherche de la norme qui décrit les fixations standard queue d'aronde que j'ai vues sous la dénomination "vixen" (qui servent à la fixation à tous nos supports accessoires : chercheurs, guidage...). A défaut du document de norme, je me satisferai d'un plan de côte en coupe 😁.

 

J'ai beau chercher depuis des heures, je ne trouve rien sur le web.

 

Mille mercis à ceux qui m'ont lu et qui pourraient m'aider!

Posté

C'est vrai qu'il est difficile de trouver des infos là-dessus. En faisant une recherche avec Vixen style dovetail dimensions, on trouve quelques trucs, après je n'ai pas trop fouillé.

post-22266-0-63515100-1459141628.jpg.7a9b10f7414c55f2e903328e17e2a382.jpg

 

post-236765-0-96307200-1524858862_thumb.png.6082215d9973229f6d64ce83d455e7ed.png

 

Petit modèle ?

fbd_500.jpg.558ae25107edc3a9c5a6a559fdaa8b3e.jpg

tpfd_500.jpg.24a13fb355c23d69c7a10a9d1a0f3fa5.jpg

 

A vérifier ...

  • J'aime 1
Posté

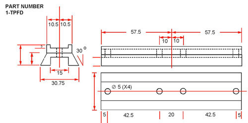
Waouh, merci beaucoup Michel, je pense que c'est tout à fait ce que je cherchais, tout particulièrement le mini, sur le troisième schéma. Au pied à coulisses, je tombais plutôt sur ~33mm x 23mm x 9mm, là où sur le schéma tu as trouvé 31,8mm x 22mm x 10mm!

 

L'objectif est d'imprimer un support de chercheur en 3d donc c'est pile ce qui me manquait!

 

Par curiosité, où l'as-tu trouvé?

Posté

 

Il y a 4 heures, Michel Boissel a dit :

Sur ce site : https://www.stellarvue.com

 

Je n'ai pas trop cherché, mais les recherches en langue anglaise sont souvent fructueuses.

Effectivement! Merci encore.

 

Il y a 4 heures, morbli a dit :

 

J'ai déjà réalisé ce design https://www.thingiverse.com/thing:3347566

 

Merci de ton aide, je viens de voir! En réalité, mon besoin très précis est de pouvoir imprimer en 3d un rail picatinny qui va venir se fixer justement sur ta pièce (donc il me faudrait idéalement les dimensions de la partie mâle), avec un décalage d'environ 150mm pour pas être gêné. Je vais donc essayer de moyenner les mesures pour avoir quelque chose de fiable 😁

Rejoignez la conversation !

Vous pouvez répondre maintenant et vous inscrire plus tard. Si vous avez un compte, connectez-vous pour poster avec votre compte.

Invité
Répondre à ce sujet…

×   Collé en tant que texte enrichi.   Coller en tant que texte brut à la place

  Seulement 75 émoticônes maximum sont autorisées.

×   Votre lien a été automatiquement intégré.   Afficher plutôt comme un lien

×   Votre contenu précédent a été rétabli.   Vider l’éditeur

×   Vous ne pouvez pas directement coller des images. Envoyez-les depuis votre ordinateur ou insérez-les depuis une URL.

  • En ligne récemment   0 membre est en ligne

    • Aucun utilisateur enregistré regarde cette page.
×
×
  • Créer...

Information importante

Nous avons placé des cookies sur votre appareil pour aider à améliorer ce site. Vous pouvez choisir d’ajuster vos paramètres de cookie, sinon nous supposerons que vous êtes d’accord pour continuer.