Aller au contenu

Messages recommandés

Posté (modifié)

Voilà j'ouvre ce petit post pour vous dévoiler mon futur projet (j'ai les compos et 90% des infos ressource, me reste à me mettre au travail)

 

Pour mémoire j'ai déjà réalisé mon Intervalomètre ICI

 

Désolé, toutes les images ne sont plus accessibles, mon FAI ayant changé :(

 

Donc comme indiqué dans la titre:

 

SPC 900 LP autonome.

Le terme autonome prend son importance car je ne veut pas piloter par PC via un port USB=>//

 

Cahier des charges :

Utiliser un seul cable USB

Autonome en alim (par le USB )

Gérer des temps de poses court (entre 0.5 et 2 secondes) pour simplement de l'autoguidage.

 

Je vais pas faire de l'imagerie comme d'autre avec.

 

Donc la modif est la classique reprise sur le site de BBayle ICI

 

LA commande longue pose se fera par un NE555 (vis vis je l'aime bien celui là :D) avec 4 positions :

0- On change rien, pilotage classique.

1- Temps de pose 0.5 seconde.

2- Temps de pose 1 seconde.

3- Temps de pose 2 seconde.

 

Un grand merci à HAMA avec qui j'echange depuis quelques jours pour avoir des renseignements sur ce que l'on connait déjà.

 

 

Et posez pas la question: "Pourquoi tu fais pas le simple pilotage par PC?" parce que je répondrais :

Pour le FUN et le goût du "J'lai fait moi même et le défi" ;)

Modifié par Didou
Posté

salut,

pas de pc, ok, mais du coup tugere comment la webcam??? et comment sont traitée les infos (pour imagerie ou pour guidage)

je ne comprend pas tout, tu peux en dire plus?

Posté

Lblanc, je n'ai pas dit que je me passait du PC pour la partie vidéo mais je souhaite économiser un câble pour la commande LP.

 

Plus ya de câble,plus ya de problème :D

Posté (modifié)

ok, je comprend mieux.

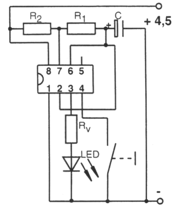
je suppose que tu vas utiliser un shemat de ce type:

schconnexion_cligno.gif

 

avec à la place de la led il y a la webcam avec une masse et une connection sur la pate N°6 d'un 4011 (voir montage LP BOND)

 

Pendant le temps de charge, la cam est en longue pose :

t1 = 0,693 . (R1 + R2 ) . C

 

Pendant le temps de charge, la cam est à l'arret :

t2 = 0,693 . R1 . C

 

 

je suis curieux de voir le resultat surtout pour de l'autoguidage. Ca peut etre tres interessant, surtout quand on manque de port su le pc.

bon montage.

Lio

Modifié par Lblanc
Posté

Lblanc, je n'ai pas dit que je me passait du PC pour la partie vidéo mais je souhaite économiser un câble pour la commande LP.

 

Plus ya de câble,plus ya de problème :D

Suffit de tout regrouper dans un seul câble avec des db9.
Posté

Oui c'est çà à peu près avec un optocoupleur pour isoler électriquement la SPC900 du NE555.

 

En montage astable.

  • 2 semaines plus tard...
Posté (modifié)

Je trouve que c'est vraiment une bonne idée pour ceux qui veulent uniquement faire du guidage.;)

 

Par contre, si je puis me permettre, étant donné que tu utilise le +5V de qui alimente la CAM pour ton NE555, tu peux te passer d'optocoupleur. C'est toujours ça de gagné niveau place. En effet ton 555 va sortir 0V/5V et ton 4011 doit être attaqué en 0v/5V.

 

Si tu as besoin d'aide sur un plan électronique, je peux t'aider avec grand plaisir.

 

Question Annexe

Dans le montage il y a 2 durée à régler:

  • La durée d'exposition Normale, 0.5s, 1s ou 2s
  • La durée accordée à la lecture => Quelqu'un a-t-il une idée pour cette:?: valeur

Modifié par Gandalf
Posté

Quand la cam est à 30 fps, le temps de lecture doit être inférieur à 33 ms, je calcule pour laisser 1/10 ème de seconde le temps d'envoyer l'image.

 

Temps d'expo, l'idée est d'avoir au moins 1 sec et pouvoir aller jusquà 2

Posté

Salut Didou,

 

Je me pose quand même une question:

Quand une CAM pose longue est contrôlée entièrement par le PC, le logiciel synchronise l'ordre pose longue puis l'ordre de lecture. En se mettant en autonome, ton NE555 va générer les périodes de pose longue et de lecture de manière asynchrone par rapport au cycle du PC.:confused:

 

Qu'en penses-tu:?:

Posté

Je sais pas :D

 

On verra, pour moi les modif LP avec cable qui passe par USB ou autre se contente de dire "Là tu poses, tu poses, tu poses encore .... stop arrête toi!"

Ensuite la cam "envoi l'image toute seul avec son soft interne puis le PC dit "Tiens y'a une image qui arrive j'envoie au soft qui lit les images.

 

Après je me dis que ce qui ont fait les drivers "bidouiller" n'ont pas été jusqu'à programmer une gestion de lecture synchro des images.

 

Hier soir, un essai a montré que les images arrivaient correctement (enfin correctement est un grand mot mais j'avais quelquechose) au soft avec ma modif via NE555(Guidemaster et Iris affichaient quelque chose)

 

Quelques soucis à régler que je ne fera pas ce soir sinon j'en connais qui feront la tronche chez moi ^^

 

(la sortie haute 1 du NE devenait basse 0 a cause d'un mauvais câblage du 4N25 qui inversait mes tempos 1/10s et 1s)

 

Allez j'y crois pour 2010, cela devrait fonctionner :D

Posté

J'espère que tu as raison...ça serait super:)

 

J'attends avec impatience tes résultats.

 

(la sortie haute 1 du NE devenait basse 0 a cause d'un mauvais câblage du 4N25 qui inversait mes tempos 1/10s et 1s)

 

Je suppose que tu as choisi:?::

  • 1/10s => pose longue désactivée (lecture)
  • 1s (éventuellement 0,5s ou 2s) => pose longue activée

 

Bon réveillon;)

Posté (modifié)

Re coucou.

Montage fini mais j'ai des quoacks !!! :(

 

Bon je voudrais comprendre un peu pourquoi et comment fonctionne la modif longue pose méthode BBayle.

 

J'ai donc fait la table logique des états et j'obtiens ceci:

 

 

Pad8 Pad10 Pin2 / Pin8 Pin10

0 0 0 / 1 1

0 0 1 / 0 0

0 1 0 / 1 1

0 1 1 / 0 1

1 0 0 / 1 1

1 0 1 / 1 0

1 1 0 / 1 1

1 1 1 / 1 1

 

J'en conclus, si pad 8 ou 10 sont à 1 alors pin 8 et 10 sont à 1.

Si pin2 passe à 1 pin 8 et 10 passe à 1.

 

Comme je commande pin2 par mon oscillateur, a quoi bon garder pad 8 et pad 10 à 0 ou 1 ??

Modifié par Didou
Invité ecirta
Posté (modifié)

oh ! vous parlez en extraterrestre ou quoi ? :o))

 

comprend rien........:o)

Modifié par ecirta
Posté (modifié)

Bonjour,

 

Pour commencer le schéma électrique du montage BBAYLE est fourni en pièce jointe.

 

  • La patte 8 (PG1 du uPD16510): C'est un signal d'horloge. Au moment des tops, on provoque le transfert du contenu des photosites dans des "registres analogiques" (un registre par photosite). La tension dans le registre analogique est proportionnelle au nombre de photons reçus par son photosite associé. Le signal de chaque registre sera ensuite converti pour donner une valeur numérique à chaque photosite et ainsi recréer l'image. En bloquant les tops et en laissant un niveau haut sur la patte 8 on stoppe le transfert des électrons dans les registres et on les laisse s'accumuler dans les photosites. Quand on active le mode longue pose en mettant la commande à 0V on bloque les impulsions (pastille 8) et on maintien un niveau Haut en sortie (patte 8). Quand la commande est absente les portes 1 et 3 en cascade se comportent comme un interrupteur fermé et les signaux d'horloge de la pastille 8 sont transférés sans modification à la patte 8.
  • La patte 10 (SUBI du uPD16510): Signal d'horloge correspondant au shutter. C'est une tension qui permet polariser les photosites pour les rendre sensible à la lumière: tant qu'elle est présente le photosite accumule des photons. Quand on active le mode longue pose en mettant la commande à 0V on bloque les impulsions de shutter (pastille 10) et on maintient un niveau Haut en sortie (patte 10). Les photosites restent polarisés et accumulent des photons (sous forme d'électron). Quand la commande est absente les portes 2 et 4 en cascade se comportent comme un interrupteur fermé et les signaux d'horloge de la pastille 10 sont transférés sans modification à la patte 10.

 

Je n'ai pas étudié à fond le système mais je crains qu'il faille synchroniser les impulsions longue pose de ton circuit avec la fin de la lecture d'une image.

 

Cordialement.

Modifié par Gandalf
Posté

Bon après une lecture approfondie, j'en conclus que ma tempo doit être de 0.5 à 2sec à l'etat bas (0v) puis 1/10 eme à l'état haut (pour laisser le transfert de l'image).

Je vais revoir mon schéma.

Là j'ai fait une chtite pause pour ne pas trop me décourager face aux échecs des tests...

Posté

Dans la modif longue pose classique, il n'y a pas de synchro pour l'envoi.

A mon avis quand le pin 8 est libéré, l'envoi se fait et le soft le récupère tout seul.

 

Y'a pas de synchronisation entre l'appui des touches de ton clavier et l'ecriture de la lettre correspondant, quand tu appuis, le soft l'écrit ;)

  • 2 semaines plus tard...
Posté

Presque j'ai eu des résultats pas convaincant mais là je retente dès que j'ai un peu de temps.

En tout cas elle est plutôt solide cette CAM vu les tortures que je lui fait :D

  • 4 semaines plus tard...
Posté

UP...

 

Bon j'ai une drôle de question ....

 

le port USB devrait fournir 0/+5V.

 

J'ai 10v !!!! (et donc 10V partout :p)

Normale?

Posté
UP...

 

Bon j'ai une drôle de question ....

 

le port USB devrait fournir 0/+5V.

 

J'ai 10v !!!! (et donc 10V partout :p)

Normale?

 

Salut Didou,

 

Je confirme l'USB c'est du 5V, j'ai même vérifié avec un voltmètre sur le port USB d'un PC Fujitsu-siemens et d'un PC no-name avec une carte ASUS à l'intérieur:).

 

Par contre je ne sais pas où tu as fais ta mesure. Méfies toi, l'ICX098 est alimenté en +15V et en -5.5V (Cf datasheet), donc sur le circuit imprimé

de la cam il y a des circuits qui permettent de créer ces tensions:rolleyes:.

 

Si tu as fait la mesure sans que la cam soit connecté (directement sur le port USB) peut-être faut-il que ce dernier soit chargé pour avoir la bonne tension....mais j'en doute:confused:. Autrement ne pourrais-tu pas vérifier sur un autre PC:?:.

 

Gandalf.

Posté

Bon j'ai progressé...

 

J'arrive à faire des poses longues pilotées par mon NE555 MAIS une image sur deux à peu près ne passe pas correctement... et lors des états bas, c'est les tempo config par défaut (donc environ 5FPS) qui passent donc j'ai du noir (il pose longtemps) puis une image en LP puis des images en poses courtes .

Rien d'exploitable.

Je me demande si je ne devrait pas carrément stopper le signal d'origine pour ne piloter qu'avec mon NE555 en entré du 4011.

 

Je vais surement tester, on verra bien ce que cela donne :D

 

Pour répondre à Gandalf, la tension d'alim , je la prend directement sur le port USB, mais je me demande si les entré PIN8 et 10 ne m'apporte pas du 10V?

Bon la SPC n'a pas l'air d'en souffrir ;)

Posté
UP...

 

Bon j'ai une drôle de question ....

 

le port USB devrait fournir 0/+5V.

 

J'ai 10v !!!! (et donc 10V partout :p)

Normale?

Ton appareil de mesure est bien sur la position continu et pas sur alternatif par hasard ?

Posté

Merci Snark

J'y ai pensé ;)

 

En relisant quand je dit 10V partout c'est au niveau des alim CI, bien sûr j'ai d'autres tensions ailleurs.

Posté

Salut Didou,

 

J'en reviens à mon idée de départ, il faut que ton circuit soit synchronisé avec la cam.

Ci-joint une image extraite du datasheet de l'ICX:

 

Tu peux constater que sur V2A (Broche 3) les pulses sont négatives, sauf une qui marque le début/fin de lecture du capteur CCD.

Je pense qu'il faut utiliser un monostable non retriggerable (et pas un astable) et qu'il doit être déclenché pour faire la pose longue par la pulse positive de V2A pour éviter qu'il s'enclenche ou se désenclenche en plein milieu d'un cycle de lecture de la CCD=> mauvaise image.

 

Gandalf.

Posté

Encore une fois merci Gandalf, j'ai du coup trouver le datasheet du ICX098.

 

Je me demande comment la modif classique de BBayle tient (ou ne tient pas= compte de ce signal?

 

Pour moi il ne s'en soucis pas mais je ne connais pas le fonctionnement du soft derrière

Posté
Encore une fois merci Gandalf, j'ai du coup trouver le datasheet du ICX098.

 

Je me demande comment la modif classique de BBayle tient (ou ne tient pas= compte de ce signal?

 

Pour moi il ne s'en soucis pas mais je ne connais pas le fonctionnement du soft derrière

 

Je pense que c'est le soft d'acquisition qui s'occupe de faire la synchro...c'est sans pour ça que n'importe quel logiciel d'acquisition ne peut pas gérer une cam LP.

Je crois que la synchro électronique est une condition nécessaire mais peut-être pas suffisante.

 

Écoutes, si tu veux, contactes moi sur ma BAL et on en discute au téléphone...ça sera sans doute plus facile.

 

Gandalf.

Posté

Bon ca ne marche pas, je n'y arrive pas ou ce n'est pas possible, bref je bloque et je vais me rabattre sur une modif classique de la LP

 

Comme nous n'avons plus que des ports USB sur les portables actuels, je vais faire cette modification:

USB=>Serie=>parallèle

Pour savoir si j'ai bien compris,ce circuit ne fait que de USB vers Parallèle et il faut donc encore faire la modif à bas de 4011 ensuite?

  • 4 semaines plus tard...
Posté (modifié)

UP

 

Voici la SPC-Didou :D

 

Bon je n'ai pas réussi la modification de départ, je me suis retourné sur une modif "classique"

 

En USB(via cable USB-> Série) pour le LP.

 

Voici quelques photos avec l'intégration dans une jolie boite....

 

5588-1268479339.jpg

 

La boite est juste assez grande pour contenir la SPC et une carte 'interface'.

 

On voit ici un zoom sur ma carte interface, simple:

A gauche c'est l'arrivé de la prise série qui attaque un transistor via une diode.

A droite le 4011 monté sur support (en cas de soucis) et la connectique vers la SPC.

5588-1268479594.jpg

 

Sur le coté du boitier, j'ai monté une petite diode rouge.

Elle me permet de savoir si les impulsions LP arrivent bien à la carte.

Elle reste allumée tant que la webcam expose et s'éteint le temps du transfert.

 

5588-1268479928.jpg

 

Voici une petite vue de profil, le câble USB de départ de la webcam d'un coté et le prise série de l'autre. Elle tient bien dans le boitier.

 

5588-1268480192.jpg

 

Vue de la face avant.

J'avais un soucis : le support de webcam était trop long. et la surface de contact entre le support et le boitier était trop faible pour empêcher tout mouvement.

J'ai donc été obligé de mettre une entretoise (bout de tube PVC) comme cela le support 3"1/4 n'est pas visé à fond mais la surface se fait avec un plus grand rayon, résultat cela ne bouge plus et le boitier est bien fixé avec l'embout.

 

5588-1268480234.jpg

 

Enfin j'ai réutilisé le support d'origine pour bien fixer le câble USB de départ et éviter tout arrachement des soudures et fils :D

 

5588-1268480490.jpg

 

Voila ma SCP-Didou est prête pour attaquer les nuits étoilées ;)

 

 

 

UN GRAND MERCI A L'AUTEUR DE CE SITE:

 

ICI

 

ET AU SITE DE B.BAYLE

 

Je ne mettrais par contre pas de lien car mon antivirus détecte un cheval de troie :(

Si quelqu'un peut le prévenir....

Modifié par Didou

Rejoignez la conversation !

Vous pouvez répondre maintenant et vous inscrire plus tard. Si vous avez un compte, connectez-vous pour poster avec votre compte.

Invité
Répondre à ce sujet…

×   Collé en tant que texte enrichi.   Coller en tant que texte brut à la place

  Seulement 75 émoticônes maximum sont autorisées.

×   Votre lien a été automatiquement intégré.   Afficher plutôt comme un lien

×   Votre contenu précédent a été rétabli.   Vider l’éditeur

×   Vous ne pouvez pas directement coller des images. Envoyez-les depuis votre ordinateur ou insérez-les depuis une URL.

  • En ligne récemment   0 membre est en ligne

    • Aucun utilisateur enregistré regarde cette page.
×
×
  • Créer...

Information importante

Nous avons placé des cookies sur votre appareil pour aider à améliorer ce site. Vous pouvez choisir d’ajuster vos paramètres de cookie, sinon nous supposerons que vous êtes d’accord pour continuer.