Aller au contenu

Encore un strock : appel aux concepteurs


pam-pg

Messages recommandés

Posté

j'ai construit l'araignée suivant les plan cotés du site (enfin une variante avec les équerres d'appui horizontal)

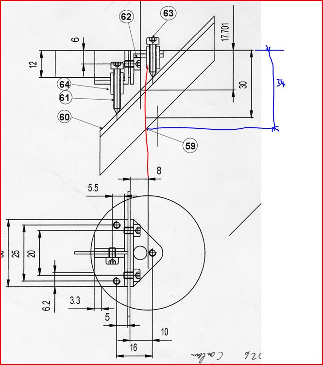
Or, j'arrive pas à obtenir la fameuse cote de 30 qui correspond au centre optique par rapport au haut des branches ( et que l'on retrouve dans le percage du PO sur la cage secondaire).

 

sur mon araignée j'arrive à 34 env.

 

N'y a-t-il pas sur le plan une inversion dans le sens de l'offset sur le plan du haut (voir la vignette). Le plan du bas semble juste.

si oui ca fait bien 34 mm.

 

Si la cote est de 34 comment fait on pour rattrapper le coup : peut-on remonter le diaphragme supérieur de quelques mm sans que ça gêne ?

 

Je dois me gourrer mais est-ce que quelqu'un peut m'expliquer la cote de 30 à quoi elle correspond ?

offset-strock.thumb.JPG.46269ee664ecb5ee0ac86e2db32f49d0.JPG

Posté

Bonjour tout le Monde,

 

Bien que je ne sois pas concepteur de cette petite merveille, je me permet.

Ces 30mm sont la distance dessus des branches de l'araignée-centre du miroir secondaire(sans l'offset).

Elle peut varier :

1-elle est liée à l'épaisseur de la plaque support du secondaire

2-à l'épaisseur de ce miroir

3-à l'épaisseur des plots de colle entre plaque et miroir

4-par action sur la vis 63, qui permet d'ajuster l'offset, entre autre.

Il faudrait calculer l'offset, voir si tu peux simplement remonter les fixations des branches de l'araignée dans la cage secondaire, sans agrandir celle-ci et ajuster la longueur de la vis 63 afin qu'elle permette de descendre le secondaire de la valeur de l'offset(les deux autres 61 aussi, d'ailleurs).

J'espère être clair et ne pas t'enduire d'erreur!;)

 

Bip

Posté

Après consultation des plans (je pens que nous avons les mêmes...), il y a 15mm entre la face supérieure du baffle supérieur et le haut de la cage secondaire plus 5mm d'épaisseur de ce baffle.C'est là que tu peux trouver les mm qui te manque pour mettre l'araignée et le secondaire à la bonne hauteur, en remontant le baffle sup., quitte à le mettre à fleur du haut de la cage.

 

Bip

Posté

J'ai lu ton post trop vite!

La réponse est dans la question:)

...peut-on remonter le diaphragme supérieur de quelques mm sans que ça gêne ?QUOTE]

Seul impact : quelques grammes déplacés vers le haut, déplacement du centre de gravité vers le haut de quelques pouillèmes mais l'univers ne va pas cruncher pour si peu!:D

 

Bip

Posté

Salut bip Bip.

Quand je parle d'offset, je veux pas dire de bas en haut, mais un petit décalage du miroir de 2 mm à gauche du centre géométrique sur une vue en coupe (donc a priori vers le coté opposé au PO). Or sur le plan en coupe du site, on voit bien que ce décalage est inversé par rapport à la vue de dessus de dessus qui à mon avis est juste elle. Les axes optiques de la vue en coupe et de la vue de dessus du site sont bien alignées sur l'axe optique qui est matérialisé par la vis, mais pas le miroir !!!

 

Si on fait ce décalage du miroir sur la vue en coupe du site, on ne trouve plus 30 mm mais 34 mm ( 2 x 2 mm vers la gauche et le centre est décalé donc la cote grandit de 30 à 34). A noter que j'ai bien la cote de 17,7 mm et donc mon araignée semble conforme par ailleurs. Le miroir est normal en épaisseur aussi.

 

Voilà, mais j'ai bien noté qu'on pouvait réhausser le diaphragme,merci bip bip c'est sûrement ce que je vais devoir faire, mais je trouve drôle d'être le seule ennuyé par ça. Si je me gourre j'aimerais comprendre pourquoi !

Posté

salut

 

pas facile de répondre avec un clavier à tes interrogations précises....

ta remarque est très pertinante !

oui, je vois que le plan est dans les choux !!!!! merci pour cette précision, j'va y remédier un de ces quatre.

Donc oui, ya un bug...

il semble que j'ai omis de faire "glisser" le miroir dans la vue de coté pour qu'il prenne sa position et se calle par rapport à la vue de dessus. Bien vu !!!

Cela étant, c'est un glissement à 45°, tangeant au vis. Donc cela n'infuera en rien sur les cotes X et Y des plans, Juste un recalage de l'ensemble miroir+plaque support.

par contre ce qu'il faut retenir, c'est cette cote de 30 mm qui elle et quoiqu'il en soit est juste ! elle est typiquement le callage en hauteur de l'araignée, faisant coincider les centres optiques du miroir et celui du PO.

EN effet, faut construire compact, très compact ! EN vrai, le plan est trop "joueur" et ce que tu soulèves un vrai point de détail et m'invites à en refaire un autre plus précis. La plaque support dit pouvoir se monter au maximim et venir quasiment tangeanter le système de collimation. Ici, on a l'impression qu'on peut y aller à gogo, ce qui n'est pas vrai (d'ou ton rab de 4 mm)

ce qu'il faut faire :

*- les tubes taraudés pour les vis de régalge doivent venir tangeants à la face inférieure des équerre sur système de réglage.

*- les équerres fixées sur la plaque support du miroir (autre schéma de principe) doivent ^tre le plus compact possible en hauteur,

- le dépassement des vis de réglage doit être minimale et permettre tout juste la latitude de réglage. De plus, on dimimue sacrément les jeux du système, ce qui est primordiale pour un parfait fonctionnement à l'usage - point a avoir toujours à l'esprit lors de la cnstruction.

 

 

 

Ainsi, la cote de 30 est respecté, et tout rentre dans l'ordre !

En tout cas, bravo pour ta sagacité ! et merci our celà !

 

Serge

Posté

Salut Serge,

Est-ce que tu penses que je peux remonter légèrement le diaphragme supérieur de 5 mm sans que ce soit pénalisant pour le vignettage (ou sans que ça gêne pour la suite de la construction). A mon avis du point de vue résistance mécanique ça va pas changer grand chose.

 

Comme ça pas besoin de refaire mon araignée.

 

J'ai bien compris tes remarques, mais je ne peux plus remettre le centre optique à 30 mm. Donc si je gratte ces qqs mm avec le diaphragme c'est bon.

 

Bon dimanche et A+.

 

salut

 

pas facile de répondre avec un clavier à tes interrogations précises....

ta remarque est très pertinante !

oui, je vois que le plan est dans les choux !!!!! merci pour cette précision, j'va y remédier un de ces quatre.

Donc oui, ya un bug...

il semble que j'ai omis de faire "glisser" le miroir dans la vue de coté pour qu'il prenne sa position et se calle par rapport à la vue de dessus. Bien vu !!!

Cela étant, c'est un glissement à 45°, tangeant au vis. Donc cela n'infuera en rien sur les cotes X et Y des plans, Juste un recalage de l'ensemble miroir+plaque support.

par contre ce qu'il faut retenir, c'est cette cote de 30 mm qui elle et quoiqu'il en soit est juste ! elle est typiquement le callage en hauteur de l'araignée, faisant coincider les centres optiques du miroir et celui du PO.

EN effet, faut construire compact, très compact ! EN vrai, le plan est trop "joueur" et ce que tu soulèves un vrai point de détail et m'invites à en refaire un autre plus précis. La plaque support dit pouvoir se monter au maximim et venir quasiment tangeanter le système de collimation. Ici, on a l'impression qu'on peut y aller à gogo, ce qui n'est pas vrai (d'ou ton rab de 4 mm)

ce qu'il faut faire :

*- les tubes taraudés pour les vis de régalge doivent venir tangeants à la face inférieure des équerre sur système de réglage.

*- les équerres fixées sur la plaque support du miroir (autre schéma de principe) doivent ^tre le plus compact possible en hauteur,

- le dépassement des vis de réglage doit être minimale et permettre tout juste la latitude de réglage. De plus, on dimimue sacrément les jeux du système, ce qui est primordiale pour un parfait fonctionnement à l'usage - point a avoir toujours à l'esprit lors de la cnstruction.

 

 

 

Ainsi, la cote de 30 est respecté, et tout rentre dans l'ordre !

En tout cas, bravo pour ta sagacité ! et merci our celà !

 

Serge

Posté

je pense qu'il y a pleins de solutions. A toi de voir.

Voir que ce rebord de 1 cm entre le diaph et le bord supérieur de la cage est un truc utile, notamment pour qui installeriat un baffle type chapeau-clac où un filtre solaire pleine ouverture, options retenues du concepteur Pierre. A voir donc de diminuer ce rebord à 5 mm....

Sinon, je crois que plus simplement, je gererais ca au niveau des points de fixation des branches de l'araignée, en les remontant des fameux 5mm. Un trait de scie dans le diaph (ep 5 mm justement) ou une découpe de l'extrémité des branches et roule !!!!

 

Bon courage pour la suite !

Serge

Posté

Pas tout saisi de votre discussion. Mais j'ai suivi les plans pour réaliser mon strock, et une fois tout monté, il a fallu que je descende mon secondaire de 4 à 5 mm pour qu'il soit dans l'axe du PO.

Posté
je pense qu'il y a pleins de solutions. A toi de voir.

Voir que ce rebord de 1 cm entre le diaph et le bord supérieur de la cage est un truc utile, notamment pour qui installeriat un baffle type chapeau-clac où un filtre solaire pleine ouverture, options retenues du concepteur Pierre. A voir donc de diminuer ce rebord à 5 mm....

Sinon, je crois que plus simplement, je gererais ca au niveau des points de fixation des branches de l'araignée, en les remontant des fameux 5mm. Un trait de scie dans le diaph (ep 5 mm justement) ou une découpe de l'extrémité des branches et roule !!!!

 

Bon courage pour la suite !

Serge

 

Oui OK, je gratterai sur les extrémités de branches, c'est le plus simple.

D'aileurs on voit souvent (sans raison que je connaisse) les branches s'affiner en direction du tube.

 

Merci.

Posté
Pas tout saisi de votre discussion. Mais j'ai suivi les plans pour réaliser mon strock, et une fois tout monté, il a fallu que je descende mon secondaire de 4 à 5 mm pour qu'il soit dans l'axe du PO.

 

Salut ratatouille.

j'ai suivi ta construction, il est très bien fignolé. Bravo.

ton perçage était bien à 30 du diaphragme ?

t'avais bien la cote de 30 sur l'araignée ?

Posté

Maintenant que tu me le dis, je crois que je ne me suis pas occupé de cette côte de 30 car elle m'embêtait et ne correspondait à rien de concret à mes yeux.

Posté

Bon la voilà, 93 grammes toute mouillée.

Je signale le pontet qui innove un peu grâce à la possibilité de tendre le ressort avec deux écrous. il s'agit d'un clou brasé sur deux vis M3 + écrous.

 

Par ailleurs, les molettes sont avantageusement réalisées avec des écrous M6 contre-serrés et une vis poêlier M4. L'écrou est bien préhensible et de diamètre/hauteur restreints.

 

 

Strockement vôtre.

 

6546-1283780443.jpg

Posté

Bonne idée, on se racontera comment on en sue pour faire cet engin.

C'est très minutieux pour moi en tout cas. Dur dur !!!!

Posté

mais quand il est fini , que tu le glisses dans un recoin de la voiture deja bien chargé , ou que tu prend le train , tu es heureux de l'avoir . je ne parle même pas de prendre l'avion avec

 

pour les vis de l'araignée : au BHV de paris j'ai trouvé des vis en laiton moletées pas cher + un ressort de glisser pour eviter qu'elles ne tremblent

 

20100910.jpg

 

j'ai electifié les banches (dur ça d'en isoler une) pour coller sur le secondaire une resistance chauffante "maison" suite à une sortie trop givrante en hiver ( à tester alors en bonne situation)

Posté

Bien le chauffage !!!

 

Il faut que je trouve un ressort de 4 mm de diamètre (le mien fait 5 et gêne le déplacement de la plaque). Sinon la prochaine fois que j'ai le temps à Paris, je fuinerai au BHV pour trover ces vis plus esthétiques.

 

Milesker

  • 2 semaines plus tard...
Posté

Bravo. Belle réalisation.

Pour la couleur, t'as qu'à le vernir, comme ça tu te prendras pas la tête à choisir la couleur.

 

Sinon, l'intérieur, c'est noir mat.

Posté

Le rouge, ça me plaîrait bien.

Par contre verni, je crains que l'on vois toujours les traces de colle, je suis un peu souillon.

 

J'ai dû lire que l'intérieur était à faire à l'encre de chine.

Combien il en faut, le bois dois pas mal absorber ?

 

Avez-vous rebouché les petites inégalités au niveau des jointures des planches. Avec de la pâte à bois ?

Posté

Si tu peins il va falloir faire ca correctement: donc un bon coup de mastic + ponçage pour en enlever 90% et n'en garder que dans les trous, couche primaire d'impression et ensuite une ou deux couches.

Pour le vernis il faut avoir un bois impeccable, car la moindre tache de colle se voit.

Pour le noir c'est soit encre de chine (mais 0 protection coté humidité), ou tout simplement une couche de peinture noire et ensuite par dessus un coup de bombe de peinture noire mat en bombe, projetée de loin pour que ca forme une couche un peu rugueuse.

 

Perso j'ai pris une peinture alkyke (solvant) ultra-blanche brillante, c'est solide et surtout parfaitement insensible a l'humidité, mais qu'est-ce que c'est chiant a faire...

A refaire j'essaierais la même en aqueux. Autre conseil: prend une peinture pro (pour moi, Zolpan), pas plus cher mais bien meilleure coté couverture et solidité.

Posté
Avez-vous rebouché les petites inégalités au niveau des jointures des planches. Avec de la pâte à bois ?

 

Salut

Moi j'en ai mis de la pate à bois.

Mais comme je suis aussi souillon:b:...et que j'ai mis du bondex teinte chene clair, le resultat n'est pas triste!!!:cool::D

 

Faudra moi aussi que je fasse un topic sur mon strock, car j'ai quand meme fait pas mal de modifs par rapport à l'original.

 

a+

 

Edit..pam, je vois que tu as installé un kineoptics...ils ont mis combien de temps pour te l'expedier ??? et qui est le transporteur?

Merci

Posté
Salut

Moi j'en ai mis de la pate à bois.

Mais comme je suis aussi souillon:b:...et que j'ai mis du bondex teinte chene clair, le resultat n'est pas triste!!!:cool::D

 

Faudra moi aussi que je fasse un topic sur mon strock, car j'ai quand meme fait pas mal de modifs par rapport à l'original.

 

a+

 

Edit..pam, je vois que tu as installé un kineoptics...ils ont mis combien de temps pour te l'expedier ??? et qui est le transporteur?

Merci

 

Salut,

Il a mis 8 jours complets à se retrouver dans ma boîte aux lettres. Il l'on expédié le jour même du paiement par Paypal.

C'est un courrier normal, pas de transporteur.

Posté

Dingue ça ! Encore un !

 

Mais il est totalement raté. Je m'explique !

La couleur est une question primordiale. Et primordiale ça signifie que si c'est pas avant, rien ne va plus.

Là je conseil vivement de recommencer en commençant par choisir la couleur.

Ca changera tout, le résultat n'aura rien à voir.

Et surtout pas rouge... malheureux... C'est pour les trucs dangereux le rouge!

 

 

Pour les trous aux joints, c'est bizare ma colle à bois a tout bouché...

Mais un peu de colle à bois avec de la sciure-ponçure et ça bouche.

J'en ai toujours un bon stock dans le sac de ma ponçeuse à bande. Et c'est forcément la bonne couleur !... Question primordiale !

Posté
Dingue ça ! Encore un !

 

Mais il est totalement raté. Je m'explique !

La couleur est une question primordiale. Et primordiale ça signifie que si c'est pas avant, rien ne va plus.

Là je conseil vivement de recommencer en commençant par choisir la couleur.

Ca changera tout, le résultat n'aura rien à voir.

Et surtout pas rouge... malheureux... C'est pour les trucs dangereux le rouge!

 

 

Pour les trous aux joints, c'est bizare ma colle à bois a tout bouché...

Mais un peu de colle à bois avec de la sciure-ponçure et ça bouche.

J'en ai toujours un bon stock dans le sac de ma ponçeuse à bande. Et c'est forcément la bonne couleur !... Question primordiale !

 

Rouge Ferrari pour la frime...c'est pas dangereux !!!

 

Oui, la colle que j'ai utilisé (colle polyuréthane lègèrement expensive) du coup quand on eleve le surplus au cutter, reste des petits trous, et des fois la mousse fout le camp ça fait un vide.:confused:

 

J'ai trouvé une pate à bois à l'eau marque "Lubéron" en tube (pratique), déjà elle sent bon le cèdre, quant au résultat, patience, ça sèche...

Posté
Dingue ça ! Encore un !

 

Mais il est totalement raté. Je m'explique !

La couleur est une question primordiale. Et primordiale ça signifie que si c'est pas avant, rien ne va plus.

 

Euhhhhh....bon:b: je crois que je vais m'abstenir de montrer le mien:

- je risque d'etre la risée du forum quand on comparera avec les realisations soignées de Ratatouille, Hysot et les autres

- je risque le procés par Magnitude 78 pour "injure strockienne":be:

Posté

pareil : interieur à la peinture de table de ping-pong (j'ai fait avec ce que j'ai trouvé)

 

pour l'exterieur : c'est le plus dur dans la construction : le choix de la couleur !

 

si ton bois est super propre , pourquoi ne pas le vernir aussi ?

Posté

Non impossible de vernir ou lasurer, j'ai fait un test c'est moche.

 

Nous avons hésité entre rouge basque et bleu bretagne, le bleu l'a emporté.

Les haches seront noires pour donner du style.

 

Merci pour le tuyau de la peinture noire.

 

A+.

Archivé

Ce sujet est désormais archivé et ne peut plus recevoir de nouvelles réponses.

  • En ligne récemment   0 membre est en ligne

    • Aucun utilisateur enregistré regarde cette page.
×
×
  • Créer...

Information importante

Nous avons placé des cookies sur votre appareil pour aider à améliorer ce site. Vous pouvez choisir d’ajuster vos paramètres de cookie, sinon nous supposerons que vous êtes d’accord pour continuer.