Aller au contenu

Messages recommandés

Posté (modifié)

OK c'est cool alors.

Je vais sans doute décoller, si c'est possible, le couvercle de la glacière et faire passer les fils etc dedans avant de recoller. CE sera plus propre.

Autre chose. J'ai commandé et reçu cet interrupteur :

http://www.conrad.fr/ce/fr/product/700733/Interupteur-bascule-lumineux-rouge-OnOff-12-VDC-20-A-SCI-R13-112B8W/SHOP_AREA_17385

 

Il y a 3 plots en dessous, deux argentés, et un doré. Juste une indication 1 - 2 - 3 a coté de chaque plot. Je dois brancher mon câblage comment la dessus ?

D'ailleurs va falloir que je me trouve une scie cloche de 20mm moi.

Modifié par philming
  • Réponses 505
  • Créé
  • Dernière réponse

Les pipelettes du sujet

Les pipelettes du sujet

Images postées dans ce sujet

Posté

La borne "-" de la batterie. En électricité plutôt que de parler de bornes + et - on utilise plutôt la notion de potentiel électrique : La borne négative est à 0V, et la positive à 12V.

Posté

Selon mon montage, le fusible est juste avant l'interupteur. Je ne peux pas simplement brancher les bornes 2 et 3 sur le cable entre le fusible et le wago ?

Posté
Il existe des régulateurs intégrés, en voici un exemple : http://www.conrad.fr/ce/fr/product/156048/Rgulateur-de-Tension-L7805Cv-Stm-ST-Microelectronics-L7805CV/0204458

 

Ce régulateur permet d'avoir 5V avec une intensité maxi de 1.5A ; il ne coute pas cher, il est fiable et de petite taille.

Il y a par contre un inconvénient à cette solution : Imagine que ton appareil utilise 5V et 1A, alors la batterie va devoir débiter 1A sous 12V, sous 12W, pour une consommation "utile" de 5W, soit 7W ou 60% perdus sous forme de chaleur.

 

L'autre solution est d'utiliser un convertisseur buck, qui cette fois va transformer le 12V en 5V avec un très bon rendement (environ 5% de perdu lors de la transformation)

 

Donc pour résumer si il faut une tension dispo pour des petites intensités on peut prendre un régulateur intégré, si il faut pouvoir tirer au moins 1A il est préférable d'utiliser un convertisseur.

 

A titre d'info dans le powertank celestron ce sont des régulateurs ordinaires.

 

Convertisseur ou régulateur : n'existe-t-il pas des boîtiers sur lesquels on branche le 12V en entrée, et où on récupère 5V, ou 6V ou 9V ?

 

Louis

Posté
Selon mon montage, le fusible est juste avant l'interupteur. Je ne peux pas simplement brancher les bornes 2 et 3 sur le cable entre le fusible et le wago ?

 

La borne 3 sert à allumer le voyant, elle doit obligatoirement être reliée à la borne négative (le voyant est une led, avec une polarité) en continu.

Le voyant s'allumera quand tu fermera l'inter.

1 doit être relié à la borne + (par l’intermédiaire du fusible sur ton montage), et 2 au reste du montage par le wago.

 

Si tu ne veux pas utiliser le voyant alors tu utilises les bornes 1 et 2 pour remplacer l'inter de ton schéma, dans ce cas la polarité n'est pas importante.

Posté (modifié)
Convertisseur ou régulateur : n'existe-t-il pas des boîtiers sur lesquels on branche le 12V en entrée, et où on récupère 5V, ou 6V ou 9V ?

 

Louis

 

Tu veux dire les 3 tensions dispo sur 3 broches ?

La carte de Michelsonia permet de le faire (message #73), sinon tu prend 3 régulateurs ou convertisseurs, et tu les met dans une petite boite, ça reviendra moins cher mais il faudra faire le montage soit même.

 

Edit : Il y a une autre possibilité qui pourrait peut être te convenir, tu peux utiliser un seul régulateur, et un jeu de résistance pour sélectionner la tension que tu veux en sortie, tu sélectionnes la bonne tension avec un interrupteur à 3 positions.

Si cette solution t’intéresse je te ferais un schéma.

Modifié par Hans Gruber
Posté (modifié)

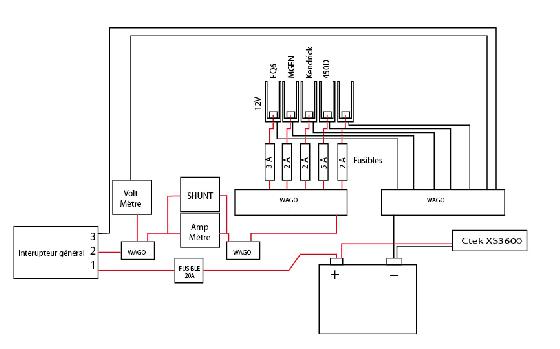
Comme ca alors ?

Je pensais que l'inter ne faisait qu'interrompre le courant sur la ligne, et qu'il ne faisais que s'intercaler sur la ligne, à l'endroit ou on veut couper...

 

10772-1350297961.jpg

Modifié par philming
Posté (modifié)
Comme ca alors ?

Je pensais que l'inter ne faisait qu'interrompre le courant sur la ligne, et qu'il ne faisais que s'intercaler sur la ligne, à l'endroit ou on veut couper...

 

10772-1350297961.jpg

 

Le schéma que je vois est correct.

L'inter vient bien s'intercaler sur la ligne principale, et il permet également d'alimenter le voyant.

Modifié par Hans Gruber
Posté
Tu veux dire les 3 tensions dispo sur 3 broches ?

La carte de Michelsonia permet de le faire (message #73), sinon tu prend 3 régulateurs ou convertisseurs, et tu les met dans une petite boite, ça reviendra moins cher mais il faudra faire le montage soit même.

 

Edit : Il y a une autre possibilité qui pourrait peut être te convenir, tu peux utiliser un seul régulateur, et un jeu de résistance pour sélectionner la tension que tu veux en sortie, tu sélectionnes la bonne tension avec un interrupteur à 3 positions.

Si cette solution t’intéresse je te ferais un schéma.

 

Chaque possibilité est intéressante, un schéma m'intéresse, cela permet de mieux comprendre

 

D'avance merci

 

Louis

Posté
Chaque possibilité est intéressante, un schéma m'intéresse, cela permet de mieux comprendre

 

D'avance merci

 

Louis

 

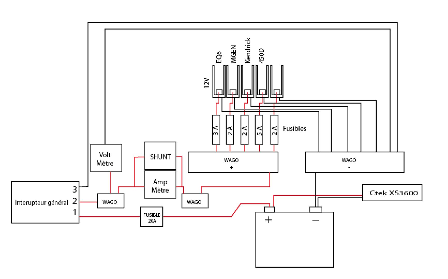
voici un petit schéma :

mini_164469NONAME0cr.jpg

 

Le principe est simple : Un 7805 est prévu pour délivrer 5V en sortie en se basant sur la référence (la patte du milieu). En utilisant un pont diviseur on lui fait "croire" que la référence n'est pas à 0V, et donc on peut lui faire générer la tension que l'on veux (entre 5V et la tension de la batterie, moins un peu).

 

Ici j'ai représenté un inter à 3 positions, mais il est possible d'utiliser aussi un commutateur rotatif avec plus de positions, pour avoir plus de possibilité.

Si on ne veux que 2 choix de tensions on peut aussi relier directement la résistance du bas entre la référence et le 0V, et placer l'inter à ses bornes (en le fermant on court-circuite la résistance, la référence devient donc 0V).

 

J'ai représenté 2 petits condensateurs de 100n en pointillé ; il faut les mettre si ce qui est branché en aval est un appareil électronique (pas besoin pour une résistance).

 

Pour calculer les valeurs de résistance il suffit d'utiliser la formule R = 200 * (tension désiré - 5) ; par exemple pour obtenir 9V on doit prendre une 200 * (9-5) = 800ohms (on prend la valeur normalisée la plus proche, soit 806 ohms).

Posté

Plus élégant non, c'est le même composant, mais prévu pour réguler à 1,2V par défaut.

J'ai conseillé un 7805 car en principe on a rarement besoin de tensions en dessous de 5V, par ailleurs le LM317T est un peu moins précis, car on part d'un facteur 1.2 au lieu d'un facteur 5 ; il est plutôt adapté pour être utilisé avec une résistance ajustable.

Posté

Ok, le projet avance bien.

J'ai reçu hier la nouvelle glacière, 13L, payée une 20aine d'euros sur Amazon.

J'ai percé les trous devant accueillir les prises 12V, et les ai mise en place.

 

10772-1350398159.jpg

 

vue intérieure :

 

10772-1350398179.jpg

 

le câblage en place, conformément à mon schéma.

 

10772-1350398198.jpg

 

Dans le couvercle que j'ai évidé, on peut voir le voltmètre (qui ne marche pas d'ailleurs, j'ai contacté le vendeur sur ebay pour un remplacement (faut pas de shunt ou similaire pour un voltmètre à priori n'est-ce pas ??)

 

Une vue des branchements sur les 12V, à l'aide de fiches plates.

10772-1350398226.jpg

 

Le couvercle avec l'interrupteur et le voltmètre

 

10772-1350398247.jpg

 

et le tout, fonctionnel, refermé.

 

10772-1350398269.jpg

 

Il ne me reste plus qu'a trouver une solution pour le voltmètre et de mettre en place l'Ampèremètre qui n'est pas encore arrivé.

Posté

pas mal ton montage.

 

Dans le couvercle que j'ai évidé, on peut voir le voltmètre (qui ne marche pas d'ailleurs, j'ai contacté le vendeur sur ebay pour un remplacement (faut pas de shunt ou similaire pour un voltmètre à priori n'est-ce pas ??)

 

Est ce que tu pourrais faire une photo de l’arrière du voltmètre, de façon à montrer les circuits ?

Posté

pas mal l'idée de la glacière mais n'as tu pas peur que l'anse soit trop fragile sous le poids d'une batterie?

 

pour mon montage j'utilise des speakons 4 points (ça existe aussi en 8!)au lieu de 2 comme toi ...

N'aurais tu pas été tenté de le faire pour éviter trop de câblages hors de ta boîte?

Posté
10772-1350402380.jpg

 

Ces imbéciles ont inversé le fil rouge et le fil noir : On peut voir que le rouge va vers la patte du milieu d'un composant à 3 broches, c'est un régulateur ; normalement tu devrais pouvoir y lire 78xx (surement 7805). La broche du milieu doit être reliée au 0V.

Le fil noir est relié à un composant référencé "D1", il s'agit (heureusement) d'une diode pour éviter les inversions de polarité.

Si tu inverses les fils ça devrait marcher.

Posté
Ces imbéciles ont inversé le fil rouge et le fil noir : On peut voir que le rouge va vers la patte du milieu d'un composant à 3 broches, c'est un régulateur ; normalement tu devrais pouvoir y lire 78xx (surement 7805). La broche du milieu doit être reliée au 0V.

Le fil noir est relié à un composant référencé "D1", il s'agit (heureusement) d'une diode pour éviter les inversions de polarité.

Si tu inverses les fils ça devrait marcher.

 

désolé mais je vois pas la meme chose!!

Rejoignez la conversation !

Vous pouvez répondre maintenant et vous inscrire plus tard. Si vous avez un compte, connectez-vous pour poster avec votre compte.

Invité
Répondre à ce sujet…

×   Collé en tant que texte enrichi.   Coller en tant que texte brut à la place

  Seulement 75 émoticônes maximum sont autorisées.

×   Votre lien a été automatiquement intégré.   Afficher plutôt comme un lien

×   Votre contenu précédent a été rétabli.   Vider l’éditeur

×   Vous ne pouvez pas directement coller des images. Envoyez-les depuis votre ordinateur ou insérez-les depuis une URL.

  • En ligne récemment   0 membre est en ligne

    • Aucun utilisateur enregistré regarde cette page.

×
×
  • Créer...

Information importante

Nous avons placé des cookies sur votre appareil pour aider à améliorer ce site. Vous pouvez choisir d’ajuster vos paramètres de cookie, sinon nous supposerons que vous êtes d’accord pour continuer.