Aller au contenu

Messages recommandés

Posté
très beau. J'aurai protégé les potentiomètres de réglage pour ne pas faire de fausse manip.

 

Merci Arthuss. Pour Les potentiomètres de réglage, g l'outil de réglage pour potentiomètres.

  • 2 semaines plus tard...
Posté (modifié)

C'est celle que fabriqué le 09/2013 juste avant le RAAGSO

la version 3 en cours de developpement.

Modifié par denis-mgt
Posté

En ce qui me concerne, j'ai arrêté l'usage des fiches BNC qui deviennent difficiles à démonter quand il fait froid. La dilatation rend leur déboitage compliqué. J'utilise maintenant des fiches jacks pour les accessoires (APN, Hub USB, moteur de MAP) et des fiches à visser pour les gros zinzins (bloc alim, monture). L'avantage c'est que j'utilise un seul diamètre (ou nombre de broches) par tension, comme ça aucun risque d'erreur.

Posté (modifié)
En ce qui me concerne, j'ai arrêté l'usage des fiches BNC qui deviennent difficiles à démonter quand il fait froid. La dilatation rend leur déboitage compliqué. J'utilise maintenant des fiches jacks pour les accessoires (APN, Hub USB, moteur de MAP) et des fiches à visser pour les gros zinzins (bloc alim, monture). L'avantage c'est que j'utilise un seul diamètre (ou nombre de broches) par tension, comme ça aucun risque d'erreur.

 

Difficiles à démonter quand il fait froid par la dilatation oui. C'est pour cela que je fabrique une version superieur avec un type de connecteur 12V au norme CE, avec une grosse modif du boitier et du circuit electrique

 

Il existe plusieurs type de connecteur avec X broche

 

Voici un exemple de broche db25. modif de la camera QHY8 avec boitier regulateur peltier

 

attachment.php?attachmentid=26955&d=1416092043

Modifié par denis-mgt
Posté

BNC ? Ce ne sont pas plutôt des fiches RCA ?

Je suis bien d'accord sur la nécessité d'utiliser des connecteurs mieux adaptés que ceux-là ou les prises "allume-cigare". Pour ma part, j'ai pris ça, même si c'est loin d'être bon marché, au moins, c'est vraiment conçu pour l'extérieur.

Posté (modifié)

Ce sont bien des fiches RCA difficile de faire passe 8 A pas prévu pour :micro: la théorie et la pratique ce sont de domaine différent.

Une 3°emme Version en cours de fabrication d'utilisation.

 

Fiches mâles RCA

Température d'utilisation -10 °C → +70 °C

Contacts Connecteur coaxial plaqué or

Embases femelles RCA

Courant nominal 1 A

Tension nominale 50 V

Résistance d'isolement 5 GΩ

Rigidité diélectrique 500 V

Résistance de contact 10 mΩ

Température d'utilisation -25 °C → +70 °C

Boîtier et contacts Laiton plaqué or

Modifié par denis-mgt
Posté (modifié)

J'ai utilisé des embases XLR. Trois broches pour l'EQ6 (une broche ne sert pas), 4 broches pour la liaison valise d'alim vers boitier de jonction (1 masse, 5 V, 8V et 12V). Ensuite sur le boitier de jonction a des fiches jacks.

 

J'ai aussi mis 2 variateurs dans mon boitier de jonction qui me font chacun de 0 à 12 V pour éventuellement alimenter une résistance chauffante et un ventilateur.

Modifié par Fred_76
Posté

Apres des essais concluants, je passe a un niveau supérieur.

a la fabrication de la 3emme Version

 

cahier des charges

Description du projet :

 

Le boitier peut délivrer jusqu'à 25A Max de puissance totale à l'équipement (monture, caméra, roue à filtre, moteurs de mise au point, résistances chauffantes, périphériques USB) dès lors que je brancherai sur une alimentation de 12V 300W 220V bien entendu ou bien une batterie 12V de VL. Elle est équipée de 4 alimentation indépendante réglables (par 4 potentiomètres) avec voltmètre numérique intégrer. affichage de 4 tensions, des alimentations indépendante.

Mesurer la consommation électrique globale, des systèmes.

Affichage de la consommation en Ampère à l'instant T. Et la consommation en Ampère heure total (connaitre l'autonomie de la batterie).

Affichage de la température et de l’hygrométrie. Connaitre le point de rosée (formation de buée par condensation sur les miroirs) activer une des alimentations par le biais d’un relais. Le principe est le suivant en allumant le module, calcul la température, l'hygrométrie. Si le point de rosée correspond à la température, met en route une des alimentations du régulateurs, de la résistance chauffante.

 

Caractéristiques techniques:

• Puissance: 25A Max.

• 2 Connecteur 12V DC 8A.

• 3 Connecteur 1V à 12V DC 1A Max.

• 1 Connecteur 12V DC 6A commandées par relais, permettant d'allumer et d’éteindre l’alimentation du régulateur de la résistance chauffante

• 5 commande on/off des alimentations indépendante.

• 1 Commande on/off du système de mesure.

• 1 Commande on/off général.

• 1 liaison PC USB

• 1 liaison capteur temperature + hygrometrie

  • 2 semaines plus tard...
Posté (modifié)
ça me donne des idées

 

Je pense que vais faire une caisse de terrain avec un récepteur GPS et un afficheur lcd rouge et comme toi des alims réglables tout ça avec un pic

 

Pour la première fois les CI seront fait par une société et je fais faire une série de 10 CI pour une commande.

 

schéma supprimer le 14/10/15 rectification de celui ci

Modifié par denis-mgt
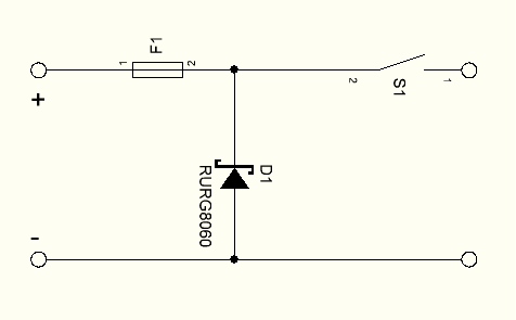
Posté (modifié)

Si les condensateurs de filtrage d'entrée sont éloignés des régulateurs (plus de 10cm) , il conviendra d'ajouter des condensateurs directement entre la borne d'entrée de chaque régulateur et la masse. Ces condensateurs auront une valeur de 10nF à 100nF s'il s'agit de céramiques, ou de 1uF s'il s'agit de tantales.

Modifié par denis-mgt
Posté
excusé ma question mais a quoi cela sert il ?

 

:b:

Cela sert à alimenter:

la monture equatorial; camera; hub USB; régulateur résistance chaufante; focuser; roue a filtre...

3 Sortie de 1 à 12V 1A

1 Sortie de 1 à 12V 6A

2 Sortie de 12V 8A

 

il existe plusieur types d'appareils: kendrick; hitecastro

Posté

bravo, c'est tres propre et tres pro

 

je me permet de te suggérer deux chite améliorations possible

puisque tu y est , intègre directement dans ton boitier un hacheur de de courant / potard et les sorties pour les résistance chauffante ;) puis puisque tu es si bien lancé, ajoute également dans ton boitier le HUB usb...

ça te fera comme les Mount hub pro, :rolleyes:

Posté
bravo, c'est tres propre et tres pro

 

je me permet de te suggérer deux chite améliorations possible

puisque tu y est , intègre directement dans ton boitier un hacheur de de courant / potard et les sorties pour les résistance chauffante ;) puis puisque tu es si bien lancé, ajoute également dans ton boitier le HUB usb...

ça te fera comme les Mount hub pro, :rolleyes:

 

Merci pour votre suggestion.

Tout commentaire est bon à prendre:be:

La Version 4 en cours d'etude.

Posté (modifié)
bonjour denis, dis moi tu les fait tirer tes cartes ?

 

Bonjour

les schemas + le fichier gerber oui c'est mois qui fabrique pour la version 3 le pcb est fabrique par une societe à SHENZHEN - Chine.Prix unitaire par circuit 18.066€ commande total de 12 pcb donc 4 alimentations. les pistes de 0.30mm minimium difficile:bang: de faire. Resultat non satisfaisant. C'est pour cela que je fais appelle a une société pour le gravage. rapide serieux http://www.safe-pcb.com:1010:

Modifié par denis-mgt

Rejoignez la conversation !

Vous pouvez répondre maintenant et vous inscrire plus tard. Si vous avez un compte, connectez-vous pour poster avec votre compte.

Invité
Répondre à ce sujet…

×   Collé en tant que texte enrichi.   Coller en tant que texte brut à la place

  Seulement 75 émoticônes maximum sont autorisées.

×   Votre lien a été automatiquement intégré.   Afficher plutôt comme un lien

×   Votre contenu précédent a été rétabli.   Vider l’éditeur

×   Vous ne pouvez pas directement coller des images. Envoyez-les depuis votre ordinateur ou insérez-les depuis une URL.

  • En ligne récemment   0 membre est en ligne

    • Aucun utilisateur enregistré regarde cette page.
×
×
  • Créer...

Information importante

Nous avons placé des cookies sur votre appareil pour aider à améliorer ce site. Vous pouvez choisir d’ajuster vos paramètres de cookie, sinon nous supposerons que vous êtes d’accord pour continuer.