Aller au contenu

Messages recommandés

Posté (modifié)

Bonjour,

 

J'avais comme objectif de me faire une valise qui cumulerait plusieurs fonctions :

- servir d'alimentation pour mon PC, ma monture (HEQ5), l'appareil photo et la webcam

- servir de rangement pour tout le matériel nécessaire à la photo longue pose (chercheur 9x50 + webcam d'autoguidage, Canon 1000D, filtres, MPCC)

 

Voilà c'est fait. Quelques images pour montrer.

 

J'ai encore la longueur des câbles à raccourcir histoire de les réduire au juste nécessaire et la position du Hub USB à affiner.

 

Dans la valise se trouve un bloc convertisseur 220V->12V 10A (un convertisseur pour écran LCD). Puis deux circuits à base de LM7808 et LM7805 pour faire du 8V et du 5V. Les 3 tensions sortent dans un seul câble souple 4 brins branché sur une prise de microphone. Le 12V sert à la monture, le 8V alimente mon 1000D et le 5V pour le HUB USB. Il me manque une fiche d'alim 2.35/0.7 mm pour alimenter mon netbook en 12V.

 

Un switch permet de passer de l'alimentation secteur à l'alimentation sur batterie extérieure. Je n'ai pas encore fait la protection contre l'inversion de polarité pour la batterie extérieure : aucun système ne semble la panacée... Je pense que je mettrais juste une LED avec un autre switch. Si la batterie est bien branchée, switch ouvert, la LED sera verte, sinon elle ne s'allumera pas. Si elle est verte alors je pourrais ouvrir le switch pour alimenter mon système.

 

J'ai encore à me bricoler un capôt rabattable (genre éventail ) en plastique transparent pour protéger le netbook de l'humidité.

 

Une boite de connection est fixée sur la HEQ5. Elle reçoit le câble général et permet de répartir ensuite le courant dans chaque appareil.

 

Il reste de la place dans la valise pour y ranger le netbook (un Asus 1001), le 1000D, le chercheur 9x50 équipé de la SPC900 (non modifiée), des filtres, la boite du MPCC, le joystick, le hub USB et les câbles. C'est un peu serré mais je vais gagner encore un peu de place car sous l'ordinateur c'est loin d'être rempli.

 

Voili voilou.

 

Fred

 

PS : en prime, une photo de mon poste d'observation qui intrigue fortement mes voisinnes... ;)

Modifié par Fred_76
Posté

Salut

 

Serait-il possible de mettre l'image du schéma avec une meilleure résolution, STP ?

 

Merci car ton montage à l'air intéressant.

Posté

Salut Fred,

On a presque (grosso modo) le même setup, et je voulais justement faire quelques trucs dans ton genre.

Aurais-tu plus d'infos sur ton convertisseur (prix, pieces...), et avec quelle batterie alimentes-tu tout ça ?

Posté (modifié)

Pour le convertisseur, c'est celui là.

 

Pour la batterie, Yannp29 m'a filé une 17 Ah que j'ai installée dans un Powertank de récup (il était HS). C'est un peu limite mais pour dépanner ça devrait le faire.

 

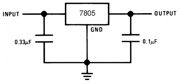
Pour les 5V et 8V, je me suis servi de ce type de schéma :

 

7805datasheet-730100.gif

 

Les composants ont été achetés chez Conrad et j'ai recyclé un gros radiateur de récup.

Modifié par Fred_76

Rejoignez la conversation !

Vous pouvez répondre maintenant et vous inscrire plus tard. Si vous avez un compte, connectez-vous pour poster avec votre compte.

Invité
Répondre à ce sujet…

×   Collé en tant que texte enrichi.   Coller en tant que texte brut à la place

  Seulement 75 émoticônes maximum sont autorisées.

×   Votre lien a été automatiquement intégré.   Afficher plutôt comme un lien

×   Votre contenu précédent a été rétabli.   Vider l’éditeur

×   Vous ne pouvez pas directement coller des images. Envoyez-les depuis votre ordinateur ou insérez-les depuis une URL.

  • En ligne récemment   0 membre est en ligne

    • Aucun utilisateur enregistré regarde cette page.
×
×
  • Créer...

Information importante

Nous avons placé des cookies sur votre appareil pour aider à améliorer ce site. Vous pouvez choisir d’ajuster vos paramètres de cookie, sinon nous supposerons que vous êtes d’accord pour continuer.