Aller au contenu

Messages recommandés

Posté

ensuite, A4988, avec le Vref à 0,8, mais sans microstep

Au repos = 2,7A

Tracking Sideral 2,7A

Avec des gotos à 800x sur les deux axes, on plafonne à 1,3A (oui, pareil)

 

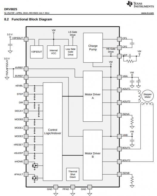
On passe aux drv8825

  • Réponses 187
  • Créé
  • Dernière réponse

Les pipelettes du sujet

Les pipelettes du sujet

Images postées dans ce sujet

Posté

Gaston's back in town.:m2:

Je pense avoir abîmé un des 8825 : c'est vraiment trèèèèès fragile.

Le potard semble pété, tant que je n'appuie pas un peu dessus, le moteur ne tourne pas. GGRRRRR

 

Sinon, ça consomme moins, forcement, mais ça tourne aussi beaucoup moins bien.

Les mouvements sont plus saccadés, je crois que j'ai pigé ce que vous vouliez dire un peu plus haut par "moins fluide".

C'est exactement ça.

Et je n'arrive pas à 800x, je plafonne à 125x, après on part sur des harmoniques (la rampe démarre, puis soudain ça ralentit d'un coup)

Je vais jouer un peu avec la config du firmware et bidouiller le Vref au pif (nombre de microstep, pas de microstep...)

Posté

Abandon des drv8825, je n'en tire rien de bon.

Retour sur les a4988

Je pense aller sur le forum Astroeq, mais faut que je documente un peu...

La, fatigué, dodo

Posté (modifié)

pour la documentation :

http://reprap.org/wiki/A4988_vs_DRV8825_Chinese_Stepper_Driver_Boards

ça regroupe pas mal d'infos sur les drivers.

 

Au passage, j'ai fixé un des moteurs.

Quelle galère de faire des trous aux bons endroits...

 

Edit :

Je me suis inscrit sur le forum AstroEQ, seul moyen d'accéder à la fonction "recherche" à priori (pas trouvé sans être connecté)

Pour info, il faut attendre que l'admin valide l'inscription, ça n'est pas immédiat.

Edit 2 : c'est qui la buse ? le bouton de recherche est en haut dans le menu...

Modifié par gehelem
Posté
Passionnante réalisation !

(ça coupe ton monologue aussi ;-) )

Merci Utopix

J'ai oublié:

J'ai un autre jeu de moteurs (nema11) qui consomment un peu moins.

Je vais sans doute aussi essayer avec ceux-là pour comparer

Posté

bonjour à tous,

 

avec le forum planté, j'ai passé un peu plus de temps sur la bricole :

C'est dingue le temps que ça me bouffe ce truc, je ne pensais pas être aussi accro.

L'expérience est instructive, faut que je me calme. :be:

 

Bref, petit CR d'avancement sur mon petit projet. Du bon et du mauvais.

 

Problème numéro 1 - résolu

La courroie qui saute.

J'avais fait une petite vidéo pour montrer aux copains.

On voit bien qu'elle saute régulièrement, ici à 800x

Il y a eu plusieurs diagnostics

  • irrégularité sur la grosse poulie (il semblait que ça sautait à chaque tour
  • Tension de la courroie
  • Impact du forum planté sur la matière noire des bobines des moteurs

"qFw52gw1ayo" via YouTube
ERROR: Si vous lisez ce texte, YouTube est hors-ligne ou vous n'avez pas installe Flash

Le truc qui m'a fait piger :

Lorsque que je mettais une charge (en empéchant l'axe de tourner à la main), ça sautait plus rapidement.

Donc c'était pas la poulie.

J'ai augmenté la tension de la courroie, et hop problème réglé.

 

 

Problème numéro 2

En suivi sidéral, le bruit du moteur RA n'est pas régulier.

J'entends bien que les "tic tic tic" sont plus des "tiiiiiic tic tic".

J'ai branché mon petit analyseur logique sur les pins du driver enable/step/dir.

Je ne retrouve pas cette irrégularité.

Prochaine étape : brancher l'oscillo sur les pins du moteur cette fois.

J'ai trouvé qq pistes, genre ceci qui me semble correspondre à ce que j'entends - à confirmer :

"Wf8rN3bV8XM" via YouTube
ERROR: Si vous lisez ce texte, YouTube est hors-ligne ou vous n'avez pas installe Flash

 

Problème numéro 3 - bidouillé

Sur windows, l'utilitaire AstroEQUploader permet de flasher le firmware ( et donc de se passer de flasher avec l'arduino IDE).

ça ne marchait pas sur linux : lors du lancement de la commande, ça sort une erreur.

J'ai soumis le point à Tom Carpenter sur le forum AstroEQ

https://www.astroeq.co.uk/forum/index.php/topic,221.0.html

Il m'a indiqué que son package était fait pour les machines 32 bits, ce qui expliquerait que ça ne marche pas complètement sur une machine 64 bits. Il va corriger ça mais en attendant j'ai bidouillé mon machin.

J'ai substitué l'exécutable AvrDude fourni dans le package par un lien symbolique sur celui installé via les PPA.

J'ai aussi dû remplacer le avrdude.conf.

(voir le lien).

Avec ça je peux flasher le firmware sans avoir à recompiler via Arduino IDE.

A noter : pas de problème coté windows de ce coté.

 

Problème numéro 4

Sur linux, lorsque je connecte la monture via indi control panel, ça prend 20 secondes avant que la connexion ne se fasse.

Par ailleurs, lorsque je lance le suivi sidéral, le premier coup le moteur ne s'enclenche pas : je suis obligé de lui secouer la pulpe en le faisant bouger avec un petit slew de rien du tout.

Ces deux points sont plus embêtants.

Je me suis lancé dans le décodage du protocole EQMOD avec mon petit analyseur logique;

J'ai l'impression que c'est un pb soft : il me semble que certaines commandes ne sont pas envoyées pendant l'initialisation, ce qui expliquerait que le premier mouvement demandé plante.

Sur windows aucun problème à priori (mais alors Ascom, quelle brouette ! :()

 

Là, je vais essayer de faire qq photos, surtout si j'arrive à voir quelque chose à l'oscillo

 

Gilles

Posté
Du coup, tes poulies tournent bien rond ?

Ah oui, ça elles tournent nickel de chez nickel.

 

NB - Je suis revenu aux DRV8825, c'est ce qui me donne le meilleur résultat :

Les A4988 permettent de fonctionner correctement aussi, mais je bloque sur cette histoire de consommation.

J'attends les xx2100, on verra ce que ça donne (et d'ailleurs c'est peut-être déjà cuit pour eux, il faudrait que les pins de config des micropas soient exactement les mêmes, je n'ai pas encore vérifié...)

 

NB2 - je suis monté à x1200 : Nickel aussi !

Faudrait une petite vidéo, c'est impressionnant à regarder tourner, hihihi

Posté

Tant mieux pour les poulies.

 

Pour les pins des TMC, qu'est-ce qui cloche ? C'est juste l'ordre des pins de configs qui change ? Suffit de se référer aux docs, et mettre les cavaliers aux bons endroits, non ?

Posté
Tant mieux pour les poulies.

 

Pour les pins des TMC, qu'est-ce qui cloche ? C'est juste l'ordre des pins de configs qui change ? Suffit de se référer aux docs, et mettre les cavaliers aux bons endroits, non ?

 

En fait, en creusant un peu la littérature AstroEQ, la config des micro pas est ajustée en live.

Pour le suivi lent, max de micropas, pour un goto à fond, moins de micropas (pour avoir du couple)

La config ne peut donc pas être forcée "en dur".

Il faudrait que les pins et valeurs de micropas des TCM correspondent exactement à ceux des DRV8825 ou A4988, car ce sont les seuls que AstroEQ connait.

Posté

bon,

à l'oscillo je n'arrive pas à interpréter quoi que ce soit.

Mais je ne sais pas trop comment mesurer en fait.

J'ai mis ma sonde au GND général de l'arduino, et je mesure sur une des sorties bobines moteur.

Je me demande s'il ne faudrait pas mesurer de chaque coté d'une bobine, plutot...

Suis paumé

Posté

Pigé pour la config micro-pas... Chiant, effectivement. Là, faut modifier le firmware (ça doit pas être sorcier, mais bon). Sinon, un petit PCB d'adaptation, en croisant les pins comme il faut.

 

Pour la mesure du courant, oui, il faut se mettre aux bornes des bobines. Mais attention, il faut faire une mesure différentielle, sinon, tu va faire un court-circuit (la masse de l'oscillo va se retrouver au VCC à chaque demi-alternance) !

 

Autre solution : prendre la tension aux bornes de la résistance de shunt ; à vérifier sur la datasheet, mais elle doit boucler à la masse, je pense. Vérifie, hein !

Posté

petite vidéo pour illustrer ce que je cherche :

"VxmVNLaZP3I" via YouTube
ERROR: Si vous lisez ce texte, YouTube est hors-ligne ou vous n'avez pas installe Flash

(il faut écouter, il n'y a rien à voir : c'est le moteur DEC qu'on voit...)

Le bruit aigu ressemble un peu à ce que fait mon EQ6 (et encore...), ce qui m'embête c'est le bruit plus grave, qui n'est pas régulier.

Posté
J'ai un autre jeu de moteurs (nema11) qui consomment un peu moins.

Je vais sans doute aussi essayer avec ceux-là pour comparer

 

Nema11 ? Tu ne vas pas aller loin... Y'a trop peu de couple.

Posté

Ce serait bien qu'on puisse voir tourner le moteur en même temps qu'on l'entend...

Posté
Autre solution : prendre la tension aux bornes de la résistance de shunt ; à vérifier sur la datasheet, mais elle doit boucler à la masse, je pense. Vérifie, hein !

 

À priori, c'est bon, la résistance de shunt va bien à la masse. Si quelqu'un d'autre veut confirmer ; je ne voudrais pas te faire faire de conneries...

5aa58437a40e3_Capturedcran_2017-09-02_10-44-54.jpg.64976a718021e866292af5d0587de396.jpg

Posté (modifié)
Pigé pour la config micro-pas... Chiant, effectivement. Là, faut modifier le firmware (ça doit pas être sorcier, mais bon). Sinon, un petit PCB d'adaptation, en croisant les pins comme il faut.

 

Pour la mesure du courant, oui, il faut se mettre aux bornes des bobines. Mais attention, il faut faire une mesure différentielle, sinon, tu va faire un court-circuit (la masse de l'oscillo va se retrouver au VCC à chaque demi-alternance) !

 

Autre solution : prendre la tension aux bornes de la résistance de shunt ; à vérifier sur la datasheet, mais elle doit boucler à la masse, je pense. Vérifie, hein !

 

Merci

Mesure différentielle : je vois pas trop

Je met la masse de ma sonde d'un coté d'une bobine, et la mesure de l'autre, c'est ça ?

Si je n'ai qu'une sonde, je me fous que sa masse soit sur le VCC du circuit, non ?

Du moment que je ne relie pas la masse de l'oscillo et celle du circuit, ça doit pas péter, non ?

Shunt : c'est la petite de rien du tout qui fait 0.1 / 0.2 ohm c'est ça ? pas facile avec mes gros doigts...

 

Edit : ajout de ""'une bobine"

Modifié par gehelem
Posté
Ce serait bien qu'on puisse voir tourner le moteur en même temps qu'on l'entend...

 

Bin en fait on ne voit rien : en sidéral c'est imperceptible.

Mais sinon je peux montrer le x1200 ! j'y vais.

Posté

Attention ! La masse de l'oscillo doit être à la terre, celle de l'alime de tes moteurs, peut-être aussi (si elle n'est pas double isolation), donc tu peux potentiellement faire un CC !!!

 

Le mieux c'est de te prendre la mesure sur la pin AISEN ou BISEN (la masse de l'oscillo doit être à la masse de la carte).

Posté

Purée, quel hachoir, ce DRV8825 !!! Quel bonheur, les TMC, à côté !

Posté
Attention ! La masse de l'oscillo doit être à la terre, celle de l'alime de tes moteurs, peut-être aussi (si elle n'est pas double isolation), donc tu peux potentiellement faire un CC !!!

 

Le mieux c'est de te prendre la mesure sur la pin AISEN ou BISEN (la masse de l'oscillo doit être à la masse de la carte).

Merci pour ton aide, je vais essayer cet après midi.

(faut que je les trouve sur le driver...)

Posté

Si je ne dis pas de conneries, ça doit être là où tu as mesuré la tension pour régler le courant...

Posté
Si je ne dis pas de conneries, ça doit être là où tu as mesuré la tension pour régler le courant...

Je crois que je vais m'y souder un petit fil pour pouvoir l'attraper avec la sonde...

Posté (modifié)

Sonde branchée sur ESIN ISEN A ou B je sais pas trop

En fait en suivi sidéral, c'est trop lent pour mon vieil oscillo...

Je n'arrive pas à voir ce qui se passse

"MvjZHNmYXXc" via YouTube
ERROR: Si vous lisez ce texte, YouTube est hors-ligne ou vous n'avez pas installe Flash

En haut c'est STEP, en bas c'est ESIN ISEN chose bidule

Ceci dit à x800, vers 12 secondes, on voit le signal ESIN ISEN qui est un peu bizarre

Modifié par gehelem
Posté

Tu synchronises bien sur la voie qui mesure le courant ? Pas sur le step ?

Posté
Tu synchronises bien sur la voie qui mesure le courant ? Pas sur le step ?

J'ai essayé les deux

Sur le step ça marche mais on voit rien coté courant, et sur le courant mon trigger perd la boule.

(ça se voit sur la vidéo)

Posté

Salut Gilles,

je viens de regarder ta vidéo à 1200X et bien je reste sur mon premier avis:

tu as un problème avec la grande poulie (ou VSF) et en augmentant la tension de la courroie tu juste camouflé le problème.

je peux me tromper car je vois qu'une video mais à sa vu et au bruit j'en suis convaincu :confused:

Posté
Salut Gilles,

je viens de regarder ta vidéo à 1200X et bien je reste sur mon premier avis:

tu as un problème avec la grande poulie (ou VSF) et en augmentant la tension de la courroie tu juste camouflé le problème.

je peux me tromper car je vois qu'une video mais à sa vu et au bruit j'en suis convaincu :confused:

Merci Patrice, je vais vérifier ça "avec un cure dent"

Posté

Un petit point d'étape sur mon projet

 

Driver TCM2100

J'ai reçu mes drivers, et entre temps j'ai épluché la doc.

Malheureusement, je ne vais pas pouvoir les utiliser tel quel, et même peut-être carrément pas du tout.

En effet :

Les 3 pins de config des micropas sont utilisés de façon bizzare.

Chaque pin peut prendre 3 valeurs !

  • GND, bon ok
  • VCC, oui, bien entendu
  • Floating, hein, quoi ? la logique floue ???

J'en reviens pas, c'est quoi ce truc ?

Si vous avez des billes, je prends

Ce qui m'inquiète, c'est que je ne pense pas que le montage de la carte permettra de configurer ces pins de cette façon.

J'aurais beau faire le meilleur firmware du monde, si le hard peut pas, y peut pas, non ?

En attendant, DRV8825, des poires et des scoubidous.

 

Linux

Toujours ennuyé avec trois trucs :

- le délai à la première connexion, ça met 10/15 secondes avant que le port série ne se secoue la pulpe. M'énerve.

- la régularité du suivi sidéral, le mouvement du moteur RA ne me plait pas (voir posts précédents).

- La phase d'init, le premier coup que je lance le suivi sidéral, ça part pas.

Le seul truc que j'ai creusé, c'est que je me suis dit que ça pouvait venir du bootloader de l'atmega.

Je l'ai donc mis à jour, c'est marrant à faire :

http://www.gammon.com.au/forum/?id=11633

30193-1504888862.jpg

Mais c'est un échec.

Je soupçonne la partie convertisseur série, assurée par un second Atmega.

Je vais creuser ça.

En toute transparence, je n'ai pas ces problèmes sous windows.

Sauf que je ne pourrai pas l'utiliser dans mon jardin (pas de pesticides :) )

 

Jeu dans la poulie

J'ai testé le truc du cure dent conseillé par PagPatrice, j'y vois rien, je sens rien...

Je pense que ça va rester comme ça jusqu'au premier test en vrai.

Si le suivi est dégueu, je saurai où chercher...

 

Bon. Il pleut. ça m'occupe.

Bon weekend à tous

Gilles.

 

Post-postum : un jour, peut-être j'arriverai à faire des photos.

Rejoignez la conversation !

Vous pouvez répondre maintenant et vous inscrire plus tard. Si vous avez un compte, connectez-vous pour poster avec votre compte.

Invité
Répondre à ce sujet…

×   Collé en tant que texte enrichi.   Coller en tant que texte brut à la place

  Seulement 75 émoticônes maximum sont autorisées.

×   Votre lien a été automatiquement intégré.   Afficher plutôt comme un lien

×   Votre contenu précédent a été rétabli.   Vider l’éditeur

×   Vous ne pouvez pas directement coller des images. Envoyez-les depuis votre ordinateur ou insérez-les depuis une URL.

  • En ligne récemment   0 membre est en ligne

    • Aucun utilisateur enregistré regarde cette page.

×
×
  • Créer...

Information importante

Nous avons placé des cookies sur votre appareil pour aider à améliorer ce site. Vous pouvez choisir d’ajuster vos paramètres de cookie, sinon nous supposerons que vous êtes d’accord pour continuer.