Aller au contenu

Messages recommandés

Posté
je vous tiens au jus.
Tiens bah moi j'ai greffé le nouveau 424, j'ai une image toute blanche quels que soient les réglages. Je décide dans un 1er temps de me pendre avec une nappe IDE pis je me ressaisis, je vérifie mes soudures, mon montage, tout est ok, je doute sur l'ampoff, je contacte directement les papattes 9 et 10 et le pad 8, oh miracle l'image s'assombrit comme il faut où il faut sous mon index. brefle j'ai un ampoff qui marche avec un 098 mais pas avec un 424. je retourne au même blèm qu'auparavant...

 

alors ce que je me dis c'est : avec un 424 les pattes 9 et 10, soit Vdd et SUBCIR, sont en contact avec le pad 8 en temps normal. Avec un 098 seule la Vdd est en contact avec le pad 8 (pas de subcir sur le 098). C'est la patte Vdd du ccd qui part vers l'ampoff donc je me dis qu'il faut, pour un 424, déssouder les pattes Vdd et Subcir, faire partir vers l'ampoff la patte Vdd SANS le Subcir qui lui va directement au pad 8.

 

Que j'me dis.

 

Pourtant Gibé je t'ai demandé wattmille fois si les 2 pattes partaient vers l'ampoff et tu m'a dit "vi, vi". Pourtant rien à faire : avec un 424 mon ampoff ne fonctionne pas.

 

poil aux oids.

 

[edit] ben nan c'est pas ça... Gibé, sur le faux rhum tu parles de la patte 12... t'en fais quoi de la patte 12 du 424 ?

 

bon, y'a du ciel, je vais me prendre la tête sur aut'chose :be:

Posté

Hum je vois que l'esprit 'pionnier' anime aussi ce post... :)

Continuez c'est très instructif !!

Tiens, la CEM, hum va falloir probablement que je

me penche aussi là-dessus... Gibé, ton zip risque de son

retrouver rapidement sur mon DD !! ;)

 

Albéric

Posté
Hum je vois que l'esprit 'pionnier' anime aussi ce post... :)
ouais sauf que nous on a un grand Gânâ protecteur avec nous...

 

il s'appelle Gibé. :be:

Posté

La patte 12 tu la relie au pad 10 ...

 

Les pattes 9 et 10 tu les relie ensembles, et au pad 8 déjà, tu vires l'ampoff ...

Ensuite, en le remettant, vérifies bien que d'un côté tu repars à la masse via le condo 10nF (idéalement tu place le condo en 10-11), et de l'autre coté à la zener.

 

Ton condo (non polarisé) en 6-7, il est bien à la masse côté 7, et fait bien 1000pF ??

 

 

>> Tien gégé, j'ai récupéré des talkie walkies ... j'ai un buzzer ... je vais faire mumuse !!

Posté
La patte 12 tu la relie au pad 10 ...
ok, rien à changer de côté là donc.
Les pattes 9 et 10 tu les relie ensembles, et au pad 8 déjà, tu vires l'ampoff ...
Vui donc là tout se passe correctement (lorsque pattes 9 et 10 reliées au pad 8 bien sûr).
Ensuite, en le remettant, vérifies bien que d'un côté tu repars à la masse via le condo 10nF (idéalement tu place le condo en 10-11), et de l'autre coté à la zener.
Pas de blèm non plus de côté là, j'ai un fil qui relie la sortie de la zener aux pattes 9 et 10 et l'autre côté du condo qui est relié à la masse. Quand tu dis 10 et 11 c'est les pattes 10 et 11 j'imagine donc je peux ajouter un contact entre 10 et 11 après le condo... ?
Ton condo (non polarisé) en 6-7, il est bien à la masse côté 7, et fait bien 1000pF ??
Oui...

 

En conclusion et si j'ai bien suivi, y'a aucune différence d'avec l'ampoff pour 098, mise à part connecter les 2 pattes au lieu d'une (en réception de la zener)...

 

Bon, elle est où ma nappe IDE que j'me pende...

Posté
... Quand tu dis 10 et 11 c'est les pattes 10 et 11 j'imagine donc je peux ajouter un contact entre 10 et 11 après le condo... ? Oui...

...

 

 

NON !!!

 

Tu mets le condos en 10 et 11 ! ... une papate du condo en 10 et l'autre papate en 11.

 

>> Eh ... psy !! ... ta ouebcam , tu la passes 5 minutes au micro-ondes, cha va la sécher ...

Sinon, essayes le chalumeau (tu sais, c'est comme un dromaludaire, mais avec une bosse :be:) ...

 

:p

Posté

Bonne nouvelle : y'a pu un pet de parasite, zero trace, nada, queue de chique, ça fait plaisir :). J'ai donc entièrement re-blindé l'intérieur de la cam en m'assurant de la qualité du contact (testeur) entre la masse du circuit, le ventilo, et le blindage. Bref une belle image bien propre avec un gain à 100%.

 

Oui donc la patte 10 et 11, bien compris, ça évite de tirer un fil entre le condo de l'ampoff et la masse. Donc aucun changement entre le 424 et le 098, juste les 2 pattes du capteur 424 à logiquement prendre en compte. Du coup j'ai de + en + de mal à comprendre pourquoi ça fonctionne avec l'un et pas avec l'autre, c'est strange quand même nan ?

Posté

Alors ... des pistes :

 

- inversion de la zener ?

- inversion du montage zener > condo (la zener à la masse et le condo au pad 8) ?

- mauvais branchement des transistors ?

 

... après ... pose une tof de ton motage steup !

Posté

J'ai essayé de faire du mieux que j'ai pu... c'est de la macro là...

 

(attention, l'ampoff est pas connecté là, j'ai un fil qui part des pattes 9 et 10, qui arrive à l'entrée de la zener et un autre qui repart de l'entrée de la zener et qui revient au pad 8.)

 

spc0039.bmp

 

spc0076.bmp

 

SPC.bmp

 

Si t'arrive à te débrouiller avec ça...

 

Bon, je vais tout bien revérifier, ça va bien finir par y arriver de diou.

 

tiens au fait j'ai pas reçu le mail...

Posté

Bon alors... mon histoire de vénèr zener...

 

donc j'ai dessoudé le montage cms, ressoudé le montage hybride cms/composants classiques (zener, transistors) puis ai constaté le même résultat, à savoir une image blanche qui bronche pas d'un iota lorsque l'on assombri le capteur ou que l'on baisse le gain (y'a guère que le réglage de luminosité qui fait qu'on passe du blanc au gris).

 

Je re-check mes transistors, pis allez, malgré mon interpretation du datasheet des transistors, j'inverse quand même l'émetteur et le recepteur, on sait jamais... pis nan, image blanche.

 

Je vire l'ampoff, soude une vénèr ,pardon , une zener directement entre le pad et le pin de chwâl, résultat (tous en coeur) : UNE IMAGE BLANCHE ! biennnnn !

 

Allez hop, soyons fou, j'inverse la zéner, on sait jamais au stade où j'en suis, résultat......... éh ouais, toujours la même.

 

Donc, je récapitule : une SPC ampoff burry ICX098 ça marche

une SPC ampoff burry ICX424 ça marche pas

 

Maintenant je peux tester tout ça sur la touc... on pourra en tirer des conclusions si le tiercé Touc ampoff burry ICX 424 fonctionne... A savoir trouver une nouvelle valeur pour la zéner sur SPC icx424... j'ai bon chef ?

 

Tiens d'ailleurs je vais envoyer un mail à môssieur Burry himself voir ce qu'il en pense.

Posté

Tiens j'vais tenter un changement de condo demain... 'me d'mande s'ils se sont pas plantés avec les cms...

 

poil au... menton.

Invité Rizza
Posté
C'est beau, quand même, un V12 Ferrarri!

 

Surtout quand le moteur est gonflé à bloc ;)

 

Y'a qu'à voir les durites et le kit au Protoxyde d'Azote que nous rajouté GIL31 sur son bolide.

Posté

Bon ben je confirme que la zener du montage Burry n'est pas la bonne pour un couple spc900/icx424. Après avoir bien pris le temps de tout revérifier, je n'ai rien trouvé d'anormal dans le branchement du 424, de toute façon s'il était mal connecté il ne fonctionnerait pas.

 

après avoir mailé Martin, voici sa réponse :

 

Hi Gildas,

> Betreff: still got a problem with the ampoff + spc + icx424...

>

> Hi Martin,

>

> After a lot of testing with my ampoff, I still have a problem :

>

> When the ampoff is connected to a SPC900 + icx098, it works.

> When the ampoff is connected to a SPC900 + icx424, it don't

> works and the result is a white screen who don't change if I

> darken the ccd or if I change the gain value.

White screen with AmpOff is strange - should be darkish if the circuit

provides a too low voltage

 

Does the cam work if you just bypass the AmpOff i.e. connect Pad-8 of the

original CCD with pin 9/10 of the 424 without Zener etc. ??? If not

something else is wrong.

La réponse à la question est : oui, la caméra fonctionne normalement lorsque le pad 8 est directement connecté aux pins 9 et 10...

>

> I've tried to connect the zener directly between the pad 8

> and the pin 9&10 of the ixc424 but I still have the white screen.

This is OK and should work if the rest is OK -

...sauf que ça marche pas mais que le reste est OK.

 

>

> A friend got a good result with a toucam+icx424+ampoff, so I

> wonder if the couple SPC+icx424 needs a new value for the

> zener... Have you an idea ? And which value then ?

Never heard this 6.2 .. 6.8 should be OK for this cam too.

I have an SC3 with the same AmpOff and it works ...

 

As mentioned above pls. check if the cam works without AmpOff circuit.

 

Martin

Donc je décide de m'attaquer à une nouvelle modif ampoff, celle avec la résistance de 220ohms entres le pad et les pins... Je soude directement la résistance pour voir et... ça marche !!! (je vous raconte pas la délivrance...) Par contre il faut gonfler la valeur de la résistance puisque l'ampoff est encore visible d'environ 50%, mais il a chuté presque d'autant...

 

Sur ce, je fais part à Martin des mes petites expériences, s'il peut me trouver une bonne valeur de zener ça peut être pas mal, sinon je me débrouille avec mes résistances.

 

Posté

Salut,

 

Après lecture du 2ème tome sur la CEM, j'applique les recettes et... j'obtiens une image dépourvue de parasite à 150%... impressionnant, plus clean tu peux pas. Je ne peux que conseiller l'achat de cet excellent bouquin pour qui souhaite faire le ménage.

 

Côté ampoff j'ai collé 2 résistances en série, ça me fais du 440ohms et j'obtiens un résultat sympa mais pas encore tip top comme j'aimerais. J'ai commandé des 470, 560 et 680 ohms pour tester différentes valeurs, je pense que la 560, voir la 680 devrait mettre la misère au préamp.

 

Quelques darks dont Mireille serait très fière :

 

là c'est 1mn sans ampoff sans peltier, gain à63 (100%) :

00_spc424_gain63_60s_PeltierOFF_AmpON.bmp

 

1mn, gain à 63 avec ampoff 440ohms et peltier :

02_spc424_gain63_60s_PelON.bmp

 

 

même chose avec 2mn et gain à 50 (env 90%):

05_spc424_gain50_120s_PelON.bmp

 

 

ça sent le début de la fin.... :).

  • 5 années plus tard...
Posté

Salut, Déterrage de post !!

 

J'ai le meme souci. l'amp off avec zener ne marche pas avec un 424 et toucam pro2, j'ai tout essayé, du coup j'ai fait la modif avec resistance de 220ohm qui marche

 

Mais je me pose une question, faut il envoyer un tension bias sur la pin 12 avec cette modif ?

 

merci,

 

Sam:confused:

Posté
Salut, Déterrage de post !!

 

J'ai le meme souci. l'amp off avec zener ne marche pas avec un 424 et toucam pro2, j'ai tout essayé, du coup j'ai fait la modif avec resistance de 220ohm qui marche

 

Mais je me pose une question, faut il envoyer un tension bias sur la pin 12 avec cette modif ?

 

merci,

 

Sam:confused:

 

 

  • Quand on diminue l'alim d'un CCD, on cherche à ramener le gain de l'ampli du capteur à 1. Mais chaque composant (ICX424, 414, 098, 618) à sa propre tension de seuil. A ta place plutôt que de mettre une valeur de zener "au hasard", j'utiliserai une resistance variable de 0 à 1kohm. Je chercherai le seuil de fonctionnement. Une fois trouvé, je mesurerais la tension d'alimentation du capteur. Je remplacerais le montage à resistance variable par un montage zener pour obtenir une tension d'alim supérieure ou égale à celle mesurée. Ne pas oublier de mettre une capa de 10µF + 100nF sur la broche d'alim du capteur pour stabilisé et découplé l'alim.
  • Par contre diminuer l'alim a des conséquences autres que de diminuer le gain de l'ampli. du coup on injecte une tension sur l'entrée bias, afin de maintenir le reste des fonctionnalités nominales. La nécessité de faire ou pas cette manip dépend de combien tu as diminué l'alim.

 

JL

Posté

Salut,

 

Merci de ta réponse,

eh bien c'est à peu près ce que j'ai fait. J'ai mis une résistance variable de 1ko et j'ai tourné jusqu'au fonctionnement limite du ccd. Puis j'ai laissé comme ça sans aucun autre composant. Faut que j'ajoute 2 condensateurs alors !ok je vais faire ça.

 

En tant normal, la tension d'alim du capteur est de 12.8v, et la tension du bias est à 7.8v

Lorsque je branche la résistance variable, la tension limite de fonctionnement du capteur est de 10.9v et la tension de bias en longue pose descend à 7V (soit 0.8v de différence entre amp on et amp off). Penses-tu que si j'injecte les 0.8v manquants il y aura une différence ?

 

 

merci

 

sam

Posté (modifié)
Salut,

 

Merci de ta réponse,

eh bien c'est à peu près ce que j'ai fait. J'ai mis une résistance variable de 1ko et j'ai tourné jusqu'au fonctionnement limite du ccd. Puis j'ai laissé comme ça sans aucun autre composant. Faut que j'ajoute 2 condensateurs alors !ok je vais faire ça.

 

En tant normal, la tension d'alim du capteur est de 12.8v, et la tension du bias est à 7.8v

Lorsque je branche la résistance variable, la tension limite de fonctionnement du capteur est de 10.9v et la tension de bias en longue pose descend à 7V (soit 0.8v de différence entre amp on et amp off). Penses-tu que si j'injecte les 0.8v manquants il y aura une différence ?

 

 

merci

 

sam

 

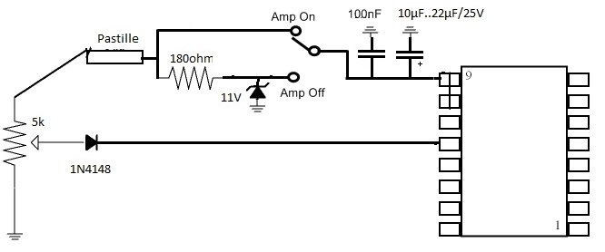
L'ICX424 est donné pour une tension d'alim de 15V et une conso max de 9mA.

Il est étonnant qu'en temps normal la tension d'alim soit de 12.8V....dans mes souvenirs la tension que j'avais mesuré était plutôt de 14.8V.

Bon c'est pas grave.

 

L'avantage de la zener par rapport à la résistance, c'est que la zener assure une tension constante indépendante du courant consommé. Ce n'est pas le cas de la résistance.

 

Il existe des zeners de 11V, compatible avec les 10.9V de fonctionnement du capteur. Pour calculer la de la résistance de polarisation de la zener, il faut appliquer la formule:

Rpolarisation = (Ventreé - VZener) / (Iconsommé_max * 1.1)

Rpolarisation = (12.8V - 11) / (0.009*1.1) = 180ohm

 

L'intérêt de la capa de 10...22µF/25V, c'est de filtrer d'éventuel variation de tension quand il y a un appel en courant.

La capa de 100nF sert à découpler le CCD pour ramener à la masse d'éventuels parasites.

 

Je ne pense pas que 0.8V révolutionne les performances...mais je pense que cette faible différence viens du fait que la tension d'alim de ton CCD est déjà basse (12.8V au lieu de 15V nominal).

 

attachment.php?attachmentid=21799&stc=1&d=1352187157

ICX424.jpg.2a4557a57cf8c333efbc6fc9d679fe8f.jpg

Modifié par Gandalf
Posté

Salut Gandalf,

 

Merci pour tes explications . Elles sont tres claires, je vais faire comme ça. Cela dit, c'est vrai que je trouve bizarre aussi de n'avoir que 12.8v.

Par contre, je n'avais pas encore vu ce schéma de montage sur le net, mais il me parait plus logique en ce qui concerne l'utilisation normale d'une zener.

 

Merci encore

 

Sam

Rejoignez la conversation !

Vous pouvez répondre maintenant et vous inscrire plus tard. Si vous avez un compte, connectez-vous pour poster avec votre compte.

Invité
Répondre à ce sujet…

×   Collé en tant que texte enrichi.   Coller en tant que texte brut à la place

  Seulement 75 émoticônes maximum sont autorisées.

×   Votre lien a été automatiquement intégré.   Afficher plutôt comme un lien

×   Votre contenu précédent a été rétabli.   Vider l’éditeur

×   Vous ne pouvez pas directement coller des images. Envoyez-les depuis votre ordinateur ou insérez-les depuis une URL.

  • En ligne récemment   0 membre est en ligne

    • Aucun utilisateur enregistré regarde cette page.
×
×
  • Créer...

Information importante

Nous avons placé des cookies sur votre appareil pour aider à améliorer ce site. Vous pouvez choisir d’ajuster vos paramètres de cookie, sinon nous supposerons que vous êtes d’accord pour continuer.