Aller au contenu

Messages recommandés

Posté (modifié)

Salut à tous !

Je suis en train de réflechir à la construction d'une box à jus pour mon matériel.

Pour le moment, j'utilise un booster noroto n900 (en promo actuellement au fait) pour la monture, et une batterie 45h pour le reste, à savoir :

- 2 résistances chauffantes (kendrick, une pour le secondaire du RC, une pour la lunette guide) couplées sur un variateur 2 bornes.

- Le lacerta Mgen

- l'alimentation du 450D

- Eventuellement mon ordinateur. J'ai un convertisseur 12v>magsafe, mais je fais super moyen confiance a ces trucs la. Surtout que je suis sur un Macbook Pro retina maintenant, j'ai pas envie de tout cramer. Qu'en pensez-vous ?

 

En l'état, j'ai deux pinces croco sur la batterie > prise femelle 12V > multiprise 12V > équipement.

 

J'aimerai avoir un truc un peu plus homogène, plus intégré, dans une glacière par exemple.

Du coup je suis en train de faire ma liste de shopping pour ça :

• La glacière ? Un truc pas cher ? Quelle contenance ?

• 4 ou 5 prises allume cigare a sertir

• un porte fusible sur chaque prise (quel fusibles prendre pour chaque équipement ?)

• j'aimerai avoir un truc qui me dise combien je tire sur la batterie, et un truc qui me donne l'état de charge.

Si quelqu'un peut me dire comment ça s'appelle et ou ca s'intercale dans le système ce serait sympa.

 

Je ne sais pas encore trop comment je vais brancher tout ça, j'essaye de m'inspirer des bricolages des uns et des autres trouvés ici mais c'est pas simple.

 

Ensuite la grande question est de savoir OU se fournir. Les grandes enseignes genre castotruc etc n'ont pas ce genre d'équipement, et les centres auto c'est hors de prix.

Je connais Conrad, mais y a t il d'autres magazins en ligne plus sympas niveau prix, choix etc ?

 

Merci à tous pour votre aide !

Modifié par philming
  • Réponses 505
  • Créé
  • Dernière réponse

Les pipelettes du sujet

Les pipelettes du sujet

Images postées dans ce sujet

Posté (modifié)

Alors moi j'en ai eu assez des Power tank, j'ai fait simple avec une batterie marine qui supporte mieux les décharges + 3 prises allume cigare + fusibles, le tout acheté chez GUERDIN spécialiste marine. je contrôle la charge avec un petit voltmètre allume cigare. Depuis plus de problème d'énergie sur plusieurs nuits même avec résistances chauffantes.

P1000597.thumb.jpg.1d4ea01f2a5146fc16a11677e7ff6a3c.jpg

P1000596.thumb.jpg.13a4a643f1b3e409c1814f7014388fd9.jpg

P1000592.thumb.jpg.ab47726e11f9ecdb4bcba54ff85aa68c.jpg

5aa5824254fd1_schma.jpg.706ccc1fbf131b2b1bc0cf4d0fccbb94.jpg

Modifié par JP60
Posté (modifié)

Merci pour ta réponse !

Je lorgne du coté des batteries gel.

Genre ca :

http://www.amazon.fr/Batterie-Décharge-Lente-DC27-105/dp/B005KJJDYA/ref=pd_sim_sbs_ce_2

 

Je trouve ca pas cher pour ce que c'est... Il y a un loup quelque part ?

 

Au fait, si quelqu'un pouvait me dire le nom de ces cadrans a aiguilles qui permettent de connaitre l'état de tension / consommation d'une batterie...

Modifié par philming
Posté

je lorgne aussi du côté d'une alim autonome

pour :

Moteur ad et dec

ordi

et allume cigarettes !!

par contre 115 € la batt ?? est ce qu'une batt classique de voiture conviendrait?

Posté

Au fait, si quelqu'un pouvait me dire le nom de ces cadrans a aiguilles qui permettent de connaitre l'état de tension / consommation d'une batterie...

 

En fait le terme est plutôt "galvanomètre".

Tu peux choisir d'en mettre 1 pour la tension et un pour l'intensité, ou un seul avec un petit commutateur (pour passer sur I ou V).

 

Pour la tension il est préférable d'utiliser un voltmètre digital, car la tension d'une batterie évolue très peu, sauf quand elle est totalement déchargée (et alors il est trop tard, la batterie a pris une méchante claque). Un appareil à aiguille ne servira donc pas à grand chose.

Si tu utilises un afficheur numérique il faut bien prendre garde à en utiliser un qui ne nécessite pas d’alimentation séparée, comme celui ci : http://www.conrad.fr/ce/fr/product/134473/Afficheur-de-tension-LCD-1999-V/1105510&ref=list

Posté (modifié)
En fait le terme est plutôt "galvanomètre".

[/url]

 

le galvanometre c'est juste un afficheur a aiguille, il sert a realiser voltmetres, amperemetres, ohmetres..... tout depend su circuit que l'on met devant 'shunts...)

 

un galvanometre n'est pas un instrument de mesure , juste un afficheur qui indique un courant. par ex une tension donnée sur une resistance provoque un courant, en choisissant la resistance pour que le galvanometre indique une tension maxi, on sait en deduire toutes les tensions inferieures qui n'amenent pas l'aiguille en butée. (en continu c'est linéaire).

 

c'etait juste une petite précision :)

Modifié par achille11
Posté

Merci à tous pour ces infos ! J'ai passé une commande chez Conrad avec du cable, des prises 12V, des porte fusibles plats, etc.

Il me reste plus qu'a trouver une glacière a pas cher (pas évident en cette saison :-/)

Posté
le galvanometre c'est juste un afficheur a aiguille, il sert a realiser voltmetres, amperemetres, ohmetres..... tout depend su circuit que l'on met devant 'shunts...)

 

un galvanometre n'est pas un instrument de mesure , juste un afficheur qui indique un courant. par ex une tension donnée sur une resistance provoque un courant, en choisissant la resistance pour que le galvanometre indique une tension maxi, on sait en deduire toutes les tensions inferieures qui n'amenent pas l'aiguille en butée. (en continu c'est linéaire).

 

c'etait juste une petite précision :)

 

L'auteur a demandé le nom de l'afficheur qui permet de connaitre la tension/consommation d'une batterie, donc la réponse la plus adapté est le galvanomètre qui permet de faire les 2.

 

A la base tous les galvano sont des instruments de mesure, ce sont tous des microampèremètres, en ajoutant une résistance en série de grosse valeur on le transforme en voltmètre, en ajoutant une résistance en parallèle de faible valeur on le transforme en ampèremètre.

 

Les voltmètres à aiguille que l'on trouve ne sont en fait rien d'autre que des galvano où une résistance adaptée a été mise en série.

Posté

Pour la glacière vous prendriez quoi comme modèle ?

Je regardes sur amazon, mais j'ai du mal a me rendre compte du volume que ca fait. Disons que pour bien faire, j'aimerai limiter l'encombrement au maximum...

Posté

Pourquoi ne pas acheter directement un bac à batterie? Moins couteux qu'une batterie et dimensions optimisées!

Posté (modifié)
Ah bah oui, pas bête...

Tu as un site avec des frais de port interressants ou trouver ca ?

 

alors moi je l'ai acheté chez Guerdin, j'habite à coté, mais ça doit pouvoir se trouver facilement. et ou tu as commandé ta batterie?

j'en ai vu sur Ebay à 7,90 euros

 

regarde aussi chez Distri Marine, j'ai le même bac avec la sangle.

http://distrimarine.com/category.php?id_category=190087

Modifié par JP60
Posté (modifié)

Je viens de leur commander la même boite que toi. Mais sur leur ebay, les fdp sont moindres ;-).

je vais commencer a faire le shéma électrique, histoire de valider tout ça avant montage.

Genre le voltmètre et l'ampèremètre, je dois les brancher ou si je parts sur la base de ton schéma à toi ?

 

Edit. Ah mince. pour l'ampèremètre il est indiqué :

 

Measuring Range: DC0-50A(connect with 50A/75mV shunt) Does not include

Does not include Shunt

 

Ca veut dire quoi exactement ? Qu'est-ce qu'il me manque au juste ?

Modifié par philming
Posté

Ça veux dire qu'il faut utiliser un shunt qui produit 75mV quand l'intensité qui le parcourt est de 50A, car (comme je l'expliquais plus haut) à la base tu as juste un galvano, qu'il faut adapter pour faire ta mesure.

Posté
L'auteur a demandé le nom de l'afficheur qui permet de connaitre la tension/consommation d'une batterie, donc la réponse la plus adapté est le galvanomètre qui permet de faire les 2.

 

A la base tous les galvano sont des instruments de mesure, ce sont tous des microampèremètres, en ajoutant une résistance en série de grosse valeur on le transforme en voltmètre, en ajoutant une résistance en parallèle de faible valeur on le transforme en ampèremètre.

 

Les voltmètres à aiguille que l'on trouve ne sont en fait rien d'autre que des galvano où une résistance adaptée a été mise en série.

 

tu dis exactement ce que j'ai dit mais tu le dis mieux ;)

 

le galvanometre n'est pas un instrument de mesure TEL QUE . c'est un cadre mobile qui bouge au passage d'un micro courant. tu genere le micro courant comme tu veux, soit une tension qui genere un courant avec une resistance, soir un pont de shunts pour reduire un courant.

 

mais on est d'accord sur tout :)

Posté

ok je comprends merci pour ces explications. Mais en pratique ca donne quoi? Sachant que je compte placer l'ampèremètre et le voltmètre sur le général (avec le cumul de tous les instruments branchés) pour l'ampèremètre, et que ma batterie est une 45Ah / 330A (env) (c'est ce qui est écrit sur la batterie)...

Dois-je comprendre qu'il faut que le shunt soit différent en fonction de la batterie ? (75mv pour 50A, 150mV pour 100A, etc ?)

Merci pour votre patience, l'électricité c'est vraiment pas mon fort. :-/

Posté

Pour le moment je brancherais dessus :

 

• 2 résistances chauffantes reliées à un contrôleur :

http://www.teleskop-express.de/shop/product_info.php/language/en/info/p4669_Hitecastro-Kontrollbox-fuer-2-Heizmanschetten---beheizte-Taukappe.html

 

• un lacerta MGEN

http://www.teleskop-express.de/shop/product_info.php/info/p4173_Lacerta-MGEN-stand-alone-auto-guider-NO-PC-required---Version-2.html

 

• Une alimentation externe pour EOS 450D

http://www.teleskop-express.de/shop/product_info.php/info/p2555_12V-power-supply---3-meter----Canon-450---500---1000-D.html

 

• Eventuellement mon EQ6 + une prise de rab pour la monture d'un copain s'il est en galère (je branche l'eq6 sur un booster noroto, je ne sais pas pourquoi mais je préfere séparer l'alim de la monture du reste...)

 

• Eventuellement mon ordinateur (un Macbook Pro Retina) via un transfo 12V>Magsafe, mais ce serait vraiment au cas ou, je ne l'ai jamais utilisé sur le terrain pour le moment.

 

• J'ai commandé un chargeur Ctek chez Conrad, possible que je le laisse branché en permanence, histoire de tout concentrer dans la boite si c'est possible.

Posté (modifié)

A vue de nez je dirais que les resistances vont consommer 1A chacune, 2A par monture, l'alimentation pour EOS doit surement consommer peu, on peut prendre 1A, le lacerta je ne sais pas du tout mais j'imagine que ça doit consommer quelques watts, on peut prendre 1A, et pour alimenter le mac je ne sais pas non plus, mais je pense qu'il faut dans les 3 ou 4A.

 

Ça fait un total de 8A, donc il faudrait prendre un appareil avec une gamme de mesure de 10 ou 15A, par exemple celui ci : http://www.conrad.fr/ce/fr/product/077805/Galvanomtre-15-A-DC

 

Et pour mesurer la tension celui là : http://www.conrad.fr/ce/fr/product/077807/Galvanomtre-15-V-DC

 

Comme je l'expliquais un peu plus haut la tension ne va pas beaucoup bouger tant que la batterie est chargée, donc tu ne verras pas grand chose sur un appareil à aiguille.

 

Une autre solution peut consister à utiliser un afficheur numérique qui aura une meilleure sensibilité : http://www.conrad.fr/ce/fr/product/1...05510&ref=list

Modifié par Hans Gruber
Posté
Regardes les liens ebay que j'ai posté plus haut. C'est ce que j'ai commandé...

 

Je n'avais pas vu ces liens. Oui ça conviendra très bien.

Donc le voltmètre doit être branché aux bornes de la batterie, éventuellement derrière un coupe circuit si tu ne veux qu'il soit allumé tout le temps.

 

L’ampèremètre doit être branché sur un des fils de la batterie, mais attention de ne surtout pas oublier le shunt, sinon tu vas le satelliser. Le vendeur a le modèle qu'il te faut ici: http://cgi.ebay.fr/50A-75mV-DC-current-shunt-resistor-for-amp-Amperemetre-Panneau-ampere-metre-/230817606248?pt=FR_YO_MaisonJardin_Bricolage_ElectroniqueComposants&hash=item35bdcd2a68

 

Voici un petit schéma:

mini_922795IMGP0513.jpg

Posté (modifié)

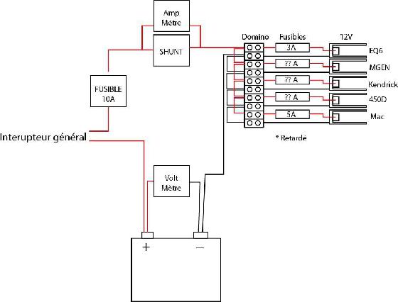
Voila le schéma de reccordement que j'envisage.

C'ets bon o je fais tout cramer comme ca ?

 

10772-1349551069.jpg

 

Dans le cas ou je voudrais une diode de fonctionnement il faudrait que je la colle ou ? Juste après l'interrupteur je suppose ?

Modifié par philming
Posté

Oui c'est très bien, il y a juste le voltmètre que tu devrais mettre après l’interrupteur, sinon il restera allumé en continu et pompera sur la batterie pour rien.

 

Si tu veux une led tu la branche exactement comme le voltmètre, attention de prendre une led prévue pour être branchée sur du 12V (elle contient une résistance en série), si c'est une led standard tu lui ajoutes une résistance de 1k en série.

Posté

OK merci je vais revoir le schéma et le reposter demain avec la correction.

Reste a savoir quels fusibles coller pour protéger tout ca...

Rejoignez la conversation !

Vous pouvez répondre maintenant et vous inscrire plus tard. Si vous avez un compte, connectez-vous pour poster avec votre compte.

Invité
Répondre à ce sujet…

×   Collé en tant que texte enrichi.   Coller en tant que texte brut à la place

  Seulement 75 émoticônes maximum sont autorisées.

×   Votre lien a été automatiquement intégré.   Afficher plutôt comme un lien

×   Votre contenu précédent a été rétabli.   Vider l’éditeur

×   Vous ne pouvez pas directement coller des images. Envoyez-les depuis votre ordinateur ou insérez-les depuis une URL.

  • En ligne récemment   0 membre est en ligne

    • Aucun utilisateur enregistré regarde cette page.

×
×
  • Créer...

Information importante

Nous avons placé des cookies sur votre appareil pour aider à améliorer ce site. Vous pouvez choisir d’ajuster vos paramètres de cookie, sinon nous supposerons que vous êtes d’accord pour continuer.