Aller au contenu

Messages recommandés

Posté

Bonjour à tous.

 

J'aimerai  transformer mon focuseur actuel en un focuseur motorisé wifi. J'ai parcouru le forum pour avoir des informations, mais, je n'ai trouvé que la version motorisé, très élaborée, sans possibilité de wifi.

En fouillant sur la toile, j'ai déniché ce projet que l'on peut, enfin  peut être, détourner pour ce montage.

https://climbers.net/sbc/esp-wifi-stepper-motors-controller/

Je demande aux spécialistes du forum, est ce une solution possible? Surtout pour ceux, qui comme moi, sont loin de maîtriser ces technologies.....

 

Christian.

Posté

Salut,

 

Pour faire simple, oui.

Je bosse dessus depuis 3 mois quand j'ai un peu de temps et ça remplace largement un arduino:

-plus puissant.

-possibilité d'en faire un serveur Web + serveur tout court pour écouter les sockets.

-surement pas mal de trucs encore mais pour mon usage, j'irais pas plus loin.

 

Là j'en suis à la mise en boite du focuser wifi, j'essaye d'imprimer un boitier multifonction pour ranger le bébé avec les poulies courroies (d'ailleurs, c'est ça le plus chronophage).

Grosso modo:

-j'alimente l'esp nodemcu/driver/moteur pas à pas

-si pas de config par défaut (led bleu) -> on se connecte sur un SSDI temporaire

-config ok (mise en réseau de l'esp->on se connecte sur le nouvel SSID) ->led rouge -> en attente de commandes via un pc distant en utilisant simplement des paquets UDP pour le protocole.

-commandes reçues, la led passe au vert qui signale la mise sous tension du driver.

 

J'envoie les commandes de n'importe quel pc à l'esp via un client dev sous windows (avec vitesse moteur, avancer/reculer et mise en veille du driver pour éviter la chauffe).

Plus de fils, juste l'alim à brancher.

Pour ASCOM, le client coté PC devrait pouvoir le gérer vu que l'esp ne sert que de pilote pour le moteur.

 

Pour moins de 3€, ça vaut vraiment le coup (https://fr.aliexpress.com/item/NodeMcu-Lua-WIFI-Internet-of-Things-development-board-based-ESP8266-module/32367355945.html),

 

Je ferais une petite maj sur mon site pour expliquer le processus avec les codes dans la foulée.

 

 

Posté (modifié)

Bonsoir FS2,

Dans un premier temps, je souhaite une solution simple, juste la possibilité de faire une mise au point précise sans faire bouger l'optique, donc micro pas et wifi en passant par une tablette ou un smartphone.

 

@ Greg34

C'est exactement cela...... mais pour moi, l'électronique, la programmation, les notions de robotique, c'est un peu hard..... Je suis très intéressé par ton projet, est il proche de celui du lien de mon message, est il possible de moduler les pas.

Modifié par dranilc450
Posté
Il y a 7 heures, dranilc450 a dit :

Dans un premier temps, je souhaite une solution simple, juste la possibilité de faire une mise au point précise sans faire bouger l'optique, donc micro pas et wifi en passant par une tablette ou un smartphone

 

C'est jouable en créant l'interface web qui pilote les GPIO mais je trouvais plus pédagogique de faire l'appli smartphone directement histoire de se remettre un peu dans la prog.

Il y a 7 heures, dranilc450 a dit :

C'est exactement cela...... mais pour moi, l'électronique, la programmation, les notions de robotique, c'est un peu hard..... Je suis très intéressé par ton projet, est il proche de celui du lien de mon message, est il possible de moduler les pas.

 

Là j'ai pris des A4988 comme driver avec la possibilité de faire du micro pas (1/16 max).

D'autres drivers peuvent faire du 1/32 mais bon avec une poulie et en jouant avec les démultiplications et sans rentrer dans les théories matheuses, on devrait arriver à quelque chose d'assez fin.

Mais bon, comme on disait sur un autre fil, le plus dur, c'est pas l’électronique, c'est plutôt la mise en forme du projet.

Comment positionner tout ça sans modifier/démonter et que ça reste modulable...(j'ai bien une petite idée que je vais tenter le weekend prochain).

  • Merci / Quelle qualité! 1
Posté
il y a une heure, Greg34 a dit :

D'autres drivers peuvent faire du 1/32

Attention : les micropas ne servent à rien sur un focuseur car le moteur s'arrête forcément sur un pas entier.

La précision dépend uniquement du nb de pas du moteur, et pas du tout du driver

Posté (modifié)

Bonjour Gehelem,

 

Merci pour cette information importante. Cela veut il dire que ce type de moteur est parfaitement compatible et suffisant:

Moteur pas à pas Nema 17 48mm 1.7A 0.9° 400pas

Dans ce cas, il est nécessaire d'utiliser  une interface  poulies courroies.

Modifié par dranilc450
Posté
il y a 7 minutes, dranilc450 a dit :

Bonjour Gehelem,

 

Merci pour cette information importante. Cela veut il dire que ce type de moteur est parfaitement compatible et suffisant:

Moteur pas à pas Nema 17 48mm 1.7A 0.9° 400pas

c'est largement surdimensionné

ça c'est suffisant:

https://fr.aliexpress.com/item/1-pcs-5-v-4-Phase-Pas-Pas-Moteur-Pas-Pas-Pilote-Conseil-ULN2003-avec-lecteur/32884099897.html?spm=a2g0w.search0204.3.1.4ace9bedXlvC5B&s=p&ws_ab_test=searchweb0_0,searchweb201602_5_10065_10068_10843_10059_10884_10887_10696_100031_310_10084_10083_10103_451_10618_10304_10307_10820_10821_10302_526,searchweb201603_45,ppcSwitch_5_ppcChannel&priceBeautifyAB=0

 

Posté

Oui mais attention aux petits byj avec réducteur: les engrenages entrainent un backlash important

(Que certains drivers savent compenser...)

Posté

faut pas oublier qu'il est déjà démultiplié, alors avec une petite poulie (+ courroie) ça le fait 

à noter que le Nema 17 nécessite un driver (easydriver ou autre)

Posté
Il y a 11 heures, gehelem a dit :

Attention : les micropas ne servent à rien sur un focuseur car le moteur s'arrête forcément sur un pas entier.

La précision dépend uniquement du nb de pas du moteur, et pas du tout du driver

Sauf s'il reste sous tension.

Par contre, je suis mal barré, j'avais pris un nema14 à 200 pas en terme de pas c'est loin d'être le top.

Je continue le support le weekend prochain et je ferais des tests ,pour le moment mécaniquement, j'ai juste installé une poulie 48 dents sur le nema et la courroie ira sur la partie démultipliée du PO .

 

 

Il y a 7 heures, gerard33 a dit :

 

J'avais pensé aussi à ce modèle mais il faisait un peu plastique du coup (je sais pas pourquoi) je suis parti sur un nema14 mais avec le recul et vu la différence de taille, j'aurais dû prendre un 17.

 

Posté
il y a 13 minutes, Greg34 a dit :

Sauf s'il reste sous tension.

Je n'en suis pas du tout convaincu, et ce n'est pas ce que j'ai compris jusqu' à présent...

Tu as des infos ??

Posté (modifié)

Après c'est peut être moi qui ai loupé un truc.

Je te ferais une vidéo avec mon super phone du pas que j'arrive à avoir en 1/16  et le degrés de précision obtenu ce weekend (suis plus à la maison là).

Par contre, une fois le driver mis hors tension, il reprend son pas mécanique le plus proche.

 

https://wiki.mchobby.be/index.php?title=A4988

 

1/4= 800 pas

1/16 = 3200 pas (config actuelle de mon driver)

 

Mon nema14 tourne en principe sur du 5,4V, je lui ai balancé 9V et j'ai joué avec le vRef du driver pour limiter le courant histoire de gagner en vitesse.

Pas de chauffe coté moteur et driver...par contre je l'alimente avec un régulateur linéaire réglable et vu la différence de tension forcement, il a tendance à chauffer un peu...

Du coup, j'ai commandé un petit module à découpage qui se prêterait plus à l'expérience.

 

 

Modifié par Greg34
Posté

Merci pour vos commentaires.

Je dispose actuellement de ce type de moteur:

https://www.firstlightoptics.com/astronomy-cables-leads-accessories/skywatcher-auto-focuser.html

Je n'ai pas de renseignement concernant ce moteur, pas à pas, micropas, tension d'alimentation, couple. Actuellement, je constate que ma mise au point n'est pas assez précise et que le cordon a une incidence sur la stabilité de la lunette, d'où ce projet. Mais est il compatible?

Concernant les moteurs pas à pas, j'ai trouvé ce commentaire sur la toile:

MICROPAS Le micropas est une technologie relativement nouvelle pour les moteurs pas à pas, qui contrôle le courant dans l'enroulement à un degré qui subdivise davantage le nombre de positions entre les pôles du moteur. Les entraînements Omegamation à micropas sont capables de diviser un pas complet (1,8 °) en 256 micropas, résultant en 51 200 pas par tour (0,007 °/pas). Le micropas est généralement utilisé dans les applications nécessitant un positionnement précis et un mouvement sans à-coups sur une large plage de vitesses. Comme le mode demi-pas, le micropas fournit environ 30 % moins de couple que le mode pas complet. 

Est ce applicable au moteur que j'ai déjà ou faut il un Néma17.

Néma17

MOTEUR DEUX FOIS PLUS PRECIS

  • 400 pas par tour ( 0.9 ° / pas) FULL STEP
  • 2 Phase bipolaire 4 fils
  • Tension nominale 2V DC jusqu'a 36V
  • Courant 1.68A de courant
  • Diamètre de l'arbre : 5 mm / 0,188 " ( 3/16" )
  • Longueur de l'arbre : -- mm
  • Couple : 0.44N.m
  • La profondeur du moteur: 48mm 

 

Christian.

Posté
Il y a 2 heures, gerard33 a dit :

n'est-ce pas 7.4?

 

 

Tu me mets un doute du coup, je crois que c'est bien un 5,4V.

Il y a tellement de version pour les séries en 14:

HTB1YI9cFVXXXXb6aXXXq6xXFXXXI.jpg

Il y a 1 heure, dranilc450 a dit :

Merci pour vos commentaires.

Je dispose actuellement de ce type de moteur:

https://www.firstlightoptics.com/astronomy-cables-leads-accessories/skywatcher-auto-focuser.html

Je n'ai pas de renseignement concernant ce moteur, pas à pas, micropas, tension d'alimentation

La tension est celui de la pile (9v je crois) et le moteur est un moteur CC à 2 poles. 

Pas de gestion de pas avec ce moteur mais je l'avais avant sur mon ancien tube et il allait bien.

Après même un nema17 va être dur à adapter, va falloir tout refaire, support, drivers, alim....bref ça n'a plus rien à voir.

 

 

Posté (modifié)

@ Greg

 

J'en suis conscient, et comme je ne maîtrise pas ces techniques, cela risque d'être un peu hard.......mais je suis tenace. J'ai commencé à faire la biblio ( c'est pas le plus difficile)..... j'ai trouvé pas mal d'info sur la construction de petit robot, mais je bute sur la connexion du module wifi. Après, vient le code, c'est là que cela se corse.....

J'avais déjà regardé sur le forum un autre projet sur la motorisation d'un focuseur, mais sans l'option wifi. Peut on partir de cette base et ajouter l'option.

https://www.webastro.net/forums/topic/158684-motorisation-po-avis-aux-bricoleurs/

 

Modifié par dranilc450
Posté

Oui, on pourrait remplacer l'arduino par un esp.

Après, si t'es patient je mettrais tout en ligne par la suite donc tu auras juste à faire un copier/coller et je poserais aussi le code en plus des binaires pour éviter de recompiler le tout.

Par contre, je suis à la maison que les weekends, donc niveau timing je suis toujours un peu serré.

Sinon en regardant un peu sur le net, c'est vraiment très simple, faut juste prendre son temps :)

Posté

Voici une adresse qui est en lien avec ce projet, mais bien plus. Peut être certains d'entre vous le connaisse déjà.

 

https://www.instructables.com/id/Wifi-controlled-TelescopeDSLR-With-Motorized-Focus/

 

 

Posté
Le 25/09/2018 à 23:35, dranilc450 a dit :

Bonsoir Greg,

 

Merci pour ton offre, c'est avec plaisir.. Pour m'avancer, peux tu me donner les éléments à commander. 

 

Bonjour Dranilc450,

 

Ca serait pas une bonne idée car je suis pas sûr encore que les pièces soient définitives.

Dans le doute, vaut mieux attendre un projet final qu'un projet bancal ;)

Me reste encore un circuit imprimé à faire, la mise en boite, les fixations ...

La platine test, c'était le plus simple à faire.

Là j'attends encore des colis de chez Ali.

  • 3 semaines plus tard...
Posté

J'ai une petite semaine de répit, du coup je continue de faire joujou sur le projet.

Pour maintenir le moteur ça me gonflait de toucher au PO, j'ai crée un anneau avec des fixations femelles de manière à pouvoir imbriquer tout et n'importe quoi dans le futur (support de boite, passe câbles, etc...).

Quelques photos pour imager le concept (c'est en mode impression 3D dégeu vu que c'est pour tester):

 

anneaux.jpg

 

L'anneau avec 2 glissières:

rail%20sup.jpg

 

L'anneau au complet:

(Après, on peut y mettre autant de glissières pour divers projets)

supp1.jpg

 

Le principe d'assemblage pour le moteur:

motsup.jpg

 

L'exemple du moteur fixé sur l'anneau:

motinser.jpg

 

L'idée est de pouvoir moduler et en plus ça permet de tendre la courroie sur le galet et la molette du PO en théorie ^^ (pas testé encore).

Pour les alimentations, j'ai abandonné le régulateur de tension à base de lm317 car les quelques volts (4V) le faisait chauffer un peu...je suis passé sur ce type d'abaisseur qui chauffe pas ou peu: https://www.amazon.fr/Alimentation-Abaisseur-Module-Réglable-Pièces/dp/B01MQGMOKI/ref=asc_df_B01MQGMOKI/?tag=googshopfr-21&linkCode=df0&hvadid=51049741326&hvpos=1o4&hvnetw=g&hvrand=10645623777403576352&hvpone=&hvptwo=&hvqmt=&hvdev=c&hvdvcmdl=&hvlocint=&hvlocphy=9054970&hvtargid=pla-277710841427&psc=1

 

Un petit proto sous KiCad en mode minimaliste pour remplacer la platine de proto histoire que ce soit plus propre ;)

 

CI.jpg

 

Voilà, c'est tout pour le moment ;)

Posté

Ca marche impeccable avec cet anneau et le moteur.

 

20181015_165442.thumb.jpg.18a115bbe73712382d473605baec6c9b.jpg

Le moteur est suffisamment puissant pour gérer l'APN et le DO avec la cam.

Reste plus qu'à peaufiner le reste.

Le plus fun dans l'histoire, c'est de s'amuser avec pas grand chose :D

  • Merci / Quelle qualité! 3
Posté
il y a 9 minutes, gehelem a dit :

Beau montage !

Dommage que ce soit du wifi 😃😃😃

 

:be:

 

Merci !

Mais pour être honnête, j'avais pas envi d'acheter un HUB USB ^^

Déjà un USB pour le Liveview du canon, un pour la monture et le dernier pour la cam.

Du coup, ça me permettra de refaire une MAP bien au chaud dans mon bureau/salon avec le tube dans le jardin.

Mais bon, le concept de l'anneau peut être sympa pour y greffer tout et n'importe quoi ;)

Par la suite, j'ai bien envi de jouer avec le retour de l'imageur pour faire une map auto avec la fwhm en fonction des variations de températures.

Peut être un diaphragme auto spécial Dark aussi ? :p

 

Posté

Bonjour Greg,

 

Ca avance,ça avance..... Un montage bien propre. Pour l'alimentation, dans mon sac à provisions, j'avais inclus la même chinoiserie(https://fr.aliexpress.com/item/Ultra-petit-vrac-DC-DC-abaisseur-power-module-3A-r-glable-step-down-module-alimentation-R/32846647150.html?spm=a2g0s.9042311.0.0.26436c37pfYMiW)

Tu es toujours avec un driver A4988 , 1/16 ?

Posté (modifié)
Il y a 3 heures, dranilc450 a dit :

Bonjour Greg,

 

Ca avance,ça avance..... Un montage bien propre. Pour l'alimentation, dans mon sac à provisions, j'avais inclus la même chinoiserie(https://fr.aliexpress.com/item/Ultra-petit-vrac-DC-DC-abaisseur-power-module-3A-r-glable-step-down-module-alimentation-R/32846647150.html?spm=a2g0s.9042311.0.0.26436c37pfYMiW)

Tu es toujours avec un driver A4988 , 1/16 ?

 

Bonsoir dranilc450,

 

Ok pour le driver, j'ai pas changé le modèle et il est toujours configuré en 1/16: il faut que les 3 broches (ms1/ms2/ms3) soient sur le 3.3V pour le 1/16.

Pour l'alim, je trouve cet abaisseur de tension au top ! du coup, je m'en sers que pour alimenter le node MCU sur le Vin/GND.

Dans l'aprém, j'ai viré le régulateur que j'avais mis pour le module wifi et le moteur/driver.

Je régulais en 9V (tension nominale VMot du driver) et avec l'abaisseur, j'alimentais donc les deux...

Là, je m’embête plus, avec ce driver, je peux alimenter mon moteur PAP qui est prévu pour du 5.4V en 12V (mon alim principale) suite au réglage Vref du driver (Ref moteur PAP:14HS13-0804S).

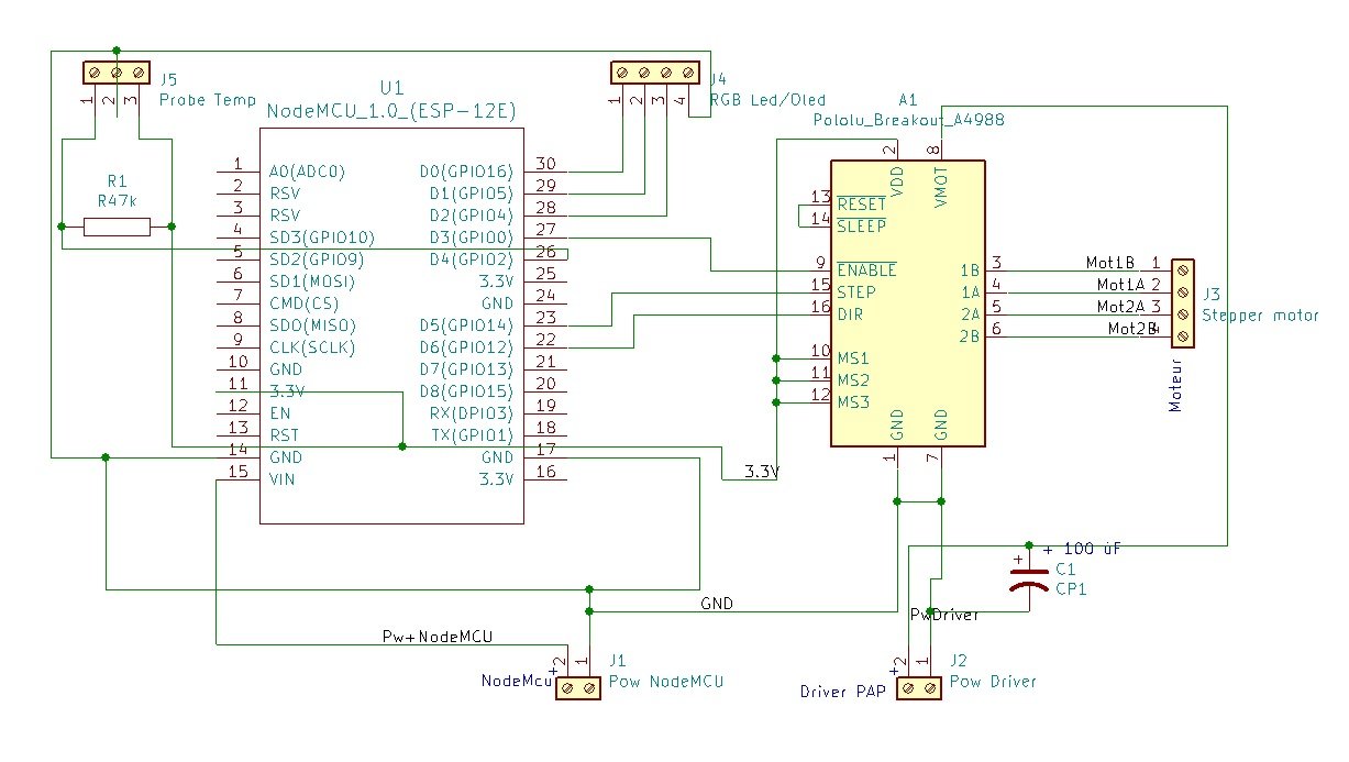
En gros, ça donne ça:

 

proto.thumb.jpg.c0c0709594528f2c6a14dfc61b7a3133.jpg

 

C'est très minimaliste car je voulais pas me prendre la tête avec une tonne de compo ;)

Pw NodeMCU ->sortie abaisseur de tension réglé à 6V

Transfo 12V -> Pow Driver & abaisseur de tension.

 

J'ai mis en boite la platine d'essai (en PLA...l'ABS marche mal avec mon imprimante->PETG Noir en commande ) avec le module RGB:

11.thumb.jpg.f8501d27f7328322a4b51316d3684453.jpg

 

Bleu: alimenté et en attente de configuration réseau (une fois défini, l'IP du module est sauvé, suffit de faire 'Exit' dans l'interface oueb ou peut être ajouter un bouton par la suite ?)

Rouge: driver mis en pause ou hors tension.

Vert: Moteur PAP alimenté en rotation ou en attente.

 

Coté code, je met ça au propre et je le met en ligne ensuite ainsi que les plans quand tout sera ok et impeccable.

Là aussi, on pourra pas faire plus simple ;)

 

Modifié par Greg34

Rejoignez la conversation !

Vous pouvez répondre maintenant et vous inscrire plus tard. Si vous avez un compte, connectez-vous pour poster avec votre compte.

Invité
Répondre à ce sujet…

×   Collé en tant que texte enrichi.   Coller en tant que texte brut à la place

  Seulement 75 émoticônes maximum sont autorisées.

×   Votre lien a été automatiquement intégré.   Afficher plutôt comme un lien

×   Votre contenu précédent a été rétabli.   Vider l’éditeur

×   Vous ne pouvez pas directement coller des images. Envoyez-les depuis votre ordinateur ou insérez-les depuis une URL.

  • En ligne récemment   0 membre est en ligne

    • Aucun utilisateur enregistré regarde cette page.
×
×
  • Créer...

Information importante

Nous avons placé des cookies sur votre appareil pour aider à améliorer ce site. Vous pouvez choisir d’ajuster vos paramètres de cookie, sinon nous supposerons que vous êtes d’accord pour continuer.