Aller au contenu

Messages recommandés

Posté

1) à modification sur l AXE AD:vous placez ou  les nouvelles rondelles(2 rondelles+la bague aiguille) sur votre schéma?

Les 2 rondelles + le roulement à aiguille se placent sous l'écrou en aluminium (c'est la pièce qui a les flèches vertes):

Démontage-10A.png

L'ordre: écrou alu/rondelle/roulement aiguille/rondelle/châssis de l'axe AD.

 

2) sur l axe DEC pourquoi vous réduisez l épaisseur de l écrou molete le cote le plus large ,ou vous percez les 3 écrous m2 .

L'écrou moleté est réduit pour être légèrement moins haut que l'empilement rondelles+roulement:

Ecrou-DEC-04.png

Si on ne le réduit pas, les rondelles+roulement ne servent à rien puisqu'à la mise en place, c'est l'écrou moleté qui va prendre appui sur le chassis DEC. L'objectif c'est que se soit les rondelles+roulement qui appuie sur le châssis pour maintenir l'axe DEC le plus libre possible en rotation.

Si on ne met pas les vis M2, pour ne pas que l'écrou moleté se dévisse, il va falloir le serrer. Plus on le serre, plus on va bloquer le roulement. Donc les vis M2 permettent de maintenir l'écrou moleté avec le bon serrage afin de ne pas avoir de jeu latéral de l'axe DEC, tout en le laissant libre en rotation.

 

 

je pose ça ici, ça peut peut être vous intéresser, des kits courroie goto tout fait qui fonctionnent à merveille ;)

https://astro-gadget.net/gadgets/control-of-telescopes/eq-control/eqstarproeqm35-goto-eq-drive-upgrade-kit-for-sky-watcher-eqm-35-mount

 

Après, c'est sûr que ça ne remplace pas les joies du DIY.

 

Quand je me suis lancé dans ce projet, je voulais garder l'usage de la raquette synscan. Je voulais une monture utilisable avec ou sans PC.

Il fallait donc que je garde le mêmes rapports de démultiplication. En plus ça me permettait de réutiliser les moteurs et l'électronique.

Je ne doute pas que ce kit fonctionne, par contre un PC, raspberry ou autre est nécessaire...donc on perd la flexibilité d'utilisation.

 

JL

 

Posté
Il y a 3 heures, michel85 a dit :

Bonjour Gandalf,

merci pour les explications

je vous souhaite un bon réveillon de la Saint Sylvestres

Merci pareillement!

 

JL

Posté

Bonjour et bonne année 2021.

Pour éviter de repercer dans la monture,faut il pas  usiner la pièce pour insérer les deux rondelles et le le roulement a aiguille,et de laisser ressortir  à peine la dernière  rondelle  sous l écrou pour appui 

1) à modification sur l AXE AD:vous placez ou  les nouvelles rondelles(2 rondelles+la bague aiguille) sur votre schéma?

Les 2 rondelles + le roulement à aiguille se placent sous l'écrou en aluminium (c'est la pièce qui a les flèches vertes):

Posté
Le 30/12/2020 à 13:26, michel85 a dit :

dans la même région que le site AstroProService  ?Avez vous fait la modification sur cette monture

merci

 

dans quelle région, ça je n'en sais rien, et je ne vois pas ce que ça change.

 

Oui ma monture est équipée en astrogadget, sinon je n’aurais pas dit que ça fonctionne très bien ;)

Posté

bonjour meilleur voeux,

oui je suis d 'accord avec vous,avez vous fait la modification de l intérieur ?

Avec les rondelles et la bague aiguille

bonne soiree

Posté

je n'ai pas d'eq35m, mais une eq5, je parles uniquement du système astro-gadget, qui est un kit courroie "tout fait".

Posté
Le 03/01/2021 à 11:27, michel85 a dit :

Bonjour et bonne année 2021.

Pour éviter de repercer dans la monture,faut il pas  usiner la pièce pour insérer les deux rondelles et le le roulement a aiguille,et de laisser ressortir  à peine la dernière  rondelle  sous l écrou pour appui 

1) à modification sur l AXE AD:vous placez ou  les nouvelles rondelles(2 rondelles+la bague aiguille) sur votre schéma?

Les 2 rondelles + le roulement à aiguille se placent sous l'écrou en aluminium (c'est la pièce qui a les flèches vertes).

Je ne comprends pas trop, mais il ne faut pas oublier que le viseur polaire se visser à cet endroit.

Si l'objectif est d'usiner la bague alu, il va falloir enlever trop de matière.

 

JL

Posté

Bonjour à tous je viens d acheter un taraude M2,mais il trop court pour traverser l écrou mollette,avez vous un site pour résoudre ce problème beau week end

Posté

Le filetage n'a pas besoin d'être sur toute la longueur, l'entrée du filetage M2 peut avoir un diamètre légèrement plus grand que 2mm.

 

JL

Posté

Bonjour, je souhaiterais améliorer un peu le confort de réglage en azimut de mon EQM-35 lors de l'AP. Je trouve les vis moletées assez peu confortables à l'usage et voudrais les remplacer par des vis offrant une meilleure prise en main. 

 

Sauriez-vous m'indiquer le format des vis histoire de faire qqs recherches ?

J'aurais dit M8 mais je n'en suis pas certain....

 

Merci !

Posté

Bonsoir Apo,

 

En fait, il sera très difficile de te répondre car les vis sont assez spécifiques au choix constructeur et à l'utilisation.

 

Le meilleur conseil à te donner est d'envoyer un mail avec une photo de la pièce à Pierro-Astro. C'est que je

fais dorénavant après plusieurs déconvenues: filetage, diamètre, pas métrique ou pas anglais ou pas américcain, ...

 

L'autre solution est de trouver un modèle 3D réalisé par quelqu'un qui a eu le même problème:

https://www.thingiverse.com/search?q=Skywatcher&type=things&sort=relevant

 

et qui peut se rajouter ou remplacer sur la pièce pour améliorer la fonction.

 

J'espère avoir répondu à ta question,

Kaelig

Posté

Merci pour ta réponse !

 

Entre temps, j'ai tenté ma chance pour 6€ sur le net. D'après mes mesures c'est du M6... mais pour le filetage ça sera la surprise.  En tout cas si c'est concluant je posterai la référence ici, des fois que cela puisse servir !

Posté

Merci Apo,

 

Il y a un post quelques part sur WA sur les filetages. Je le remets, ca peut toujours servir
Merci de nous tenir au courant.

 

J'avais récupéré cela sur un post WA

540814filetage4064864.jpg.6724ba1463c8f1fa5762357411808a32.thumb.jpg.25a43ba8a20c52467e3dfe1fa59f770b.jpg

Posté

Merci d'avoir repondu Mickaelle.

 

Il y a 13 heures, A-PO a dit :

Merci pour ta réponse !

 

Entre temps, j'ai tenté ma chance pour 6€ sur le net. D'après mes mesures c'est du M6... mais pour le filetage ça sera la surprise.  En tout cas si c'est concluant je posterai la référence ici, des fois que cela puisse servir !

 

Il y a de fortes chances que ça soit un pas métrique, c'est le cas de toutes les autres vis.

 

Jl

Posté

Je n'ai pas changé la motorisation de l'axe DEC, pour plusieurs raison.

  1. Le nombre de dents de la roue dentée étant très petit, cela nécessitait une forte démultiplication. Donc une poulie moteur petite et une poulie VSF DEC grande=>Problème de place.
  2. Le rapport de démultiplication n'était pas simple à obtenir en utilisant des poulies standards=>réalisation sur mesure.
  3. Du fait du faible nombre de dents de la roue dentée DEC, la précision n'est pas top=>Je ne pense pas que la courroie apporterait grand chose.
  4. Si la mise en station est bonne, l'axe DEC devrait être peu sollicité en guidage.
  5. Les tests faits avec PHD2 sur cette monture, montrent qu'il vaut mieux soigner la mise en station et ne guider qu'en AD si on veut faire du guidage. (perso mon objectif était d'éviter le guidage pour garder les avantages de la transportabilité de l'EQM-35.

JL

  • J'aime 1
  • 2 semaines plus tard...
Posté (modifié)

Bonjour, dans la continuité d’un précédent post concernant les vis de réglage en azimut je vous partage ci-après la référence des vis que je viens de recevoir : elles sont moins qualitatives que les vis d’origines, mais la tête « cannelée » devrait offrir une bonne prise lorsqu’il faut faire un AP fin. On verra à l’usage... Format M6 x 35. 

 

https://www.amazon.fr/gp/aw/d/B08KF2CM1C?ref=ppx_pt2_mob_b_prod_image&th=1&psc=1

 

8216E4B1-B142-4563-AB12-C2608480A0EA.thumb.jpeg.ca3dd74c6214415b4f8bf1f8890b369a.jpeg

Modifié par A-PO
  • Merci / Quelle qualité! 1
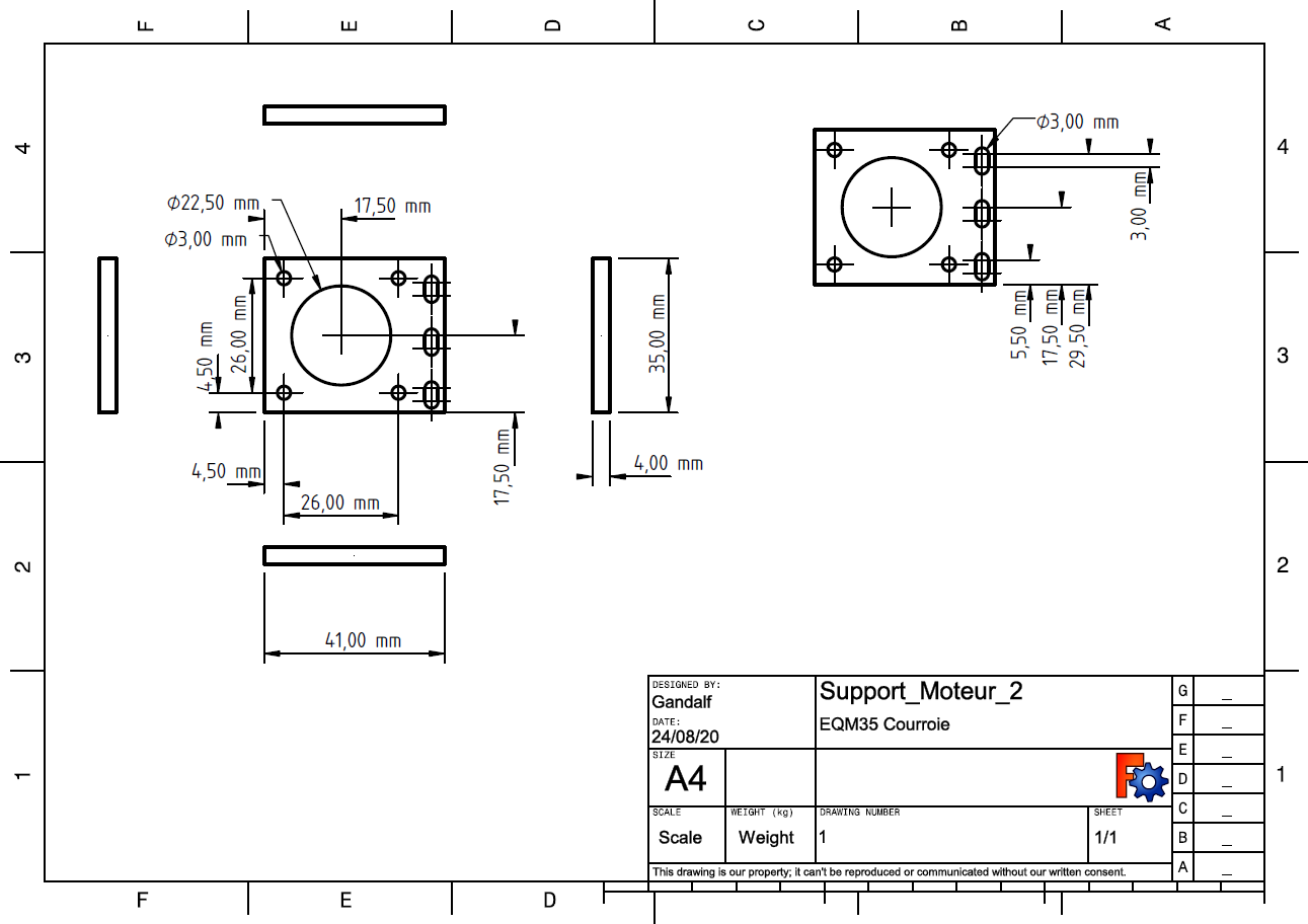
Posté

Bonsoir Jean Luc,

j ai un collègue qui refait ton support pour  le moteur,mais il lui manque la longueur de la pièce ou est percée le trou pour inserer le moteur

merci michel

Support_Moteur2.png.dc5ca336076f7cb050437071cb307b61.png

  • 1 mois plus tard...
Posté
Le 15/06/2020 à 12:18, Gandalf a dit :

 

Bonjour,

 

Je me permets de revenir sur cette ancienne publication. Car cette modification m'intéresse.

 

@Gandalf tu préconises un roulement de 10mm d'épaisseur et une butée de 1mm d'épaisseur, soit 11mm en tout ou 12 mm si on met une butée de part et d'autre du roulement. Or dans le schéma un peu plus haut l'écrou moleté est taillé à 8,5 mm. Du coup faut il comprendre qu'avec ces choix de roulement et butées la taille de l'écrou est un peu plus haute, voire pas de taille du tout ? 

 

Merci pour ta réponse 😉 

 

Posté

Salut,

L'AZ203510-IKO c'est un ensemble de 2 rondelles de 2,75mm d'épaisseur + un roulement AZK20354,5-IKO de 4,5mm d'épaisseur, Cf le lien dans le post. Donc 2,75mm+4,5mm+2,75mm=10mm

Si tu remplaces une des rondelles de 2,75mm par une rondelle de 1mm, comme dit dans le post:  2,75mm+4,5mm+1mm=8,25mm

 

CQFD.

 

JL

Posté (modifié)

Bonsoir,

Comme il fait beau 😓 en ce moment  j'ai décidé de bricoler un peu. j'ai effectué les modifications en reprenant ta procédure Gandalf.

Franchement sur l'axe AD et les roulement des VSF c'est vraiment crème a réaliser. Je n'ai pas eu besoin de me fabriquer un outil spécifique pour serrer ni desserrer l'écrou aluminium.

Percer un trou supplémentaire est un peu flippant je l'avoue mais la fonte d'alu n'a pas bronché j'ai fait un avant trou et élargi avec une autre mèche juste assez pour pouvoir passer la clef allen.

Tous tes conseils sont parlants quand on a la main dessus.

Par contre j'ai galéré pour la déclinaison. Je n'ai pas de tour et le laiton n'est pas si aisé que ça a travailler. Il faut beaucoup de minutie et prendre son temp. J'ai réussi a foirer deux taraud M2. Je ne me l'explique pas (je n'ai pas forcé comme un gros bourrin. Mais je déconseille le Dexter)

Je n'ai pas retaillé la partie large de la pièce en laiton. Certes ça empiète un peu sur le champ du viseur polaire, mais comme je fais l'alignement avec l'asiair pro ce n'est pas gênant.

 

IMG_4354.thumb.jpg.fe7775471d88f0ddd146ed41a3d6880f.jpg

 

IMG_4352.thumb.jpg.42cee99f4d9255f2015215d52ad9fecd.jpg

 

IMG_4355.thumb.jpg.9b712269b7ef2a702420920dedcd79ae.jpg

 

IMG_4356.thumb.jpg.eb238faa273da075d7cb4b457768cd1e.jpg

 

IMG_4357.thumb.jpg.0275143b3b1d52de8318bc5a04caad01.jpg

la partie a gauche du trait qu'on peut distinguer sur la cannelure est celle que Gandalf enlève pour garder 3,7mm d'épaisseur 

 

IMG_4358.thumb.jpg.5220b2fecf37a45b5c98c0eeab8fec1e.jpg

 

IMG_4359.thumb.jpg.3fc4b560c7d3c21ee1e58c9c5059c579.jpg

Hé me🤬de !!!

 

IMG_4360.thumb.jpg.667c9e16ec50ad16d591456b913db531.jpg

j'ai hésité a mettre des visses sans tête pour que rien de dépasse mais ça n'est pas gênant dans al carcasse

 

IMG_4362.thumb.jpg.2798da256e4469d2577e9d05a84b8e7d.jpg

il est important de positionner les visses a ce niveau du boulon en laiton car sinon on est hors du pas de visse M10 de l'axe AD et vous serrerez dans le vide.

 

Sans faire ces modifications de simples rondelles en Téflon sur l'axe AD et DEC d'origine n'auraient pas été un luxe de la part de SW !

IMG_4342.thumb.jpg.bf06594e987e7c27e3fb2878beea4d66.jpg

 

Les deux axes sont maintenant exempts de frottement intempestifs. La limite entre l'EP et le backlash est plus nette et propre. Globalement les deux semblent fortement diminués par rapport a avant. Je n'ai pas de courbes a vous montrer désolé.

 

 

 

 

 

 

Modifié par Allx
illustration du post par des photos
  • Merci / Quelle qualité! 1
Posté (modifié)

 

Reste plus qu'a attendre que le ciel se dégage...

Modifié par Allx
Erreur de contenu
Posté

Bonjour @Allx, serait-il possible de convertir des images .heic en .jpg ou autres, afin qu'elle s'affiche sur le forum. Ton travail m'intéresse.

Merci d'avance

Kaelig

Posté (modifié)

Ha oui pardon voilà.

Sinon comme outillage

une perceuse 

un boulon en M10 pour fixer sur la perceuse

un scie a métaux 

une lime 

une clef a pipe N°16 pour le boulon de l'axe DEC

un jeu de clefs Allen

un pied a coulisse

une Dremel

des mèches metal en 1,6

un taraud pour du M2

https://www.amazon.fr/dp/B07C3QYGB6/ref=cm_sw_em_r_mt_dp_RQY57R546D42SXAQQCB4?_encoding=UTF8&psc=1

une clef pour démonter les objectif  (pour l'écrou de l'axe AD) mais ce n'est pas nécessaire

https://www.amazon.fr/dp/B08Y6TY2FL/ref=cm_sw_em_r_mt_dp_V6HY20DWZNWEDJX91VFT?_encoding=UTF8&psc=1

 

 

 

Modifié par Allx
  • J'aime 1

Rejoignez la conversation !

Vous pouvez répondre maintenant et vous inscrire plus tard. Si vous avez un compte, connectez-vous pour poster avec votre compte.

Invité
Répondre à ce sujet…

×   Collé en tant que texte enrichi.   Coller en tant que texte brut à la place

  Seulement 75 émoticônes maximum sont autorisées.

×   Votre lien a été automatiquement intégré.   Afficher plutôt comme un lien

×   Votre contenu précédent a été rétabli.   Vider l’éditeur

×   Vous ne pouvez pas directement coller des images. Envoyez-les depuis votre ordinateur ou insérez-les depuis une URL.

  • En ligne récemment   0 membre est en ligne

    • Aucun utilisateur enregistré regarde cette page.
×
×
  • Créer...

Information importante

Nous avons placé des cookies sur votre appareil pour aider à améliorer ce site. Vous pouvez choisir d’ajuster vos paramètres de cookie, sinon nous supposerons que vous êtes d’accord pour continuer.