Aller au contenu

Messages recommandés

Posté

si tu veux l'amperemetre tu es obligé de grouper les departs en un point apres l'amperemetre....

 

 

moi je vais faire un depart batterie en 6 carré, alimenter ma rampe de fusibles dans son coffret (pas de wago) , sortir en 1,5 ou 2,5 carré maxi selon les lignes.

 

le coffret de fusible fixé sur un bord, l'amperemetre entre la batterie et la boite a fusibles et le volmetre aux bornes de la batterie.

 

un chargeur capable de me fournir l'alim si je suis au 220 v (batterie découplée) et un inter pour charge/ decouplage chargeur.

  • Réponses 505
  • Créé
  • Dernière réponse

Les pipelettes du sujet

Les pipelettes du sujet

Images postées dans ce sujet

Posté
j'ai acheté l'autre jour une caisse a outils stanley, toutes les batteries rentrent dedans sans soucis jusqu'aux 120 AH. j'ai été au rayon batterie avec la caisse et je les ai mises une par une dedans, les gens m'ont trouvé bizarre :be:

 

j'ai pas trop de temps pour avancer, mais je recupere les composants petit a petit, j'ai deja les speakon , les fusibles, les cables, manque voltmetre amperemetre et retrouve mon vieux chargeur de batteries dans mon garage.

 

je vais l'integrer dedans, la charge se fera via une prise avec cable extractible et interrupteur.

je garderai l'amperemetre du chargeur au cas ou.

le poids importe peu, j'ai un bon 4X4 qui me mene a l'endroit exact ou je veux me poser ;)

 

je ferai des photos quand je demarrerai les travaux (et finirai aussi car ca durera pas 6 mois ;) )

 

Gaffes quand même qu'il ne chauffe pas une fois enfermé dans la boite. Les chargeur sont équipés "d'ouies" afin de refroidir lorsqu'ils sont en fonction ;)

Posté

J'ai recu le cable de chez FLO et je suis un peu décu. LA fiche de connection sur l'EQ6 est pas mal, robuste, mais le cable en lui même est très fin.

J'ai commencé à m'en fabriquer un moi-même, à partir de cable audio 1,5mm (il me semble). Faut que j'essaye de trouver un connecteur semblable, mais qui permette le passage et la soudure d'un cable épais comme ça. Avec celui fourni, ca va pas le faire...

Posté

Coucou !

 

Pourquoi ne changes-tu pas carrément la prise sur ton EQ6 ? Moi, c'est ce que j'envisage de faire, avec d'une part des contacts un peu lâches et d'autre part un fil qui fait régulièrement des croches-pied... Et les speakon ont l'air rudement bien, non ?

Posté

LEs speakon ca va pas le faire sur la monture. C'est trop gros, ca va pas passer. Il faut une prise assez "fine" pour venir se caller derrière la plaque électronique. Mais j'y pense. Je me demande juste comment je vais percer aussi précisément le métal de la plaque pour le moment.

Posté

Coucou !

 

Pour percer, tout simplement avec une bonne mèche HSS, bien affutée. Sans compter que les bords du trou seront grandement masqués par les bords de la prise.

 

OK, une speakon, ça ne passe pas. Que mettre, alors ? Qu'est-ce qui à un profil plus bas et de préférence avec un socle mâle (pour éviter d'avoir une prise mâle avec du 12V dedans, après ce n'est pas indispensable) ?

 

Quelqu'un a une idée ?

Posté

un socle male?

 

une pinoche qui dépasse?

 

cassée au premier faux geste!

 

pour moi la prise d'origine qui est une prise destinée au 9/12V est parfaite.

 

j'avais un rack de pedales d'effet guitare alimenté par ce genre de prises, j'avais soudé du 2 mm2 sur l'alim générale dans cette prise, j'avais supprimé le petit capot qui se visse et j'avais empilé 3 couches de gaine thermoretractable.

 

ca a tenu jusqu' a ce que je vend emon set, soit 10 ans :)

Posté

PAs forcément, il y en a qui ont ajouté un connecteur BNC en guise d'alim sur leur EQ6 avec succès. A mon sens, c'est sans doute la piste à suivre.

Posté

le bnc ne présente aucun interêt par rapport aux fiches standard.

 

a la limite gicle la prise d'origine et remplace la par le même modèle en plus sérieux (neutrik les fait) , mai je ne vois pas de raison de la remplacer, sincèrement !!

 

rien ne vaut les montages d'origine :)

Posté

Coucou !

 

Pour la prise d'origine, bof bof... Elle a du jeu, les fils ne sont pas maintenus et au moindre souffle d'air (OK, j'exagère très légèrement...), la connexion se barre et je dois refaire toute la procédure de mise en station. Côté alimentation, je suis en prise XLR, là, ça tient. Comme les fils ne sont pas dans le chemin, c'est juste quand on se prend (légèrement, ça par contre, je peux te dire que ça m'est arrivé et... re-mise en station.......) la main, le coude ou je ne sais quoi dedans.

 

Quand au choix du connecteur mâle, il ne s'agit pas forcément d'un connecteur avec les deux pins (sans jeu de mot, je précise !) qui dépassent. Il y en a qui sont au creux du connecteur. Mais c'est simplement une sécurité, de la même manière que tes rallonges électriques n'ont pas le côté mâle là où tu as les mains.

 

Effectivement, les BNC, tu visses une femelle sur un mâle, ça peut le faire. D'autres idées ?

Posté

Effectivement, les BNC, tu visses une femelle sur un mâle, ça peut le faire. D'autres idées ?

 

tu les emboites plutot.

 

les fixations trop solides ce n'est pas bon non plus. un trébuchage dan sle fil et tu peux rentrer chez toi.

 

le top: une alim type macbook, avec un aimant qui tient les contacts, et qui s'arrache si il prend un coup de pied.

Posté

Coucou !

 

Là, il y a peu de risque d'arrachage du fil de manière violente parce que je bricole un système pour l'éviter : j'attache le câble d'alimentation le long des pieds de la monture, jusqu'à rejoindre la glacière d'alimentation. Non, le jeu se situe forcément entre la tête du pied et la monture, pour avoir cette liberté de mouvement. Et là, avec une prise avec un contact déjà fragilisé, ça me laisse inquiet. D'où l'idée d'une prise plus "solide" !

 

Pour la BNC, effectivement, tu les emboîtes, avec un verrouillage par quart de tour. Mais j'ai regardé rapidement, il n'y a pas d'embase mâle, a priori. Cela dit, la sécurité électrique est assez satisfaisante sur une fiche mâle si elle est alimentée en 12V...

Posté

ah oui , niveau sécurité en 12V il y a peu de risques, tout ou presque peut convenir.

 

je verrai ce que je ferai quand ma monture arrivera (déja 18 jours depuis la commande...)

Posté

Hello !

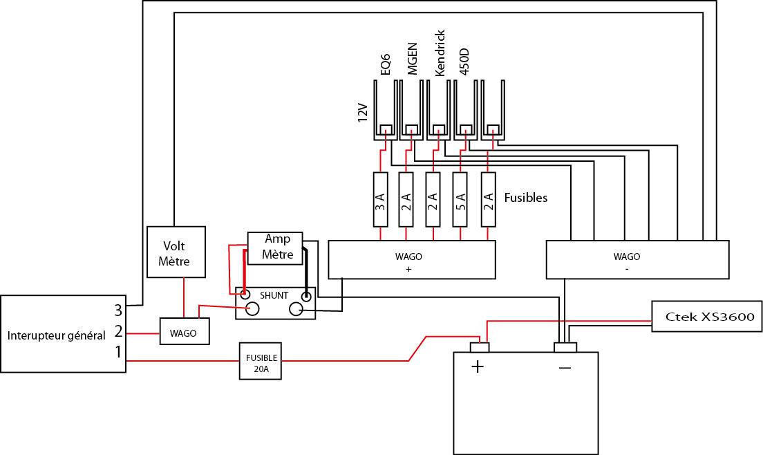
J eviens ENFIN de recevoir mon Ampèremètre et le shunt.

Si quelqu'un pouvait me dire comment ca se branche ? Je suppose que les petits fils vont vers le shunt, et les gros comme sur mon shéma ?

 

10772-1353707113.jpg

Posté

Bonjour

 

Il y a l'alimentation de l’électronique (contrairement au voltmètre qui se branche sur la tension de la batterie l’ampèremètre ne "voit" d'une toute petite tension), et 2 fils qui sont reliés aux 2 vis plus petites sur le shunt.

 

Pour savoir qui va où il faut trouver un mode d'emploi... Sinon tu peux essayer de photographier l’arrière du circuit et nous le montrer.

Posté

J'ai commandé le même que vous, (je ne l'ai toujours pas reçu ... commandé le 10/10 .. ils doivent m'en envoyer un autre...) .

Je suis interessé par le câble car je suppose que s'il arrive un jour je n'aurai pas plus de schéma que vous.....

Posté (modifié)

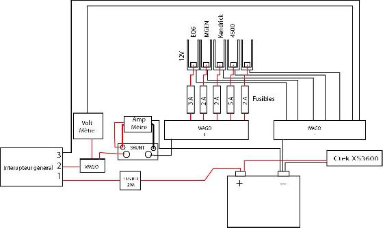
OK. JE sens que ca va encore etre simple de faire aller les fils jusqu'aux wagos...

D'autant que si je comprends bien, tout le signal va devoir passer par ces petits fils. Du coup je me demande bien pourquoi j'ai tout cablé en 4 carré.

 

Edit. D'ailleurs je ne comprends pas un truc. Il y a 2 paires de fixations sur le shunt (2 grosses vis et 2 plus petites). Tout ce petit monde ne se branche pas ensemble ?

 

Genre comme ca :

 

10772-1353753751.jpg

Modifié par philming
Posté

Les gros fils sont à brancher à la place des petits (sur les petites vis) et es petits fils doivent être reliés au 12V, sinon ça ne pourra pas marcher.

 

Le shunt ne verra que quelques millivolts, tu ne peux pas alimenter un appareil avec une tension si faible.

Posté (modifié)
OK. JE sens que ca va encore etre simple de faire aller les fils jusqu'aux wagos...

D'autant que si je comprends bien, tout le signal va devoir passer par ces petits fils. Du coup je me demande bien pourquoi j'ai tout cablé en 4 carré.

 

Edit. D'ailleurs je ne comprends pas un truc. Il y a 2 paires de fixations sur le shunt (2 grosses vis et 2 plus petites). Tout ce petit monde ne se branche pas ensemble ?

 

Genre comme ca :

 

10772-1353753751.jpg

 

oui en effet je crois que tu as surdimensionné inutilement tes cables en 4²! je n'aime pas trop ce mélange de section, je me demande si dans ce cas le plus fin ne fonctionne pas comme une résistance? les électriciens peuvent donner leurs avis là-dessus?

Modifié par JP60
Posté (modifié)

Donc mon cablage la haut est bon ? je crois juste qu'il faut que je mette le petit fil (alim) sur la grosse vis, avec les fils vers mes wagos + et -, et le gros fil vers les petites vis.

 

Edit. J'avais pas vu ton message hans.

A quoi servent les grosses vis du coup ? JE pensais que le jus passait en entier dans le shunt (comme sur mon schéma) et qu'une petite partie etait dérivée dans la résistante.

Car si je dois encore aller brancher les petits fils directement aux bornes de la batterie ca va carrément pas le faire.

Modifié par philming

Rejoignez la conversation !

Vous pouvez répondre maintenant et vous inscrire plus tard. Si vous avez un compte, connectez-vous pour poster avec votre compte.

Invité
Répondre à ce sujet…

×   Collé en tant que texte enrichi.   Coller en tant que texte brut à la place

  Seulement 75 émoticônes maximum sont autorisées.

×   Votre lien a été automatiquement intégré.   Afficher plutôt comme un lien

×   Votre contenu précédent a été rétabli.   Vider l’éditeur

×   Vous ne pouvez pas directement coller des images. Envoyez-les depuis votre ordinateur ou insérez-les depuis une URL.

  • En ligne récemment   0 membre est en ligne

    • Aucun utilisateur enregistré regarde cette page.

×
×
  • Créer...

Information importante

Nous avons placé des cookies sur votre appareil pour aider à améliorer ce site. Vous pouvez choisir d’ajuster vos paramètres de cookie, sinon nous supposerons que vous êtes d’accord pour continuer.