Aller au contenu

Messages recommandés

Posté

Bonjour

Je possède un celestron advanced vx 8 sct 203 et je souhaite me lancer dans l'autoguidage en optant pour un diviseur optique Off-Axis-Guider de Zwo

J'ai une ASI 224 MC Color et ASI 178 MC Color

j'aurais 2 questions :

Que vaut le diviseur optique Off-Axis-Guider de Zwo ?

je me demandais si je pouvais remplacer par la suite la caméra ASI pour la capture par un APN de type 6D

 

Merci d'avance pour vos commentaires et critiques

Posté

Bonjour @Bella_trix

Il y a 4 heures, Bella_trix a dit :

Que vaut le diviseur optique Off-Axis-Guider de Zwo ?

Il y a plusieurs modèle. J'ai le 1er avec un prisme de 8x8 et j'en suis satisfait. Certain lui reproche son système de fixation et préfère le modèle L qui se visse.

 

Il y a 4 heures, Bella_trix a dit :

je me demandais si je pouvais remplacer par la suite la caméra ASI pour la capture par un APN de type 6D

Cela dépend si tu utilise un correcteur et si oui, de combien est le backfocus. Le plus souvent, 55mm et chez canon, la distance boitier capteur est de 44mm. Il ne reste plus que 11mm et l'oag fait 16.5mm

Posté

Bonjour François

Merci pour ta réponse

Je n'ai rien acheté pour le moment. J'ai préféré me renseigner. Pour l'APN, un correcteur est recommandé et je pense utiliser le correcteur réducteur 0.63 x. Le backfocus étant de 85 mm

 

 

 

 

 

 

 

Posté (modifié)
Il y a 4 heures, Bella_trix a dit :

Que vaut le diviseur optique Off-Axis-Guider de Zwo ?

 

J'ai le modèle standard   ( https://astronomy-imaging-camera.com/product/zwo-oag ).

 

Comme presque tous les DO du marché,  la conception en deux parties compromet la rigidité et peut induire du tilt dans le train optique. On peut minimiser les risques en appuyant fort les 2 parties l'une contre l'autre lorsqu'on serre les trois vis latérales de maintien. Une conception monolithique serait préférable.

 

Concernant le prisme, il est trop petit pour illuminer le capteur de mon ASI220, en tout cas sur mon scope à f/4. Ça passe peut-être mieux sur un télescope moins ouvert.

 

Le grand modèle (OAG-L) semble mieux conçu mécaniquement et a un prisme plus grand mais ne fonctionne qu'avec les RAF grand format ZWo.

Modifié par danielo
Posté (modifié)
il y a 33 minutes, danielo a dit :

Le grand modèle (OAG-L) semble mieux conçu mécaniquement et a un prisme plus grand mais ne fonctionne qu'avec les RAF grand format ZWo.

Oui car il est fixé par 4 vis sur le capot de la RAF. Le prisme se retrouve bien aligné et au dessus du grand côté du capteur.

image.thumb.jpeg.7f932865badb227f7fac65a67a8c2ed4.jpeg

https://astronomy-imaging-camera.com/product/oag-l

Je me suis fait usiner une plaque avec raccordement en M42 pour pouvoir monter ce DO sur une autre caméra couleur pour laquelle je n'utilise pas de RAF. Dommage que ZWO ne propose pas l'adaptation..

 image.thumb.png.4383c0e158a502a10fa38ff103e9a301.png

 

Pour ton 6D, il faut que le diamètre de passage ne vienne pas occasionner de vignettage (44 mm de diagonale pour le capteur + un peu de marge vu que le flux lumineux est un cône). Si tu n'as pas envie de bricoler, il serait peut être plus simple de prendre un DO adapté au 6D, par exemple https://www.univers-astro.fr/fr/diviseur-optique/768-diviseur-optique-pour-appareil-canon-tsoptics.html

Et un autre pour les deux petites caméras..

Modifié par krotdebouk
Posté (modifié)
Il y a 1 heure, krotdebouk a dit :

Oui car il est fixé par 4 vis sur le capot de la RAF. Le prisme se retrouve bien aligné et au dessus du grand côté du capteur.

image.thumb.jpeg.7f932865badb227f7fac65a67a8c2ed4.jpeg

https://astronomy-imaging-camera.com/product/oag-l

Je me suis fait usiner une plaque avec raccordement en M42 pour pouvoir monter ce DO sur une autre caméra couleur pour laquelle je n'utilise pas de RAF. Dommage que ZWO ne propose pas l'adaptation..

 image.thumb.png.4383c0e158a502a10fa38ff103e9a301.png

 

Pour ton 6D, il faut que le diamètre de passage ne vienne pas occasionner de vignettage (44 mm de diagonale pour le capteur + un peu de marge vu que le flux lumineux est un cône). Si tu n'as pas envie de bricoler, il serait peut être plus simple de prendre un DO adapté au 6D, par exemple https://www.univers-astro.fr/fr/diviseur-optique/768-diviseur-optique-pour-appareil-canon-tsoptics.html

Et un autre pour les deux petites caméras..

En gros, avec le 6D je peux coller le DO en lien et mettre l'une des 2 Zwo (que ce soit la 224 ou 178) pour le guidage ?

 

Et un autre DO pour les zwo 224 et 178. Sachant que là je vais devoir ajouter le correcteur réducteur Celestron 0.63x qui requiert 85mm de backfocus.

Que me conseillez-vous svp comme DO ?

 

Modifié par Bella_trix
Posté
il y a 14 minutes, Bella_trix a dit :

En gros, avec le 6D je peux coller le réducteur correcteur de 0.63x ? Il requiert 85mm de backfocus

Oui bien sûr... mais ne t'attends pas à avoir une belle image sur la totalité du capteur, ça sera même sur une petite partie du capteur seulement que les étoiles seront rondes. Pour l'avoir utilisé sur un C9 XLT (non Edge donc) avec une ASI1600 (APS-C) et une 183 (15 mm de diagonale), le cercle image corrigé du réducteur x0.63 est assez faible, inférieur aux 15 mm de l'ASI183. Pour rappel, ton capteur FF a une diagonale de 44 mm. Il en existe un plus haut de gamme chez Starizona qui ne donnerait que 27 mm de correction (clic).

Le BF du réducteur Celestron x0.63 varie selon les sources entre 85 et 101 mm. J'ai essayé avec les deux distances, ça n'a pas changé radicalement le truc. Ceci posé, le vignettage en serait presque secondaire. Le guidage en parallèle reste peut être à envisager aussi.. 

Posté
il y a 5 minutes, Bella_trix a dit :

Guidage en parallèle en collant une zwo dans le chercheur par exemple si ce n'est pas ridicule

Déjà pour essayer et voir ce que ça donne unC8 avec un 6D. Il y a d'autres points assez "amusants" à découvrir avec cette expérience. Quelques pistes : tenue de la mise au point/mise en température, buée.. Faut essayer ;)

Posté
il y a 12 minutes, krotdebouk a dit :

Déjà pour essayer et voir ce que ça donne unC8 avec un 6D. Il y a d'autres points assez "amusants" à découvrir avec cette expérience. Quelques pistes : tenue de la mise au point/mise en température, buée.. Faut essayer ;)

Merci

Juste le DO que tu m'as mis en lien en collant le 6D ?

Posté
il y a 20 minutes, Bella_trix a dit :

Juste le DO que tu m'as mis en lien en collant le 6D ?

Je ne l'ai jamais eu mais ça doit marcher, c'est fait pour. Il te faut également des bagues pour raccorder ton réducteur à ce DO. Le lien que je t'ai indiqué pour le DO est chez Univers Astro (Astronaute Guillaume), n'hésite pas à l'appeler, il te conseillera bien pour toute la "tuyauterie".

 

Posté (modifié)
il y a 39 minutes, krotdebouk a dit :

Je ne l'ai jamais eu mais ça doit marcher, c'est fait pour. Il te faut également des bagues pour raccorder ton réducteur à ce DO. Le lien que je t'ai indiqué pour le DO est chez Univers Astro (Astronaute Guillaume), n'hésite pas à l'appeler, il te conseillera bien pour toute la "tuyauterie".

 

J'avais pensé sans réducteur :

La config serait  les bagues appropriées pour DO Appareil Canon - TSOPTICS + le 6D

Ensuite pour le guidage : une des 2 zwo.

Qu'en penses tu ?

 

 

Modifié par Bella_trix
Posté
Il y a 3 heures, krotdebouk a dit :

Je me suis fait usiner une plaque avec raccordement en M42 pour pouvoir monter ce DO sur une autre caméra couleur pour laquelle je n'utilise pas de RAF. Dommage que ZWO ne propose pas l'adaptation..

 

J'utilise l'OAG-L avec ma 6200 couleur et ça marche très bien, à condition de monter le tiroir à filtres associé.

Ca voudrait dire qu'avec un APN au cul, il faudrait monter la bague M48/Canon derrière le tiroir à filtres.

Ca fait donc un backfocus de 17.5 (OAG) + 21 (tiroir) + 11 (bague Canon) + 44 (APN). A voir si c'est compatible avec le BF de ton réducteur.

Posté

Je crois que je n'ai pas trop le choix avec le 6D

Je vais essayer cela
Ensuite plus tard, investir dans une lunette de guidage
Merci a tous pour votre aide
Je vais aussi contacter Guillaume 
il y a 6 minutes, archange34 a dit :

Si tu veux utiliser le canon il vaut mieux partir sur un do fin de 11mm. 

 

Posté (modifié)
il y a 39 minutes, Colmic a dit :

J'utilise l'OAG-L avec ma 6200 couleur et ça marche très bien, à condition de monter le tiroir à filtres associé.

C'est quel tiroir à filtre ? C'est justement pour un tiroir à filtre devant une 533MC (tout ZWO) que j'avais fait usiner cette plaque, une subtilité m'aurait échappée..

Je m'en sers maintenant sur une 294MC sans le tiroir à filtre, le filtre L est monté dans la bague qui est devant la caméra. Ce qui est derrière la plaque c'est juste une pièce faite à l'imprimante 3D pour recouvrir les vis qui dépassent afin de ne pas blesser mes petits doigts... J'ai 85 mm de BF sur ce réducteur CCDT67 qui est sur un RC8.

image.jpeg.86e7308b1f956bf433c73fcf694f5ced.jpeg

 

Modifié par krotdebouk
Posté
il y a 27 minutes, krotdebouk a dit :

C'est quel tiroir à filtre ? C'est justement pour un tiroir à filtre devant une 533MC (tout ZWO) que j'avais fait usiner cette plaque, une subtilité m'aurait échappée..

 

image.png.8eab1426b413b4e18bc0270f8b110336.png

 

Celui-là :

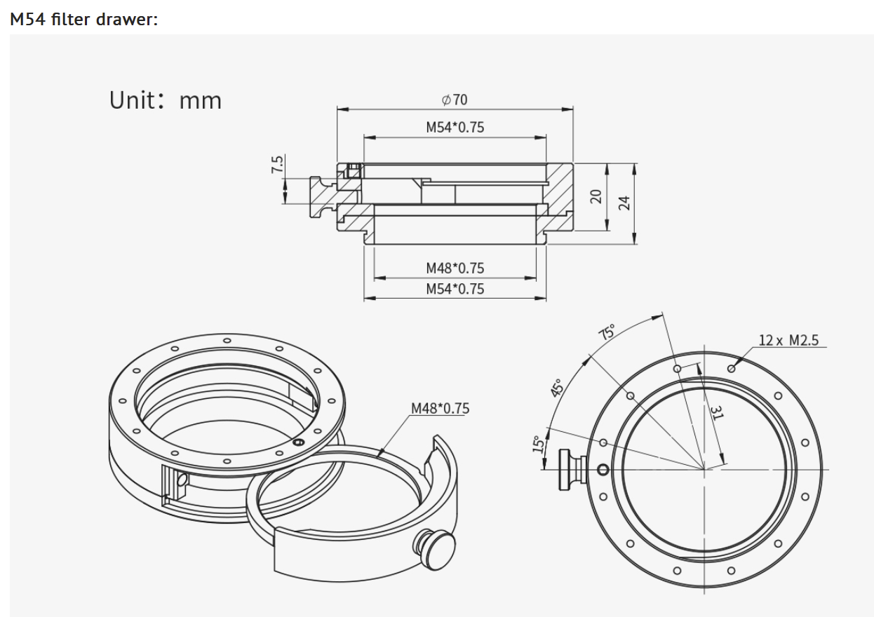
https://astronomy-imaging-camera.com/product/zwo-new-2-filter-drawer

Existe en M54 ou en M42/48 (le modèle M42/48 n'a pas de taraudage pour l'OAG-L mais il existe une bague M54-M48 pour le modèle M54).

 

La bague en alu (réalisée par Skyméca) fait M98 en entrée et M68 mâle en sortie.

On est donc à 17.5 (caméra) + 20 (tiroir) + 17.5 (OAG) + 5 (bague tilt M68).

Je suis à la MAP (regardez de combien sort la crémaillère :D )

 

 

Posté (modifié)

Il y a un truc qui m'échappe là :) Comment est fixé le DO XL sur le tiroir ? Mon DO, le ZWO XL se fixe sur la RAF par 4 petites vis M2.5, je n'avais rien pour le fixer sur le tiroir. La fabrication du DO a changé ou bien ?

 

Modifié par krotdebouk
Posté
il y a 13 minutes, krotdebouk a dit :

Il y a un truc qui m'échappe là :) Comment est fixé le DO XL sur le tiroir ? Mon DO, le ZWO XL se fixe sur la RAF par 4 petites vis M2.5, je n'avais rien pour le fixer sur le tiroir. La fabrication du DO a changé ou bien ?

 

J'ai édité entre temps.

Sur le tiroir M54 tu vois sur le lien que j'ai donné tout un tas de taraudages qui permettent de monter l'OAG-L dessus.

Ce n'est pas le cas avec le tiroir M48/M42

Mais...

Il suffit de prendre le tiroir M54, et de monter à l'arrière une bague M54 vers M48 et ensuite la bague M48-M42 livrée souvent avec les caméras.

L'ASI533 n'est pas foutue pareil que les 2600/6200. C'est du M42 mâle.

Sur les 2600/6200 c'est du M42 femelle (2600) ou M54 femelle (6200).

Mais on arrive à les adapter.

 

J'édite encore :

Regarde bien ce schéma :

image.png.d06e812c6f7684d4eae06df782bcdcd0.png

 

Tu as en sortie du tiroir M54 un filetage M54 mâle (pour l'ASI6200) et un taraudage M48.

Dans ce taraudage M48 tu visses la petite bague M48/M42 livrée avec l'ASI533 et t'es bon.

Posté
il y a 2 minutes, krotdebouk a dit :

Ah ben oui j'ai compris, c'est la différence entre le tiroir M42 que j'avais et le M54 que tu as :)

 

J'avais aussi le tiroir M42 quand j'ai acheté ma première ASI2600 couleur avec l'ancien OAG M68 qui n'était pas foutu pareil (il n'a pas les 4 vis à l'arrière comme l'OAG-L).

Quand je suis passé à l'OAG-L j'ai effectivement été obligé de changer le tiroir pour le M54 !!

Merci ZWO, quand ils changent un truc il faut tout changer, ça fait marcher le business :D

  • Merci / Quelle qualité! 1
Posté
il y a 2 minutes, Colmic a dit :

Merci ZWO, quand ils changent un truc il faut tout changer, ça fait marcher le business :D

Je range tout ça dans un coin de ma tête car pour l'instant je vérifie que la caméra couleur (294MC) me convient bien sur mon RC8 pour des galaxies. Mais si ça le fait et ça en prend le chemin, il n'est pas impossible que je complète avec un filtre duo. Et donc retour au tiroir à filtre (celui en M42 est parti en même temps que la 533MC). Faut suivre chez ZWO !

Posté

Faut dire que l'OAG M48 (celui avec le conique et les 3 vis à 120°) c'est quand même une grosse merde infâme.

Le conique se fout tout le temps de travers et faut s'y reprendre à 5 fois en pressant bien les pièces entres elles et en vissant les 3 vis tout doucement pour ne pas avoir de tilt.

L'autre OAG M68 avec son prisme de 8mm me faisait aussi des étoiles guides en forme de comètes...

J'étais à 2 doigts de commander le DO de chez Skyméca quand est sorti l'OAG-L en début d'année dernière.

Avec son prisme de 12mm et son système de fixation à 4 vis, c'est quand même un peu mieux foutu même si c'est pas encore ça pour régler le tilt.

Au moins les étoiles guide ont une meilleure tronche !

Posté
il y a 2 minutes, Colmic a dit :

Faut dire que l'OAG M48 (celui avec le conique et les 3 vis à 120°) c'est quand même une grosse merde infâme.

C'est pour ça que j'ai préféré adapter mon OAG-L plutôt que de compléter avec le DO M48. En plus des défauts cités, il faut jouer de la cale d'épaisseur pour que le prisme soit au dessus du grand côté du capteur, quel merdier ce truc ! 

Posté
Il y a 15 heures, krotdebouk a dit :

Je ne l'ai jamais eu mais ça doit marcher, c'est fait pour. Il te faut également des bagues pour raccorder ton réducteur à ce DO. Le lien que je t'ai indiqué pour le DO est chez Univers Astro (Astronaute Guillaume), n'hésite pas à l'appeler, il te conseillera bien pour toute la "tuyauterie".

 

Bonjour 

J'ai contacté Guillaume

Il me propose le DO que tu m'avais mis en lien avec un 6D

L'astrophotographie avec un 2000 mm, c'est pas top m'a t il dit. C'est mieux pour le planétaire.

 

Je lui ai dit que j'avais le 150/750 Newton sur Eq 3.2. c'était juste pour l'observation.

 

Il me propose de fixer ce tube sur la VX  avec un correcteur Baader MPCC, le DO et le 6D. Et là, cela devrait fonctionner 

 

 

 

Posté
il y a 36 minutes, Bella_trix a dit :

L'astrophotographie avec un 2000 mm, c'est pas top m'a t il dit. C'est mieux pour le planétaire.

Je partage assez bien l'avis de Guillaume pour avoir essayé le CP avec un C9XLT... avant de passer rapidement à autre chose ! Ca se fait mais c'est compliqué et encore plus si on débute.

Tu auras de bons résultats bien plus rapidement avec un 150/750 bien corrigé et ton 6D à gros pixels !

  • J'aime 1

Rejoignez la conversation !

Vous pouvez répondre maintenant et vous inscrire plus tard. Si vous avez un compte, connectez-vous pour poster avec votre compte.

Invité
Répondre à ce sujet…

×   Collé en tant que texte enrichi.   Coller en tant que texte brut à la place

  Seulement 75 émoticônes maximum sont autorisées.

×   Votre lien a été automatiquement intégré.   Afficher plutôt comme un lien

×   Votre contenu précédent a été rétabli.   Vider l’éditeur

×   Vous ne pouvez pas directement coller des images. Envoyez-les depuis votre ordinateur ou insérez-les depuis une URL.

  • En ligne récemment   0 membre est en ligne

    • Aucun utilisateur enregistré regarde cette page.
×
×
  • Créer...

Information importante

Nous avons placé des cookies sur votre appareil pour aider à améliorer ce site. Vous pouvez choisir d’ajuster vos paramètres de cookie, sinon nous supposerons que vous êtes d’accord pour continuer.