Aller au contenu

Messages recommandés

Posté (modifié)

Re,

 

je pense que vous avez noté dans le schéma initial qui figure sur les sites, une erreur de nombre de dents, permuté entre 2 roues.

 

J’ai travaillé à partir du site ci-dessous, que vous aviez indiqué et pas du schéma posté :

http://www.cathedrale-saint-omer.org/?/horloge/fonctionnement5

 

Oui, j’ai bien vu qu’il y avait sur ce site une incohérence entre les schémas et les explications et que les nombres de dents indiqués ne permettaient pas de trouver les valeurs recherchées.

J’ai compris, après avoir perdu une bonne demi-heure quand même, que le nombre de dents de la roue de la lune (118 dents) avait été permuté avec celui de la roue de l’araignée (146).

Ensuite j’ai bien observé votre proto, qui reproduit en effet exactement le schéma juste, et j’ai eu confirmation que la roue de l’araignée était bien la plus nombrée.

Par contre je ne vois sur votre proto qu’une sortie d’axe du côté de la roue de l’araignée, alors que sur le schéma les trois sorties d’axe se font de ce côté.

Modifié par SULREN
Posté

Oui,

le proto ne met en mouvement que les 3 roues concernées autour de l'axe en acier.

A ce jour, ces roues sont montées sur des tubes enfilés les uns dans les autres pour transmettre le mouvement aux aiguilles et à l'araignée. On a ainsi dans l'ordre en partant du fond de l'astrolabe qui reste fixe, l'araignée, puis le Soleil et enfin la Lune - et réciproquement pour la vision de l'ordre d'empilage des 3 roues concentriques.

 

En outre et par rapport à la photo représentée, la roue du Soleil a été agrandie pour permettre l'attaque par une roue horaire de 1tr/12h issue d'un moteur d'horloge classique sans que ça entrave la rotation de l'ensemble du mécanisme. Et pour que tout ça tourne dans le bon sens, il y aura un pignon intermédiaire entre ces 2 roues.

de tout cela, il découle que le module de chaque groupe de roues n'est pas identique - et ça m'a pris du temps à bien comprendre !!!!

Enfin, un contrepoids a été ajouté sur la roue du Soleil pour parfaitement équilibrer l'ensemble du mécanismes (hormis les aiguilles).

Tout cela est en cours de prototypage, mais ça avance bien ! et accessoirement ça montre tout l'intérêt de l'usage d'une imprimante 3D où il est facile de faire évoluer le proto sans amers regrets....

Posté (modifié)

Bonjour,

 

ETAPE 3 :

Dans mon post # 59 j’ai dit que j’améliorerai la précision de l’astrolabe de St Omer, à architecture égale, donc juste en modifiant le nombre de dents des roues.

C’est chose faite.

 

Juste un exemple d’amélioration de la précision :

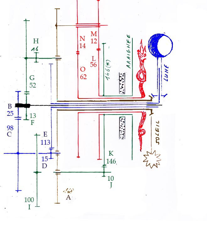
Le rouage lune existant à St Omer est celui-ci-dessous:

 

Lune%20St%20Omer_zpsuxi234vc.jpg

 

Le calcul montre que la lune fait un tour de cadran en 24h 50’ 31,58 s

Cela correspond à une lunaison de 29,500 000 jours, la même que sur une montre bas de gamme.

La bonne valeur est : 29,530 589 jours.

(ATTENTION: Il s’agit de la valeur moyenne sur de longues périodes. En valeur vraie, instantanée, la lunaison peut s’écarter de cette durée de plusieurs heures).

 

Avec le nouveau rouage proposé sur le schéma:

13 devient 25

52 devient 98

16 devient 15

118 devient 113

La lunaison devient : 29,530 667 jours, déjà meilleure que sur les meilleures montres et sur bon nombre d’horloges astronomiques.

Sauf erreur de ma part, bien sûr.

Il est fort probable que le mathématicien qui a conçu l'astrolabe avait trouvé cette combinaison mais qu'il n'a pas voulu l'appliquer pour des raisons diverses (encombrement, nombre de dents à tailler, etc).

 

Toujours avec le même montage à 4 roues, mais en augmentant légèrement les nombres de dents, j’obtiens même une lunaison de : 29,530 583 jours….soit une précision relative de 2 10^-7

Est ce utile?

 

ETAPE 4 :

Trouver le rouage de la ligne des nœuds, promis à Serge vieillard

C’est en bonne voie. Il devrait être posté prochainement.

 

Plus tard, si je trouve le temps de retravailler sur cet astrolabe, ajouter une roue calendrier de grand diamètre avec indication des mois et des jours, et pourquoi pas d’autres fonctions.

Modifié par SULREN
Posté

et bien je dis MERCI !

je pars en vacances (voir les aurores en Islande) mais dès mon retour, je pioche votre solution et en réalise les plans de fabrication.

 

Votre dernier paragraphe m'interroge : il me semble que l'info calendrier (jour et mois) figure déjà sur l'horloge astrolabe, par l'aiguille du Soleil sur le limbe de l'araignée, gradué en conséquence.

 

mes plus sincères salutations !

 

Tiens, et je mets un bonus ***** pour le forum qui a permis cet échange remarquable. et même un bidule : :be:

Posté

Bonjour,

 

@serge vieillard:

Votre dernier paragraphe m'interroge : il me semble que l'info calendrier (jour et mois) figure déjà sur l'horloge astrolabe, par l'aiguille du Soleil sur le limbe de l'araignée, gradué en conséquence.

L’info-calendrier figure bien sûr, et de façon tout à fait naturelle sur l’astrolabe, puisqu’en une année tropique le soleil fait 365,242 tours et l’araignée en fait 366,242.

Le différentiel d’un tour fait que le soleil parcourt, en reculant, toute l’écliptique pendant cette année tropique. Il passe donc devant tous les jours.

Dans le rouage de l’aiguille du dragon que j’ai fini de mettre au point et que je posterai à votre intention ce soir, (sauf pépin, panne PC,…), j’exploite d’ailleurs ce différentiel d’un tour par an pour réaliser le cycle de 18,6 années de l’aiguille du dragon. Elle parcourt un tour sur l’araignée pendant cette durée.

 

En parlant de créer un calendrier sur l’astrolabe je pensais :

- déjà à une roue de grand diamètre pour bien distinguer les jours

- puis surtout à « calendrier perpétuel » comme c’est courant en horlogerie (le QP dans les montres) c’est-à-dire avec l’année bissextile toutes les 4 années (j’envisage d’utiliser une croix de Malte pour cela). Mais je n’irai pas jusqu’au calendrier perpétuel séculaire (le QPS pour les horlogers), c’est-à-dire la correction des fins de siècles, au cycle de 400 ans.

Cela est par contre prévu, car c’est un « must », dans mes projets de planétaires avec calendrier.

 

J'espère que les aurores boréales seront au rendez et je vous souhaite de bien en profiter.

@+

Posté
En parlant de créer un calendrier sur l’astrolabe je pensais :

- déjà à une roue de grand diamètre pour bien distinguer les jours

- puis surtout à « calendrier perpétuel » comme c’est courant en horlogerie (le QP dans les montres) c’est-à-dire avec l’année bissextile toutes les 4 années (j’envisage d’utiliser une croix de Malte pour cela). Mais je n’irai pas jusqu’au calendrier perpétuel séculaire (le QPS pour les horlogers), c’est-à-dire la correction des fins de siècles, au cycle de 400 ans.

Cela est par contre prévu, car c’est un « must », dans mes projets de planétaires avec calendrier.

Bonjour Mon Cher Sulren, :)

 

Puisque ton “must” serait un calendrier avec correction des années séculaires du cycle de 400 ans du calendrier grégorien, puis-je me permettre de te poser une question délicate ? :?:

 

T'es-tu penché sur le cas très intéressant de l'année séculaire 4000 ? :?: Sera-t-elle bissextile ou non ? :?: Autrement dit : y aura-t-il un 29 février 4000 ? :?:

 

Qu'en penses-tu ? ;)

 

Regarde ce que j'ai écrit à ce sujet dans le cadre du QAC (Quizz Alternatif Convivial) de Webastro aux deux messages ≠59860 et ≠59862 (à la page 2395 du QAC : http://www.webastro.net/forum/showthread.php?t=58669&page=2395) : http://www.webastro.net/forum/showpost.php?p=2184215&postcount=59860 et http://www.webastro.net/forum/showpost.php?p=2184259&postcount=59862.

 

Roger le Cantalien. :rolleyes:

 

index.aspx?type=boutique&id=10472&url=_sticker_rose.jpg

Posté

Bonjour,

@ Serge Vieillard

ETAPE 4 : Rouage de la ligne des nœuds, ligne matérialisée traditionnellement par l’aiguille du dragon.

 

La ligne des nœuds de l’orbite lunaire n'est pas fixe, elle est animée, dans le sens rétrograde (inverse de celui du soleil), d'un mouvement de précession de 19,3548° par an. Cette vitesse n’est pas régulière, mais il est admis de ne considérer que sa valeur moyenne.

Cette valeur, relevée dans un ouvrage de l’IMCCE, correspond à une période PN de 18,60003 années.

 

Les périodes de rotation des rouages de l’astrolabe sont de 24h pour le soleil, 23h 56’ 04’ pour l’araignée et de 24h 50’ pour la lune. A moins de consentir à construire un réducteur de très grand rapport, on ne peut pas s’en servir pour réaliser PN.

Mais on sait qu’en une année la roue de l’araignée fait un tour de plus que la roue du soleil. C’est cette rotation différentielle qu’il faut exploiter pour réaliser PN.

 

Le montage est celui-ci-dessous, faisant apparaitre en rouge les roues à ajouter pour réaliser PN sur le rouage prototype montré plus haut par Serge Vieillard et qui correspond à l’astrolabe de St Omer.

 

Le résultat que j’ai obtenu est une période de 18,600000 années.

(Sauf erreur de ma part, peu probable car j’ai bien vérifié tous ces calculs, mais toujours possible).

L’écart par rapport à PN visé est donc de 1,61 10^-6 en valeur relative…….négligeable !

 

StOmerDragon%20RD_zpscor9aiha.jpg

 

NB :

1- Les roues ne sont pas à l’échelle sur le dessin, car ce dernier a été fait pendant que ma « babasse » ramait encore pour me sortir les nombres de dents à leur affecter.

 

2- Mon dragon à une « tête de nœud », c’est de circonstance, mais ce n’était pas volontaire. C’est juste la conséquence de ma nullité en dessin. De plus sa queue devrait aller jusqu'en bas du dessin. :cry:

 

3- Le 146 dents de la roue du haut n’est pas la conséquence du 146 de la roue de l’araignée. Il est le fruit du hasard. Si le diamètre de cette roue du haut pose problème il est possible de la réduire à une valeur quelconque, par exemple 93, et de la faire engrener avec une roue de même nombre (93 dans l’exemple) et qui serait accolée à la roue de 146.

Posté (modifié)

Bonsoir,

T'es-tu penché sur le cas très intéressant de l'année séculaire 4000 ?

 

Mon cher Roger,

Je ne manque jamais de lire, et avec beaucoup d’intérêt, tes posts dans la rubrique Astronomie Astrophysique, mais je ne vais pas dans les Quizz. Je réalise que c’est une erreur.

De plus j’aurais répondu à l’énigme en ce qui concerne la règle, mais j’avais oublié l’intervention de Delambre.

 

En effet, à une époque déjà lointaine, j’ai étudié de façon approfondie les évolutions du calendrier et j’ai bien compris que la correction des fins de siècles de la réforme grégorienne corrigeait très bien la dérive du calendrier julien mais pas totalement (c’eût été miraculeux, et même un pape, fût-il Grégoire XIII ne pouvait pas tout régler). Il subsistait donc forcément un écart, qui nécessiterait une correction à longue période.

 

Une correction de fin de millénaires a donc été proposée et si possible avec un cycle à base 4000 pour rester dans la lignée des 4 ans et des 400 ans.

 

Mais j’ai lu aussi, pendant mon étude, que très vite des voix s’étaient élevées pour dire qu’il était urgent d’attendre, d’une part parce qu’on était loin de la fin du 3eme millénaire et SURTOUT parce que l’amplitude de la correction à apporter était du même ordre de grandeur que l’incertitude sur les mesures astronomiques relatives à l’évolution de la période de révolution de la terre. On ne pouvait donc pas s’engager.

Je n’ai pas ré-étudié la question depuis, pour savoir si nos astronomes de 2017, avec leurs moyens de 2017, étaient capables de dire quelle correction résiduelle il faudra faire dans les millénaires à venir.

Je sais juste que le calendrier actuel donne une année moyenne un peu longue et qu'il faudrait un jour rendre une année bissextile année normale (par exemple l'année 4000). Mais on constate que l'année tropique s'allonge et ne voit pas pourquoi cette tendance s'inverserait. Ceci compensera t'il cela? A vos mesures !

 

Ce qui est sûr, c’est que le Quantième Perpétuel Séculaire de mes projets d’horloges astronomiques s’entend selon le cycle actuel de 400 ans, répété indéfiniment……indéfiniment prenant fin à la disparition totale desdites horloges sous la forme d’un tas d’oxydes, ce qui ne manquera pas d’arriver bien avant l’an 3000.

La survivance à deux millénaires (mais dans quel état) de la machine d’Anticythère a peu de chance de se reproduire.

Modifié par SULREN
Posté

Je visite ce fil régulièrement, par pur plaisir, à la fois pour l'élégance des échanges et pour les trésors d'ingéniosité qui s'y découvrent :)

Merci aux intervenants : c'est tout simplement passionnant !

Alain

Posté (modifié)

Alors là mon cher Sulren (permettez), total respect !

c'est formidable, je dirais prodigieux !

 

En quelques échanges, vous me fournissez des solutions idoines que j'ai mis un temps fou à chercher en vain.

Je pars dans quelques minutes,

mais à mon retour, j'intègre la totalité de vos savoirs dans le futur prototype qui ne sera donc plus une copie de St Omer, mais un modèle authentique "Sulren".

 

Je ne manquerais pas de faire part de l'avancée du projet,

et un jour le modèle définitif sera au catalogue de Brigeou (excusez pour cette pub détournée, mais c'est avant tout de la passion sur un sujet Ô combien pointu qui mérite toute sa place ici)

 

bien amicalement

Modifié par serge vieillard
Posté (modifié)
Mon cher Roger,

Je ne manque jamais de lire, et avec beaucoup d’intérêt, tes posts dans la rubrique Astronomie Astrophysique, mais je ne vais pas dans les Quizz. Je réalise que c’est une erreur.

De plus j’aurais répondu à l’énigme en ce qui concerne la règle, mais j’avais oublié l’intervention de Delambre.

 

En effet, à une époque déjà lointaine, j’ai étudié de façon approfondie les évolutions du calendrier et j’ai bien compris que la correction des fins de siècles de la réforme grégorienne corrigeait très bien la dérive du calendrier julien mais pas totalement (c’eût été miraculeux, et même un pape, fût-il Grégoire XIII ne pouvait pas tout régler). Il subsistait donc forcément un écart, qui nécessiterait une correction à longue période.

 

Une correction de fin de millénaires a donc été proposée et si possible avec un cycle à base 4000 pour rester dans la lignée des 4 ans et des 400 ans.

 

Mais j’ai lu aussi, pendant mon étude, que très vite des voix s’étaient élevées pour dire qu’il était urgent d’attendre, d’une part parce qu’on était loin de la fin du 3eme millénaire et SURTOUT parce que l’amplitude de la correction à apporter était du même ordre de grandeur que l’incertitude sur les mesures astronomiques relatives à l’évolution de la période de révolution de la terre. On ne pouvait donc pas s’engager.

 

Je n’ai pas ré-étudié la question depuis, pour savoir si nos astronomes de 2017, avec leurs moyens de 2017, étaient capables de dire quelle correction résiduelle il faudra faire dans les millénaires à venir.

 

Je sais juste que le calendrier actuel donne une année moyenne un peu longue et qu'il faudrait un jour rendre une année bissextile année normale (par exemple l'année 4000). Mais on constate que l'année tropique s'allonge et ne voit pas pourquoi cette tendance s'inverserait. Ceci compensera t'il cela ? A vos mesures !

Bonjour Mon Cher Sulren, :)

 

Merci pour ton très sympathique message. :wub:

 

Au sujet de la correction de Jean-Baptiste Delambre pour améliorer la précision à très long terme du calendrier grégorien (à savoir : supprimer le caractère bissextile de l'année 4000 et de ses multiples) je suis tout à fait d'accord avec toi : il est sera bien assez tôt vers 3900 [la dernière année séculaire avant l'an 4000] pour savoir si l'on doit supprimer le caractère bissextile à l'année 4000… D'autant plus que la durée de l'année tropique [ou “année des saisons”, qui ramène l'équinoxe de printemps à peu près vers le 21 mars] varie avec le temps ; voir ce qu'en dit Wikipédia : https://fr.wikipedia.org/wiki/Ann%C3%A9e_tropique. « La durée de l'année tropique varie selon l'époque. Elle diminue régulièrement, actuellement, d'environ 0,53 seconde par siècle. Elle était évaluée en 2000 à 365 jours 5 heures 48 minutes 45,198 secondes, soit 31 556 925,198 s ou 365,2421898 jours de 24 heures. Par simplification c'est la valeur de 365,2422 jours qui est employée. Il existe un léger écart avec l'année calendaire qui présente une valeur moyenne de 365,2425 jours depuis 1582, année d'adoption du calendrier grégorien. »

 

Et puis le calendrier grégorien n'en est encore qu'à ses débuts : ce n'est que le vendredi 15 octobre 1982 qu'a pris fin son premier cycle de 146 097 jours depuis le vendredi 15 octobre 1582 [400 années à 365,2425 jours]. Voir à ce sujet l'excellent article de Hubert Naudot intitulé Le calendrier grégorien dans l'Astronomie (la revue mensuelle de la Société astronomique de France) de novembre 1982 aux pages 515 à 521 : http://articles.adsabs.harvard.edu/cgi-bin/nph-iarticle_query?1982LAstr..96..515N&data_type=PDF_HIGH&whole_paper=YES&type=PRINTER&filetype=.pdf. D'ailleurs, le même Hubert Naudot a également publié un autre excellent article intitulé Le comput ecclésiastique dans l'Astronomie (la revue mensuelle de la Société astronomique de France) de 1984 aux pages 285 à 303 : http://articles.adsabs.harvard.edu/cgi-bin/nph-iarticle_query?1984LAstr..98..295N&data_type=PDF_HIGH&whole_paper=YES&type=PRINTER&filetype=.pdf.

 

A la fin de son premier article (celui de 1982 sur “Le calendrier grégorien”) Hubert Naudot indique ceci (à la page 521) : « Dores et déjà, nous pouvons conclure que Clavius et Grégoire XIII ont résolu avec une bonne approximation le problème du calendrier. Laissons à nos lointains descendants le soin d'apporter, le moment venu, les retouches qui apparaîtraient indispensables. »

Je signale en outre que l'astronome belge Jozef Denoyelle a également publié un excellent article intitulé Les 400 ans de la réforme grégorienne dans Ciel et Terre (la revue mensuelle de la Société astronomique francophone de Belgique) de 1982 aux pages 271 à 282 : http://articles.adsabs.harvard.edu/cgi-bin/nph-iarticle_query?1982C%26T....98..271D&data_type=PDF_HIGH&whole_paper=YES&type=PRINTER&filetype=.pdf.

Je signale enfin aux nouveaux webastrams que j'ai rédigé sur Webastro il y a quelques années un article intitulé Les chiffres mystérieux du calendrier 2011 qui leur apprendra peut-être bien des choses sur cet aspect assez peu connu de l'astronomie : http://www.webastro.net/forum/showthread.php?t=70554.

 

Et puis, avant de terminer, je voudrais faire savoir aux nouveaux webastrams le sérieux de l'ami Sulren :) lorsque nous avons dialogué d'une façon absolument remarquable dans mon sujet intitulé Le calcul de la date de Pâques (et plus spécialement ses interventions à partir du message ≠22) : http://www.webastro.net/forum/showthread.php?t=29116.

 

Roger le Cantalien. :rolleyes:

Modifié par roger15
Posté (modifié)

Bonjour,

 

@Serge Vieillard, à son retour du pays des aurores boréales. ;)

Merci pour votre message.:wub:

 

mais à mon retour, j'intègre la totalité de vos savoirs dans le futur prototype qui ne sera donc plus une copie de St Omer, mais un modèle authentique "Sulren".

 

Avant d’exécuter le rouage que je vous ai indiqué pour l’aiguille du dragon, déclinez le en plusieurs variantes et choisissez celle qui correspond pour vous au meilleur compromis entre le diamètre extérieur de l’astrolabe et son épaisseur, et qui procure aussi le meilleur équilibre esthétique de l’ensemble.

 

Il suffit d'écrire la fraction qui constitue le rapport de réduction de différentes manières, sans modifier sa valeur globale, et de choisir celle qui donne le rouage qui convient le mieux. Il me semble que c'est 146/73 * 49/93 car elle confond la roue A avec celle de 146 dents de l'araignée.

 

Voici différentes variantes:

J'en ai profité pour redonner au dragon une queue plus longue et plus adaptée à sa fonction, que dans mon post # 67.

 

StOmerDragon02%20RD_zpsypskaxxb.jpg

 

EDIT le 20/10/2017 :

Remplacement du dessin pour corriger une coquille en ligne 3 de la colonne A du tableau, qui faisait apparaître le nombre 58 au lieu du nombre exact 56.

Modifié par SULREN
Posté

Bonjour

 

EDIT: je n'ai pas encore bien compris le fonctionnement montré dans le lien YouTube que vous avez donné. C'est la grande roue située sous la terre qui me pose problème. Je ne vois pas si elle a une direction fixe dans l'espace....ce qui poserait problème pour les graduations de l'âge de la lune.

J'ai mis en ordre les croquis et je le join.

La grande roue c'est le disque Q de l' age de la lune qui a une direction fixe avec le soleil, il est solidaire avec le bras qui porte la terre et qui tourne une fois par an.

Je join la connection car je n' arrive pas à visualiser l' image.

Sur la doite en haut on voit les gravures que je pense de faire et que je prie de verifier.

Très interessant le travail en 3d de serge vieillard et magnifique ce de M.me Brigeou.

Au premier froid j' espere, moi aussi avec l' aide de mon amie, de reprendre le travail.

Je n' arrive pas à poster et à visualiser les images comme vous; quel est le parcours?

au revoir

Posté (modifié)

Bonjour,

 

Bonjour pippopippo,

Merci d’avoir mis le lien vers le schéma du rouage, que je reproduis ici:

 

sU2KiRf

sU2KiRf%20DD_zpsx5gn6541.png

 

En l'ouvrant j'ai pu comprendre le fonctionnement de votre planétaire et je suis en mesure de répondre à votre question initiale, à votre arrivée dans cette discussion.

 

1) Quand on voit comment vous avez représenté les croissants de lune et la lune gibbeuse, on en déduit que vous avez représenté la pleine lune par le disque entièrement noir et la nouvelle lune (c’est-à-dire l’absence de lune) par le disque dont l’intérieur est blanc et seulement le contour en noir.

En première lecture, je vois quelque chose qui ne va pas :

Vous avez mis la graduation 29 de l’âge de la lune à côté du symbole de la pleine lune. Il faut

mettre la pleine lune (disque noir) entre le 14 et le 15 et il faut mettre la nouvelle lune (disque blanc) en face du 29. La graduation 1 doit correspondre à un très fin croissant de la lune.

 

2) La roue dessinée en couleur violette et qui se trouve juste sous la terre porte l’axe de la terre. Elle garde une direction fixe dans l’espace, par rapport aux étoiles…..c’est-à-dire par rapport aux murs de votre maison. Cette roue correspond à l’araignée d’un astrolabe.

On voit bien aussi qu’elle garde une direction fixe dans l’espace simplement en examinant le rouage qui l’entraine.

C’est sur cette roue qu’il faut coller le disque du zodiaque et des mois. Comme cette roue garde une direction fixe dans l’espace on voit le soleil défiler devant les signes du zodiaque et devant les mois.

La correspondance entre les mois et les signes du zodiaque à graver est bien connue, surtout par les "astrologues" :laughing:

 

3) La roue dessinée en couleur verte sur le schéma et qui se trouve juste sous la grande roue violette, tourne à une vitesse que je n’arrive pas à calculer parce que je ne peux pas lire le nombre de dents des engrenages.

Elle est entrainé par un train de quatre roues/pignons à partir de la roue violette du bas qui représente le mouvement sidéral. Ce train semble réaliser la correspondance mouvement sidéral vers mouvement solaire. Cette roue verte garde donc probablement une direction fixe par rapport au soleil. C’est comme si elle était solidaire du bras jaune.

C’est sur elle qu’il faut porter les indications de la révolution synodique, c’est-à-dire le disque avec les phases de lune et l’âge de la lune. Les phases se voient aussi sur la petite boule blanche et noire qui matérialise la lune.

 

4) Le bras dessiné en vert fait un tour en une lunaison par rapport au soleil et à la terre, c’est-à-dire en 29 j 12 h 44 mn

 

5) Le disque incliné de couleur noire porte le plan de l’orbite lunaire et la ligne des nœuds. Il montre les saisons d’éclipses. Il correspond à l’aiguille du dragon sur un astrolabe.

 

Je soumets ces commentaires à votre analyse et reste à votre disposition pour en discuter.

 

PS : encore une fois bravo pour la magnifique réalisation, en laiton usiné, de ce planétaire !

 

EDIT du 22/10/2017: @pippopippo: je me suis permis d'insérer votre schéma dans mon post afin de faciliter la discussion. Je le supprimerai dès que vous aurez pu l'insérer vous-même.

Attention: il me semble que votre premier croissant, votre premier quartier et votre 1ere lune gibbeuse sont mal dessinés: il faut faire pivoter les symboles d'un demi-tour.

Modifié par SULREN
Posté

Merci de votre aide

1)J' ai corrigé selon vôtres indications et de l' édit au bas de la page.

2)J' ai fait deux cadrans, un grand fixe sur la périphérie de la boite avec les signes e les mois et qui est parcouru annuellement par la terre et l' autre plus petit, avec seulement les signes zodiacales fixé avec la roue qui porte l' axe de la terre et qui maintien une direction fixe.

3)C'est exacte, la roue porte les indications de la révolution synodique.

4)Oui

5)Le disque des nœuds fait un tour tous les 18,.... années. Je connait où placer les symboles du nœud ascendant et descendent ma je n' ai rien trouvé sur l' emplacement des autres signes que j' ai vu sur d' autres planétaires.

https://imgur.com/kg5EIac

J'ai vu que le dessin que vous recevez ce n' est pas un pdf et on ne peut pas l' agrandir.

Les rapports des dents ( que j' ai sans honte copié de Pearson ):

Azur :Terra 120/15 x 61/23 x 241/14 x 85/85 x 24 h = 365g 5h 48m 49 s

Vert :Luna 12/107 x 68/62 X 1 années solaire = 29g 12h 44m 1s

Rouge: Mese sidereo 67/64 x46/41 X 1 années solaire = 27g 18m 32s

Bleu: ciclo di saros 24/62 x 76/32 x 1 années solaire = 18a 22g 13h 49m 0s

J' ai trouvé sur Edinburg Enciclopaedia 1832 Vol 15 pag 732 -Planetary machines - Pearson mean motion , une complète description de l' appareil.

Bonne soirée

Posté (modifié)

Bonjour,

 

- 1) Indications sur disque ligne des nœuds :

Je connait où placer les symboles du nœud ascendant et descendent ma je n' ai rien trouvé sur l' emplacement des autres signes que j' ai vu sur d' autres planétaires.

Sur le disque de l'orbite de la lune je ne vois pas d’autres indications à porter que le nœud ascendant et le noeud descendant …..et peut-être l’apogée et le périgée ?

 

- 2) Indications sur le disque lune :

Ce n'est que ma vision des choses, mais voici comment je placerais les graduations et les symboles sur le cercle.

 

Graduations%20Lune%20RD_zpsaonduilm.jpg

 

- 3) Nombres de dents des trains de rouages.

Je n’ai pas calculé les périodes obtenues par les trains de rouages que vous avez indiqués, parce que je ne suis pas sûr de placer les nombres de dents au bon endroit sur le schéma.

Par exemple vous avez écrit :

Bleu: ciclo di saros 24/62 x 76/32 x 1 années solaire = 18a 22g 13h 49m 0s

 

Etes vous sûr du rapport : 24/62 x 76/32 ?

On a : 24/62 x 76/32 = 0,9193.…et je trouve qu’il devrait être égal à 0,9489…..pour que ce train d’engrenages réalise 1 tour du disque de la ligne des nœuds en 18,6 années tropiques.

Je ne parle pas de « saros » mais de « précession de la ligne des nœuds ». Ce sont deux notions différentes, même si les deux sont impliquées dans la prévision des éclipses.

 

-4)

J' ai trouvé sur Edinburg Enciclopaedia 1832 Vol 15 pag 732 -Planetary machines - Pearson mean motion , une complète description de l' appareil.

Merci pour cette indication. Je n’avais jusqu’à présent pas essayé de trouver ce schéma, parce que je conçois et calcule moi-même mes trains d’engrenages grâce à des outils logiciels que j’ai créés, ce qui me permet de bien maîtriser la précision obtenue par rapport à mes objectifs.

J'essaierai quand même de le trouver, parce qu'il y a toujours des idées intéressantes à glaner dans le travail des autres.

 

Bonne soirée.

Modifié par SULREN
Posté (modifié)

Bonjour,

 

je commence à mettre tout ça en musique.

En reprenant vos schémas, j'arrive à ça :

 

8125-1508789586.jpg

 

la taille des différentes roues n'est pas respectée. Comme pour le 1° proto, je pars sur un module général de 0.5 et certaines roues auront un module légèrement supérieur pour s'adapter à la géométrie de l'ensemble. Une couleur pour chaque aiguille. Bien sur, H engrène I (ici séparées pour plus de clarté).

 

Juste une question pour le Dragon (qui sur votre schéma a une superbe bouille désormais) : comment retrouvez-vous la valeur de 18.6 années, le train d'engrenages donnant un rapport de 1.05.....etc.?

Modifié par serge vieillard
Posté
Yo !

 

ce post revit, c'est merveilleux. Il tombe à point car, avec ma copine Brigeou, nous mettons au point une horloge astrolabe, elle en mettant tout son savoir faire dans la réalisation d'astrolabes en laiton (voir son site http://www.astrolabes.fr/), moi en réalisant le mécanisme mettant en mouvement les divers éléments.

Ce mécanisme est une copie de l'horloge de St Omer, qui se distingue par une élégante simplicité de moyens au regard du résultat offert. avec 8 engrenages, on renseigne :

- l'heure, avec l'aiguille du Soleil,

- le temps sidéral, avec l'araignée de l'astrolabe

- la Lune, avec l'aiguille de Lune et sa lunaison.

la configuration de l'ensemble offre de multiples lectures possibles, comme la position des astres dans le ciel, leur hauteur, leur heure de lever, de coucher, etc...

Ce projet est aujourd'hui rendu possible grâce au potentiel des imprimantes 3D. Bien sûr, on n'obtient pas le même charme, la même beauté mécanique que le tout laiton, le même savoir faire de l'horloger, mais elle permet la réalisation facile de choses complexes.

Voici le 1° prototype du mécanisme :

8125-1502005834.jpg

Il sera entrainé par un moteur d'horloge classique à pile.

Aujourd'hui, il a déjà bien évolué, pour offrir un fonctionnement optimal et le finaliser.

C'est assurément une belle aventure qui se traduira par la production d'un bel objet.

 

Je profite de votre érudition sur le sujet pour demander quelles solutions mécaniques sont mises en œuvre pour ajouter l'aiguille du Dragon ou ligne des noeuds, celle qui renseigne sur les éclipses,

ou dit autrement, quels rouages pourrais-je ajouter à ce mécanisme pour mettre en mouvement cette aiguille ?

 

C'est cool Serge hâte de voir ça

Posté

Bonjour,

 

@ Serge vieillard :

Je ne réponds ici qu’à cette phrase de votre post ci-dessus :

Juste une question pour le Dragon (qui sur votre schéma a une superbe bouille désormais) : comment retrouvez-vous la valeur de 18.6 années, le train d'engrenages donnant un rapport de 1.05.....etc.?

 

Je ferai plus tard mes commentaires sur le schéma que vous avez posté.

 

Je peux affirmer :

- Que j’ai déterminé de train d’engrenages du dragon et calculé les nombres de dents, uniquement pour les besoins de la présente discussion, parce que je n’avais pas travaillé sur ce sujet précédemment. Mes projets ont tous porté jusqu’à présent sur des planétaires à sphères mobiles (comme celui de pippopippo ou de Pasquallini) ou sur des cadrans du type « cadran du ciel apparent » comme celui de horloge de Jean Baptiste Schwilgué, qui indiquent directement les éclipses sans le truchement d’une aiguille du dragon.

- Que c’est le résultat de mon propre calcul et que je n’ai pas pris ces nombres sur une réalisation existante, éprouvée, dont j’aurais eu connaissance.

 

Il serait donc tout à fait légitime que vous ayez un doute sur le schéma que j’ai posté.

Je peux dire aussi :

- Que c’est le résultat d’études approfondies sur la mécanique céleste, sur le fonctionnement des horloges astronomiques existantes, sur la théorie des trains d’engrenages différentiels à pignons satellites, etc,

- Que je me suis créé au fil du temps des outils logiciels pour rechercher les meilleures combinaisons d’engrenages procurant un rapport donné avec une précision extrême,

- Qu’avant de poster des résultats sur un forum je prends soin de les vérifier de mon mieux, mais qu’une erreur est néanmoins possible (je l’ai même écrit).

 

Il ne serait donc pas déraisonnable que vous preniez le risque de réaliser ces engrenages en impression 3D…..et de ne vérifier l’exactitude du rouage qu’après coup.

En réalisation laiton, bien plus coûteuse, je serais plus circonspect.

 

Il est d’ailleurs possible que je fasse moi-même bientôt la seule vérification indiscutable : la vérification « sur pièces », avec des engrenages réalisés sommairement en matériaux légers.

En effet, j’ai soigneusement archivé toutes mes réflexions et calculs sur l’astrolabe objet de cette discussion, parce qu’il serait dommage d’avoir à refaire toute la démarche si j’en ai besoin un jour. Je serai donc tenté de valider tout cela de façon indiscutable avant la mise définitive « en conserve pour le cas où ».

Posté

Bonsoir à tous !

 

Ce fil de discussion est franchement génial, j'aurais adoré apprendre l'horlogerie et la mécanique en général (et je pense qu'un jour je sauterai le pas).

 

C'est agréable de voir que quelques passionnés retracent la conception de ces fantastiques machines à rêver.

 

Quand on se rend compte aujourd'hui avec la technologie à notre disposition, de la complexité des problèmes que cela pose, ça laisse à réfléchir sur le talent d'une civilisation qui aurait conçu il y a plus de 2000 ans, la fameuse machine d'Anticythère.

 

J'en ai découvert l'existence il y a peu de temps, et cela m'a littéralement bouleversé. Comment un objet d'une telle finesse et d'une telle complexité mathématique, mécanique, etc, a-t-elle pu voir le jour à l'époque ?

 

C'est tout simplement fascinant, l'héritage scientifique que cela représente, je dirais que c'est... astronomique !

 

Merci de nous faire partager vos recherches et développements, à coup sûr je continuerai de suivre avec attention vos projets.

Posté

Bonjour,

 

loin de moi l'idée de douter de vos calculs !!! je suis convaincu de vos données et d'ailleurs le plan va bon train avec les données que vous énoncez.

je ne doute pas, et je vais réaliser conformément à vos données.

 

Juste que, pour une parfaite compréhension du mécanisme et de remplir mon tableau Excel en bonne et due forme, je me demandais quelle était la formule qui permettait de retrouver ce chiffre de 18.6. Là, je butte sur ce ratio obtenu de 1.05etc.... bien que je sente que ça va le faire.

Posté

Bonjour,

 

@ Serge vieillard : commentaires sur le schéma posté au # 77

 

TYPE DE DENTURE :

Vous avez opté pour la denture en développante de cercle, c’est-à-dire celle de la mécanique générale (voitures, machines, industrie, etc) et pas pour la denture ogivale, celle de l’horlogerie et des horloges astronomiques. La comparaison des avantages et des inconvénients des deux dentures prendrait deux pages, donc difficile à donner ici. Le choix de denture dépend des critères esthétiques de chacun et des outils dont il dispose.

 

MODULES DES ENGRENAGES:

A cause des trains différentiels à pignon satellites vous serez contraint d’utiliser plusieurs modules et dont certains seront mêmes des modules « bâtards », c’est-à-dire autres que les standards 0,5 - 0,6 - 0,7 -0,8 – 0,9- 1 -1,25 – 1,5 – 2 – etc.

 

PIGNONS A FAIBLE NOMBRE DE DENTS :

Il en apparait sur votre schéma.

En denture ogivale, on descend facilement à 6 dents sans problème (en fait on dit « ailes » et pas dents en horlogerie, s’agissant des pignons).

 

En denture développante de cercle, on a un risque d’engrènement défectueux et dévastateur sur les pignons de moins de 17 dents. Cela dépend aussi de la roue sur laquelle ils engrènent, C’est le phénomène nommé « interférence » en Français et « undercut » ou « gear undercut » en Anglais.

En dessous de 13 dents ce phénomène se produit à coup sûr.

Le seul moyen de l’éviter est de tailler ces pignons et leur roue associée avec déport de denture, ce qui peut avoir pour conséquence de modifier l’entraxe. Voir illustration en fin de post.

Assurez-vous que votre logiciel sache définir le profil avec déport.

 

PIGNON CONIQUE DE LA LUNE :

Il s’agit du pignon conique situé à la base de l’aiguille de la lune et qui fait pivoter sur elle-même la petite boule blanc et noir.

Il semble bien positionné pour indiquer les phases de la lune dans l’hémisphère nord. Vérifiez le cependant. Il ne faudrait pas qu’il tourne dans le mauvais sens et montre les phases de lune dans l’hémisphère sud.

Certes, cela resterait exploitable, mais il faudrait se mettre sur la tête, afin d’avoir la tête en bas comme les gens de cet hémisphère.

:be:

 

ROUAGE DRAGON :

OK, c’est celui que j’avais indiqué. Il donnera une rotation de la ligne des nœuds en 18,60000 ans, au lieu de 18,60003 trouvé dans un document de l’IMCCE, mais à vrai dire seule la, ou les deux, premières décimales sont significatives.

 

ROUAGE LUNE

OK, c’est celui que j’avais indiqué. Il donnera une lunaison de 29,530 667 jours au lieu de 29,530 589 jours pour la théorique moyenne.

Le rouage de St Omer donne, lui : 29,500 000 jours.

 

ROUAGE HEURE SIDERALE ou ARAIGNEE

C’est celui de St Omer. Leur site indique une rotation en 23h 56mn 04s, soit la valeur théorique.

 

 

PS : COMPARAISON PROFIL DE DENTS :

Voici, pour la même norme et pour la même définition de pignon, la différence de profil créée par le taillage avec déport de denture (profils générés par un code de mon « cru », qui a dessiné aussi le pignon ogival de mon avatar).

 

Pignon%2012%20dents_zpsvsx2apee.jpg

Posté

Yoooo !

quel savoir !!!

J'utilise en effet de la développante de cercle avec angle standard de pression à 20°, ignorant l'existence de cette notion de débord de denture ou de denture ogivale.

Et je n'utilise pas de logiciel pour tracer automatiquement les roues (je ne peux en installer même si je sais qu'il en existe). Je me les tape une à une en CAO, ce qui me prend un temps certain.

Suite aux divers essais de roues imprimées,

- comme je vous l'ai dit précédemment, je fait maigrir le profil pour palier à l'empâtement du trait imprimé,

- mais aussi j'augmente d'un chouya les entraxes .

- c'est de l'ordre de 0,1mm pour ces 2 corrections.

Ainsi, tout tourne sans effort et sans heurs.

Est-ce suffisant pour prévenir l'usure prématurée du système ???? je n'en sait rien et me dit que ces rouages ne tourneront au grand maximum que 10000x dans leur vie pour les plus "rapides".... J'imagine au final faire un test d'usure en faisant tourner rapidement la chose quelques jours durant, ce qui devrait égaler un bon siècle d'usage....

 

 

Mais je vais regarder du côté des profils que vous mentionnez pour les petites roues, si je trouve une méthode pour les tracer (ou si vous avez une méthode de traçage à me proposer !)

 

Oui, j'ai bien sûr des modules "batards", ici faciles à tracer car juste affectés d'un rapport d'agrandissement-rétrécissement nécessaire au respect des entraxes induits par le montage.

 

Vu pour le pignon conique (j'me suis bien amusé à le dessiner celui-ci....) je vérifierai le sens de rotation induit par le système. S'il fallait qu'il tourne dans l'autre sens, il faudrait mettre le Soleil devant la Lune, ce qui ne me semble pas très joli... à suivre demain.

 

et encore merci pour vos précieux apports qui changent radicalement la donne de notre projet !!!

Posté

... Après des recherches infructueuses sur Internet pour trouver le "bon profil",

je suis tombé sur les sites d'horlogers amateurs (ou professionnels ?) où vous faites figure de référence. Aussi, quelques questions :

 

- à propos du profil ogival, avez-vous une référence, un document, un schéma légendé qui permettent de le dessiner ?

 

- j'ai vu des débats passionnés à propos du choix du profil, des effets néfastes sur les pignons à petit nombre de dents, etc. J'ai noté que ces effets était surtout sensibles en cas de train multiplicateur, dans le cas où le pignon est mené par une grande roue. Hors ici, ce sera l'inverse avec un mécanisme réducteur.... Peut-on donc en conclure sans crainte que "ça le fera" avec de la développante de cercle ? Par ailleurs, j'augmente les entraxes de 0,1mm. Est-ce suffisant ?

Cela étant et pour la beauté du geste si vous m'en donnez les éléments, je veux bien redessiner mes petits pignons < 13 dents !!!!

 

- le dessin théorique est aujourd'hui finalisé, épure avec tous les diamètres primitifs, puis denture des roues, positions, étagements, etc. Quelle belle bête ! Cependant le mécanisme à pris de l'embonpoint en épaisseur avec 7 roues supplémentaires. Elles font 2mm d'épaisseur et la roue du Soleil fait 2,5mm. J'ai initialement prévu d'utiliser pour les axes une corde à piano dia 1mm, sur laquelle s'enfilera les 4 tubes laiton pour transmettre le mouvement aux aiguilles et à l'araignée. Ces tubes s'étagent par mm, soit respectivement 2, 3, 4 et 5mm de diamètre extérieur. Je me demande si désormais la corde à piano de 1mm n'est pas un peu sous-dimensionnée pour supporter l'ensemble et qu'il conviendrait d'augmenter ces chiffres de 0,5mm. Qu'en pensez-vous et quel diamètre préconiseriez-vous ?

 

- tous les paliers des axes (CAP 1mm) des satellites seront manchonnés par un petit tronçon en tube laiton. Est-ce un luxe inutile ?

 

Merci pour vos contributions.

Posté (modifié)

Bonjour,

 

J’ai en effet le même pseudo sur tous les forums que je fréquente : Horlogerie, Usinage, Sciences, Astronomie…..et les autres.

 

Profil « OGIVAL » versus « DEVELOPPANTE DE CERCLE »:

- 1) En horlogerie le rouage du mouvement horaire qui entraine les aiguilles, ainsi que le rouage des sonneries, travaillent en trains d’engrenages multiplicateurs et à grand rapport de multiplication. D’où l’usage de pignons à peu de dents, engrenés par des roues de grand diamètre.

Ces rouages travaillent aussi sous fortes charge (à l’échelle de leurs toutes petites dents). Seul le rouage de minuterie « se la coule douce ». C’est celui qui entraine l’aiguille des heures à partir de l’axe des minutes et qui porte la came qui déclenche les sonneries.

Comme la denture ogivale a un meilleur rendement mécanique que la développante dans le cas des trains multiplicateurs, et que de surcroît elle permet les pignons peu nombrés : 6 dents sans problèmes, elle s’est imposée en horlogerie, jusqu'à aujourd'hui.

Ce n’est pas seulement une affaire de tradition.

 

- 2) En mécanique générale on travaille très majoritairement en trains d’engrenages réducteurs.

Mais on travaille aussi très couramment sous fortes charges : « ça ne rigole pas » dans les boîtes à vitesses, par exemple. Leurs pignons sont souvent taillés avec déport pas seulement pour leur faible nombre de dents, mais aussi parce que le déport épaissit la base des dents et les rend plus robustes (voir mon dessin plus haut). On leur donne aussi « la dent plus dure » par nitruration et on les profile de façon parfaite par rectification pour réduire les frottements.

 

Les deux dentures pouvaient donc faire l’affaire en mécanique, qui d’ailleurs jusques vers la fin du XIXe siècle a utilisé l’ogivale.

Mais la développante a un avantage énorme en matière d’usinage de ses dents. Elle nécessite un nombre bien plus faible de fraises modules, ou de fraises mères, pour couvrir toute la gamme des modules et des nombres de dents. Cet avantage de réduction des coûts et de bien meilleure aptitude à la standardisation était décisif et l’a imposée dans l’industrie et la mécanique générale.

 

- 3) Les rouages des mécanismes astronomiques (planétaires, astrolabes, etc) ne travaillent pas sous forte charge du tout. « Ils se la coulent douce ». Dans votre astrolabe la roue dentée de la lune ne va pas se faire un lumbago en remontant la petite boule blanc et noir de la lune depuis le bas du cadran jusqu’en haut.

Et les rouages de ces mécanismes travaillent presque toujours en train réducteur, comme la mécanique générale.

 

Techniquement on peut donc parfaitement utiliser la denture en développante, en prenant juste les précautions contre l’interférence, c'est à dire pas de pignons de moins de 13 dents, ou bien les profiler avec déport de denture. Ce n’est pas une question d’usure, mais d’impossibilité d’engrènement.

 

Quand ces mécanismes astronomiques sont construits par des horlogers, ils ont tendance à rester au profil ogival, par tradition, ou par simple compatibilité avec leur outillage, ou peut-être aussi parce que les dents à fond carré de l'horlogerie ancienne plaisent beaucoup, avec leur petit charme rétro.

Le planétaire de C. Pasquallini que j’ai montré plus haut n’aurait peut-être pas été présenté dans le n° 52 de la revue de l’Association Française des Amateurs d’Horlogerie Ancienne (A.F.A.H.A) dont je suis membre (d’où la petite pub pour eux) s'il avait eu des dents en développante. On aurait pu lui dire : «ça fait boîte à vitesses votre truc, l’huile en moins!».

J’exagère un peu, car il existe quelques pendules à dents en développante : des pendules Forêt Noires, bas de gamme.

 

Mais quand on en est aux engrenages en plastique, non plus taillés à la fraise module et au plateau diviseur, mais « crachés » par la buse d’une imprimante 3D, que reste t’il de la tradition horlogère? Alors pourquoi pas utiliser de la denture en développante.

Il faut aussi penser à l’équilibre esthétique de l’ensemble de l’astrolabe. Quel sera le look du cadran :

à l’ancienne, ou résolument moderne avec des symboles du zodiaque olé olé, un dragon du film Avatar,…?

 

LA RESISTACE A L’USURE :

J'imagine au final faire un test d'usure en faisant tourner rapidement la chose quelques jours durant, ce qui devrait égaler un bon siècle d'usage....

 

Ce test ne prouvera rien, j’en ai peur.

 

Quand on examine des horloges comtoises construites dans le Jura depuis le milieu du XIXe par des paysans, devenus horlogers l’hiver par nécessité, travaillant à domicile, avec des matériaux de l’époque et des outils peu évolués, ou quand on examine des mouvements de Paris construits plus industriellement vers la fin du XIXe, on ne constate pratiquement pas d’usure sur les dents des rouages.

Et pourtant il y a eu fonctionnement sous forte charge pendant des dizaines d’années.

L’usure est localisée au niveau des pivots: extrémités d'axes usées et trous ovalisés dans les platines.

 

Les plastiques ont souvent la propriété d’être auto-lubrifiés. Travaillant sous faible charge la denture en plastique devrait en principe résister longtemps à l’usure.

Mais la question porte sur leur stabilité dans le temps : stabilité dimensionnelle, stabilité chimique de leurs molécules suite à l’absorption d’humidité, l’action des moisissures, etc.

La construction en impression 3D, par empilement de fils, ne crée t’elle pas autant de portes d’entrée à ces agressions ?

La plupart des plastiques n’ont été créés qu’il y a quelques dizaines d’années. Nous manquons de recul sur eux, alors que pour les métaux des horloges nous avons des siècles de recul.

Je vois bon nombre d’objets en plastique, un peu anciens, durcir, devenir cassant, de fissurer, quelquefois se désagréger tout simplement.

 

Des amis « Usineux » m’ont donné des barreaux de PEEK, un des derniers nés des plastiques dit techniques (1978), bourré de qualités (donc cher), en me le recommandant pour les applications pointues, mais c’était pour le façonner par usinage. Peut-il servir dans les imprimantes 3D ?

 

http://www.usinage-peek.com/utilisation.html

 

VOS AUTRES QUESTIONS.

J’y répondrai, dans les limites de mes compétences, mais dans un autre post, celui-ci étant déjà excessivement long.

Modifié par SULREN
Posté

Bonjour,

 

Réponse aux questions ci-dessous de Serge Vieillard :

- à propos du profil ogival, avez-vous une référence, un document, un schéma légendé qui permettent de le dessiner ?

Mais je vais regarder du côté des profils que vous mentionnez pour les petites roues, si je trouve une méthode pour les tracer (ou si vous avez une méthode de traçage à me proposer !)

-1) GENERATION PROFIL en DEVELOPPANTE DE CERCLE :

C’est extrêmement facile, quel que soit le module, le nombre de dents, le déport de denture, positif ou négatif…… et que la lune soit montante ou descendante.

Il suffit de prendre la crémaillère de référence définie par la norme ISO 150 53 et de faire rouler cette crémaillère sur le disque à découper, dans un mouvement de translation conjugué avec la rotation du disque, dont la vitesse tangentielle au niveau du cercle primitif doit être égale à la vitesse de translation de la crémaillère.

Cette opération réalisée de façon informatique génère un dessin du profil recherché.

C’est le programme que j’ai écrit et qui a donné le dessin que j’ai montré au #83 (on voit en tracé vert le profil de la crémaillère de référence).

 

Mon objectif était de commander ensuite une machine à commande numérique « maison » pour tailler tous les profils avec une seule fraise scie (simple fraise plate au profil rectangulaire).

Aujourd’hui j’envisage d’interfacer ce programme avec une imprimante 3D. When ?

 

-2) GENERATION PROFIL OGIVAL :

C’est beaucoup plus difficile pour deux raisons :

 

- A) Il n’existe pas une norme unique.

Celle qui correspond le mieux aux dentures anciennes à fond de dents de forme carrée, est la British Standard 978 Part 2.

On voit les profils qu’elle produit sur le calculateur en ligne ci-dessous, par exemple.

Il suffit de remplir les 3 cases rouges et de cliquer sur le 1er lien bleu en bas de page.

 

https://www.csparks.com/watchmaking/CycloidalGears/CycloidCalculator.html

 

Je connais aussi, pour l’avoir achetée, la Norme de l’Industrie Horlogère Suisse NIHS 20 10 et 20 02.

C’est de l’ogival à fonds ronds, utilisée de nos jours sur les montres.

On trouve sur le net les autres normes suisses.

 

- B ) le profil n’est pas défini simplement par une crémaillère de référence, comme pour la développante, mais par des arcs de cercle qu’il faut mettre bout à bout.

Des tableaux de paramètres définissent les cercles et les points de jonction.

 

J’ai écrit un programme dans lequel j'ai rentré les équations de ces cercles et leur paramètres donnés par British Standard 978 Part 2. Il me dessine les profils correspondants.

Le but était là aussi de tailler tous les modules dans tous les nombres de dents avec une simple fraise scie sur une petite machine « maison » à commande numérique et éviter ainsi l'achat d'un grand nombres de fraises modules (des milliers d'Euros).

 

J’ai même simulé sur mon PC les commandes des axes de cette machine, en fonction des dimensions de la fraise scie disponible.

Voici les résultats obtenus sur trois pignons. Les traces noires sont les endroits où la fraise n’est pas passée.

 

Image%202%20D_zpshjve7bbk.jpg

 

Tout cela doit être maintenant interfacé avec une imprimante 3D. Je ne sais pas si j’y parviendrai («pisser» du code à mon âge, est-ce réaliste ?) :rolleyes:

Il existe même des imprimantes 3D qui permettent de monter une broche d’usinage à la place de la buse habituelle. Elles manquent probablement de rigidité pour usiner du métal, mais peuvent usiner des matériaux tendres. A étudier

 

@ Serge vieillard : désolé, j’ai bien conscience que tout cela ne vous aide en rien, sinon de vous donner des pistes.

 

Réponse à votre autre question :

Vu pour le pignon conique (j'me suis bien amusé à le dessiner celui-ci....) je vérifierai le sens de rotation induit par le système. S'il fallait qu'il tourne dans l'autre sens, il faudrait mettre le Soleil devant la Lune, ce qui ne me semble pas très joli... à suivre demain.

Non, pas besoin de passer le soleil devant la lune et cela n’est pas souhaitable.

Il suffit de passer le pignon conique qui à la base de l’aiguille de la lune, de l’autre côté du pignon monté en bout de l’axe du soleil, et de retourner ce dernier pignon sur son axe. Il faudra quand même créer une petite potence à fixer en bout de l’axe de la lune et dirigée vers l’arrière.

 

Sauvé, vous pourrez faire une version « hémisphère sud » de votre astrolabe. !:break:

 

Intégrez cette possibilité dès le début de la conception détaillée.

Posté (modifié)

Et bien merci pour toutes ces précisions.

Je vais donc rester sagement sur de la développante sur mes quelques p'tits pignons, que je trace comme les manuels le préconisent. Ne lisant pas l'anglais, j'avoue ne pas avoir compris grand chose sur le profil ogival, mais ce n'est pas grave.

Dans le doute, j'ai augmenté les entraxes à 0,15mm et ça va le faire ainsi.

 

Pour la Lune, pas de souci : elle tourne bien dans le bon sens !

 

voici une image issue des plans 3D, prêts pour l'impression :

 

8125-1509111010.jpg

jaune : motorisation horaire -Soleil

Bleu : Lune

vert : araignée

orange : Dragon

 

 

Très content du résultat et de l'immense pluvalue que vous avez apporté à ce projet.

 

Je monterais bien sur la réalisation finale.

Modifié par serge vieillard
Posté

@SURLEN : Merci pour votre dessin du disque lune; je dois farie graver les disques et c' est mieux verifier en avance.

au regard des nombres des dents je me suis trompé deux fois:

en realité :24/62 x 76/31 x 1 années solaire = 18a 223g 14h 49m 0s

@ Serge vieillard : quel logiciel employez vous pour les tres beaux dessins?

Bonne soirée

Posté (modifié)

Bonjour,

 

@ pippopippo :

@SURLEN : Merci pour votre dessin du disque lune; je dois farie graver les disques et c' est mieux verifier en avance.

au regard des nombres des dents je me suis trompé deux fois:

en réalité :24/62 x 76/31 x 1 années solaire = 18a 223g 14h 49m 0s

 

Avec ce rapport de 24/62 x 76/31 x 1 années solaire on retrouve à peu près la valeur 0,949011446 que j’ai indiquée au # 76 et donc la valeur de son inverse : 1/ 0,949011446 = 1,05372807 qui correspond presque à la valeur de la fraction de base 14/3 x 7/31 que j’avais indiquée à Serge vieillard au #72.

En effet 24/62 x 76/31 mène à 18,6122 années, au lieu de 18,6000

 

J’espère que nous verrons bientôt une présentation de votre planétaire dans un prochain numéro de la revue de l’A.F.A.H.A, ou de son équivalent en Italie. ;)

 

@ Serge vieillard :

Très beau travail de CAO. On a hâte de voir l’ensemble de l’astrolabe, avec ses cadrans.

Pour les axes concentriques j’achète les tubes chez L’Octant. Je suppose que c’est un de vos fournisseurs aussi.

 

Dans le doute, j'ai augmenté les entraxes à 0,15mm et ça va le faire ainsi.

« Le jeu est l’âme de la mécanique » dit-on, mais point trop n’en faut.

Trop de jeu, à cause d’un profil de denture inadapté, ou d’entraxe fixé trop grand, peut créer du flou dans la position des aiguilles, et quand il y a du flou……..

On risque de voir les aiguilles tomber de quelques degrés, par rattrapage du jeu, après le franchissement de leur point mort haut.

 

Bonne fin de réalisation !!!

 

NB : j’ai tardé à me remettre sur le « fofo » parce que j’ai passé trois jours avec mon fils et que j’en ai profité pour avancer sur les interfaces avec les imprimantes 3D, qu’il pratique bien, et de parler de sérigraphie qu’il pratique aussi (c’est pour mes futurs cadrans).

Modifié par SULREN

Rejoignez la conversation !

Vous pouvez répondre maintenant et vous inscrire plus tard. Si vous avez un compte, connectez-vous pour poster avec votre compte.

Invité
Répondre à ce sujet…

×   Collé en tant que texte enrichi.   Coller en tant que texte brut à la place

  Seulement 75 émoticônes maximum sont autorisées.

×   Votre lien a été automatiquement intégré.   Afficher plutôt comme un lien

×   Votre contenu précédent a été rétabli.   Vider l’éditeur

×   Vous ne pouvez pas directement coller des images. Envoyez-les depuis votre ordinateur ou insérez-les depuis une URL.

  • En ligne récemment   0 membre est en ligne

    • Aucun utilisateur enregistré regarde cette page.
×
×
  • Créer...

Information importante

Nous avons placé des cookies sur votre appareil pour aider à améliorer ce site. Vous pouvez choisir d’ajuster vos paramètres de cookie, sinon nous supposerons que vous êtes d’accord pour continuer.