Aller au contenu

Messages recommandés

Posté
Il y a 2 heures, lordzurp a dit :

le postulat de base, c'est que ceux qui se lancent dans l'aventure ne veulent pas acheter une cam à 1000€, et donc tournent avec des petites comme ma 224. c'est du recyclage ;)

Je comprends bien ton propos mais justement, pourquoi ne pas utiliser comme boitier un morceau de tube aluminium normalisé ( diamètre 80 x 2 mm ou 100 x 2 mm par exemple)  qui sera facilement accessible par tous pour un prix modique plutôt qu'un boitier de caméra existant qui fera défaut à bon nombre d'entre nous ? 

Pour le raccord au télescope, il existe toutes sortes de bagues d'adaptation qui peuvent être collées à l'extrémité du tube ou on peut également faire usiner ou imprimer un bouchon.

Il y a 3 heures, lordzurp a dit :

et l'autre grosse contrainte, j'ai un tout petit téléscope, et donc je suis fortement limité par le poids ! on m'a preté un a7s, mais c'est inutilisable, le tube plonge :(

Là par contre, tu risques de te heurter à un problème insoluble... Pour info, ma cam en ordre de marche pèse 720 grammes ! En comparaison l' A7s pèse 490 grammes ! 

On peut sûrement faire plus léger que celle que j'ai construit mais ça me semble difficile de descendre en dessous des 500 g.

En tout cas, tout ça mérite d'être creusé ! Encore bravo pour l'initiative ! 

Didier.

Posté (modifié)

je viens de peser ma 224, je suis à 115g, dont 80 de boitier

je vise les 250g au final ;)

 

edit :

pour le boitier, le premier critère des projets que je lance c'est d'abord de répondre à mon besoin ... :D  ensuite, je mets un coup de polish et je publie un truc reproductible

c'est ce qui s'est passé avec teenastro : première version super mini, ça marche et ça tient sur mon setup. là je refais une version propre, basé sur le format du raspberry pi, avec un boitier facilement trouvable et simple à fabriquer. mais je pense que je vais continuer à utiliser ma première version :) 

Modifié par lordzurp
Posté

Merci !

J'ai hâte même si je me dis qu'il va falloir un peu de temps pour m'habituer à la caméra. C'est quand même moins facile à utiliser que le Canon EOS ! 

Il y a 7 heures, kelvin a dit :

j'arrive pas à descendre en dessous des -3 °c 

Peux-tu nous en dire un peu plus sur ton montage ... ?

Posté

Je viens de retrouver une photo de tes pièces détachées. Il semblerait que la surface de contact de ton doigt froid avec ton peltier soit réduite à un cercle de 19 mm de diamètre...

Il faudrait avoir l'avis de @Pierre_Ch mais le problème pourrait venir de là. La base du doigt froid que j'ai copié est un carré de 30 x 30 mm (même dimension que le peltier) ce qui permet de récupérer le froid du peltier sur la totalité de sa surface.

Posté

La surface du radiateur que j'avais trouvé sur la bay n'était pas assez importante pour boucher l'ouverture pratiquée sur le couvercle de la boîte pour la rendre étanche.

J'ai donc du intercaler une plaque en alu entre le peltier et le radiateur et je pense avoir une importante déperdition de température  à ce niveau là.

j'ai trouvé chez ali un radiateur de 60X60 par 18 j'espère que ça sera suffisant pour dissiper la chaleur avec un bon ventilo.

Je pense que je n'avais pas de pont thermique, j'avais pris toutes les précotions vis nylon etc. 

je devrais être fixé dans deux trois jours avec le nouveau montage.

D'après ton montage tu aspires l'air du radiateur, est-ce meilleur que de souffler ?

Posté
il y a 28 minutes, dpapavoine a dit :

Je viens de retrouver une photo de tes pièces détachées. Il semblerait que la surface de contact de ton doigt froid avec ton peltier soit réduite à un cercle de 19 mm de diamètre...

Il faudrait avoir l'avis de @Pierre_Ch mais le problème pourrait venir de là. La base du doigt froid que j'ai copié est un carré de 30 x 30 mm (même dimension que le peltier) ce qui permet de récupérer le froid du peltier sur la totalité de sa surface.

 

Oui cela semble logique ce que tu dis, je vais étudier ça. Merci pour le conseil. 

Posté (modifié)

ça y est, j'ai fini le topic !!

bon j'avoue, j'ai lu certaines pages en diagonale ...

 

premier jet de la chambre du capteur :

 

chambre_capteur.PNG.1f2fdedd42eea338029f9a0588830728.PNG

 

ça va sur ça 

 

mecanique.thumb.PNG.272516773e88a885ce14c3195e003d49.PNG

 

- un joint torique à la base, pour faire l'étanchéité avec le PCB

- une plaque de cuivre de 1mm (ouverte à l'endroit des pins) pour le contact avec le peltier

- un peltier 20x30mm

- la sonde de T° calée comme je peux contre le capteur (surement montée sur des fils qui seront résinés à l'autre bout)

- une vitre de D 37mm sur le dessus, collée étanche sur la chambre

- 4 vis qui seront vissés sur des plots soudés sous la carte (les 4 grosses pastilles) pour que la chambre soit solidaire du PCB

- 4 vis pour maitnenir le tout dans le boitier

 

le tout tient dans le boitier, ya presque 0.5mm de jeu :)

 

sur le papier ça doit passer ... mais bon, "on sait jamais !"

 

ouvert aux commentaires ;)

Modifié par lordzurp
Posté
Il y a 2 heures, kelvin a dit :

D'après ton montage tu aspires l'air du radiateur, est-ce meilleur que de souffler ?

J'ai lu ça quelque part sur le forum qu'il était effectivement préférable d'aspirer l'air mais je ne sais plus où ! 🤔

Posté
11 часов назад lordzurp сказал:
Цитата

 

уплотнительное кольцо в основании для уплотнения с печатной платой

- медная пластина 1 мм (открытая в месте расположения штифтов) для контакта с пельтье

- пельтье 20х30 мм

- зонд T ° прижат как можно ближе к датчику (обязательно закреплен на проводах, которые на другом конце будут покрыты смолой)

- стакан D 37мм сверху, запаянный на камеру

- 4 винта, которые будут прикручены к припаянным шпилькам под платой (4 большие контактные площадки), так что камера будет заодно с печатной платой

- 4 винта для удержания всего в коробке

 

все умещается в кейсе, люфт почти 0,5мм :)

 

на бумаге это должно пройти ... но эй, "как знать!"

 

открыт для комментариев ;)

С поправками 11 часов назад по lordzurp

 

Привет Lordzurp! Хорошая работа, ваша работа над проектом CAM87 радует глаз. Когда запланирован тест камеры? Результат очень интересный. Если все работает, хочу повторить ваш дизайн. Я еще не вижу вашу третью карточку с ПЗС-сенсором на вашей странице https://easyeda.com/lordzurp, вы разместите ее на easyeda.com позже?

 

Posté
Il y a 13 heures, lordzurp a dit :
Citation

 

- un joint torique à la base, pour faire l'étanchéité avec le PCB

- une plaque de cuivre de 1mm (ouverte à l'endroit des pins) pour le contact avec le peltier

- un peltier 20x30mm

- la sonde de T° calée comme je peux contre le capteur (surement montée sur des fils qui seront résinés à l'autre bout)

- une vitre de D 37mm sur le dessus, collée étanche sur la chambre

- 4 vis qui seront vissés sur des plots soudés sous la carte (les 4 grosses pastilles) pour que la chambre soit solidaire du PCB

- 4 vis pour maitnenir le tout dans le boitier

 

le tout tient dans le boitier, ya presque 0.5mm de jeu :)

 

sur le papier ça doit passer ... mais bon, "on sait jamais !"

 

ouvert aux commentaires ;)

 

Bonjour Lordzurp! Bon travail, votre travail sur le projet CAM87 est agréable à regarder. Quand le test de la caméra est-il programmé? Le résultat est très intéressant. Si tout fonctionne, je veux répéter votre conception.
Je ne vois pas encore votre troisième carte avec capteur CCD sur votre page https://easyeda.com/lordzurp, allez-vous la publier sur easyeda.com plus tard? Succès en développement!

 

Posté (modifié)

Hi @Elektron !


I schedule to order the boards late this week, the design seems to be OK now, I solved the last mechanical issues

10-15 days to receive them, and I hope starting the test by the end of the month.

 

The design is open, please be my guest, but don't forget to share your developpement  ;)

 

there is no 3th card, the sensor is on the back of the logic board

Modifié par lordzurp
Posté

yop

 

hier ma box avait sauté, je pouvais pas enregistrer mon projet sur le cloud (c'est mâââgique)

j'suis parti à faire ça, vite fait, pour passer le temps ... 2h, +1h ce matin pour clean

 

carte sensor 45x50

sensor.thumb.PNG.4510a89c5068e44ce431fdef0c36be09.PNG

 

carte logic (avec une barette coudée, bien sur) 36x44

logic.PNG.c5f861cf818f0471622ad6358849d7f7.PNG

 

carte power 45x50

power.PNG.358340987ca6129198ea2dd51f4aff03.PNG

 

même principe pour la chambre capteur que au dessus

doigt de 30x20, peltier de 40x40, radiateur de 40x40x25, ventilo de 40x40x25B dessus

ça fait une boite de 60x50x60

 

c'est le même schéma que l'autre, si la première fonctionne ya pas d'raison ...

 

 

Posté (modifié)

ouais, tout chagé ! pour mieux et plus gros

 

les MC34063 sont toujours là, tuné pour l'alim en 5V

le 6V est un 78N06 (plus gros que le L)

le 3V3 est un AMS1117, 800mA

VT1 (le mosfet) est un 6A

les boitiers sont passé en SOT223, plus grand avec une meilleure dissipation

 

j'ai épluché les datasheets d'au moins 20 chips pour finir sur ceux là

Modifié par lordzurp
Posté (modifié)
il y a une heure, lordzurp a dit :

ouais, tout chagé ! pour mieux et plus gros

 

les MC34063 sont toujours là, tuné pour l'alim en 5V

le 6V est un 78N06 (plus gros que le L)

le 3V3 est un AMS12117, 800mA

VT1 (le mosfet) est un 6A

les boitiers sont passé en SOT223, plus grand avec une meilleure dissipation

 

j'ai épluché les datasheets d'au moins 20 chips pour finir sur ceux là

 

Et les câbles USB c'est du 5G1.5 ! :D

En tout cas, bravo !

 

Par contre dans ton dernier schéma, je vois pas ou irait le doigt froid ou chaud ? ça va être tendu pour le placer ou alors j'ai mal lu.

Modifié par Greg34
Posté
Le 09/11/2020 à 22:52, lordzurp a dit :

ça y est, j'ai fini le topic !!

bon j'avoue, j'ai lu certaines pages en diagonale ...

 

premier jet de la chambre du capteur :

 

chambre_capteur.PNG.1f2fdedd42eea338029f9a0588830728.PNG

 

ça va sur ça 

 

mecanique.thumb.PNG.272516773e88a885ce14c3195e003d49.PNG

 

- un joint torique à la base, pour faire l'étanchéité avec le PCB

- une plaque de cuivre de 1mm (ouverte à l'endroit des pins) pour le contact avec le peltier

- un peltier 20x30mm

- la sonde de T° calée comme je peux contre le capteur (surement montée sur des fils qui seront résinés à l'autre bout)

- une vitre de D 37mm sur le dessus, collée étanche sur la chambre

- 4 vis qui seront vissés sur des plots soudés sous la carte (les 4 grosses pastilles) pour que la chambre soit solidaire du PCB

- 4 vis pour maitnenir le tout dans le boitier

 

le tout tient dans le boitier, ya presque 0.5mm de jeu :)

 

sur le papier ça doit passer ... mais bon, "on sait jamais !"

 

ouvert aux commentaires ;)

 

 

Hello LordZup,

 

Super ton routage mais y'a des trucs que je ne comprends pas (peut-être parce qu'on ne voit pas l'assemblage complet).

 

Tu dis que tu as un torique pour faire l'étanchéïté avec le PCB, il est ou ton torique sur le PCB ? Dans la zone circulaire sérigraphie  je ne vois pas d'endroit ou il n'y a que du PCB sans pastilles de soudure (notament la rangée de 5 pastilles ) ? Et il y a plein de vias sur le PCB qui rendent celui ci pas étanche.

Il y a une autre pièce de l'autre coté ? Comment fais tu l'étanchéïté autour du doigt froid ?

 

Au niveau du torique, je crois comprendre que tu as ménagé un logement demi circulaire pour le loger. Attention il faut plutôt faire un logement rectangulaire de telle façon que quand tu écrases tes pièces l'une contre l'autre, le joint puisse remplir le volume de la section rectangulaire.

Si tu fais comme tu as dessiné, tu ne pourra pas mettre au contact ta pièce avec le PCB, tu ne pourras jamais écraser le joint ....

 

Tu empiles les PCB circulaires si j'ai bien compris ? Donc ton peltier et son radiateur comment sont-ils montés ?

 

Excuses moi pour toutes ces questions , je pense que je n'ai pas compris ton montage.

 

Pierre

Posté
Il y a 1 heure, lordzurp a dit :

yop

 

hier ma box avait sauté, je pouvais pas enregistrer mon projet sur le cloud (c'est mâââgique)

j'suis parti à faire ça, vite fait, pour passer le temps ... 2h, +1h ce matin pour clean

 

carte sensor 45x50

sensor.thumb.PNG.4510a89c5068e44ce431fdef0c36be09.PNG

 

carte logic (avec une barette coudée, bien sur) 36x44

logic.PNG.c5f861cf818f0471622ad6358849d7f7.PNG

 

carte power 45x50

power.PNG.358340987ca6129198ea2dd51f4aff03.PNG

 

même principe pour la chambre capteur que au dessus

doigt de 30x20, peltier de 40x40, radiateur de 40x40x25, ventilo de 40x40x25B dessus

ça fait une boite de 60x50x60

 

c'est le même schéma que l'autre, si la première fonctionne ya pas d'raison ...

 

 

Super ton concept avec une carte senseur rectangulaire ! Le trou pour le doigt froid est tout bon pour moi

 

Tes cartes logic et alim se mettent donc à 90° par rapport à la carte capteur ?


 

Posté (modifié)
il y a 21 minutes, Pierre_Ch a dit :

 

 

Hello LordZup,

 

Super ton routage mais y'a des trucs que je ne comprends pas (peut-être parce qu'on ne voit pas l'assemblage complet).

 

Tu dis que tu as un torique pour faire l'étanchéïté avec le PCB, il est ou ton torique sur le PCB ? Dans la zone circulaire sérigraphie  je ne vois pas d'endroit ou il n'y a que du PCB sans pastilles de soudure (notament la rangée de 5 pastilles ) ? Et il y a plein de vias sur le PCB qui rendent celui ci pas étanche.

Il y a une autre pièce de l'autre coté ? Comment fais tu l'étanchéïté autour du doigt froid ?

 

Au niveau du torique, je crois comprendre que tu as ménagé un logement demi circulaire pour le loger. Attention il faut plutôt faire un logement rectangulaire de telle façon que quand tu écrases tes pièces l'une contre l'autre, le joint puisse remplir le volume de la section rectangulaire.

Si tu fais comme tu as dessiné, tu ne pourra pas mettre au contact ta pièce avec le PCB, tu ne pourras jamais écraser le joint ....

 

Tu empiles les PCB circulaires si j'ai bien compris ? Donc ton peltier et son radiateur comment sont-ils montés ?

 

Excuses moi pour toutes ces questions , je pense que je n'ai pas compris ton montage.

 

Pierre

 

Salut @Pierre_Ch 

aucun soucis pour les questions, c'est pour ça que je poste ici !

 

- les vias sont bouchés par le vernis à la fabrication, et je vais tropicaliser (vernir) la carte en +. je pense que ça fera le job pour l'étanchéité

- les 5 pastilles (le port de programmation pour le µC STM32) sera rebouché par de l'étain, donc étanche

- le doigt froid (ou chaud plutot ici) fera pile la taille du trou (usiné maison), et collé à la composite coté composant (ou au silicone, moins violent)

- le peltier sera juste sous le capteur, le doigt chaud sous lui, qui passe à travers les PCB. je vais faire une lumière pour dégager les pins du connecteur traversant (qui sera mis au plus juste)

- le peltier est soudé sur le dos de la carte, à coté du capteur (le dessin du petit connecteur 2 points, en bas à gauche)

- bien vu la section carrée pour le torique 👍 

- le torique fera surement 47x49mm (section de 1 je pense), et donc son extérieur passe juste sur la sérigraphie. j'ai un peu de marge, ptet passer sur un 46x48, à voir quand j'aurai les pièces en main pour affiner le plan et lancer une première impression

 

voici un autre plan haute résolution du montage, en vue de coupe (pardon pour les taches de vape ...)

 

.JPG.d7ff6724d5d693517a687ffa6857056c.JPG

Modifié par lordzurp
Posté

Wouaw, je vous laisse seul quelques jours et je reviens avec un TGV de retard :lol:

 

Le 08/11/2020 à 07:14, lordzurp a dit :

avec ce principe de doigt chaud, l'intérieur du boitier est + chaud

Attention avec le doigt chaud car tu va prendre l'innertie d'un doigt froid et lors de l'arret ton peltier va prndre toutes le caloris dans la tête et ça il risque de pas apprécier.

Pour le Peltier direct au cul c'est ce que j'ai sur mon montage, l'avantage est que le capteur descent vite inconvenient pas d'inertie, à refaire je mettrais un doigt froid.

Le 08/11/2020 à 20:11, Pierre_Ch a dit :

Si l'environnement du capteur est chaud, c'est encore pire car du coup le seul endroit froid va être le capteur et il va donc bien condenser puis givrer s'il reste de l'humidité.

+1

Par contre c'est un beau travail que tu as fait, la version "carré " me tenterait bien, par contre si je peux me permettre à être dans le tuning, sur la carte sensor, j'écarterais un peu les composants du CCD afin d'avoir de la place pour faire un doublage du doigt froid en DEPRON ça ferait une petite isolation supplementaire.

 

Posté (modifié)

merci pour tes retours @pagpatrice !

 

bon, si tu valides pas le peltier directement sous le capteur, je vais voir ce que je peux faire ...

 

pour la carte sensor, vu qu'il y a rien à droite, on peut imaginer déplacer le capteur de 5mm, pour laisser de la place à gauche. c'est rien comme modif, à voir quand j'aurai validé le premier proto :) 

ça décentre par rapport à la carte, mais ça se règle sur la conception du boitier

 

edit :

bon, le but c'est de gagner de l'inertie. donc il faut de la matière

et si c'est toute la c hambre qui est en cuivre et qui est refroidie ? 🤔

Modifié par lordzurp
Posté
il y a 24 minutes, lordzurp a dit :

merci pour tes retours @pagpatrice !

 

bon, si tu valides pas le peltier directement sous le capteur, je vais voir ce que je peux faire ...

 

pour la carte sensor, vu qu'il y a rien à droite, on peut imaginer déplacer le capteur de 5mm, pour laisser de la place à gauche. c'est rien comme modif, à voir quand j'aurai validé le premier proto :) 

ça décentre par rapport à la carte, mais ça se règle sur la conception du boitier

 

edit :

bon, le but c'est de gagner de l'inertie. donc il faut de la matière

et si c'est toute la c hambre qui est en cuivre et qui est refroidie ? 🤔

 

Un doigt froid ça t'ajoute un peu d'inertie mais pas de quantités de calories à pomper en plus s'il est bien isolé du reste de la méca.

Si tu cherches à refroidir toute la chambre, tu vas devoir pomper bien plus de calories avec le peltier, tout ce qui est en contact avec la chambre va t'apporter des calories par conduction et comme la chambre est assez grosse, tu vas aussi capter des calories par rayonnement.

 

Ce qui est fait dans certaines caméras, c'est de faire en sorte que la chambre autour du CCD (en alu la chambre) soit reliée à la face chaude du peltier qui est du coup juste sous le capteur. Les  connexions du CCD sont réalisées par un petit PCB qui sort sur une nappe qu'il est "facile" de faire passer à travers la chambre de manière étanche. le capteur de température est situé sur ce même PCB et est en contact avec le CCD. La face arrière de la chambre est reliée à un radiateur + ventilo.  Avec ce genre de montage pas de doigt chaud ou froid et tu utilises les calories de la face chaude pour réchauffer par conduction un peu le hublot qui est collé sur le dessus de la chambre...

 

Pierre

  • Merci / Quelle qualité! 1
Posté

Allez ! Histoire de partager  jusqu'au bout, je joins les plans du montage que j'ai réalisé.

Comme vous pouvez le voir, pas de CAO pour moi ! J'en entends qui se marrent ! 🤣

M'en fiche ! Ca marche quand même ! :eheh:

Didier.

Cam86 plan a.jpg

Cam86 plan b.jpg

  • Merci / Quelle qualité! 1
Posté
Il y a 9 heures, dpapavoine a dit :

Allez ! Histoire de partager  jusqu'au bout, je joins les plans du montage que j'ai réalisé.

Comme vous pouvez le voir, pas de CAO pour moi ! J'en entends qui se marrent ! 🤣

M'en fiche ! Ca marche quand même ! :eheh:

Didier.

Cam86 plan a.jpg

Cam86 plan b.jpg

Hello Didier,

 

Très bien ton dessin, on s'en fout de la CAO ou pas, du moment qu'on arrive à faire quelque chose, c'est le plus important.

 

J'ai juste une remarque, si je comprends bien ton schéma, le capteur est en appui sur une pièce de la face avant ? Ce sont juste des petits appuis localisés ou ça fait tout le tour ?

Pour moi ce n'est pas optimal car du coup tu ramènes des calories par cet appui (si ta pièce d'appui est un bon isolant, c'est moins grave)

A mon sens il faut limiter au minimum les contacts entre le capteur (qu'on veut refroidir) et le reste du monde, ça veut donc dire :

 

- Contact capteur doigt froid

- Contacts par les broches de connexion

 

Et rien d'autre !

 

J'ai soudé le capteur sur sur support de façon à pouvoir le plaquer sur le doigt froid en réglant les vis de maintien de la carte, ça évite l'appui du capteur ailleurs.

L'idéal serait de faire un doigt froid plus large que le capteur et pouvoir ainsi brider le capteur avec une plaque de métal en appui sur la fenêtre du ccd  et vissé sur le doigt froid. De cette façon, on ajoute un peu d'inertie (la pièce en métal) mais on n'a pas de contacts thermiques  parasites.

Posté

salut!

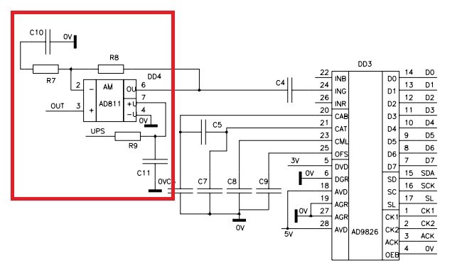
J'aimerais connaître votre opinion sur une question alors que nous concevons une nouvelle version de la Cam87. L'AD811 en fonctionnement a été retiré du projet CAM87 dans un but de simplification et parce que la caméra a reçu une certaine amélioration de la qualité de la puissance et de la mise en forme des impulsions. Cet amplificateur a amélioré le rapport signal sur bruit du CCD et augmenté le niveau du signal de la matrice. Les économies ne sont pas si grandes - un microcircuit et trois éléments smd. En conséquence, la qualité d'image de la caméra s'est améliorée, les rayures ont disparu, mais le gain a diminué (. Peut-être que vous devriez le retourner et le placer à côté de la matrice sur la carte CCD dans votre dernier design, si l'espace le permet? La version ronde de la carte est très étroitement câblée, vous devez y penser. Il y avait également des recommandations lors du câblage de la carte pour essayer de remplir la carte avec une mise à la terre autant que possible, mettre de petites selfs smd dans les circuits d'alimentation, l'épaisseur des conducteurs d'alimentation, où il est souhaitable d'augmenter la consommation - tout cela est de réduire le bruit de la caméra.

Posté (modifié)

Pour LordZup,

 

Un petit schéma expliquant ce que je considère comme un montage capteur idéal et du coup pourquoi il faut un trou dans le PCB assez grand . Ici, le doigt froid fait 44 mm de large...

 

Doigt-froid.png

Modifié par Pierre_Ch
Posté

Vite fait

 

@Pierre_Ch vu la carte capteur, elle est vide on peut tout imaginer :) après faut faire la pièce..  

 

@Elektron bonnes remarques 

J'ai déjà retouché les alimentation pour améliorer le filtrage, à voir pour les self 

Le ad811 rien vu qui en parlait sur le forum de Kiev,  as-tu des informations la dessus stp ?

Rejoignez la conversation !

Vous pouvez répondre maintenant et vous inscrire plus tard. Si vous avez un compte, connectez-vous pour poster avec votre compte.

Invité
Répondre à ce sujet…

×   Collé en tant que texte enrichi.   Coller en tant que texte brut à la place

  Seulement 75 émoticônes maximum sont autorisées.

×   Votre lien a été automatiquement intégré.   Afficher plutôt comme un lien

×   Votre contenu précédent a été rétabli.   Vider l’éditeur

×   Vous ne pouvez pas directement coller des images. Envoyez-les depuis votre ordinateur ou insérez-les depuis une URL.

  • En ligne récemment   0 membre est en ligne

    • Aucun utilisateur enregistré regarde cette page.
×
×
  • Créer...

Information importante

Nous avons placé des cookies sur votre appareil pour aider à améliorer ce site. Vous pouvez choisir d’ajuster vos paramètres de cookie, sinon nous supposerons que vous êtes d’accord pour continuer.