Aller au contenu

Messages recommandés

Posté

Great guys, I will ask you to do some tests with your camera soon if I can get a result here first.

 

The update is that I gave up trying to do software PWM during frame reads with the existing camera wiring. It is not possible to do it fast enough without affecting the image reading.

 

Now I moved onto doing real hardware PWM and I already did some tests on my camera:

1. I disconnected the TEC pin PB0 and "moved" the humidity pin PB1 to the TEC control. This required moving two resistors and and some extra wires but I did not need to cut any traces on the PCB. Note that our IIS PCB is slightly different than the original Ukrainian one.

2. I modified the firmware to use real PWM control of the TEC on the humidity pin.

3. I can change the PWM frequency between 125Hz, 1KHz and 8KHz. It may be possible to go higher to 16KHz but that would require lots of firmware changes (ATMega cannot go faster unless we reduce the PWM resolution).

4. We are still using the MOSFET on the PCB, the aim of this was to do minimal change to the PCB.

 

An important thing to note is that the the PWM is running all the time and that it is not related in time to the frame reading. The "stripes" will be positioned differently in every image and should disappear if lots of images are stacked.

 

First the good news... the sensor temperature is extremely stable.

 

Now to the results. First I would like to do a blind test so I have attached a few images. The images are taken at different PWM and there is also a 40 image stack. All images are in random order.

Can you please comment if you see horizontal noise or patterns and in which images. Thank you.

 

By the way, it is possible to keep the humidity sensor. That would require extra soldering work to "swap" the TEC and humidity pins. If no humidity sensor is used then only one pin needs to be reconnected.

1.png

2.png

3.png

4.png

  • Merci / Quelle qualité! 1
Posté
il y a 59 minutes, luka a dit :

 

Now to the results. First I would like to do a blind test so I have attached a few images. The images are taken at different PWM and there is also a 40 image stack. All images are in random order.

Can you please comment if you see horizontal noise or patterns and in which images. Thank you.

Hi Luka,

you should put the raw pictures on your drive it would take correct measures because in PNG this is not valid

 

Posté
Il y a 3 heures, luka a dit :

First the good news... the sensor temperature is extremely stable.

 

Good news!

 

Il y a 3 heures, luka a dit :

Now to the results. First I would like to do a blind test so I have attached a few images. The images are taken at different PWM and there is also a 40 image stack. All images are in random order.

Can you please comment if you see horizontal noise or patterns and in which images. Thank you.

 

For the game:

Picture 1: 1 KHz PWM

Picture 2: 8 KHz PWM

Picture 3: 125 Hz PWM

Picture 4: Stack of 40 pictures.

 

On the picture 4 i see diagonal line on the noise. DD12 lacks some power?

I tested the replacement of DD12 here.

Posté

Patrice, great idea. Here is the folder with the fits files. Some of the files are different than those posted before and I also added few extra files. The description is in the file info.txt.

I am about to start another test with a different thermal paste and I am expecting better results. I will add the files to the same folder and post a note here once done.

 

Another thing, when the TEC power is about 20%-30% the stripes are the strongest.

 

Cedric, than you for the info about the diagonal lines, I was not aware of the problem and the solution. I cannot source AMS1117 easily but I have found MCP1702-3302E. 250mA maximum current as opposed to the 100mA of LP2950 and it comes in TO92 package for easier replacement (the legs seem to have a different arrangement compared to the original).

(I have already ordered replacement capacitors to fix the vertical lines on the left).

 

Now, the link above also has the testing firmwares that PWM the old humidity pin, if anyone wants to try. You will need to modify your camera and connect the old humidity pin to the VT1 input. I do not have a firmware (yet) that will do the old-style cooling at the old humidity pin so if you modify the camera you are stuck with the PWM (for now) unless you modify it back.

I would suggest waiting until my tests are done.

 

By the way, you can monitor the operation of the TEC if you connect an oscilloscope to the 12V power input into the camera.  The voltage will drop down when the TEC goes on.

 

And the answers to the previous question
1 = 125Hz

2 = 8KHz

3 = 1KHz

4 = stack of 40 bias images at 8KHz

 

Interesting how 1KHz appears to have wider stripes than 125Hz. The 1KHz frequency is very close to the line reading frequency and we probably see some weird effects there.

 

 

Posté

I uploaded results for the 2nd test with electrically conductive thermal paste (Arctic Silver 5).

I also renamed the images of the first test. I don't think there is much point doing the blind tests.

(By the way, looking at the images I am not sure if I mixed up the 125Hz and 1000Hz images yesterday. I am sure I did not but they do not look right. Not sure, Cedric you may have been right.)

 

The main question is if the stripes are visible...

You can decide on your own but I think that the electrically conductive thermal paste (test 2) at 8KHz is the winner. I can see stripes in every other image (zoom in at different levels).

Interestingly I cannot see the diagonal stripes in the stacked images of 40 frames taken today. Maybe the diagonal-looking stripe was actually caused by the TEC switching???

(we read 2 horizontal lines at once (or 1 line when 2x2 binning is used). We read 1000 lines in 2 seconds so 8KHz would be switching every 1/8 (or 1/16?) of one (double) line)

 

The thinking for using electrically conductive thermal paste between the sensor and the cold finger comes from my cold-finger modifications of Canon 450D few years ago. Canon sensor required grounding of the cold finger to avoid the stripes, probably to avoid some capacitive coupling. Note that the Canon sensor had plastic back while our sensor has metal back. We cannot ground our cold finger as it can short to the back of the sensor which will cause the camera to fail. So electrically conductive paste will make the cold finger at the same potential as the back of the sensor and, in theory, should reduce the intensity of the stripes.

 

Any thoughts? What other tests should I try?

 

If you don't think this is working well enough my next step would have been to try using "a direct external ground from the power plug to VT1" by either:

1. Cutting grounding tracks on VT1 and lifting the grounding legs in the air. Then I could solder an external ground wire from the power plug to the ground pins.

2. Have a different MOSFET which is not on the main PCB and have a wire from the ATMega PWM pin to it. Then I would wire ground to VT1 directly from the power plug.

That would be more in-line with what Rim suggested but but I prefer to start with the minimal modifications, which is what I have now.

 

Also keep in mind that we (on IIS) have a slightly different PCB than the original design (which is I believe what you have). For example, we are using VT1 = IRF7832PBF instead of IRFML8244TRPBF from the original design. So, your cameras may work better or worse with the PWM.

 

 

Posté

Can someone please do a quick test of the attached firmware and report if everything works. No need for long tests, just a quick one to verify that cooling and temperature and humidity readings work.

 

I did some code cleanup (in preparation for the PWM modified firmware) and I am not sure if cooling, temperature and humidity sensor work any more with the original camera design. I cannot test the original firmware as my camera has swapped pins for the TEC control and the humidity sensor.

 

Merci

cam86.zip

Posté
il y a 58 minutes, luka a dit :

Can someone please do a quick test of the attached firmware and report if everything works. No need for long tests, just a quick one to verify that cooling and temperature and humidity readings work.

 

I did some code cleanup (in preparation for the PWM modified firmware) and I am not sure if cooling, temperature and humidity sensor work any more with the original camera design. I cannot test the original firmware as my camera has swapped pins for the TEC control and the humidity sensor.

 

Merci

cam86.zip

Hi Luka. 

Il test this tomorrow ans i keep you informed.

Posté

Thanks Cedric.

 

A new version of the driver (0.8.1) has been released on the github. I made the driver report strictly as 32-bit and cannot be selected from the 64-bit applications any more. No need to update unless you are having problems.

 

The problem was that after one of the recent Windows updates it was not possible to connect to the driver settings with the camera disconnected. On 64-bit systems only.

It appears that the default access to the camera was changed to 64-bit instead of the 32-bit. Our driver is strictly 32-bit as we are using the original low level library from Rim which was written in Delphi (my Delphi compiler is about 10 years old and is only 32-bit). I may rewrite it one day, if the need arises.

Virtually all of ASCOM software and drivers is still 32-bit so there is no rush.

 

Posté (modifié)

Hi Luka

 

Il y a 19 heures, luka a dit :

Can someone please do a quick test of the attached firmware and report if everything works. No need for long tests, just a quick one to verify that cooling and temperature and humidity readings work.

 

It's work fine.

 

il y a une heure, luka a dit :

A new version of the driver (0.8.1) has been released on the github.

 

I have a little graphic bug with the 0.8.1 driver. The DP is hidden.

 

driver.thumb.jpg.900a734b91b99d93c439391b8daa9db1.jpg

 

 

Modifié par Cedric02700
Posté

Thank you Cedric.

New driver is out (0.8.2). I made some space and moved the humidity sensor text display a bit. I don't have a humidity sensor so I am not sure if it is completely visible now. Can you please check if it fits now.

Thank you

 

By the way, I also added a small surprise... check the driver in 2 days ;)

  • 2 semaines plus tard...
Posté

Mouser Australia has Kai4021 sensors in stock. $2000 each :o

 

Regarding the Cam86 hardware PWM cooling, I am still having troubles with the "stripes", see the attached photo (I have added the black line to show the direction of the "short stripes"). PWM is at 8KHz.

 

In my last test I have removed the FET from the PCB. The FET is powered directly from the power plug and its output goes directly to the TEC. The PCB is completely bypassed, apart from the shared power connector. The "stripes" in the image are still there (as attached).

 

I am more and more convinced that this is a capactive effect between the TEC and the sensor and that all my modifications are not helping. We need to have a good electrical connection between the cold finger and the back of the sensor.

 

I have also learned that my thermal paste (Arctic Silver 5) is not electrically conductive (there is lots of wrong information on the internet). It is only slightly capactive which possibly explains why it can helps with the stripes - however, the results are not always reproducible and it seem to depend on how the Arctic Silver is applied.

 

Questions:

1. Does anyone know of a good electrically conductive thermal paste that is easily available?

2. Any other ideas how to electrically connect the cold finger to the back of the sensor? Keep in mind that the back of the sensor is not grounded and it is not at the same potential as any of the sensor pins.

35pc power.jpg

Posté (modifié)

 

Cool! Le capteur à l'air sympa. Il existe en version couleur et noir et blanc. En noir et blanc il existe avec et sans micros lentilles. En parcourant le datasheet, je tombe sur ça:

 

KAI4021.thumb.jpg.2cb8abc0579fbc47a05d0e0443bb3b08.jpg

 

Le capteur sans micros lentilles est 5 fois moins sensible. Attention à ne pas se tromper lors de l'achat du capteur. Tout cela m'a rappelé mes doutes sur l'utilité du grattage de mon capteur de Cam86. J'ai donc ressorti une brute de 1200s que j'avais faite sur IC410 pour faire des test. Ça tombe bien j'ai été particulièrement frileux a certain endroit pour pas attaquer la zone bleue, ça me laisse donc de la place pour faire des mesures. Voici la brute après une conversion CFA avec iris et sauvegardée en JPG:

 

Ic4101200.thumb.jpg.3302207e327e1e2aa99182c13c7e6cfa.jpg

 

On remarque bien les parties non grattées en rouge (image faite avec un filtre Ha). Les mesure ont été faites sur le fond de ciel, sur des zone proches avec et sans matrice et ce à 3 endroits différents de la photo pour essayer de lisser un peu les résultats.

Protocole de test: J'ai commencé par charger l'image avec Iris et soustrait le signal d'offset. Ensuite, j'ai fait des mesure avant (fichier brut) et après dématriçage (conversion CFA dans IRIS) et sur chacune des trois couches couleur de la version dématricée. J'ai ensuite fait la moyenne des trois mesure et calculé le gain après retrait de la matrice. Puis j'ai calculé le gain dans l'autre sens, de "sans matrice" à "avec matrice". Voici les mesures:

 

ComparatifDebayer2.thumb.jpg.58f667773ec292b22641173e404fc455.jpg

 

On voit que les moyennes des zones sans matrice sont toutes identiques (environ 175). Ça m'a beaucoup étonné sur la version RVB. C'est là où je m'attendais à avoir le plus de gain vu que tous les pixels étant dépourvu de matrice de Bayer se retrouvent donc tous sensible à la composante rouge que laisse passer le filtre H-alpha. Or sur la version RVB, on note une baisse de 63% sur la zone sans matrice. Sur la couche rouge on retrouve cette perte de 63%.

La zone ayant encore sa matrice de Bayer présente un gain de 175% par rapport à la zone sans matrice alors que seul 1 pixel sur 4 reçoit du signal.

Sur le net on trouve beaucoup de témoignages positif suite au retrait de la matrice de Bayer. Au point où j'en suis je constate seulement que le capteur à perdu 63% de sa sensibilité en H-alpha. Donc soit je fait quelque chose de travers dans le traitement de mes brutes, soit mon protocole de test n'est pas bon, soit l' ICX453AQ n'est pas un bon candidat pour le retrait de la matrice de Bayer.

Sur les couches verte et bleue on note une augmentation de respectivement 600% et 850%. Ces chiffres s'expliquent par la présence du filtre H-alpha. Malheureusement on ne retrouve pas ce gain sur la version RVB de l'image sur les zone sans matrice.

 

J'en retiens pour l'instant que le retrait de la matrice de Bayer à fait perdre 63% de sensibilité au capteur en H-alpha. Le seul gain serai donc "qualitatif" en augmentant la définition de l'image. Je vais faire des test avec le capteur couleur des que le temps me le permettra.

Finalement si le fait de retirer la matrice de Bayer à fait perdre 63% de sensibilité au capteur, je retiendrai que c'est quand même une bonne nouvelle. Car avec 175% de signal en plus à temps de pose égal avec le capteur muni de sa matrice, ça va donner!!!

Peut être que mon raisonnement ou ma façon de procéder n'est pas juste, si vous voulez y jeter un œil je vous laisse les liens vers la brute et l'offset.

 

Liens vers la brute: https://www.sfrcloud.sfr.fr/web/app/share/invite/n05kJM1r5m

Liens vers l'offset maitre: https://www.sfrcloud.sfr.fr/web/app/share/invite/6X64Oh63Bn

 

Modifié par Cedric02700
  • Merci / Quelle qualité! 1
Posté

Hi Luka

 

Il y a 23 heures, luka a dit :

Regarding the Cam86 hardware PWM cooling, I am still having troubles with the "stripes", see the attached photo (I have added the black line to show the direction of the "short stripes"). PWM is at 8KHz.

 

The stripes look like the ones I had before changing DD12.  As I do not have this problem of stripes, I want to modify my camera to test the firmware at 8Khz. But you'll have to explain to me how you did it.

Will it be possible to have a version "0.8.2B" to use the camera without PWM and the mosfet connected instead of the DHT22? In case the weather becomes good and do not have to open the camera to take pictures.  If it's not too long, otherwise it's nothing.

 

Il y a 23 heures, luka a dit :

1. Does anyone know of a good electrically conductive thermal paste that is easily available?

 

May be can you use solder paste as a thermal paste?

 

Posté
il y a une heure, Cedric02700 a dit :

Le capteur sans micros lentilles est 5 fois moins sensible.

 

Les KAI sont des capteurs interlignes (les KAF sont "full frame"), c'est à dire que plus de la moitié de la surface n'est pas sensible, vu qu'une ligne sur deux est aveugle et sert de zone de transfert afin de réaliser une "obturation électronique" (ce qui dispense d'avoir une obturation mécanique : une impulsion sur une connexion dédiée transfère d'un seul coup toutes les charges contenues dans la partie sensible vers ces lignes, qui peuvent ensuite être lues sans risque d'avoir leur contenu modifié par la lumière incidente pendant la lecture).

Les microlentilles permettent de diriger la quasi-totalité de la lumière incidente vers les zones sensibles, ainsi, toute la surface est "utile". S'il n'y en a pas, le rendement quantique est donc fortement diminué. Leur seul inconvénient, c'est qu'elles peuvent diriger là où il faut seulement les rayons lumineux presque perpendiculaires au plan du capteur, ceux qui ont un angle d'incidence trop élevé risquant d'atteindre une zone aveugle (moindre mal), ou pire, le pixel voisin, ce qui floute l'image.

Posté

Hi,

 

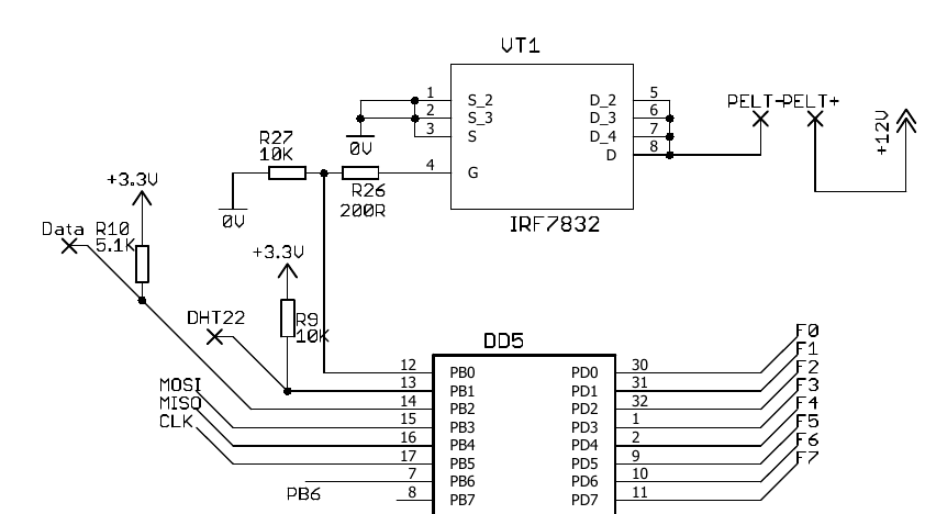
Can someone send me the latest Cam86 schematics.

I only have an old schematic which does not have the DHT22 sensor at all. Our Australian (Ice In Space) version of the camera is slightly different, we use a different VT1 (IRF7832) so I need to see the original schematic first that matches your cameras.

 

I will start calling the new modified camera (with hardware PWM) Cam86_v2

 

Cedric, I have several firmwares that run on Cam86_v2:

1. Identical to the original firmware. This is what you called "0.8.2B". No hardware PWM, the same on/off cooling as before but on different pins.

2. Firmwares that run hardware PWM at 8000Hz, 1000Hz and 125Hz.

3. New firmware that runs hardware PWM at 16000Hz but with half cooling resolution. I have not tested this properly and would not recommend using this at the moment.

Note that all those firmwares support DHT22 on the old TEC pin (pin 12 = PB0) but could not test this as I don't have the sensor.

 

I have modified both of my cameras to use the old DHT22 pin (pin 13 = PB1) for cooling. I will probably not swap the wiring back as I can just flash the firmware 1 from above to get back the old functionality.

I am planing to have two firmwares in the future, one for the original Cam86 and one for Cam86_v2.

 

I have only tested those firmwares inside so they may have bugs.

Posté
Il y a 2 heures, luka a dit :

1. Identical to the original firmware. This is what you called "0.8.2B". No hardware PWM, the same on/off cooling as before but on different pins.

 

Yes that's exactly it!

 

Il y a 2 heures, luka a dit :

2. Firmwares that run hardware PWM at 8000Hz, 1000Hz and 125Hz.

 

Where can they be found?

 

Il y a 2 heures, luka a dit :

Note that all those firmwares support DHT22 on the old TEC pin (pin 12 = PB0) but could not test this as I don't have the sensor.

 

I have modified both of my cameras to use the old DHT22 pin (pin 13 = PB1) for cooling. I will probably not swap the wiring back as I can just flash the firmware 1 from above to get back the old functionality.

I am planing to have two firmwares in the future, one for the original Cam86 and one for Cam86_v2.

 

if i understand correctly:

1/ I remove VT1 of the PCB

2/ I disconnect the DHT22 to pin 13 and connect it to pin 12

3/ I connect pin 13 to Gate of VT1, drain of VT1 to negativ tec pin and source of VT1 to power ground connector.

 

Il y a 2 heures, luka a dit :

I will start calling the new modified camera (with hardware PWM) Cam86_v2

 

Where can we find it?

 

Posté

Cedric, I do not have the schematic of your camera but in principle the three steps you described are correct.

 

You have to be careful with the pull-up and pull-down resistors, they are still needed for the operation. For example DHT22 needs a 10K pull-up resistor. If you shift DHT22 to pin 12 you need to add a pull-up resistor there.

 

I am not sure if you are using any resistors between the ATMega and VT1, I don't have your schematic. Our Australian PCB is more complicated, see the attached image. By the way, our VT1 (IRF7832) does not even get warm at full power.

 

Depending on the PCB layout, you could try using the original VT1 on the PCB and just wire the pin 13 to it instead of pin 12. But having VT1 on the PCB may introduce the noise as the GND is shared...

 

Also, I tested an external 1A TO220 3.3V regulator and there was no change in the diagonal striped pattern.

 

The testing firmwares are attached.

(I have also made another firmware, 2KHz PWM with reduced resolution. No improvement to the striped pattern.)

 

Cam86_IIS_cooling.png

Cam86_v2_testing_firmwares.zip

Posté
Il y a 1 heure, luka a dit :

Cedric, I do not have the schematic of your camera but in principle the three steps you described are correct.

 

Actually my camera is like this :

 

SchemaActuelCam86.thumb.jpg.6433e9090f195d6a8969482da355f56b.jpg

 

Il y a 1 heure, luka a dit :

You have to be careful with the pull-up and pull-down resistors, they are still needed for the operation. For example DHT22 needs a 10K pull-up resistor. If you shift DHT22 to pin 12 you need to add a pull-up resistor there.

 

My DHT22 have a built in pull up resistor. VT1 is mounted originally whithout pull down resistor. I will mount it like this:

 

5ad06bdb1689e_SchemaModifCam86.thumb.jpg.6561cf14acd7e90306db743cc6377ede.jpg

 

Il y a 2 heures, luka a dit :

Also, I tested an external 1A TO220 3.3V regulator and there was no change in the diagonal striped pattern.

 

I'm going to modify the camera this afternoon.  It will confirm the capacitive effect of the cold finger.

Posté

I forgot to say, the stripe effect is the strongest when the cooling is set to 20-30%. You can limit the maximum power to 30% in the driver.

Posté

i have tested the firmware at 8khz and I get the same stripes. The DHT22 work fine on pin 12. on my pcb the R9 is an pull down. on your schema it’s pull up. now it is directly connected to pin 13, but my DHT22 have a build in pull up. I don’t know if it changes anything. 

I will try to connect the cold finger to the back of the sensor and isolating it from the ground of the circuit.

Posté
Le 12/04/2018 à 14:49, Cedric02700 a dit :

Will it be possible to have a version "0.8.2B"

 

sorry I mixed the driver and firmware versions. it was the firmware that I wanted to talk about.

Posté
Il y a 7 heures, Cedric02700 a dit :

 

sorry I mixed the driver and firmware versions. it was the firmware that I wanted to talk about.

I understood what you meant. The ASCOM driver is the same, only the firmware is different for the hardware PWM.

My final plan would be to have an ASCOM driver that lets you choose between TEC off, TEC on or PWM during the frame reads.

 

You should also try different PWM frequencies, there may be one there that works well for your camera

Posté (modifié)

I did some tests:

1/ the DHT22 work fine on pin 12 only with V2 firmware (not work with V2_Test firmware).

2/ The solder past as thermal past work fine.

 

Test with solder past:

 

3/With V2_Test_8Khz firmware, cooling off, DHT22 on (with bad reading error on ascom driver) -> stripes on frame. If I switch off the DHT22 -> no stripes on frame.

4/With V2_Test_8khz firmware, cooling on (test on different duty cyle whose 30%), DHT22 off -> no stripes but sometimes I have the same stripes as with the DHT22 on.

Link to the frame with an without stripes :

https://www.sfrcloud.sfr.fr/web/app/share/invite/QCbJLcqVCM

https://www.sfrcloud.sfr.fr/web/app/share/invite/nBKRvqtf0p

 

Little bug i see: (not very important)

 

 -The DP of DHT22 is out of windows. Before the little "scroll button" to reduce the windows was bellow the DHT22 line.

 -On first camera connection in APT the cooling is on but the driver say 0%. It is not possible to turn off the cooling with APT. I must choice "on" in scroll menu, at this moment the driver turn on the cooling and only at this moment i can switch off the cooling with APT.

 

For information (and starting point for me), what's your PID setting?

 

Thank You!

 

                                   

Modifié par Cedric02700
Posté

:banana:

Great work Cedric.

I have to buy some solder paste and try.

 

My PID = 20, 0.26, 0

To tune, set the I and D to zero and try to optimise P first. Set the temperature to, say, -10C and keep increasing the value of P until you get oscillations. Then reduce the value of P until the oscillations are gone (half it maybe). You will find the correct P when the cooling cannot reach the correct temperature and there are no oscillations. Then set a small value of I to remove the temperature offset. Google PID tunning for more details.

 

Great work again!!!

Must go back to bed, it is 3:22am here now.

Posté
Il y a 17 heures, luka a dit :

My PID = 20, 0.26, 0

To tune, set the I and D to zero and try to optimise P first. Set the temperature to, say, -10C and keep increasing the value of P until you get oscillations. Then reduce the value of P until the oscillations are gone (half it maybe). You will find the correct P when the cooling cannot reach the correct temperature and there are no oscillations. Then set a small value of I to remove the temperature offset. Google PID tunning for more details.

 

Thank you for the explications!

 

Il y a 17 heures, luka a dit :

Great work Cedric.

I have to buy some solder paste and try.

 

I just test your hypothesis!  :pou: 

I don't know how the solder paste will fit in time.  When I tested the solder paste to the multimeter, I get an infinite resistance but with the contact surface cold finger / sensor I get a good electrical contact.

 

Do you have any idea where the dotted line comes from?

 

Posté

I also have concerns about the solder paste.

1. They have a shelf life of <1 year when refrigerated. During this time the flux reacts with the metal solder powder and creates metal salts. The viscosity will increase and the metal salts may make it less conductive.
2. The flux in the paste is acidic. Not sure if it will attack the back of the sensor over time, or the cold finger.

 

Something possibly relevant to the solder paste conductivity. Arctic Silver 5 (thermal paste used for CPUs) is not conductive. It contains silver particles but they are suspended in a "liquid". However, under large pressure the silver particles get pressed together and the AS5 paste becomes conductive.

Maybe, just maybe, the the solder paste is similar but with much larger percentage of metal particles. Maybe a smaller pressure is required, especially as you are using just a thin layer. This possibly could explain why it was electrically conductive for the sensor/cold finger contact. Not sure, just guessing :?:

 

Before Cam86 I modified Canon 450D to have a copper cold finger. Similarly the stripes were visible there and in the end the solution was very good grounding of the cold finger. The 450D sensor does not have a metal back so it was easy. The TEC PWM power in 450D was completely separated from the rest of the camera.

 

Before I forget, you mentioned that the StdDev decreased by 2 points. Compared to what? Cam86 without the PWM?

 

I have not seen the repeating white dots before. Very interesting and much easier to see what is going on compared to my camera.

With my camera the pattern looks different (see few posts up). Mine was more dark/bright diagonal stripes but the general direction is the same as your white dots and is related to the frequency. But I did not have such bright areas at all.

The white "dots" in your image correspond to the TEC switching frequency. There is about 20000 white dots (it took a long time to count them all ;)), corresponding roughly to 8KHz frequency. Basically I think that you get a white dot whenever PWM restarts its cycle. Also to note is that the firmware reads two lines from the sensor at the same time in 1x1 binning and that all white dots are two pixels high.

(You could try a different PWM frequency firmware and see if the dot pattern change).

 

1. Was your image with the white dots taken with the DHT22 on? Was the cooling on? If yes what was the duty cycle?

2. Can you please take two more images with white dots and check if the white dots are always in the same position in the images. Alternatively can you share the images and I will check.

3. Also can you take an image with the dots at 2x2 binning and share it please.

 

Very, very interesting, thank you for doing the tests.

Rejoignez la conversation !

Vous pouvez répondre maintenant et vous inscrire plus tard. Si vous avez un compte, connectez-vous pour poster avec votre compte.

Invité
Répondre à ce sujet…

×   Collé en tant que texte enrichi.   Coller en tant que texte brut à la place

  Seulement 75 émoticônes maximum sont autorisées.

×   Votre lien a été automatiquement intégré.   Afficher plutôt comme un lien

×   Votre contenu précédent a été rétabli.   Vider l’éditeur

×   Vous ne pouvez pas directement coller des images. Envoyez-les depuis votre ordinateur ou insérez-les depuis une URL.

  • En ligne récemment   0 membre est en ligne

    • Aucun utilisateur enregistré regarde cette page.
×
×
  • Créer...

Information importante

Nous avons placé des cookies sur votre appareil pour aider à améliorer ce site. Vous pouvez choisir d’ajuster vos paramètres de cookie, sinon nous supposerons que vous êtes d’accord pour continuer.