Aller au contenu

Messages recommandés

Posté

Un peu étonnée hier soir, j'ai été contactée par un amateur qui veut se faire fabriquer sa lunette "à l'ancienne".

Du carton à dessin, du monde outre-atlantique et côté russe est en train de se pencher sur le berceau pour discuter du bébé.

La lunette prévue est un monstre de 25,4 cm (10"), un simple doublet.

Personnellement, j'aurais pensé que la présence de la TEC 250 aurait suscité de l'intérêt mais bon... la joie de se triturer les méninges peut-être.

Le zinzin vient de sortir d'une première passe de vérification mécanique (résistance des matériaux), technique (dilatation) et optique.

Je suis juste un peu tombée de mon siège hier soir car, ça m'a l'air autant utilisable qu'un 150 evostar pour la mise en température.

J'ai remonté mon petit calcul, du f/19 tombé initialement du carton, j'ai trituré un peu ça et dans le dernier jet on sort un "classique" pas classique à f/D 14.73

3m80 de tube pfiou, ça n'ira pas dans tous les jardins.

Un petit diagramme des spots (final dans l'ordre planétaire, grand champ, solaire) et la tête approximative du doublet pour ceux qui connaissent : 254mm de diamètre maitrisable, tout simple, fait avec 8kg environ de verres ultra-modernes. Coût estimé de l'optique : $ 50k. Évidemment c'est pas pour tous les amateurs, certains préféreraient un bon vieux dobson de 300 ou 400 à la place.

254f1473.jpg.9601c452a540e3a057a87b2f7b59519e.jpg254-doublet-near-semi-meca.JPG.04c85e2fe3717b20d9634695bd3826b6.JPG

 

  • J'aime 3
  • Merci / Quelle qualité! 1
Posté

Je fais uniquement le réglage optique car je prends en compte les dernières informations données sur la vision humaine publiée en 2017.

C'est similaire à ce que fait tout le monde apparemment sauf que j'étais disponible.

Le premier jet avait été fait à f/19, un peu long.

Il y a pléthore en ce moment, ça surprend un peu. J'ai même vu passer un triplet 9,44" assez long calculé par R.Ceraglioli.

--------------------------------

Honnêtement j'ai pris ça pour un délire à cause de la taille jusqu'à ce que David me dise qu'il avait déjà un OK professionnel avec les verres qu'il avait sélectionné. J'ai commencé par demander de l'aide : confirmation possibilité mécanique pour ce genre de diamètre car l'objectif doit pouvoir accepter un bon grossissement. J'ai fais des calculs au petit bonheur pour les épaisseurs de verres en allant regarder le poids de ce qu'Istar faisait de similaire en grand diamètre

Posté

Bah c'est juste en cogitation là, mais la personne a trouvé une combinaison pas bête. Elle nécessite un long f/D mais le chromatisme est bien contenu. Ca rapelle les achros d'antant mais en correction couleur sans équivalent.

Si ça se fait, il faudra le billet d'avion pour aller tester en Floride.

----------------------------

Ceci dit, en France ça a été fait à Puimichel en 2012, j'ai trouvé en cherchant ce matin : un 435 f15 en optique repliée. Je me suis posée la question sur le type de verre.

Posté

Bah tu sais ils ont de la place aux US. La précédente demande était pour un triplet collé pour faire celle-là. (3m de focale)

post-14017-0-24237900-1552954279.jpg254829320_Ceraglioli-2019-03-2412-17-05.png.842712ec18e48df45d2def67211461ad.png

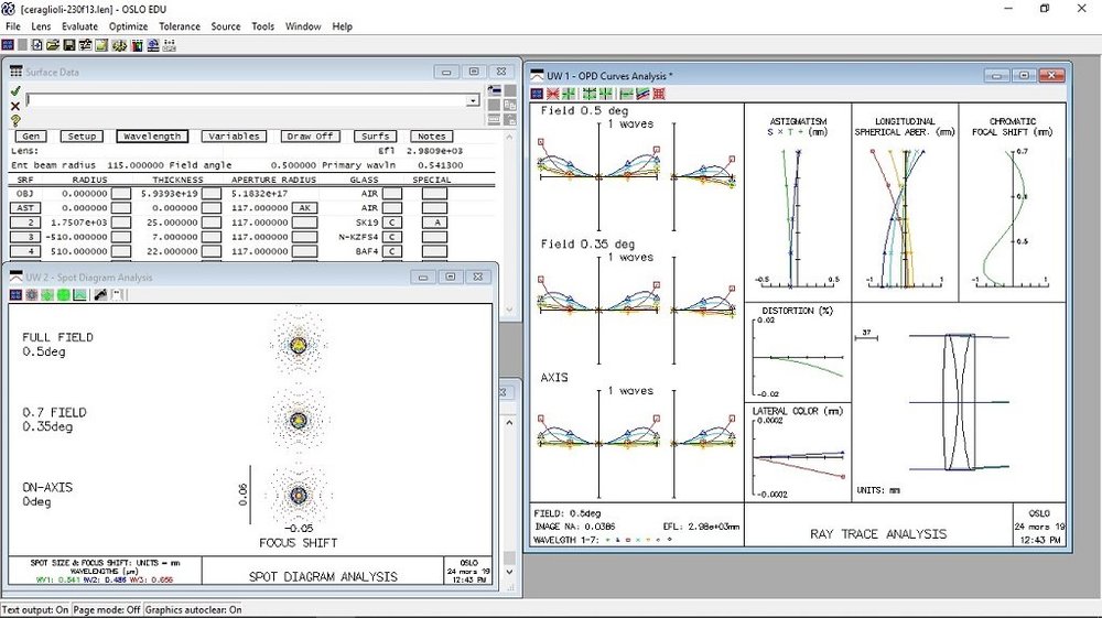
C'est un superbe objectif, avec un peu de sphérochromatisme dans le bleu,violet et le rouge quand tu pars vers les grand champs

-> estimation, c'est pas l'original un peu long à calculer

230f13-ceraglioli.thumb.jpg.5af8521673f2ed1fef7b09a3fde240f7.jpg

 

 

Posté

* sifflote *

Bon vu que c'est divulgué... on parle de sous et du coût des verres, bien inférieur à ceux utilisés par R.Ceraglioli. Si confirmé mécaniquement, c'est un doublet très mince pour son diamètre.

https://www.cloudynights.com/topic/655193-10-inch-achromat-design/

Citation

Zemax shows S-PHM52 cost to be 2.2X S-BSL7, and S-LAM60 cost is 1.4X S-BSL7, but those scale factors don't account for large blank sizes.  The glasses are available, but those costs may be higher than the S-BSL7 base cost because of their size and extra annealing requirements.

 

"Zemax indique que le coût S-PHM52 est de 2,2X S-BSL7 et que S-LAM60 est de 1,4X S-BSL7,
mais que ces facteurs d’échelle ne tiennent pas compte des grandes tailles de blanks.
Les verres sont disponibles, mais ces coûts peuvent être supérieurs au coût de base du S-BSL7 en raison de leur taille et de leurs exigences de recuit supplémentaires."

---------------------

Le coût indiqué par Mike Jones est faux : c'est x10 pour le PHM52 et x15 pour le LAM60. Une alternative tout à fait correcte à du FPL53 (x34) ou FPL51(x19,5) même avec un verre de mariage à côté.

---------------------

Pour le fabricant, je ne peux pas divulguer le nom de celui qui façonnerait l'objet pour l'instant.

Juste une piste : il est russe.

Posté

C'est un beau projet.

Avec le prix des optiques en baisse désormais, il est possible de réaliser des belles lunettes achromatiques de grand diamètre pour un prix équivalent à une voiture neuve (moins de 15 000 euros).

Il faut juste un peu de terrain pour l'utiliser.

 

Mais je me demande si la combinaison des verres utilisés apporte vraiment quelque chose de mieux en observation visuelle par rapport à celle classique en BK7/F2 pour le prix demandé ?

Que valent vraiment ces grandes lunettes en planétaire ?

Le but étant toujours d'avoir de belles vues pour un rapport qualité/prix acceptable.

 

 

Posté

En BK7-F2 une 254mm même à f15, la page couleur contrastée est en peau de chagrin comme les grandes lunettes d'antan.

En général on s'arrêtait à 150mm qui a un rendu "normal", le 110f15 du E110 Zeiss étant fabuleux.

au centre il s'agit de 541 et 569 nm vert et jaune

254f15BK7-F2.jpg.207007073e81957442840cdd9ee3b67f.jpg

Ce qui passe dans le cercle d'airy c'est 529nm-586nm de E à  D à peu près. Ca limite le grossissement planétaire à  0,7D environ (175x). Le grand champ est possible.

Raies%20de%20Fraunhofer.jpg

 

Avec les verres utilisés, le challenge est de dépasser x600.

 

Posté

Mais est-ce que ces deux types de verre sont bien stable dans la durée?

J'avais lu que les grandes lunettes d'antan n'utilisaient pas certaines sortes de verres car ils n'étaient pas stable dans le temps pour une utilisation sous coupole (cristallisation).

Posté

Ce sont des verres fragiles au sens abrasion, météo et acide pour le PHM52 (non fluoré mais phosphaté), acide pour le LAM60 qui lui est ultra-dur.

Le PHM52 sera protégé par le traitement multi-couche : même histoire que les verres fluorés.

Par contre, les versions sont stables : ce sont des évolutions successives d'anciens verres.

Posté

Je demandais cela car sur le site de DG Optics ils affirment utiliser des sortes de verres stables dans le temps pour leurs objectifs.

Posté

ça râle chez les américains, aberration sphérique trop grande (portant conforme à ce que faisait Thomas Back). Pas grave, un tour de réglage, on asphérise et hop le strehl théorique de chaque raie monte à 0.99 pour les couleurs principales. Ca chipote un peu je trouve, comme si on savait pas calculer.

Ca parlait de changer les verres (y sont maboules parfois, quand on a une combi on fait avec)

254F3750-aspherized.thumb.jpg.32cc8236b24ac3af5f0e3b20d5a13e45.jpg

 

Thomas Back avec sorti avec Burgess Optical un doublet de petite taille similaire en 80f11 : le planet hunter est en S-PHM52 + S-LAH51

Les verres sont fiables.

  • 2 semaines plus tard...
Posté

Bon, ça chipote encore alors on sort un triplet huilé de 25,4cm, proche d'apochromatique.

Moins courbé, moins asphérisé, arrière plat. Un peu meilleur que celui de Roger Ceraglioli si on trouve le BAF4 originel.

254f13-S-BSM4.jpg

Note : ce n'est pas la version optimisée.

Rejoignez la conversation !

Vous pouvez répondre maintenant et vous inscrire plus tard. Si vous avez un compte, connectez-vous pour poster avec votre compte.

Invité
Répondre à ce sujet…

×   Collé en tant que texte enrichi.   Coller en tant que texte brut à la place

  Seulement 75 émoticônes maximum sont autorisées.

×   Votre lien a été automatiquement intégré.   Afficher plutôt comme un lien

×   Votre contenu précédent a été rétabli.   Vider l’éditeur

×   Vous ne pouvez pas directement coller des images. Envoyez-les depuis votre ordinateur ou insérez-les depuis une URL.

  • En ligne récemment   0 membre est en ligne

    • Aucun utilisateur enregistré regarde cette page.
×
×
  • Créer...

Information importante

Nous avons placé des cookies sur votre appareil pour aider à améliorer ce site. Vous pouvez choisir d’ajuster vos paramètres de cookie, sinon nous supposerons que vous êtes d’accord pour continuer.