Aller au contenu

Messages recommandés

Posté
Il y a 11 heures, bemo a dit :

holà, désolé, veux tu que je regarde cette référence ou est ce que c'est en bonne voie de ton coté maintenant ?

 

Oui ça serait intéressant. Tu arrives à lire la référence en lumière rasante? Sur la photo on ne voit qu'un bout

Posté

J'y pensais, mais comme on ne voit que la fin de la référence, ça aurait pu être un date code aussi, bien que ça n'y ressemble pas trop...

 

4906NG 30V 54A  rdson 5,5 mOhms @10V

  • Merci / Quelle qualité! 1
Posté
Il y a 10 heures, olivdeso a dit :

J'y pensais, mais comme on ne voit que la fin de la référence, ça aurait pu être un date code aussi, bien que ça n'y ressemble pas trop...

 

4906NG 30V 54A  rdson 5,5 mOhms @10V

je peux tenter de regarder encore mais franchement il est déjà bien abimé lui aussi....

pas sur que j'en voie plus...

Posté
il y a 27 minutes, bemo a dit :

je peux tenter de regarder encore mais franchement il est déjà bien abimé lui aussi....

pas sur que j'en voie plus...

Bonjour @bemo,

 

Il serait peut-être bon de le remplacer préventivement afin qu'en se détruisant il n'endommage pas d'autres composants. Vous pouvez aussi demander au SAV de la société productrice, l'information exacte concernant ce composant. Il a l'air très facile à changer.

 

Ney

Posté (modifié)

je confirme pour le souder pas de pb c'est assez maniable ;) pour le SAV tout est dans les messages au dessus ;)

j'attends leur retour carte expédiée

 

 

 

Modifié par Raphael_OD
Posté
Il y a 2 heures, 22Ney44 a dit :

Il a l'air très facile à changer.

 

Pas si simple : pour l'enlever il faut :

 

- couper les 2 petites pattes

- ajouter de la soudure sur la patte large elle sert aussi de radiateur, donc difficile à chauffer. On chauffe jusqu'à ce que ça bouge sans forcer

Pour mettre un neuf :

- bien nettoyer les 3 pastilles

- mettre un peu de soudure sur la grosse pastille

- chauffer la grosse pastille et quand la soudure fond poser le transistor dessus en continuant à chauffer par le bord.

Appuyer un peu sur le transitor

- Ajouter un peu de soudure par le bord. Attention ne pas chaufer longtemps, 10s grand max, plutôt 3-5s max

- ensuite on soude les 2 prites pattes

 

Posté (modifié)

donc voilà ce que j'ai pu récupérer en l'éclairant, en le grattant un peu dessus, on voit je crois VNE20 ...x9 06NG

 

le changer.... oui, certes, le SAV à mon avis c'est pas la peine, je les avait appelé car j'avais des arrêts pendant l'apprentissage et un grésillement

réponse : c'est le condensateur, si vous pouvez le changer c'est mieux, sinon il faut acheter une carte complète....

donc là... ça serait carte complète je pense

 

et si c'est pas simple à dessouder et ressouder... je sais pas trop si je vais me lancer ...

image.png.1e30501344458ff020664087b91492bf.png

image.png.6fa305ffe0ec549a80b647616fd80dc9.png

Modifié par bemo
Posté
il y a 28 minutes, bemo a dit :

certes, le SAV à mon avis c'est pas la peine

Bonjour,

 

Quand je parlais du SAV, c'était non ps pour qu'il fasse letravail, mais pour qu'il vous confirme simplement que le composant est bien un 4906NG. Cela devrait être à leur portée je crois.

 

il y a 30 minutes, bemo a dit :

c'est le condensateur, si vous pouvez le changer c'est mieux, sinon il faut acheter une carte complète....

Changer un condensateur est très facile. Je viens d'en changer 4 sur la carte mère de mon écran d'ordinateur, le haut avait bombé après 10 ans de service. Il faut dire que c'était des condensateurs donnés pour 16 V sur une ligne alimentée en 25 V. Je les ai remplacé par des condos de même capacité en 40 V. Un écran neuf 23 "= 290 €, les 4 condensateurs moins de 10€ en ville. Un fer à souder régulé, une pompe à dessouder même manuelle et/ou de la tresse à dessouder et c'est l'affaire d'une petite demie heure.

 

Ney

Posté
il y a 41 minutes, 22Ney44 a dit :

Quand je parlais du SAV, c'était non ps pour qu'il fasse letravail, mais pour qu'il vous confirme simplement que le composant est bien un 4906NG. Cela devrait être à leur portée je crois.

Oui effectivement pour ça au moins il devraient savoir le faire, et @Raphael_OD devrait l'obtenir je pense

 

il y a 42 minutes, 22Ney44 a dit :

Un fer à souder régulé, une pompe à dessouder même manuelle et/ou de la tresse à dessouder et c'est l'affaire d'une petite demie heure.

En plus j'ai tout ça... même si je ne sais pas vraiment m'en servir, le fer encore ça peut aller, et oui, pour le condensateur j'aurai tenté, mais il ne semble absolument pas abimé, par contre ce transistor est peut être légèrement plus délicat...  cf ce que dit @olivdeso

Posté (modifié)

Bonjour,

une carte neuve apparemment dans ma boite (sans avis ni mail ça je peux comprendre) ce jour reste à tester son bon fonctionnement ;) merci aux intervenants de ce sujet je vous ferai un retour dès que elle sera en service !

Enfin un dénouement positif après bien des échanges houleux.

Garantie reste à 3 ans il lui reste donc 3 mois pour ne pas fumer :)

 

 

Modifié par Raphael_OD
  • J'aime 1
Posté
Il y a 1 heure, Raphael_OD a dit :

une carte neuve apparemment dans ma boite

Bonjour @Raphael_OD,

 

Cool. Une affaire qui se termine bien. Merci pour le retour en espérant que ce déroulement puisse servir d'exemple au plus grand nombre afin de défendre ses intérêts légitimes.

 

Ney

  • Merci / Quelle qualité! 1
Posté
Il y a 18 heures, Raphael_OD a dit :

vu le prix de la carte il vaudra mieux changer le moteur complet pour quelque chose de plus fiable.

Merci de ton aide !

C'était 130 Euros la carte ? Un moteur complet vaudra nettement plus cher non ? à voir...

Mais je me disais que l'on devrait pouvoir se passer de la carte non ?

Avec n'importe quel système capable d'envoyer le jus dans un sens ou dans l'autre au moteur directement on pourrait pas y arriver ?

Depuis l'IPX800 sur un des relais 3 voies, plus les capteurs de fin de course, on devrait savoir envoyer des ordres d'ouverture ou de fermeture, donc du 12V sur le moteur sans passer par la carte ?

On pourrait même imaginer de placer des capteurs de ralentissement comme il le fait via la carte pour éviter de taper trop fort en bout de course... quoique je ne sais pas comment il ralentit ? tension plus basse ?

Faudrait tester ça peut être ... un jour...

Posté (modifié)

oui ...dans l'attente de ma carte j'ai regardé du moment que le moteur peut prendre du 12v 10A. J ai payé en 2019 : 185 euros le tout. La carte est en rupture de partout 130 euros. Avidsen en avait une pour le SAV le pcb est daté de 2013 donc aucune évolution de la carte par contre.

Ce type de moteur 12v est très courant sur les shops chinois ...une carte doit pas etre difficile à trouver je pense...sans toutes les fonctionnalités d'un moteur de portail coulissant

Modifié par Raphael_OD
Posté (modifié)

Comble du hasard, un copain vient de me donner un boitier de commande AVIDSEN V200 pour portail. Je pense que ce doit être de la même famille que ce que vous utilisez pour vos toits mobiles.

 

A titre personnel, je trouve ce système complexe et cher pour la fonction à assurer au niveau d'un toit roulant. Plus il y a de composants, plus les risques de pannes sont importants.

 

Lorsque j'ai motorisé mon toit roulant avec un moteur d'essuie-glaces en 12V, j'ai préféré (même si j'apprécie l'électronique) m'orienter vers une solution simple à base de 4 relais (2 pour la logique et 2 de puissance pour le moteur) et 2 fins de course. Je peux piloter les manœuvres à distance (situation normale) et en local, avec une petite commande à main avec 2 boutons poussoirs et un interrupteur d'arrêt d'urgence.

 

Pour la commande à distance, il faut faire appel à une commande qui exploite 3 relais (IPX800, carte relais lambda, ...), simplement pour activer le sens de déplacement du toit et procéder à l'arrêt d'urgence.

J'ai également inséré dans la chaine logique, un capteur photo-électrique à réflecteur qui permet de confirmer la position park du télescope, afin d'interdire tout mouvement du toit si le télescope n'est pas en bonne position.

 

Finalement, ça ne coûte pas bien cher et coté fiabilité, peu de risques.

Modifié par Discret68
Posté (modifié)

Un petit crobard serait le bienvenu ;)

je regarderais je suis en remote je cherche tout ce qui est fiable et si le SAV est déplorable je ne ne m'en prendrais qu'a moi ;)

Il est vrai que vu le nombre de chose que j'ai fait dans l'observatoire, j'ai choisi la facilité pour la motorisation du toit : résultat pas très concluant.

Pour le park scope j'ai des capteurs magnétiques sur les deux axes pilotés par l'IPX et sous condition pour la fermeture de toit, une bonne chose de faite ! Le driver  ASCOM est celui d'Elendil Software...

Modifié par Raphael_OD
Posté
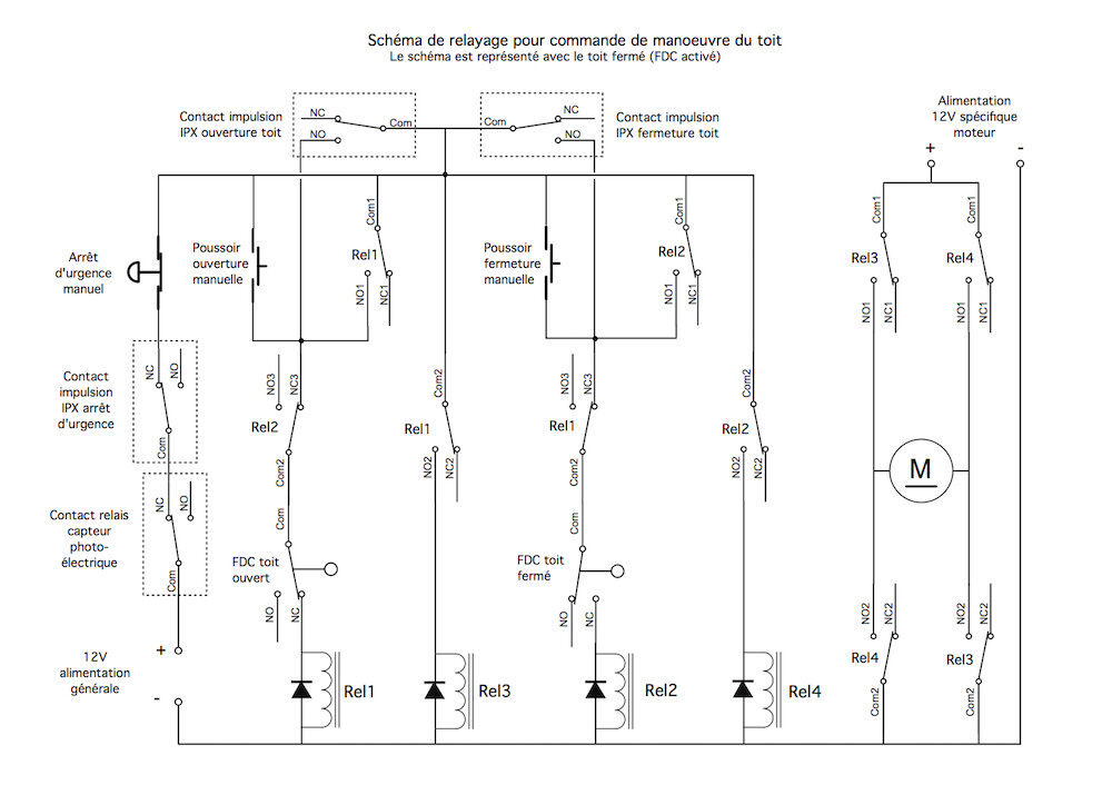
il y a 35 minutes, Raphael_OD a dit :

Un petit crobard serait le bienvenu

 

Et voilà :

1439571320_Schema_relais_motorisationtoitroulant.jpg.124473140319de706ea1c9caa9f83f30.jpg

 

Pour la logique de commande (intensité très faible), il faut 2 relais à 3 séries de contacts inverseurs (NC, COM, NO) et pour la puissance, il faut 2 relais à 2 séries de contacts inverseurs. Il faut juste dimensionner les relais à l'intensité que le moteur va demander.

La commande manuelle utilise 2 boutons poussoir simples (contacts NO) pour commander l'ouverture et la fermeture, et un bouton poussoir simple (contacts NF) pour l'arrêt d'urgence.

Il faut 2 fins de course (contacts NF ou inverseurs mais seuls les contacts COM et NF sont utilisés. En ce qui me concerne, j’utilise des contacts ILS avec aimant.

 

A partir de ce schéma, j'ai ajouté (mais il ne figure pas sur ce plan), un 2ème fin de course ouverture qui me permet d'ouvrir partiellement le toit. Dans ce cas de figure, Il a été nécessaire de rajouter un interrupteur inverseur qui permet de sélectionner le fin de course (ouverture partielle ou ouverture totale)


Si nécessaire, je peux détailler le fonctionnement de la logique, mais en gros, on commande les manœuvres en manuel par bouton poussoir (impulsion) ou en automatique (impulsion) via une carte relais quelconque (2 relais pour les manœuvres et 1 pour l'arrêt d'urgence)

Le contact "capteur photo-électrique" peut être supprimé. Chez moi, il valide la position park du télescope et autorise les manœuvres.

 

La partie du panneau de commande à distance par carte relais :

image.png.452335dde73e97347778c944ef51352f.png

 

 

  • Merci / Quelle qualité! 1
Posté

Bonjour

En cas de grésillements vérifier les soudures vous pouvez aussi regarder la carte dans le noir là où ça grésille il y a souvent de minuscules étincelles.

Bravo pour les conseils juridiques et pour le plan à base de relais. Toutes la partie logique pourrait être sous arduino.

Bonne journée.

Luc

Posté
il y a 47 minutes, CATLUC a dit :

Toutes la partie logique pourrait être sous arduino.

 

Certes, mais rajouter de l’électronique, c'est augmenter le risque de défaillance. Je n'ai rien contre l'arduino, j'en utilise, mais où c'est vraiment nécessaire.

 

Dans certains cas, il faut savoir rester dans le basique pour réduire les risques de problème. Le taux de défaillance est quand même nettement moins important pour un relais que pour un Arduino qui contient un paquet de composants.

 

Tout est affaire de probabilité 😎

  • 2 semaines plus tard...
Posté

Merci @Discret68, je viens de remettre en route toute la chaine, effectivement ma première carte avait plusieurs pb dont le maintien de la programmation des vitesses et accélérations. Tout rentre dans l'ordre. Je pense que le revendeur devait se servir dans les cartons de matériels neufs pour faire le SAV. Le transistor ne chauffe absolument pas sur cette nouvelle carte, après 10 ouvertures fermetures consécutives ce qui me conforte bien dans l'idée d'une première vente douteuse.

J'ai eu de gros doutes sur le couple et la capacité moteur, puis sur le montage de mon toit (rails mansion 4 portées de roulements pour une longueur de toit de 2.5m, 80 kg) mais au final encore un matériel pas très soigné et des "drop shipper" calamiteux.
A +


 

Rejoignez la conversation !

Vous pouvez répondre maintenant et vous inscrire plus tard. Si vous avez un compte, connectez-vous pour poster avec votre compte.

Invité
Répondre à ce sujet…

×   Collé en tant que texte enrichi.   Coller en tant que texte brut à la place

  Seulement 75 émoticônes maximum sont autorisées.

×   Votre lien a été automatiquement intégré.   Afficher plutôt comme un lien

×   Votre contenu précédent a été rétabli.   Vider l’éditeur

×   Vous ne pouvez pas directement coller des images. Envoyez-les depuis votre ordinateur ou insérez-les depuis une URL.

  • En ligne récemment   0 membre est en ligne

    • Aucun utilisateur enregistré regarde cette page.
×
×
  • Créer...

Information importante

Nous avons placé des cookies sur votre appareil pour aider à améliorer ce site. Vous pouvez choisir d’ajuster vos paramètres de cookie, sinon nous supposerons que vous êtes d’accord pour continuer.