Aller au contenu

Messages recommandés

Posté (modifié)

Détail de la carte Contrôleur N-Eq6 

Réf SkyWatcher : HM6GT-F00-10

 

Cuivre dessus

C1 Cuivre desus.png

 

Cuivre dessous

C2.png

 

Cuivre internes 1 (multi-couches)

I1 Cuivre internes 1 (multi-couches).png

 

Cuivre internes 2 (multi-couches)

I2 Cuivre internes 2 (multi-couches).png

 

CI transparence

CI Transparence.png

 

Info couches CI

Epaisseur piste 35µm.

INFO.png

 

7.jpg

 

8.jpg

 

 

 

Schéma électronique carte EQ6

Mise à jour schéma le 21/04/2020 

Schéma électrique EQ6.pdf format A1

 

Schéma carte N-EQ6.jpg

 

Brochage connecteur sub-D9 (F), Hand Controller EQ6

rs232.jpg  

 

Brochage connecteur RJ11, Auto Guider EQ6

autoguide.jpg

 

Brochage connecteur 12V

Changer le connecteur par un connecteur aviation. Tuto ici

Schéma des pôles, pour remplacer soi-même le connecteur d'origine par un connecteur fiable et vissant.

  connecteur.png   conecteur aviation.png

 

 

Voici la liste des composant

Appareil de mesure: RIGOL DM3058E / WAVETEK DM27XT / ITC-990 / DCA75 et LCR-40 - Analyseur de composants

CONDASATEUR
C1    100nf Condensateur céramique multicouche CMS, 50 V, 0603 [1608 Metric]
C2    1µf Condensateur céramique multicouche CMS, 50 V, 0603 [1608 Metric]
C3    470µf 25v Condensateur électrolytique À sorties radiales, 5 mm
C4    10nf Condensateur céramique multicouche CMS, 50 V, 0603 [1608 Metric]
C5    10nf Condensateur céramique multicouche CMS, 50 V, 0603 [1608 Metric]
C6    50pf Condensateur céramique multicouche CMS, 50 V, 0603 [1608 Metric]± 0.05pF
C7    50pf Condensateur céramique multicouche CMS, 50 V, 0603 [1608 Metric]± 0.05pF
C8    50pf Condensateur céramique multicouche CMS, 50 V, 0603 [1608 Metric]± 0.05pF
C9    50pf Condensateur céramique multicouche CMS, 50 V, 0603 [1608 Metric]± 0.05pF
C10   10nf Condensateur céramique multicouche CMS, 50 V, 0603 [1608 Metric]
C11   10nf Condensateur céramique multicouche CMS, 50 V, 0603 [1608 Metric]
C12   47µf 16v Condensateur électrolytique, À sorties radiales, 2.54 mm
C13   100nf Condensateur céramique multicouche CMS, 50 V, 0603 [1608 Metric]
C14   100µf 25v Condensateur électrolytique, À sorties radiales, 2.54 mm
C15   220nf Condensateur céramique multicouche CMS, 50 V, 0603 [1608 Metric]
C20   18pf Condensateur céramique multicouche CMS, 50 V, 0603 [1608 Metric]± 1%
C21   18pf Condensateur céramique multicouche CMS, 50 V, 0603 [1608 Metric]± 1%
C22   10nf Condensateur céramique multicouche CMS, 50 V, 0603 [1608 Metric]
C23   1µf Condensateur céramique multicouche CMS, 50 V, 0603 [1608 Metric]
C24   330nf Condensateur céramique multicouche CMS, 50 V, 0603 [1608 Metric]
C25   330nf Condensateur céramique multicouche CMS, 50 V, 0603 [1608 Metric]
C26   50pf Condensateur céramique multicouche CMS, 50 V, 0603 [1608 Metric]± 0.05pF
C27   50pf Condensateur céramique multicouche CMS, 50 V, 0603 [1608 Metric]± 0.05pF
C28   10nf Condensateur céramique multicouche CMS, 50 V, 0603 [1608 Metric]
C29   10nf Condensateur céramique multicouche CMS, 50 V, 0603 [1608 Metric]
C30   18pf Condensateur céramique multicouche CMS, 50 V, 0603 [1608 Metric]± 1%
C31   18pf Condensateur céramique multicouche CMS, 50 V, 0603 [1608 Metric]± 1%
C32   10nf Condensateur céramique multicouche CMS, 50 V, 0603 [1608 Metric]
C33   1µf Condensateur céramique multicouche CMS, 50 V, 0603 [1608 Metric]
C34   330nf Condensateur céramique multicouche CMS, 50 V, 0603 [1608 Metric]
C35   330nf Condensateur céramique multicouche CMS, 50 V, 0603 [1608 Metric]
C36   50pf Condensateur céramique multicouche CMS, 50 V, 0603 [1608 Metric] ± 0.05pF
C37   50pf Condensateur céramique multicouche CMS, 50 V, 0603 [1608 Metric] ± 0.05pF
C38   10nf Condensateur céramique multicouche CMS, 50 V, 0603 [1608 Metric]
C39   10nf Condensateur céramique multicouche CMS, 50 V, 0603 [1608 Metric]
C40   1µf Condensateur céramique multicouche CMS, 50 V, 0603 [1608 Metric]
C41   470µf 25v Condensateur électrolytique À sorties radiales, 5 mm
C42   220nf Condensateur céramique multicouche CMS, 50 V, 0603 [1608 Metric]
C43   220nf Condensateur céramique multicouche CMS, 50 V, 0603 [1608 Metric]
C44   1000pf Condensateur céramique multicouche CMS, 100 V, 0603 [1608 Metric]
C45   1000pf Condensateur céramique multicouche CMS, 100 V, 0603 [1608 Metric]
C46   10nf Condensateur céramique multicouche CMS, 50 V, 0603 [1608 Metric]
C47   10nf Condensateur céramique multicouche CMS, 50 V, 0603 [1608 Metric]
C48   1000µf 35v Condensateur électrolytique À sorties radiales, 5 mm
C49   220nf Condensateur céramique multicouche CMS, 50 V, 0603 [1608 Metric]
C70   10nf Condensateur céramique multicouche CMS, 50 V, 0603 [1608 Metric]
C71   1µf Condensateur céramique multicouche CMS, 50 V, 0603 [1608 Metric]
C72   10nf Condensateur céramique multicouche CMS, 50 V, 0603 [1608 Metric]
C73   220nf Condensateur céramique multicouche CMS, 50 V, 0603 [1608 Metric]
C74   47µf 35v Condensateur électrolytique, À sorties radiales, 2.54 mm
C75   220nf Condensateur céramique multicouche CMS, 50 V, 0603 [1608 Metric]
C76   220nf Condensateur céramique multicouche CMS, 50 V, 0603 [1608 Metric]
C77   220nf Condensateur céramique multicouche CMS, 50 V, 0603 [1608 Metric]
C78   100nf Condensateur céramique multicouche CMS, 50 V, 0603 [1608 Metric]
C79   110pf Condensateur céramique multicouche CMS, 50 V, 0603 [1608 Metric] ± 0.05pF
C80   10nf Condensateur céramique multicouche CMS, 50 V, 0603 [1608 Metric]
C81   1µf Condensateur céramique multicouche CMS, 50 V, 0603 [1608 Metric]
C82   10nf Condensateur céramique multicouche CMS, 50 V, 0603 [1608 Metric]
C83   220nf Condensateur céramique multicouche CMS, 50 V, 0603 [1608 Metric]
C84   47µf 35v Condensateur électrolytique, À sorties radiales, 2.54 mm
C85   220nf Condensateur céramique multicouche CMS, 50 V, 0603 [1608 Metric]
C86   220nf Condensateur céramique multicouche CMS, 50 V, 0603 [1608 Metric]
C87   220nf Condensateur céramique multicouche CMS, 50 V, 0603 [1608 Metric]
C88   100nf Condensateur céramique multicouche CMS, 50 V, 0603 [1608 Metric]
C90   10nf Condensateur céramique multicouche CMS, 50 V, 0603 [1608 Metric]
C91   1µf Condensateur céramique multicouche CMS, 50 V, 0603 [1608 Metric]
C92   10nf Condensateur céramique multicouche CMS, 50 V, 0603 [1608 Metric]
C93   220nf Condensateur céramique multicouche CMS, 50 V, 0603 [1608 Metric]
C94   47µf 35v Condensateur électrolytique, À sorties radiales, 2.54 mm
C95   220nf Condensateur céramique multicouche CMS, 50 V, 0603 [1608 Metric]
C96   220nf Condensateur céramique multicouche CMS, 50 V, 0603 [1608 Metric]
C97   220nf Condensateur céramique multicouche CMS, 50 V, 0603 [1608 Metric]
C98   100nf Condensateur céramique multicouche CMS, 50 V, 0603 [1608 Metric]
C99   110pf Condensateur céramique multicouche CMS, 50 V, 0603 [1608 Metric]
C100  10nf Condensateur céramique multicouche CMS, 50 V, 0603 [1608 Metric]
C101  1µf Condensateur céramique multicouche CMS, 50 V, 0603 [1608 Metric]
C102  10nf Condensateur céramique multicouche CMS, 50 V, 0603 [1608 Metric]
C103  220nf Condensateur céramique multicouche CMS, 50 V, 0603 [1608 Metric]
C104  47µf 35v Condensateur électrolytique, À sorties radiales, 2.54 mm
C105  220nf Condensateur céramique multicouche CMS, 50 V, 0603 [1608 Metric]
C106  220nf Condensateur céramique multicouche CMS, 50 V, 0603 [1608 Metric]
C107  220nf Condensateur céramique multicouche CMS, 50 V, 0603 [1608 Metric]
C108  100nf Condensateur céramique multicouche CMS, 50 V, 0603 [1608 Metric]
C109  110pf Condensateur céramique multicouche CMS, 50 V, 0603 [1608 Metric]
C42A  220nf Condensateur céramique multicouche CMS, 50 V, 0603 [1608 Metric]
C7A   110pf Condensateur céramique multicouche CMS, 50 V, 0603 [1608 Metric] ± 0.05pF
C7B   110pf Condensateur céramique multicouche CMS, 50 V, 0603 [1608 Metric] ± 0.05pF
C8A   110pf Condensateur céramique multicouche CMS, 50 V, 0603 [1608 Metric] ± 0.05pF
C8B   110pf Condensateur céramique multicouche CMS, 50 V, 0603 [1608 Metric] ± 0.05pF
C9A   110pf Condensateur céramique multicouche CMS, 50 V, 0603 [1608 Metric] ± 0.05pF
C9B   110pf Condensateur céramique multicouche CMS, 50 V, 0603 [1608 Metric] ± 0.05pF
C10A  110pf Condensateur céramique multicouche CMS, 50 V, 0603 [1608 Metric] ± 0.05pF
C10B  110pf Condensateur céramique multicouche CMS, 50 V, 0603 [1608 Metric] ± 0.05pF

DIODE
D1    SK34A SOD-123 Diodes et redresseurs Schottky 3.0 Amp 40 Volt 150 Amp IFSM
D2    SK34A SOD-123 Diodes et redresseurs Schottky 3.0 Amp 40 Volt 150 Amp IFSM
D3    LED rouge 1.5V T-1 3/4 (5MM)
D4    (1n4148) Diode NP, 150mA, SOD-80, 2 Broche(s) 
D5    (1N4148) Diode NP, 150mA, SOD-80, 2 Broche(s)

RESISTANCE
R1    10K Résistance à puce CMS, Couche mince, 0603 [1608 Metric],Série ERA, 75 V	
R2    NC 0603 (Pas de résistance)
R3    75K ohm Résistance à puce CMS, Couche mince, 0603 [1608 Metric],Série ERA, 75 V		
R4    20K ohm Résistance à puce CMS, Couche mince, 0603 [1608 Metric],Série ERA, 75 V 1%
R5    4.7K ohm Résistance à puce CMS, Couche mince, 0603 [1608 Metric],Série ERA, 75 V 1%
R6    33K ohm Résistance à puce CMS, Couche mince, 0603 [1608 Metric],Série ERA, 75 V		
R7    100 ohm Résistance à puce CMS, Couche mince, 0603 [1608 Metric],Série ERA, 75 V	
R9    10K ohm Résistance à puce CMS, Couche mince, 0603 [1608 Metric],Série ERA, 75 V		
R10   10K ohm Résistance à puce CMS, Couche mince, 0603 [1608 Metric],Série ERA, 75 V
R11   10K ohm Résistance à puce CMS, Couche mince, 0603 [1608 Metric],Série ERA, 75 V	
R12   10K ohm Résistance à puce CMS, Couche mince, 0603 [1608 Metric],Série ERA, 75 V	
R21   1K ohm Résistance à puce CMS, Couche mince, 0603 [1608 Metric],Série ERA, 75 V		
R22   1K ohm Résistance à puce CMS, Couche mince, 0603 [1608 Metric],Série ERA, 75 V	
R31   1K ohm Résistance à puce CMS, Couche mince, 0603 [1608 Metric],Série ERA, 75 V
R32   1K ohm Résistance à puce CMS, Couche mince, 0603 [1608 Metric],Série ERA, 75 V		
R41   1K ohm Résistance à puce CMS, Couche mince, 0603 [1608 Metric],Série ERA, 75 V		
R42   11K ohm Résistance à puce CMS, Couche mince, 0603 [1608 Metric],Série ERA, 75 V, 1%		
R43   430 ohm Résistance à puce CMS, Couche mince, 0603 [1608 Metric],Série ERA, 75 V, 1%	
R70   0.680 ohm Résistance à puce CMS, Couche épaisse, 2010 [5025 Metric], 200 V		
R71   51K ohm Résistance à puce CMS, Couche mince, 0603 [1608 Metric],Série ERA, 75 V	
R80   0.680 ohm Résistance à puce CMS, Couche épaisse, 2010 [5025 Metric], 200 V
R81   51K ohm Résistance à puce CMS, Couche mince, 0603 [1608 Metric],Série ERA, 75 V		
R90   0.680 ohm Résistance à puce CMS, Couche épaisse, 2010 [5025 Metric], 200 V
R91   51K ohm Résistance à puce CMS, Couche mince, 0603 [1608 Metric],Série ERA, 75 V		
R100  0.680 ohm Résistance à puce CMS, Couche épaisse, 2010 [5025 Metric], 200 V
R101  51K ohm Résistance à puce CMS, Couche mince, 0603 [1608 Metric],Série ERA, 75 V	

CIRCUIT LOGIQUES
U1    78D05AL TO-252 Régulateur de tension fixe monolithique 5V 1A	
U2    PIC16F886 SOIC_28_W MCU 8 bits, FLASH, PIC16 Family PIC16F8XX Series Microcontrollers, 20 MHz, 14 KB, 368 Byte		
U3    PIC16F886 SOIC_28_W MCU 8 bits, FLASH, PIC16 Family PIC16F8XX Series Microcontrollers, 20 MHz, 14 KB, 368 Byte		
U4    2171WU TO263-5 Régulateurs de tension de commutation 2.5A, tension d'entrée de 3 V à 40 V	
U7    A3959SLBT Driver de moteur, double, DMOS, Alimentation 7V à 50V, 2 Sorties 50V/3A, SOIC-24	
U8    A3959SLBT Driver de moteur, double, DMOS, Alimentation 7V à 50V, 2 Sorties 50V/3A, SOIC-24	
U9    A3959SLBT Driver de moteur, double, DMOS, Alimentation 7V à 50V, 2 Sorties 50V/3A, SOIC-24	
U10   A3959SLBT Driver de moteur, double, DMOS, Alimentation 7V à 50V, 2 Sorties 50V/3A, SOIC-24

QUARTZ, OSCILLATEUR, RESONATEUR
X1    20Mhz Cristal,Traversant, 10.9mm x 4.65mm
X2    20Mhz Cristal,Traversant, 10.9mm x 4.65mm

EMI
L1    Perle de ferrite, 1206, Résistance DC max 0.015ohm, Impédance typique à 100MHz: 50ohm, 3.5A, ± 25%, Réf: BLM31PG500SN1L
L1    Perle de ferrite, 1206, Résistance DC max 0.015ohm, Impédance typique à 100MHz: 50ohm, 3.5A, ± 25%, Réf: BLM31PG500SN1L
L2    Perle de ferrite, 603, Résistance DC max 0.15ohm, Impédance typique à 100MHz: 220ohm, 1A, ± 25%, Réf: BLM18EG221TN1D
L3    Perle de ferrite, 603, Résistance DC max 150Mohm, Impédance typique à 100MHz: 80ohm, 500mA, ± 25%, Réf: MMZ1608S800ATA00
L4    Perle de ferrite, 603, Résistance DC max 150Mohm, Impédance typique à 100MHz: 80ohm, 500mA, ± 25%, Réf: MMZ1608S800ATA00
L5    Perle de ferrite, 603, Résistance DC max 0.85ohm, Impédance typique à 100MHz: 1Kohm, 100mA, ± 25%, Réf: BLM18BD102SN1D
L6    Perle de ferrite, 603, Résistance DC max 0.85ohm, Impédance typique à 100MHz: 1Kohm, 100mA, ± 25%, Réf: BLM18BD102SN1D
L7    Perle de ferrite, 603, Résistance DC max 0.85ohm, Impédance typique à 100MHz: 1Kohm, 100mA, ± 25%, Réf: BLM18BD102SN1D
L8    Perle de ferrite, 603, Résistance DC max 0.85ohm, Impédance typique à 100MHz: 1Kohm, 100mA, ± 25%, Réf: BLM18BD102SN1D
L11   Perle de ferrite, 603, Résistance DC max 0.15ohm, Impédance typique à 100MHz: 220ohm, 1A, ± 25% Réf: BLM18EG221TN1D
L14   Perle de ferrite, 805, Résistance DC max 0.25ohm, Impédance typique à 100MHz: 33ohm, 3A, ± 25%, Réf: BLM18PG330SN1D 
L40   Perle de ferrite, 805, Résistance DC max 0.25ohm, Impédance typique à 100MHz: 33ohm, 3A, ± 25%, Réf: BLM18PG330SN1D
L71   Perle de ferrite, 805, Résistance DC max 0.05ohm, Impédance typique à 100MHz: 120ohm, 2A, ± 25%, Réf: BLM18PG121SN1D
L72   Perle de ferrite, 805, Résistance DC max 0.05ohm, Impédance typique à 100MHz: 120ohm, 2A, ± 25%, Réf: BLM18PG121SN1D
L82   Perle de ferrite, 805, Résistance DC max 0.05ohm, Impédance typique à 100MHz: 120ohm, 2A, ± 25%, Réf: BLM18PG121SN1D
L91   Perle de ferrite, 805, Résistance DC max 0.05ohm, Impédance typique à 100MHz: 120ohm, 2A, ± 25%, Réf: BLM18PG121SN1D
L92   Perle de ferrite, 805, Résistance DC max 0.05ohm, Impédance typique à 100MHz: 120ohm, 2A, ± 25%, Réf: BLM18PG121SN1D
L101  Perle de ferrite, 805, Résistance DC max 0.05ohm, Impédance typique à 100MHz: 120ohm, 2A, ± 25%, Réf: BLM18PG121SN1D
L102  Perle de ferrite, 805, Résistance DC max 0.05ohm, Impédance typique à 100MHz: 120ohm, 2A, ± 25%, Réf: BLM18PG121SN1D

INDUCTANCE 
L42A  Inductance,100uH 

LISTE NON-EXHAUSTIVE

 

Protéger un appareil contre les inversions de polarité, sans occasionner de chute de tension d’alimentation importante 300ma.

Protection d’inversion de la polarité pour éviter toute dégradation en cas de branchement inverse de la batterie ou de la prise.
 

1254603026_Capture2_2WEB.JPG.7783da1a1920f677947fb48363cb977d.JPG   

Dimension circuit:  31x25x4

 

Module P.I.P. 

Ref: AT00011  a souder sur câble 

Ref: AT00012  Pour monture EQ8-R/AZEQ6/EQ6R

Ref: AT0001B.5A Protège le matériels ASTRO 5A Max

Ref: AT0001B.10A Protège le matériels ASTRO 10A Max

 Pour toute commande contacte ICI

 

Un circuit de protection avec un transistor MOSFET canal N 300A 80V.

Celui-ci entrera en action si la tension est négative.

Module alimentés sous 12 à 14 V.

____________________________________________________________________________________________________________________________________________________________________________________

 

Les pannes éventuelles de la carte contrôleur N-Eq6:

- Appel de courant trop fort au démarrage des moteurs. 

- Non-respect des consignes d'alimentation.

- Inversion de polarité.

- Prise Db9 F. défectueuse.

- Ci la raquette SynScan ne fonctionne plus, par contre la monture arrive quand même à fonctionner avec Eqmod et le câble Eq-direct directement relié au PC, L2 défectueuse et peut être C4 aussi.

 

Dans la majorité des cas L1+, L1-, L2 , C1, C3 et C4 composant électronique défectueux (cramé).

La L1 perle de ferrite Joue le rôle de protection, comme un fusible. 

 

La perle de ferrite agit comme un filtre, aider à éliminer les interférences radioélectriques à haute fréquence et les signaux d'interférence électromagnétique (EMI) souvent appelés « bruit » qui se trouvent généralement autour de chaque équipement électronique, ex téléphone portable. Ce "bruit" peut également interfère dans la plupart des appareils électroniques, y compris votre monture. 
Ainsi, le "bruit" RF est partout et est généré par bien plus que de simples téléphones portables.
En gros, ces circuits sont appelés "filtres" car ils filtrent en quelque sorte le "bruit" juste au cas où de tels signaux indésirables pourraient être mal interprétés par les "microprocesseurs" sur la carte comme des commandes valides, cela pourrait engendrer des erreur de commande.

 

Composant de remplacement:

Perle de ferrite L1 Réf: BLM31PG500SN1L - Perle de ferrite, 1206 [3216 Metric], 50 ohm, 3.5 A, Série EMIFIL BLM31P, 0.015 ohm, ± 25%

Perle de ferrite L2 Réf: BLM18EG221TN1D - Perle de ferrite, 0603 [1608 Metric], 220 ohm, 1 A, Série BLM18E, 0.15 ohm, ± 25%

Condensateur C3 Réf: 25ZLJ470M10X12.5 - Condensateur électrolytique, Miniature, 470 µF, 25 V, Série ZLJ, ± 20%, À sorties radiales, 10 mm, 12.5mm, 5mm

Condensateur C1 Réf: C0603C124K5RACTU - Condensateur céramique multicouche CMS, 0.12 µF, 50 V, 0603 [1608 Metric], ± 10%, X7R

Condensateur C4 Réf: C0603C103K5RACAUTO - Condensateur céramique multicouche CMS, AEC-Q200, 10000 pF, 50 V, 0603 [1608 Metric], ± 10%, X7R

Attention ce sont des composant de substitution échange d'un composant d'une représentation simplifiée par un autre composant et s'effectue dans le contexte d'une représentation simplifiée. 

On trouve les composant chez farnell ou bien sur ebay

 

C L1.png  C L1 cramé.png  C L 2 c.png

Attention, il ne faut surtout pas shunter le composant cramé (perles de ferrite) avec un fil, au risque de voir de plus gros dégât.

Pour un dépannage. Un fusible, à la place de la perle de ferrite ça n'engage que vous. Voir ci-dessus la liste des composant pour l'intensité du fusible.

 

Recherche de composant défectueux:

Les composants montés en surface (C.M.S. ou M.S.D.)

Recherchez des fissures, mêmes très légères par éclairage rasant pour bien les voir, pour identifier un composant douteux et faites vos mesures au multimètre pour confirmer ou infirmer l'état de panne.

Un composant C.M.S. grillé peut tout à fait être remplacé par son homologue en gros boîtier classique, si vous n'avez rien d'autre.

 Avant toute intervention à lire les notes de bas de page.

 

Message d'erreur SynScan:

"No link to M.C. Stand-alone mode"

  • la raquette n'est pas correctement branchée sur la monture voir câble défectueux. Ci non carte défectueuse (défaut sur Circuit logiques, EMI et diode à contrôler).
  • Défaut contact avec le(s) moteurs 
  • 99% des cas c'est un manque de puissance.

"CAUTION! Dec/Alt no detected"  

  • il y a quelques astram  qui ignore ce message en appuyant sur ENTER ou bien ESC puis ENTER.
  • Ou en réinitialisant la raquette SynScan ( menu "Setup" > "Factory Settings"). Un défaut avec la dernière version 3.37 du firmware de SynScan.
  • Faux contacts au niveau des connexions moteurs RA, DEC.
  • Défaut d'un ou des driver A3959SLBT.

"Can not connect to a SynScan hand control" 

  • mise à jour de la raquette SynScan, vérifiez le cable de connexion et le câble PC-Link. Assurez-vous qu'ils soient en bon état de fonctionnement. Fermez toutes les applications qui peuvent occuper le port RS-232 puis essayez à nouveau.

"CAUTION...Both Axes No Response"

  • La raquette n'est pas correctement branchée sur la monture voir câble défectueux.
  • Défaut composant de la raquette SynScan.
  • Défaut composant carte mère cause inversion de polarité.
  • Défaut composant carte mère lors d'un faux contact électrique.
  • Défaut connecteur db9 Hand Controleur carte mére EQ6.
  • Défaut connecteur RJ45 Hand Controleur SynScan.
  • Défaut d'un ou des driver A3959SLBT.
  • Défaut d'un ou des pic 16F886.

 

Les pannes éventuelles de la raquette SynScan:

Raquette V.3

Défaut connecteur RJ45 Hand Controleur SynScan.

Dans la majorité des cas L9, L10 composant électronique défectueux (cramé).

Composant de remplacement:

Perle de ferrite L9; L10 Réf: BLM18AG601SN1 - Perle de ferrite, 0603 [1608 Metric], 600 ohm, 500 mA, EMIFIL BLM18A, 0.38 ohm, ± 25%

 

Raquette V.4 & V.5

Défaut connecteur RJ45 Hand Controleur SynScan.

Dans la majorité des cas U6; U9; U10; C3 et C55 composant électronique défectueux (cramé).

 

U6 = TPD4F003DQDR ou VEMI45AA-HNH-GS08 Filtre EMI/RFI

image.jpeg.368df2da6e192701ccd66bb23b2f10b1.jpeg  image.jpeg.25e71550ce796ab0803e0fd1221c6b55.jpeg

 

C55, C58,  C3, C4 son des condensateurs au tantale 10uF, 16V 10% de tolérance.

FB perle de ferrite 603 (BLM18EG221N1D)  peut faire l affaire.

U10 est un régulateur de 3.3V . (AZ1117-3.3)

U9 est un régulateur de 5V. (AZ1117-5.0)

     image.jpeg.5a1b5d0c4ccc35f62d08de585c5cbda6.jpeg  Capturedcran2023-09-02093121.jpg.7e589b309e5728443dd96a723b4b457f.jpg

 

Vous devez utiliser uniquement des cordons spécifiques comme ceux de Pierro Astro et surtout pas des câbles informatiques standards. Sous peine d’endommager le PC voir même la raquette de commande.

 

La Led:

  • Signification de la Led qui clignote. 
  1. Défaut secteur.
  2. Défaut du filtre EMI L1
  3. Défaut réglage vis tangente.
  4. La led clignote lentement tension ≃ 11.5V.
  5. La led clignote rapidement tension < 10.8V. 

La led ne doit pas clignoter du tout, pendant les déplacements ou le suivit, la monture aura une imprécision sur le Goto et le suivit.

Pour vérifier le voltage, avec la raquette de commande de la monture EQ6

Aller dans le menu "Utility" >"Show informations" > "Power voltage". Le voltage doit être de 11V à 15V. (le bon compromis 13.8V)

Une tension non comprise dans cette plage peut endommager définitivement la carte contrôleur voir même la raquette SynScan. 

Le fait de faire fonctionner la monture avec une faible tension d'alimentation. Générera un courant élevé à travers les composant.

Info micrologiciel: correction d'une lecture de tention incorrecte sur le conrôtleur manuel SynScan V3.

Sur certaines commandes manuelles SynScan V3, la lecture de la tension dans le menu "Utility" >"Show informations" > "Power voltage"

est beaucoup plus élevée que la vraie tension d'alimentation. Dans de tels cas, utilisez ce micrologiciel pour résoudre le problème ici

 

Prévoir une bonne Alimentation 12V de 5A minimum .

 

Consommation monture N-EQ6:

420mA au démarrage sans suivit ± 0.030mA. .

600mA en suivit ± 0.050mA.

Goto 1.1A à 2A suivant la charge.

Moteur pas à pas HM6GT-F00-1A:  0,8A (± 0.06mA) par phases en Goto

 

Caractéristique moteur pas-à-pas.

Réf SkyWatcher: HM6GT-F00-1A

Moteur pas-à-pas Bipolaire de type NEMA 17

Angle de pas (°): 1.8°.

Dimensions (L*W*H) : 42 x 42 x 39 mm

Courant nominal: 1A

Couple de maintien: 0.4Nm

Résolution: 200 pas

Résistance par phase: 6.4 Ω ± 5%

Inductance par phase: 11 mH ± 10%

Diamètre de l'arbre: 4.90 mm

Type d'arbre: Coupe en D

Arbre simple / double arbre: Arbre simple

Nombre de pas par tour: 783.333

Nombre de de µpas par tour : 12533.3333

 

Moteur de substitution:

Osmtec 17HS15-0854S

Osmtec 17HS19-0854S

 

Aide à Analyse de l'Erreur Périodique Par Gandalf, Tuto ici

 

Vérifier les phases moteur DEC & RA: HM6GT-F00-1A: figure 7

Par bobine  6.4 Ω ± 5%

Pin 1 = Orange avec Pin 2 = Bleu

Pin 3 = Jaune avec Pin 4 = Rouge

 

Manque de couple moteur pas a pas, c'est un problème d'alimentation.

  • Vérifier câblage moteur
  • Vérifier le régulateur le convertisseur DC-DC U4.

 

Vérifier les driver moteur U7, U8, U9, U10: figure 3

Mesurez la résistance entre GND et chacun des 4 pin du connecteur du moteur (RA et Dec).

La résistance doit être, > à 7 MΩ. Si l'une des résistances est < à 1 KΩ, cela signifie que le driver A3959SLB connecté à la broche est endommagé et doit être remplacé.

 

Important! Les drivers A3959SLBT peuvent avoir un court-circuit, s'il se retrouve alimenté en courant sans que les moteurs pas à pas ne soient connectés a la carte.

les drivers seront endommagés et devront être remplacés.

 

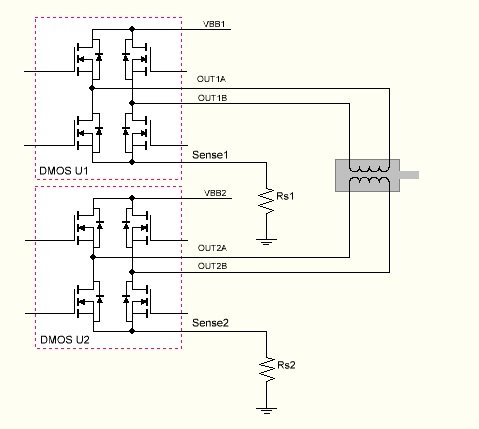
Description:

Les driver est conçu pour commander le moteur en courant et non en tension. Sur la figure ci-dessous, vous pouvez voir les deux résistances shunt Rs1 et Rs2 (R70; R80; R90; R100) de 0.680 Ω 

connectés entre

la partie inférieure du pont en H et la masse, ces résistances vont permettre de mesurer le courant en permanence dans les bobines du moteur et agir ainsi sur l'électronique de commande du pont en H 

DRIVER A3959 SLBT MOSFET.jpg

Les quatre MOSFET sont bien sûr commandés en fonction du signal « STEP » généré par le microcontrôleur, mais également en fonction de la tension mesurée aux bornes Rs. 

En fait quelle que soit la tension qui alimente le driver, celui-ci va surveiller le courant à l’intérieur des bobines pour qu’il ne dépasse pas la valeur nominale réglée.

 

Testeur de pic 16F886

Description :

Ce schéma montre comment tester les microcontrôleurs PIC16F886 dessoudé après avoir téléchargé le fichier .HEX depuis MPLAB IDE.

image.jpeg.bd27b33b42834d953bf68de2cb817bc5.jpeg

 

Il s'agit d'un problème courant avec ce type de carte, à savoir que la télécommande affiche "Caution...Both Axes No Response" . Cela se produit généralement si la communication série échoue sur les microcontrôleurs.
Le circuit contient deux Microcontrôleurs PIC16F886, un pour RA et un pour DEC. Les 2 PIC16F886 ont le même firmware, la 21ème broche (RB0) indique au PIC, est-ce le RA ou le DEC.
Si le ou les PIC tombe en panne, il est possible de les remplacer et de les recharger. 
Le firmware .mcf (Motor Controller Frmware) peut être téléchargé depuis le site Web de Skywatcher , attention le PIC16F886 vide ne peut pas être téléchargé avec l'utilitaire Windows via le contrôleur manuel. 

Heureusement, le fichier .mcf est un fichier .bin, qui peut être converti en .HEX, qui peut être flashé sur le PIC16F886 à partir de Microchip MPLAB X IDE. Cette conversion n'est pas simple, certains convertisseurs bin2hex fonctionnent, d'autres non. 

Flasher le PIC avec le PICKit 3.

Le PICKIT ne suffit pas à lui seul pour télécharger le firmware, il faut fournir un +5V externe (VDD) au PIC pour pouvoir le télécharger. Après avoir flashé le firmware, il est possible de tester le PIC en connectant la télécommande (raquette SynScan) à l'aide du schéma ci dessus. La télécommande est alimentée par cette source +5V. NE connectez PAS le 12V, cela endommagerait le Pic!!!
Si la programmation a réussi, la raquette affichera  "RA/Azm... No response!" si le PIC est en mode DEC, et  "Dec/Alt... No Response!" si le PIC est en mode RA.
Dans ce cas, le PIC **fonctionne** et il est possible de le souder en toute sécurité sur la carte mère.

 

Vérifier la diode schottky D1:  figure 4

Test d'une diode Schottky au multimètre (sens passant) typiquement, on obtient des résultats entre 100mV et 300mV.

Diode Schottky SK34A : 165mV à 190mV sens passant, OL sens ouvert.

Diode claquée : court-circuit dans les 2 sens.

 

Vérifier la diode PN D4 & D5: figure 4

Test d'une diode PN au multimètre (sens passant) typiquement, on obtient des résultats entre 400mV et 700mV.

Diode PN : 610mV à 705mV sens passant, OL sens ouvert.

Diode claquée : court-circuit dans les 2 sens, pensez au remplacement du composant..

 

Vérifier un condensateur: figure 5

Un condensateur c''est un composant dit passif, ne peut être testé qu’en étant séparé du circuit auquel il est raccordé. Il faut aussi le décharger.

Mettez pour cela ses 2 pôles en contact avec un élément métallique quelconque.

Il existe plusieurs façons de tester un condensateur pour savoir s’il fonctionne convenablement.

Réglez le multimètre sur la position ohmmètre. Selon la capacité de votre condensateur, adaptez le calibrage de l'ohmmètre pour qu'il corresponde le mieux à votre condensateur ex 1 000 ohm/1K.

Lorsque l’afficheur du multimètre (numérique) indique 10000(ou plus) puis redescend à 0, le condensateur fonctionne correctement.

Si en revanche l’afficheur reste à 0 ou bien à la valeur précédente (10000 ou plus), le condensateur est défectueux, pensez au remplacement du composant.

2emme façons de tester un condensateur. Réglez le multimètre sur la position Capa. Selon la capacité de votre condensateur, adaptez le calibrage de Capa pour qu'il corresponde le mieux à votre condensateur. Si la capacitance que vous voyez s’afficher est proche de celle qui est notée sur le composant, vous savez qu’il est en bon état de fonctionnement. Si elle est inférieure de beaucoup ou si elle est proche de zéro, le condensateur est HS.

Exemple de condensateur HS ci-dessous

Condensateur HS.png

 

Vérifier une résistance: figure 6

La résistance c''est un composant dit passif, il conduit l'électricité avec un effet résistif. Il est bidirectionnel, il n'y a pas de sens obligatoire du passage du courant.

Sont rarement assujettis aux pannes (sauf suite à la défaillance d'un semi-conducteur ou alors dus à un très gros défaut de fabrication ou de conception du montage !).

Les résistances de puissance sont plus sujettes aux pannes, pour les même raisons que cités précédemment, mais également parce qu'elles sont amenées physiquement à dissiper de la chaleur, et parfois un peu trop pour elles :

Elles vont donc soit se mettre en circuit ouvert, soit carrément changer de valeur (généralement pour prendre une valeur supérieure).

Une résistance possède une résistance ohmique dont la valeur réelle peut varier légèrement par rapport à la valeur indiqué sur elle, cela est lié à sa tolérance.

La plupart du temps, la mesure de la valeur ohmique d'une résistance ne peut être considérée comme valable que si elle est effectuée hors circuit, c'est à dire si au moins une de ses deux pattes n'est raccordée à rien.

La valeur mesurée doit être proche de la valeur attendue, à sa tolérance près. Si ce n'est pas le cas (valeur bien plus élevée par exemple), pensez au remplacement du composant.

Mesure en circuit

Si la valeur mesurée est inférieure ou égale à la valeur attendue, on peut supposer que la résistance est bonne mais ce n'est pas certain.

Il est rare de mesurer en condition normale une valeur de 20 ohms alors que la résistance est marquée 150 Kohms, mais cela est néanmoins possible dans certains cas, notamment en cas de présence de bobinages

ou de transfo directement en relation avec la résistance en question. Seule sa déconnections (même partielle) peut permettre de confirmer son état.

 

Vérifier le convertisseur DC-DC U4: figure 1

Régulateur SMPS 2171WU mesure la tension sur pin IN du U4 tension comprise à ≃ 12V (Tension d'alimentation). Si pas de tension sur IN, vérifier D1 et L40 voir même L1.

Ci il y a une tension comprise à ≃ 12V du U4 sur pin 5 IN, vérifier les tension suivantes pin FB, COM et le + de C48

Mesure de la tension sur pin FB comprise à 1.24V (Tension de rétroaction). Si tension incorrecte sur FB, régulateur U4 HS, pensez au remplacement du composant.

Mesure de la tension sur pin COM comprise à 1V (Compensation de fréquence). Si tension incorrecte sur COMP, régulateur U4 HS, pensez au remplacement du composant.

Vérifier la tension sur le + de C48 tension comprise à 33V. Si tension incorrecte vérifier D2 et L14, si D2 et L14 correcte il y a suspicion que U4 est HSpensez au remplacement du composant.

 

Vérifier le régulateur de tension fixe monolithique U1: figure 2

Régulateur 78D05AL mesure la tension sur pin IN du U1 tension comprise à  12V (Tension d'alimentation)Si pas de tension sur IN, vérifier D1 ou L11 voir même L1.

Ci il y a une tension sur pin IN de ≃ 12V du U1, vérifier la tension sur pin OUT du U1, tension comprise à 5V. Si pas de tension sur OUT, celui-ci est HS, pensez au remplacement du composant.

 

figure1.jpg        2.jpg

 

driver.png

 

Diode test.png  

 

multi.png

 

test moteur.png

 

  

téléchargement.png 

 

Avant toute intervention sur la carte électronique.

 

La décharge électrostatique (ESD electrostatic discharge) est un passage de courant électrique entre deux objets possédant des potentiels électriques différents sur un temps extrêmement court.

Le terme est souvent utilisé en électronique et dans l'industrie lorsque l'on veut décrire des courants fugaces non-désirés pouvant endommager l'équipement électronique.

Une décharge électrostatique est un problème grave dans l'électronique des solides, tels que les circuits intégrés.

On ne s'en préoccupe jamais, mais l'électricité statique est un phénomène particulièrement destructeur dans de nombreux domaines et en particulier dans l'électronique.

Comment est-elle évacuée normalement ? toucher une surface métallique mise à la terre.

 

L'Electricité statique : l’ennemie invisible de vos matériels informatiques

 

 

A SUIVRE 

Mise à jour le 31/08/2023

 

 

Modifié par denis-mgt
  • J'aime 4
  • Merci / Quelle qualité! 6
Posté (modifié)
Il y a 21 heures, pagpatrice a dit :

D'abord, bravo ;) 

Ensuite, par curiosité, qu'est ce qui a pu te pousser à te lancer dans un tel travail ?

Merci, après plusieurs essais, de différent type de connexion WiFi, Bluetooth de ma fabrication, j'ai fini par griller ma carte mère.

Achat d'une deuxième carte contrôleur. 2 ans après rebelote griller par une inversion de polarité.

C'est pour cela que je me suis lancer dans un tel travail.

Une fois qu'on a les plans beaucoup plus facile pour une réparation de la carte contrôleur.

Je fais profiter la communauté.

 

A suivre.

Modifié par denis-mgt
  • J'aime 4
Posté
il y a 3 minutes, denis-mgt a dit :

Une fois qu'on a les plans beaucoup plus facile pour une réparation de la carte contrôleur.

effectivement c'est une bonne explication, sacré travail quand même.

Posté
il y a 59 minutes, kelvin a dit :

Oui sacré travail, ça devait pas être évident de trouver le schéma électronique. 

le schéma actuellement en cours de dessins gros travail en vue

Posté (modifié)

Déja le shema de protection contre les inversions et surtensions est un bon systeme à généraliser sur nos montages.

Comment se calcule la valeur de la zener en fonction des tensions d'entrée et sortie désirée ?

 

Merci

Modifié par le Nordiste
Posté

Merci 

il y a une heure, Florent37 a dit :

Génial :)

Egalement pour suivre.

@denis-mgt: tu fais du reverse engineering de la carte EQ6? aurais-tu le schematic?

 

bravo

étude de la carte pour en déterminer le fonctionnement oui.

le schéma en cours de dessins actuellement.

 

Il y a 3 heures, kelvin a dit :

Je vois également qu'il y a des PIC16F886, quid du programme ?

il y a bien des PIC16F886 quid du programme ?

On verra bien par la suite

 

Il y a 5 heures, le Nordiste a dit :

Déja le shema de protection contre les inversions et surtensions est un bon systeme à généraliser sur nos montages.

Comment se calcule la valeur de la zener en fonction des tensions d'entrée et sortie désirée ?

 

Merci

Pour la diode Zener essais avec la 1N5244B 14V sa fonctionne sur ma platine d'essai, alimentation monture EQ6 à 13.5V 

Posté (modifié)

1 er jet de schéma électronique de la carte EQ6. remonter topic

Liste de composant, actualisation en cours

 

merci de me signaler toute erreur.

Modifié par denis-mgt
Posté (modifié)

Y a-t-il des personnes intéressés par un module contre les inversions de polarité. pour 15 € TTC avec fdp vers la france en lettre suivie*

 

0.194 € HT - 1 Diode zener Réf: MMSZ4702-E3-08, 15V, 0.5W, SOD-123-2 .

3.64 € HT - 1 Transistor MOSFET Canal N Réf: PB025N08N3GATMA1 ,120 A, 80 V, 0.002 ohm, 10 V, 2.8 V. OU 5.19 € HT - 1 Transistor MOSFET Canal N Réf: IPT012N08N5ATMA1 - 300 A, 80 V, 0.001 ohm, 10 V, 3 V.

0.0133 € HT - 1 Résistance à puce CMS Réf: MCWR12X1001FTL - Résistance à puce CMS, Couche épaisse, 1206 [3216 Metric], 1 kohm, Série MCWR, 200 V

0.0121 € HT -1 Résistance à puce CMS Réf: MCWR12X4703FTL - Résistance à puce CMS, Couche épaisse, 1206 [3216 Metric], 470 kohm, Série MCWR, 200 V

4.151 € HT Circuit contre les inversions de polarité ( pour une commande de 20 )

*Remise de 1.80 € pièces pour une commande de 40.

*Remise de 7.80 € pièces pour une commande de 100.

TOTAL  8.19 €  HT Avec Transistor MOSFET Canal N, 120 A.

TOTAL  9.56 €  HT Avec Transistor MOSFET Canal N, 300 A.

Modifié par denis-mgt
Posté (modifié)

Bonjour Stéphane je vais passer commande de 40 C.i. d'ici la fin de semaine pour la fabrication de module I.P.

Modifié par denis-mgt
Posté

Tu as repris le schéma d'origine. Tu refais à l'identique? Je retrouve les mêmes petits défauts...

 

Une remarque :Tu.peux utiliser 1 seul quartz au lieu de 2

 Avoir 2 quartz de même fréquence est une très mauvaise idée : on a des battements entre les 2 (intermodulation qui gènère un bruit de phase) si on a vraiment du bol, il arrive à se vérouiller l'un sur l'autre par miracle.

Donc à éviter. il faut se servir d'un des 2 microcontrôleurs comme oscillateur et bufferiser l'horloge de la pin de sortie (logique 1 porte en petit boîtier) (ou même l'envoyer directement) vers l'autre microcontrôleurs.

(il y a une pin d'entrée haute impédance et une pin de sortie bufferisée. Aussi tu sais qu'une entrée de microcontrôleurs ça va être quelques pF dont tu peux tenir compte dans la capa de charge du quarz si tu l'envoie directement vers l'autre microcontrôleur.)

 

Pour la protection d'entrée, pourquoi ne pas la mettre directement sur la carte. Il y a plus simple d'ailleurs : tu mets un.polyswitch au lieu du fusible F1 et une diode TVS 14V unidirectionnelle au lieu de la 1N4007 et c'est tout. ça suffit pour l'EQ6 : en cas de surtension la TVS écrète et déclenche si besoin le polyswitch. idem en cas d'inversion.

Et si très gros problème, la TVS meurt en court circuit, ce qui protège le reste, ce que ne fait pas la 1N4007.

 

Edit : il y a un.truc très bizarre avec les alim. Je comprends pas bien ce que fais la diode entre l'entrée et la sortie du régulateur 5V...qui me semble à l'envers en plus...

En gros il te faut :

- un.5V pour alimenter les PIC et la partie logique des Allegro

- une alim plus haute en tension.pour la partie puissace des allégro. c'edt ce que fait le régulateur Micrel (élévateur de tension) qui sort du 32V.

  • J'aime 1
  • Merci / Quelle qualité! 1
Posté (modifié)

Bonjour, olivdeso. Oui j'ai repris le le même schéma d'origine, par rapport au scan de la carte que j'ai effectué. J'ai juste repris ce schéma pour pouvoir faire des réparations éventuels sur la carte. Je ne compte pas reproduire le même type de carte. Il est vrai que le régulateur est en position négatif. Merci pour la suggestion du Polyswitch avec la diode TVS 14 volts. Ci-joint les scans de la carte contrôleur N-EQ6

 

Si vous apercevez des erreurs merci de me les communiquer que je puisse modifier le schéma

Cont EQ6.1.jpg

 

Cont EQ6.2.jpg

 

Cont EQ6.3.jpg

 

Cont EQ6.4.jpg

Modifié par denis-mgt
Posté
Il y a 12 heures, trasher a dit :

+1 pour le module, a quel endroit et comment tu as prévus de l'intégrer ?

Il il y a le choix. Premièrement  juste  avant l'alimentation de la monture  ou tout autre appareil alimenté en 12 volts. Deuxièmement dans la monture sur la borne positif, et négatif, bien sûr qui demande une  modification de l'alimentation. Avec  une entrée connecteur d'aviation, prévoir démontage du connecteur 12 volts de la carte contrôleur EQ6. 

Posté (modifié)

Les schémas ne sont pas juste. Effectivement, Le régulateur n'est pas en négatif mais en positif. j'avais une masse dans le cercle rouge sur mon dessin je rectifie ça ce soir, quand j'ai fait le dessin de la carte j'ai dû boire trop de champagne 🍾 ce jour-là.

DEFAUT.png

Modifié par denis-mgt
Posté

et 2 modules de protection pour moi, ce serait pour une almentation d'un boitier photo et ???

Merci de nous tenir au courant de la manière pour procéder à la juste compensation des frais engagés.

Posté (modifié)
Il y a 22 heures, trasher a dit :

+1 pour le module, a quel endroit et comment tu as prévus de l'intégrer ?

 

Il y a 2 heures, le Nordiste a dit :

et 2 modules de protection pour moi, ce serait pour une almentation d'un boitier photo et ???

Merci de nous tenir au courant de la manière pour procéder à la juste compensation des frais engagés.

Bonjour, commande passée aujourd'hui, j'ai commandé 40 circuits imprimés ainsi que les composants électroniques pour la fabrication des modules. Les modules devrait arriver le 21 janvier si tout se passe bien. Par la suite vous devrais recevoir les modules d'ici la fin janvier pour cela envoyez-moi votre demande par la boîte mail avec votre adresse pour la livraison. pour les frais on verra sûrement avec Paypal, sinon par chèque.

Modifié par denis-mgt
Posté (modifié)

Symptômes / Diagnostique d'un Condensateur

Il est difficile de discerner les effets provoqués par un condensateur défectueux, car ils varient selon sa fonction. Et l'évolution est parfois imprévisible : très lente ou bien soudaine, provoquant quelques dysfonctionnements de la monture équatoriale puis une panne plus ou moins franche. Il peut même y avoir un fonctionnement dégradé sans que l'utilisateur ne s'en rende compte : surconsommation, génération de parasites...

Pour trouver la panne, un examen visuel des condensateurs suffit dans la majorité des cas. Un dessoudage est parfois nécessaire pour regarder en dessous du condensateur.

cond1.jpg  cond2.jpg  cond3.jpg  cond4.jpg

 

  1. Le sommet est gonflé, et les stries d'évacuation sont plus ou moins ouvertes (avec suintement de l'électrolyte).
  2. Le sommet est gonflé, même légèrement. Un condensateur en bonne santé a un "capot" absolument plat.
  3. La base en caoutchouc est gonflée ou boursouflée, ou hors du sertissage.
  4. Présence d'oxydation ou de suintement au niveau d'une ou des deux connexions : toute trace de liquide plus ou moins marron est suspecte

 

D'autres aspects sont aussi à surveiller :

  • Une surchauffe en fonctionnement
  • Une odeur caractéristique d'électrolyte chauffée

Si un seul de ces symptômes est révélateur, un condensateur peut ne présenter aucun défaut visible. Seule la mesure peut discriminer un condensateur foireux (capacimètre, ESR-mètre). Les symptômes prévalents mesurables sont :

  • Une capacitance en hausse ou en chute
  • Une résistance série qui augmente
  • Un courant de fuite qui s'accroît

En cas de panne avérée, il faut aussi contrôler les éléments périphériques en amont, qui dans quelques cas peuvent défaillir à cause de la surintensité occasionnée par le fautif : diodes de redressement, régulateur de tension, tout élément de pilotage ex: convertisseur, etc...

Modifié par denis-mgt

Rejoignez la conversation !

Vous pouvez répondre maintenant et vous inscrire plus tard. Si vous avez un compte, connectez-vous pour poster avec votre compte.

Invité
Répondre à ce sujet…

×   Collé en tant que texte enrichi.   Coller en tant que texte brut à la place

  Seulement 75 émoticônes maximum sont autorisées.

×   Votre lien a été automatiquement intégré.   Afficher plutôt comme un lien

×   Votre contenu précédent a été rétabli.   Vider l’éditeur

×   Vous ne pouvez pas directement coller des images. Envoyez-les depuis votre ordinateur ou insérez-les depuis une URL.

  • En ligne récemment   0 membre est en ligne

    • Aucun utilisateur enregistré regarde cette page.
×
×
  • Créer...

Information importante

Nous avons placé des cookies sur votre appareil pour aider à améliorer ce site. Vous pouvez choisir d’ajuster vos paramètres de cookie, sinon nous supposerons que vous êtes d’accord pour continuer.