Aller au contenu

Messages recommandés

Posté

Bonjour les amis

 

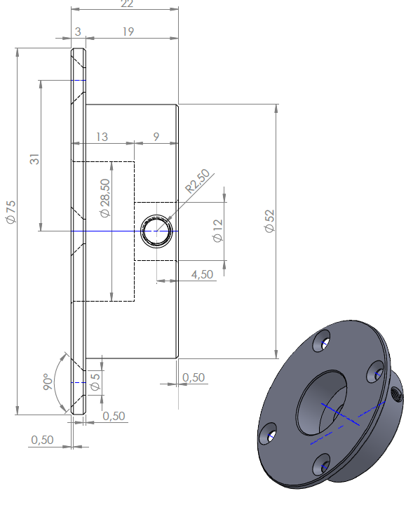
Aujourd'hui, j'ai fini par arrêter de procrastiner avec l'usinage des plaques carbone. Ce qui me faisait peur, c'est la poussière de carbone générée pendant l'usinage, donc je suis allé m'acheter un masque respiratoire avec filtre à cartouches 3M digne de ce nom et je me suis lancé. J'ai commencé par imprimer des gabarits en plastique pour m'aider pour les perçages et l'usinage.

1 - J'ai associé 4 plaques entre elles avec du scotch kapton large pour immobiliser les pièces les unes par rapport aux autres.

2 -  masque sur le nez et lunettes de protection, perçage de 9 trous et vis de maintien pour ne pas que ça bouge, aspirateur pas loin pour la poussière

3 - découpage grossier le long des gabarits à la scie à métaux (la partie pénible, c'est long mais ça se fait bien)

4 - installation du plateau diviseur sur la fraiseuse et des 4 pièces

5 - usinage précis grâce au gabarit (encore)

6 - reperçage des trous à 9 mm pour pouvoir monter les inserts taraudés en acier

7 - chanfrein sur une face de 5 trous seulement pour noyer les têtes de vis et les têtes d'insert

8 - montage sur le cercle AD

 

Assez content du résultat, va falloir que je fasse la même chose pour le deuxième télescope ...

 

Quelques photos comme toujours. J'ai pas photographié toutes les étapes, mais ça donne une idée.

 

 

R1.JPG

R2.JPG

R3.JPG

R4.JPG

R5.JPG

R6.JPG

 

image.png.8645f6c456d7aea3cab869855293aa1e.png

 

  • J'aime 6
  • Merci / Quelle qualité! 1
Posté

arf, fallait demander avant, mais l'astuce pour découper le carbone, c'est la lame de scie pour le carrelage, genre ça (elle a l'air grossière celle là)

41q1kMC1BSL._AC_SL1007_.jpg

 

ça permet de faire des formes tordues "relativement" facilement

bon, c'est toujours long comme la mort bien sur :D 

 

en tout cas, toujours super prore ton boulot, chapeau 👍

Posté
Il y a 3 heures, lordzurp a dit :

lame de scie pour le carrelage,

 

Merci du tuyau, je saurai la prochaine fois. ;) 

 

J'ai flingué deux lames de scie sur ces pièces. Les dents se mangent à grande vitesse.

 

J'ai utilisé une fraise en carbure de tungstène pour le fraisage et ça a bien marché pour le contour.

 

Il y a 3 heures, lordzurp a dit :

super prore ton boulot, chapeau 👍

 

Merci encore, je m'applique autant que je peux

 

Posté

Bonsoir

 

Je continue avec l'axe DEC ...

 

Découpe des supports des paliers dans des profilés carrés 20 x 20 mm creux en carbone, paroi de 2 mm.

Perçage et impression 3D d'une âme en ABS qui garnit l'intérieur (press-fit) pour le guidage des inserts et assemblage de l'ensemble.

Présentation sur la monture d'un sous-ensemble pour vérifier que ça se monte.

 

IMG_5746.thumb.JPG.e090e60439ba67c5b8a17cfa80dd604b.JPG

IMG_5744.thumb.JPG.f8b3257d0048dac062211b92c34c9bd2.JPG

IMG_5745.thumb.JPG.09a0034b07dd0a3df24930bd750af4c3.JPG

 

La suite du programme, probablement le week-end prochain, c'est encore de l'usinage  :

  • 4 axes DEC (inox)
  • 4 moyeux des roues tangentes (alu)
  • 4 moyeux des cabestans de verrouillage de l'axe DEC (bronze ou laiton, suivant ce que je trouve

image.png.94df66c508d2d72e80a588315721452c.png

 

image.png.2d101317bc7669c9a617faa8c08f7463.png

 

image.png.83b1d8d7d85ad40c96dcb6ba9303e664.png

 

image.png.0798c4ed5cb495cd4b0e1ea221d57b10.png

  • J'aime 2
  • Merci / Quelle qualité! 1
  • Astrokor changed the title to T250 - équatorial : Split ring again ?
Posté

Bonjour

 

petits usinages du week-end : tournage des axes Delta.

 

Je suis allé chercher un morceau d'inox chez mon ferrailleur favori :) une barre de 1 m environ diamètre 24 mm, c'est un ancien axe de machine, j'ai pas trouvé plus petit (10€, c'est pas cher). Sciage, décolletage, perçage, taraudage et filetage de la partie centrale au tour à l'aide la vis mère, M14 x 200. C'est long à faire mais ça va.

 

 

 

image.png.384ee6a1fc00cc14622f584496b7e86b.png

 

image.png.c77ad3644570315241a2160b27261241.png

 

image.png.bade007784e0d29b5230e84f51557c08.png

 

image.png.b1c0d6cf2999ef24ea5a445093247f30.png

 

image.png.bb9927911bff095ad6fdd97734e148e5.png

 

image.png.2766a68c259b73aa1b311ebbfcf410c4.png

 

image.png.f6d276c47ca82b1a4d2a7347f7e6725b.png

 

image.png.e0135e2c24bf5b35cd064dd149a65374.png

 

image.png.88fd735bc6123bfc9c3ad76e6d34962c.png

 

image.png.b9a066ffb072c58499369e47e98d6801.png

 

image.png.29719a39bb1377fabd2a021dbb201aed.png

 

image.png.4ca1b91a3c066a8918fdc4d7bac1d12d.png

 

pour le reste, c'est un peu le chantier  :)

 

image.png.f18d2e47e417a8b934dc594170e7fde6.png

  • J'aime 1
  • Merci / Quelle qualité! 6
Posté

C'est époustouflant le soin que tu apportes à cette réalisation !

Nous sommes nombreux à baver devant le niveau, j'te l'dit, moi

 

  • Merci / Quelle qualité! 1
Posté

merci pour les encouragements, ça fait plaisir, je vais continuer à documenter puisque certains sont intéressés :)

 

  • Merci / Quelle qualité! 2
Posté

Bonjour

 

oui j'avais vu le projet, c'est joli et bien conçu, mais tout petit :)

Je ne savais pas qu'il le vendait en kit, merci pour le lien

Mais en effet, c'est ça que je suis en train d'essayer de faire avec ... un peu plus de capacité de charge (15-20 kg)

 

 

Posté

Bonsoir

 

j'avance doucement, de nombreuses impressions en cours ... les capots, les cabestans, etc ...

Je tente un moyeu "mixte" mi-ABS mi-aluminium ; les sous-ensembles étant montés serrés et collés. Egalement des vis à 120° pour l'anti-rotation sur l'arbre.

Si ça ne tient pas le coup, je referai en inox. Mais une fois monté ça a l'air bien costaud et ça se présente pas mal.

La roue tangente et la vis sans fin engrainent sans jeu après réglage des vis pointeau prévues à cet effet 

J'ai bon espoir que ça marche bien.

 

3 petites photos de la soirée :

 

image.png.e0950995758b38b390914e5f5e1c0bab.pngimage.png.2aa720bd4c18aa490585d4e6161e2c44.png

 

image.png.c7216f9541b32e23fbfb55b4406eb9a5.png

  • J'aime 4
  • Merci / Quelle qualité! 3
Posté

Bonjour 

 

Journée usinage aujourd'hui, la suite du programme c'est les moyeux des cabestans et les coupleurs pour le réglage delta en mode manuel.

J'ai trouvé du bronze chez mon ferrailleur. Les assemblages inox, bronze c'est quand même bien.

J'ai ensuite assemblé un palier complet avec tout le système, roue et vis sans fin, système d'embrayage, débrayage, axe, palier et capots. Le tout se monte bien et fonctionne au top. Très content encore, j'espère que ça va continuer.

 

Il me reste une tonne de pièces à imprimer pour faire les 3 autres paliers  ... (c'est en cours)

 

Les photos :

 

image.png.b8e38cdf3192eb8e04bd822126a817d8.pngimage.png.fffef5b2dc9140128ba6568c5b560a14.png

image.png.3dc694cdc5aa27c5de1e7f8aeb4b2fb1.pngimage.png.03f86e2172788e0891d8331fce9e47cb.png

image.png.9205d3fcd076b73c05fcff43578c888d.pngimage.png.3c4707503aeb5eeb436e4949a704a342.png

image.png.a8b020e8186ce402e34aa11ab7112eaa.png

image.png.4bf993878f77d9245df272a6df08216f.pngimage.png.8ad7a7641a2ac7e4ac1fd780e630ff3b.pngimage.png.5de4e691b0d6c57203b42b1d11104881.pngimage.png.f216e5d5def2d6eea01575936f1a6699.png

image.png.c72bfd4ab620e226b738438463837704.pngimage.png.cd07679a62946561098be128e6627240.png

 

  • J'aime 1
  • Merci / Quelle qualité! 6
Posté
il y a 59 minutes, norma a dit :

pour la liaison bronze - pièce imprimée ? Ou pour le filet ?

Je ne suis pas sûr de comprendre la question

 

J'ai fait les pièces en bronze avec l'espoir que les liaisons acier bronze s'useront moins vite.

 

Le côté gauche sera motorisé, j'ai commandé des Nema 23 aussi pour l'axe déclinaison.

 

 

Posté

Un vrai petit bijoux ! :langue15:

Et j'imagine aussi un boulot monstre.

Si la monture est aussi efficace que belle, ça va être une tuerie !  

 

  • J'aime 1
Posté
Il y a 9 heures, tictactoc a dit :

Si la monture est aussi efficace que belle, ça va être une tuerie !  

 

 

J'espère surtout qu'elle sera efficace ! :)

 

En tout cas je m'applique pour ça .

 

 

  • J'aime 1
Posté

Bonjour

 

Aujourd'hui j'ai commencé à fraiser les bras de la nacelle (pas eu le temps de finir). Il me reste à faire un alésage diamètre 30 mm suivi d'un lamage diamètre 35 mm, tous les lamages des trous, des taraudages et un contour au plateau tournant pour donner une forme arrondie.

 

Pendant ce temps impression des pièces côté gauche (entraînement delta motorisé). J'ai pas encore reçu les NEMA 23.

 

quelques photos des pièces ébauchées:

 

13.JPG

14.JPG

16.JPG

17.JPG

19.JPG

20.JPG

  • J'aime 2
  • Merci / Quelle qualité! 2
Posté

Les deux montures sont maintenant équipées de tous les entraînements.

J'attends les NEMA 23 pour faire un test sur la déclinaison. :be:

 

image.png.72342fba8ace7de4b555efeee5f73a4c.png

  • Merci / Quelle qualité! 2
Posté
il y a 7 minutes, Astrokor a dit :

Les deux montures sont maintenant équipées de tous les entraînement.

J'attends les NEMA 23 pour faire un test sur la déclinaison. :be:

Très beau boulot, et en plus quelle rapidité dans ton travail ! :pou:

  • J'aime 1
Posté
il y a 4 minutes, adamckiewicz a dit :

Va falloir faire de l’interférométrie!! :D 

 

Oui ! Il faudra vérifier la performance d'abord :)

 

Les systèmes de blocage à cabestan sont très bons, les accouplements coniques c'est redoutable.

La suite du programme, c'est la nacelle dans laquelle le télescope pourra tourner sur son axe ...

 

nacelle.png.3df73fabcf54bb2b9b972b55b7a7fcd1.png

  • Merci / Quelle qualité! 4
Posté
Il y a 2 heures, Patcubitus a dit :

quelle rapidité dans ton travail ! :pou:

 

c'est l'impression 3D : c'est tellement utile et simple !

Posté
il y a 29 minutes, Astrokor a dit :

 

c'est l'impression 3D : c'est tellement utile et simple !

Oui mais ton travail de l’alu est plus rigolo!!! Y à de l’huile de coupe, des copeaux, de belles machines qui ont de la gueule!!!

  • J'aime 1
Posté
il y a 52 minutes, Astrokor a dit :

c'est l'impression 3D : c'est tellement utile et simple !

Non, non ! 

Pour faire cela aussi bien et aussi rapidement, il y'a un Gars très efficace derrière tout ça. ;)

Il faut savoir se servir de tous ces outils, que se soit l'impression 3D ou une fraiseuse, un tour... Ect.... Et en plus (et surtout)cogiter tout cela en amont !

Bravo

  • J'aime 1

Rejoignez la conversation !

Vous pouvez répondre maintenant et vous inscrire plus tard. Si vous avez un compte, connectez-vous pour poster avec votre compte.

Invité
Répondre à ce sujet…

×   Collé en tant que texte enrichi.   Coller en tant que texte brut à la place

  Seulement 75 émoticônes maximum sont autorisées.

×   Votre lien a été automatiquement intégré.   Afficher plutôt comme un lien

×   Votre contenu précédent a été rétabli.   Vider l’éditeur

×   Vous ne pouvez pas directement coller des images. Envoyez-les depuis votre ordinateur ou insérez-les depuis une URL.

  • En ligne récemment   0 membre est en ligne

    • Aucun utilisateur enregistré regarde cette page.
×
×
  • Créer...

Information importante

Nous avons placé des cookies sur votre appareil pour aider à améliorer ce site. Vous pouvez choisir d’ajuster vos paramètres de cookie, sinon nous supposerons que vous êtes d’accord pour continuer.