Aller au contenu

Messages recommandés

Posté

Bonjour chers zamis,

la lune étant là une pause s'impose à moi et je vais en profiter pour régler une bonne fois pour toute mes petits tracas qui sont de paire en général après un changement de matériel. J'ai reçu il y a peu une nouvelle raf (d'ailleurs mon ancienne est toujours à la vente ici http://www.webastro.net/petites_annonces/vends-raf-orion-nautilus-7x3175-usb-baisse-de-prix_40353.htm) et l'épaisseur n'étant pas la même et voulant par la même régler cette histoire pour de bon je suis dans les mesures.

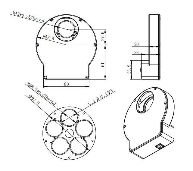
Les données constructeur de la caméra (asi1600mm-c) donnent une distance backfocus du capteur jusqu'au plat de la caméra de 6,5mm

 

drawing1.jpg

 

L'épaisseur de la raf (zwo mini 5x31.75) est donné pour 20mm

 

drawing2.jpg

 

J'arrive donc avec la raf et les différentes bagues/espaceurs (et en comptant les filtres, mais j'y reviens plus tard) une distance matériel de 46,50mm

 

21053-1491720863.jpg

 

Mais avec le backfocus du capteur j'arrive à 53mm (mesure faite avec pied à coulisse numérique)

 

Mon newton étant un 200/800, si je me réfère au tableau ci-dessous, il est indiqué une distance de 53.66mm

 

10293-1397027846.jpg

 

J'en arrive donc à la question des filtres maintenant.

Sachant qu'en plus pour faciliter le tout j'ai un jeu sho baader et un jeu cls Lrvb astronomik, j'ai besoin de vos lumières car je doute un peu :refl:

 

Il est écrit d'après QSI ici http://www.qsimaging.com/downloads/QSI-500-600-Series-Back-Focus.pdf

que les Astronomik font 1mm d'épaisseur et les Baader font 2,1mm ce qui ne m'arrange pas, mais dans l'absolu ne pouvant pas tout mettre dans la raf je peux au pire enlever un spacer lors du changement de jeu de filtres.

Mais bon admettons, je pense qu'il doit y avoir une tolérance non ? Bref si je prend en compte les Astronomik et le tableau je retire bien 1/3 de l'épaisseur (soit 0.33mm) et donc je rajoute à tout mon backfocus matériel 0.66mm ce qui me fait un total de 53,66mm.

 

Ma question est donc la suivante, ais je bon ou alors est ce que j'oublie un truc???

Ma distance mécanique elle ne doit pas bouger avec l'histoire du filtre ou si??

 

Seconde question y a t'il une tolérance?

Par exemple si j'ai pas envie de me faire ch*** à enlever un spacer quand je change de filtre et je décide donc de faire un compromis et de dire que l'épaisseur du filtre fait 1,55mm (résultat d'une nuit torride entre les deux marques :p) et que j'y retire 1/3 (0.51mm) soit une "épaisseur" résultante de 1.04mm, ça me ferait un total de 53mm+1.04mm = 54,04mm soit 54 je pense, parce que va faire les 0.04mm :b:

Qu'en pensez vous??

 

Merci d'avance et désolé pour la longueur mais je voudrais que ce soit clair une bonne fois pour toute car c'est chiant de pas avoir de belles étoiles partout :cry:

 

@+

 

Vincent

Posté

Bonjour Vincent,

J'ai la même config matériel aux filtres près (j'ai pris les RVB ZWO), ce post m'intéresse donc particulièrement :)

J'utilise le correcteur de coma SkyWatcher pour Newton F/4, j'ai l'impression que c'est celui que tu utilises. Si c'est le cas, il a un BF de 55 mm, c'est ce que j'ai trouvé sur tous les sites.

 

Dans les différents posts sur le sujet, j'ai relevé que la tolérance sur le BF est ± 1 mm. Au final, j'ai mis un empilement de bagues allonge de 28,5 mm (28,5 + 20 + 6,5).

 

Je viens de revérifier, les étoiles ne sont pas parfaitement rondes dans les coins mais ce n'est pas non plus une catastrophe. L'étirement (le léger étirement...) se fait suivant suivant les diagonales de l'image, ça n'est donc pas du tilt. Un petit crop et on en parle plus !

 

Est-ce que le correcteur de coma amène une correction parfaite sur 100% de l'image sur un capteur de la dimension de celui de l'ASI1600, je ne sais pas répondre. C'est peut être une partie de l'explication.

 

Je découvre aussi que les filtres pourraient avoir une influence sur le BF. J'espère que ça joue en pouillèmes de mm...

Posté

Salut Vincent,

 

Je ne vois qu'une solution, réaliser des séries d'images et comparer les résultats (sur le même champ et avec la même orientation).

 

C'est ce que je compte essayer de faire dès que je reçois ma roue à filtre.

 

Tiens nous au courant

Bon ciel

Posté
Bonjour Vincent,

J'ai la même config matériel aux filtres près (j'ai pris les RVB ZWO), ce post m'intéresse donc particulièrement :)

J'utilise le correcteur de coma SkyWatcher pour Newton F/4, j'ai l'impression que c'est celui que tu utilises. Si c'est le cas, il a un BF de 55 mm, c'est ce que j'ai trouvé sur tous les sites.

 

Dans les différents posts sur le sujet, j'ai relevé que la tolérance sur le BF est ± 1 mm. Au final, j'ai mis un empilement de bagues allonge de 28,5 mm (28,5 + 20 + 6,5).

 

Je viens de revérifier, les étoiles ne sont pas parfaitement rondes dans les coins mais ce n'est pas non plus une catastrophe. L'étirement (le léger étirement...) se fait suivant suivant les diagonales de l'image, ça n'est donc pas du tilt. Un petit crop et on en parle plus !

 

Est-ce que le correcteur de coma amène une correction parfaite sur 100% de l'image sur un capteur de la dimension de celui de l'ASI1600, je ne sais pas répondre. C'est peut être une partie de l'explication.

 

Je découvre aussi que les filtres pourraient avoir une influence sur le BF. J'espère que ça joue en pouillèmes de mm...

 

Salut,

Oui c'est bien le SkyWatcher mais il semblerait que le bf soit moindre avec le 200/800. Ensuite effectivement les filtres ont une incidence sur le réglage d'où ma question car j'ai l'impression que ça se joue à pas grand chose :confused:

Posté
Salut Vincent,

 

Je ne vois qu'une solution, réaliser des séries d'images et comparer les résultats (sur le même champ et avec la même orientation).

 

C'est ce que je compte essayer de faire dès que je reçois ma roue à filtre.

 

Tiens nous au courant

Bon ciel

Salut flo,

oui je crains devoir en passer par là, mais ça me gêne un peu car j'ai aussi mon souci de tilt et je pense que ça risque de fausser mes mesures :refl:

Posté (modifié)

Bonjour

On rajoute un tiers de l épaisseur des filtres et non 2/3.

 

Il y a un hublot à l entrée de la caméra? Si oui le BF de 6.5 en tient il compte ?

 

@+steph

Modifié par astrotech
Posté (modifié)
Bonjour

On rajoute un tiers de l épaisseur des filtres et non 2/3.

 

Il y a un hublot à l entrée de la caméra? Si oui le BF de 6.5 en tient il compte ?

 

@+steph

 

Oui le plus simple est d'intrégrer la correction de l'épaisseur des filtres dans la distance optique de la camera. (Comme sur le site de QSI)

 

La différence entre Baader et Astronomik n'est que de 0,33mm dans le chemin optique.

Donc tu peux te mettre entre les deux, ça ira très bien.

Après on fait avec ce qu"on trouve dans le commerce, ou alors in fait du sur mesure chez Skymeca, ce qui n'edt pas forcément plus cher que d'empiler plusieurs bagues du commerce, et de meilleure qualité.

 

Avec le correcteur GPU/Skywatcher, il faudrait être à la "bonne" distance, à 0,5mm près, pas plus.

 

Remarque : tu as mesuré la distance au capteur. Mais il reste une distance optique interne au capteur.

En général, c'est de l'ordre de 1mm (1,27mm pour le Kaf8300 +/-0,15mm). Pour le calculer, il faut la datasheet du composant.

 

Par exemple sur une camera à KAF8300 la distance mécanique est de 25mm.

Mais elle a une vitre de 0,7mm -> on soustrait 0,7/3

La distance interne du Kaf8300 est de 1,27mm (là encore on calcule la fistance mécanique et on soustrait 1/3 de l'épaisseur du verre d'indice 1,5)

 

Au total on a 25 + 1,27 - 0.7/3 = 26mm

 

Reste à savoir ce que donne ZWO : distance mécanique ou distance optique.

D'après ta mesure, ça semble être la distance mécanique à la surface du verre du capteur.

Donc il manquerait les 2 corrections:

- distance optique interne du caoteur

- correction due à la vitre de la chambre cmos

Modifié par olivdeso
Posté
Oui le plus simple est d'intrégrer la correction de l'épaisseur des filtres dans la distance optique de la camera. (Comme sur le site de QSI)

 

La différence entre Baader et Astronomik n'est que de 0,33mm dans le chemin optique.

Donc tu peux te mettre entre les deux, ça ira très bien.

Après on fait avec ce qu"on trouve dans le commerce, ou alors in fait du sur mesure chez Skymeca, ce qui n'edt pas forcément plus cher que d'empiler plusieurs bagues du commerce, et de meilleure qualité.

 

Avec le correcteur GPU/Skywatcher, il faudrait être à la "bonne" distance, à 0,5mm près, pas plus.

 

Remarque : tu as mesuré la distance au capteur. Mais il reste une distance optique interne au capteur.

En général, c'est de l'ordre de 1mm (1,27mm pour le Kaf8300 +/-0,15mm). Pour le calculer, il faut la datasheet du composant.

 

Par exemple sur une camera à KAF8300 la distance mécanique est de 25mm.

Mais elle a une vitre de 0,7mm -> on soustrait 0,7/3

La distance interne du Kaf8300 est de 1,27mm (là encore on calcule la fistance mécanique et on soustrait 1/3 de l'épaisseur du verre d'indice 1,5)

 

Au total on a 25 + 1,27 - 0.7/3 = 26mm

 

Reste à savoir ce que donne ZWO : distance mécanique ou distance optique.

D'après ta mesure, ça semble être la distance mécanique à la surface du verre du capteur.

Donc il manquerait les 2 corrections:

- distance optique interne du caoteur

- correction due à la vitre de la chambre cmos

 

OK merci m'sieur pour ces explications :)

Je vais essayer de trouver ces données manquantes pour faire la distance comme il faut et peut être que du coup je ferais faire une bague par skymeca :refl:

Posté

De rien. Au moins ça sert d'avoir galéré à trouver la bonne distance avec l'hyperstar, c'était formateur...

 

Note que pour les expérimentations afin de trouver la bonne distance, tu peux acheter un jeu de rondelles T2 ou M48 chez TS de 1 et 0,5 voir 0,3mm (ou des rondelles d'ajustage dans l'industrie).

Une fous que tu sais, tu peux faire faire la bague par Skymeca.

Posté

Bon alors c'est encore moi avec mes questions, mais je veux être sûr quitte à passer pour un demeuré c'est pas grave.

Prenons l'exemple d'olive et partons de l'hypothèse que:

- ma distance optique interne du capteur soit de 1mm (j'en sais rien j'arrive pas à trouver)

- l'épaisseur de la vitre de protection de la chambre du cmos soit aussi de 1mm (je pense qu'en ajoutant les 2 ont doit pas être très loin de la vérité :refl:)

 

Ma distance mécanique au ras de la caméra sera donc 6,5 +1 -1/3 = 7,16mm

Jusque là j'ai bon non??

 

Ensuite si je comprend bien maintenant l'histoire des filtres on va procéder un peu comme au dessus:

-épaisseur mécanique de la raf 20mm

-épaisseur des filtres (on coupe la poire en 2 pour faire simple) 1.55mm

 

J'ai donc 20 -1,55/3 = 19.48mm

J'ai bon maintenant non?

 

Ce qui fera donc un total de 19,48 + 7,16 = 26,64mm en sortie de Raf.

 

Si je me réfère toujours à ce tableau, d'ailleurs ais je raison de le faire :refl:? je fais

53,66 - 26,64 = 27,02mm à combler.

 

Alors y a bon ou pas encore???

 

Merci d'avance les copains :)

Posté

Excellent. Ça me parait tout bon.

 

En pratique tu peux peut être prendre une bague légèrement plus courte (25mm) puis acheter un jeu de rondelles de 0,5mm pour ajuster finement.

 

Une bague variable est pratique pour ajuster la distance, mais pas toujours super rigide et bien d'equerre. Idéalement il faudrait remplacer par une bague sur mesure une fois la bonne distance trouvée.

Posté
Excellent. Ça me parait tout bon.

 

En pratique tu peux peut être prendre une bague légèrement plus courte (25mm) puis acheter un jeu de rondelles de 0,5mm pour ajuster finement.

 

Une bague variable est pratique pour ajuster la distance, mais pas toujours super rigide et bien d'equerre. Idéalement il faudrait remplacer par une bague sur mesure une fois la bonne distance trouvée.

 

Aaahhhhh cool tu me rassure là :)

J'ai des rondelles en plastique (spacer de chez pierro) de différentes tailles donc je devrais pouvoir tomber pile poile ;)

Oui une fois que tout sera bien défini, je réfléchi à passer au DO, je ferais faire une bague sur mesure.

Merci m'sieur et @+

 

Vincent

Posté (modifié)

Bonjour Vincent

 

Selon le manuel page 7 et 12 https://astronomy-imaging-camera.com/manuals/ASI1600%20Manual%20EN.pdf

Il est bien indiqué le terme de backfocus ou optical distance pour caractériser les 6.5mm

( Page 13 il est indiqué que la fenêtre du capteur fait 2mm d epaisseur )

D après ce que je lis sur le net, le GPU sort en M48 et la raf est en T2 en entree.

 

@+steph

Modifié par astrotech
Posté

Voici mon montage avec la RAF Xagyl qui fait aussi 20 et un DO ATIK avec une mini bague de conversion et 2 spicers pour arriver à la bonne correction de 55 mm (ou presque la bonne).

Pil poil ca n'existe pas sinon faut vite jouer au loto. :be:

 

23914-1484413550.jpg

Posté
Voici mon montage avec la RAF Xagyl qui fait aussi 20 et un DO ATIK avec une mini bague de conversion et 2 spicers pour arriver à la bonne correction de 55 mm (ou presque la bonne).

Pil poil ca n'existe pas sinon faut vite jouer au loto. :be:

 

23914-1484413550.jpg

 

Ah tiens justement ton montage est intéressant car je regarde un peu les DO et je ne pensais pas à l'atik :refl:

Tu en as essayé d'autres avant ou tu as pris directement celui là et pourquoi??

Merci :)

Posté
Bonjour Vincent

 

Selon le manuel page 7 et 12 https://astronomy-imaging-camera.com/manuals/ASI1600%20Manual%20EN.pdf

Il est bien indiqué le terme de backfocus ou optical distance pour caractériser les 6.5mm

( Page 13 il est indiqué que la fenêtre du capteur fait 2mm d epaisseur )

D après ce que je lis sur le net, le GPU sort en M48 et la raf est en T2 en entree.

 

@+steph

Ah bin super j'ai même pas pensé à regarder le manuel :D

Donc la vitre à 2mm. Faut que je modifie alors.

Merci à toi :)

Posté
Bonjour Vincent

 

Selon le manuel page 7 et 12 https://astronomy-imaging-camera.com/manuals/ASI1600%20Manual%20EN.pdf

Il est bien indiqué le terme de backfocus ou optical distance pour caractériser les 6.5mm

( Page 13 il est indiqué que la fenêtre du capteur fait 2mm d epaisseur )

D après ce que je lis sur le net, le GPU sort en M48 et la raf est en T2 en entree.

 

@+steph

 

Merci Steph.

 

C'est un peu bizarre:

 

La mesure au pied à coulisse donnait 6,5mm jusqu'à la surface du verre protecteur du capteur.

 

Le verre du capteur mesure 2mm. (Ça me parait beaucoup d'ailleurs, c'est plutôt 0,7ml d'habitude) On suppose que c'est du verre clasdoque d'indice 1,5, donc correction -1/3 de l'épaisseur.

Donc ça fait 2-0,66 = 1,34mm

 

Il y a toujours un petit espace entre le verre et le capteur (air ou gaz neutre, indice 1).

 

Bref le trajet optique dans le capteur devrait être proche de 2mm.

 

Après le verre de la fenêtre compense un peu le trajet optique à l'intérieur du capteur.

 

Faudrait avoir la datasheet du capteur pour être sur.

 

Mais bon, au final le trajet optique dr la camera devrait être entre 6,5mm et 8mm grand max.

Posté
Ah tiens justement ton montage est intéressant car je regarde un peu les DO et je ne pensais pas à l'atik :refl:

Tu en as essayé d'autres avant ou tu as pris directement celui là et pourquoi??

Merci :)

 

L ATIK est un peu large mais il a de bon retour, vu le BF de l asi ca passe avec mon correcteur. Mais il a fallu économiser sur les mm.

Posté (modifié)

hey mais je viens de réaliser que les 6,5mm se situent sous la vitre de protection de la chambre et non dessus :o

En fait la vitre se trouve dans les 4mm de filetage. Donc ne reste plus qu'à trouver cette fameuse distance entre le capteur et sa propre vitre :refl:

 

Ce qui fait que au final c'est pas 6.5mm mais 6.5-2mm/3 qu'il faudrait soit 5,83mm.

Bien entendu c'est sans connaitre la donnée manquante, mais peut on en conclure que les 0.66mm pourraient être l'espace (gaz ou autre) entre le capteur et sa vitre :refl:

Ce qui au final depuis le début ferait 6.5mm de backfocus et point barre :blase2:

 

Edit:

Je viens de regarder une image test faite avec le bathinov lors du re-réglage de map de cette nuit et j'ai effectivement un décalage entre le centre (ou presque) et les bords. Là je viens de modifier mon backfocus pour tomber à 26mm après la RAF (j'arrive maxi à être à 26.02 :confused:) pour faire un test ce soir.

Modifié par Quercus
Posté

Ayant comme beaucoup la même problématique de réglage de la bonne valeur de backfocus derrière le correcteur, je me suis demandé si l'utilisation d'un logiciel tel CCDInspector ou MaxSelector ne permettrait pas d'affiner le réglage du backfocus.

 

J'imagine qu'au backfocus idéal, la valeur de "Curvature/courbure" doit être la plus faible. Il est peut-être envisageable de faire un genre de VCurve de la "Curvature" en modifiant à chaque image la valeur de backfocus.

 

Qu'en pensez vous ?

Posté
J'imagine qu'au backfocus idéal, la valeur de "Curvature/courbure" doit être la plus faible. Il est peut-être envisageable de faire un genre de VCurve de la "Curvature" en modifiant à chaque image la valeur de backfocus.

 

Qu'en pensez vous ?

 

Salut,

 

D'expérience, les valeurs fluctuent même d'une image à l'autre sans changer le backfocus.

Donc j'y crois moyen.

 

Bon ciel

  • 2 années plus tard...
Posté

Bonjour j’en profite pour déterrer un sujet qui m’intéresse. Voici mon setup: skywatcher 200/800, baader mpcc iii, raf zwo (8x31mm, filtres zwo), asi 1600 mm c pro. 

Je suis pas trop calé pour le sujet mais par rapport à cette configuration es ce que je serais bon pour mon backfocus du correcteur de coma? 

Merci pour votre aide !!

Posté
Le 09/04/2017 à 09:45, Quercus a dit :

Bref si je prend en compte les Astronomik et le tableau je retire bien 1/3 de l'épaisseur (soit 0.33mm) et donc je rajoute à tout mon backfocus matériel 0.66mm ce qui me fait un total de 53,66mm.

 

Ben non : il faut que ton trajet optique soit de 53,66mm.

 

Or le filtre diminue la distance optique.

Donc il faut augmenter la distance mécanique.

 

-> 53, 66 + 0,33 à +0,67mm donc il faut 54mm à  54,34mm de distance mécanique.

 

Tu peux ajouter une rondelle T2 de 0,3mm suivant quel type de filtre tu utilises.

Mais il y a un autre problème : la parafocalisation de la caméra de guidage. 0,33mm de défocalisation à F/D 4 c'est beaucoup. Il faudrait trouver un compromis pour la map de la caméra de guidage à mi chemin entre les 2 types de filtres, soit 0,17mm de décalage de map. c'edt limite.

L'étoile guide sera légèrement défocalisée.  reste à voir si elle est encore suffisament ronde et fine. ça dépend du correcteur et ce qu'il donne en bord de champ avec une légère défocalisation. C'est pas gagné, mais pas perdu, il faut tester...

 

Sinon tu repassera en LRVB baader qui sont très bien.

Posté
il y a 7 minutes, cddestins a dit :

Vous avez répondu à une question datant de plus de 2 ans ^^ 

la mienne est toute récente si elle vous intéresse 😜 

 

tu vas voir ça va être de notre faute...qui qu'a déterré hein?

 

le Baader MPCC est différent du GPU/SW mais la distance est à peu près la même : 55mm, c'est pile la distance optique au capteur que donne une bague T2 pour APN.

 

Pour les ZWO, il y a justement un tuto très bien fait sur le site pour cette distance de 55mm ou tu trouvera ta combinaison pour arriver aux 55mm que demande le MPCC

 

https://astronomy-imaging-camera.com/tutorials/best-back-focus-length-solutions-55mm.html

  • J'aime 1
Posté

Merci chef ! D’après mes calculs: raf 20mm (-0,75mm filetage) donc 19,25mm, asi 1600 mmc 6,5mm (distance capteur) + bague 11mm. Total 19,25+6,5+11= 36,75mm.

Backfocus baader 55mm

55-36,75= Allonge de 18,25mm

Il faut donc que je trouve une bague d’allonge de 18mm pour pouvoir avoir le bon backfocus pour le correcteur.

J’ai bon? 

Merci !!!!!

  • Merci / Quelle qualité! 1
Posté

Tu ne vires pas le filetage vu que les bagues viennent dessus ou dedans la RAF. Si elle fait 20 tu prends 20.

Respectes les 0 quelquechose en mm, la 1600 ne pardonne rien, si tu peux prend une allonge variable et faire faire une bague sur mesure. Le pied à coulisse est ton ami.

Allonge la distance mécanique d'1/3 de l'épaisseur des filtres (voir la marque que tu utilises)

  • J'aime 1
Posté
il y a 20 minutes, cddestins a dit :

faut donc que je trouve une bague d’allonge de 18mm pour pouvoir avoir le bon backfocus pour le correcteur.

J’ai bon? 

 

oui c'est tout bon

  • J'aime 1
Posté
il y a 32 minutes, archange34 a dit :

Tu ne vires pas le filetage vu que les bagues viennent dessus ou dedans la RAF. Si elle fait 20 tu prends 20.

Respectes les 0 quelquechose en mm, la 1600 ne pardonne rien, si tu peux prend une allonge variable et faire faire une bague sur mesure. Le pied à coulisse est ton ami.

Allonge la distance mécanique d'1/3 de l'épaisseur des filtres (voir la marque que tu utilises)

 

C’est quoi la distance mécanique ? Merci 

Rejoignez la conversation !

Vous pouvez répondre maintenant et vous inscrire plus tard. Si vous avez un compte, connectez-vous pour poster avec votre compte.

Invité
Répondre à ce sujet…

×   Collé en tant que texte enrichi.   Coller en tant que texte brut à la place

  Seulement 75 émoticônes maximum sont autorisées.

×   Votre lien a été automatiquement intégré.   Afficher plutôt comme un lien

×   Votre contenu précédent a été rétabli.   Vider l’éditeur

×   Vous ne pouvez pas directement coller des images. Envoyez-les depuis votre ordinateur ou insérez-les depuis une URL.

  • En ligne récemment   0 membre est en ligne

    • Aucun utilisateur enregistré regarde cette page.
×
×
  • Créer...

Information importante

Nous avons placé des cookies sur votre appareil pour aider à améliorer ce site. Vous pouvez choisir d’ajuster vos paramètres de cookie, sinon nous supposerons que vous êtes d’accord pour continuer.