Aller au contenu

Messages recommandés

Posté

Hello,

 

Quelqu'un aurait déjà testé ces réducteurs harmonique pour nema17 ?

Je suis tenté d'en prendre une paire pour faire une mini monture diy..

 

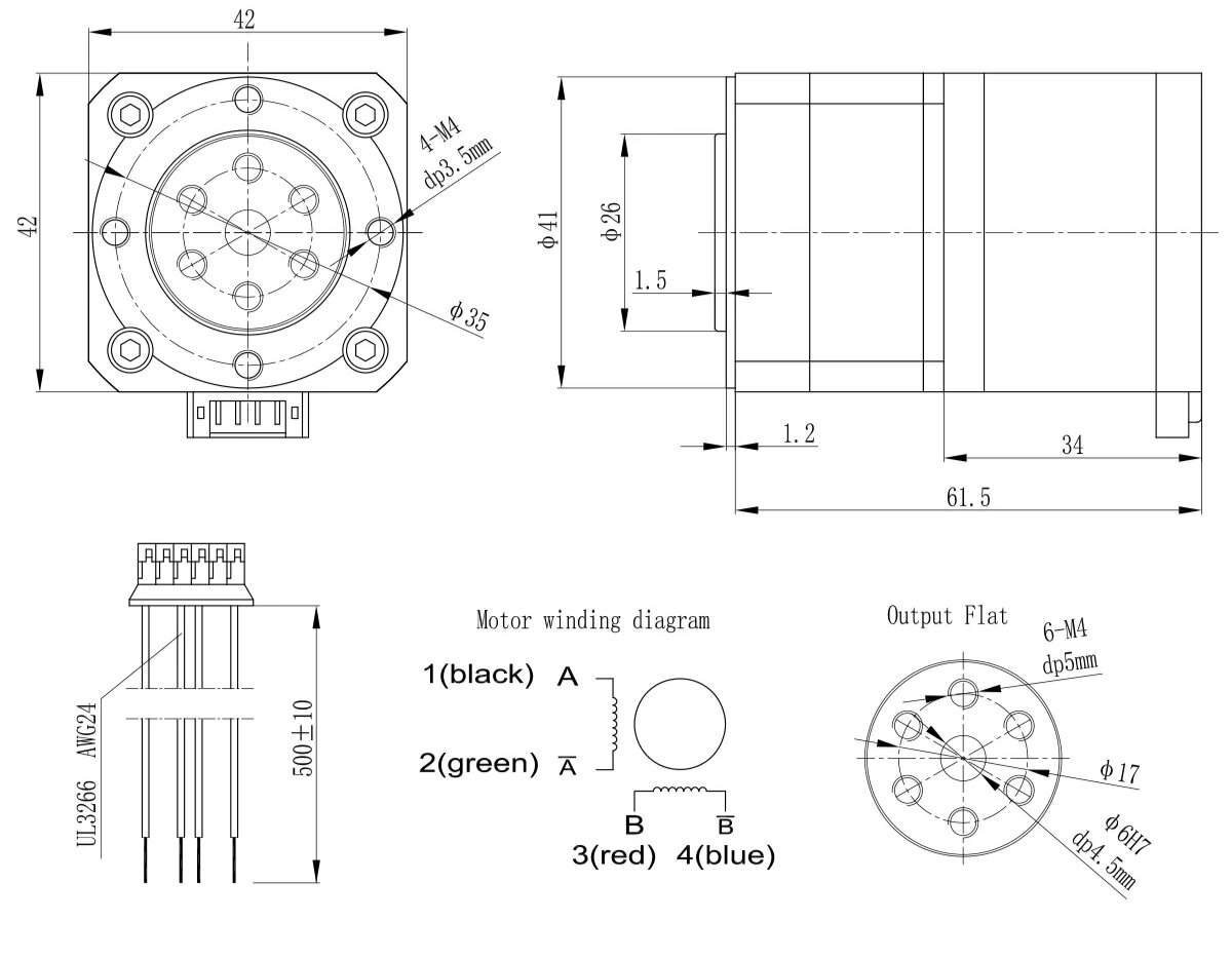
€ 69,32 | Moteur pas à pas nema 17, boîte de vitesses harmonique, rapport 1,4 a, 30:1, 2Arcmin, petite taille, contrôle précis
https://a.aliexpress.com/_mMosHPm

 

J'ai envoyé un message au vendeur concernant les frais de port, 70euro ça pique un peu, voir si il propose une solution moins onéreuse...

 

Une demande de fichiers CAO a été faite également.

 

Cordialement

Remy

 

IMG_20220121_012915.jpg

IMG_20220121_012928.jpg

IMG_20220121_013258.jpg

IMG_20220121_013324.jpg

Posté

Pour info, nous utilisons des réducteurs Harmonic Drive (les originaux) sur notre 600 équatorial.

http://spt06.perso.libertysurf.fr/t600.htm

Les originaux d'Harmonic Drive marchent très bien : pas de jeu, pas de backslash, bon rendement, compact mais sont hors de prix.

Ca fait un moment que ces copies chinoises me tentent mais par encore essayé. Sinon le concept est très bien...

Je serai curieux de connaître l'avis d'un utilisateur sur les modèles chinois....

 

t600n.jpg

Posté
Le 21/01/2022 à 17:26, hpspt a dit :

Pour info, nous utilisons des réducteurs Harmonic Drive (les originaux) sur notre 600 équatorial.

http://spt06.perso.libertysurf.fr/t600.htm

Les originaux d'Harmonic Drive marchent très bien : pas de jeu, pas de backslash, bon rendement, compact mais sont hors de prix.

Ca fait un moment que ces copies chinoises me tentent mais par encore essayé. Sinon le concept est très bien...

Je serai curieux de connaître l'avis d'un utilisateur sur les modèles chinois....

 

t600n.jpg

Wouah, belle pièce :)

 

Il y a pas mal de choix en cherchant avec les mots clés "strain wave reducer" sur Ali. 

 

Allez je tente le test des petits nema17+réducteur harmonique 30:1, on sera fixé pour ce modèle..

 

Une mini monture de voyage modélisée avec fusion.. il faut imaginer cela sur un "wedge" de star adventurer ou autre. 

Charge maximale a simuler encore, c'est plus pour le concept.. qu'en pensez-vous ?

 

 

 

harmonicdrive-renforts2_2022-Jan-23_02-12-21AM-000_CustomizedView29719153586.png

harmonicdrive-renforts2_2022-Jan-23_02-07-12AM-000_CustomizedView9134530054.png

harmonicdrive-renforts2_2022-Jan-23_02-14-52AM-000_CustomizedView14596698655.png

  • J'aime 3
Posté
Il y a 4 heures, norma a dit :

Mécaniquement très épuré : j'adore !

Merci pour ton retour.

Avec les réducteurs harmonique il est assez simple de faire quelque chose de compact.

Cette version utilise des pièces imprimées en 3d. Je testerai en 3d870 recuit et en asa.

Il est assez simple de remplacer les pièces imprimées par deux cornières en alu de 6mm d'épaisseur, avec un peu d'usinage avec une foreuse colonne (ou CNC..)

Posté

Après quelques calculs via la feuille excel de Onstep, une réduction de 30:1 sera insuffisante pour proposer une résolution en dessous de la seconde d'arc. Sauf en microstepping 256 mais c'est pas l'idéal.

Vraiment dommage. 

J'ai demandé au vendeur si il peu proposer d'autres rapports de réduction (100:1 ça serait bien)

  • 1 mois plus tard...
Posté
Le 23/01/2022 à 19:56, RemyB a dit :

Après quelques calculs via la feuille excel de Onstep, une réduction de 30:1 sera insuffisante pour proposer une résolution en dessous de la seconde d'arc. Sauf en microstepping 256 mais c'est pas l'idéal.

Vraiment dommage. 

J'ai demandé au vendeur si il peu proposer d'autres rapports de réduction (100:1 ça serait bien)

Salut

Est-ce que le vendeur t'a répondu ?

Posté

Pour suivre !

 

Nota: qu'y a t il de gènant à utiliser le 1/256eme de pas ?

si je ne dis pas de bêtise ça pose problème pour des trucs comme les focuser dans la mesure ou , non alimenté, le moteur se cale sur le pas entier le plus proche,

mais... pour un suivi ou un slew... ?

pour l'impression: un bon PETG suffirait amplement selon ma propre expérience.

 

Posté

Je pense sérieusement à mettre deux reductions 1:30 cul à cul pour faire 1:900

(Une EQ6 c'est 1:707 apres le moteur)

A priori c'est ce que font Crux et ZWO

Du coup on y serait presque...

Le vendeur propose la réduction seule à 54€

Donc 2x pour RA et 1 ou deux sur DE le budget resterai contenu pour faire joujou (250€)

Il y a 3 heures, JMDSomme a dit :

Nota: qu'y a t il de gènant à utiliser le 1/256eme de pas ?

si je ne dis pas de bêtise ça pose problème pour des trucs comme les focuser dans la mesure ou , non alimenté, le moteur se cale sur le pas entier le plus proche,

mais... pour un suivi ou un slew... ?

pour l'impression: un bon PETG suffirait amplement selon ma propre expérience.

Parce que tu diminues d'autant ta vitesse max...

Le goto à x16 c'est... pas vivable 🙂

Posté
il y a 39 minutes, gehelem a dit :

 

Le goto à x16 c'est... pas vivable 🙂

J'avoue.......

En tous cas je vais suivre avec intérêt ton avancée.

L'accouplement des réducteurs est aisé ?

Ceci dit, sur onstep il me semble qu'on a un large choix de vitesses, dans l'appli, mais aussi  dans le H Config code ?

Posté
il y a 5 minutes, JMDSomme a dit :

J'avoue.......

En tous cas je vais suivre avec intérêt ton avancée.

L'accouplement des réducteurs est aisé ?

Ceci dit, sur onstep il me semble qu'on a un large choix de vitesses, dans l'appli, mais aussi  dans le H Config code ?

Aucune idée 

Ça m'a pris la tête cet après-midi, encore une lubie 

Posté

j'ai regardé sur le onstep calculator avec 1:30 on n'est pas aux fraises.

le go to peut être fait en 1/4 de pas oy autres valeurs

vyu que j'ai déjà une électronique prête (suite essai scabreux sur les big jumelles)..... c'est tentant.

Set up de voyage avec apn

reste le souci de la base équato (la star adv est vraiment limite) et celui du pied... léger ça bouge.... et berlebach ça voyage moins 😀

 

Si quelqu'un se lance on fait achat groupé ?

Frais de ports peut être optimisés ?

Posté
il y a 18 minutes, JMDSomme a dit :

quelqu'un se lance on fait achat groupé ?

Frais de ports peut être optimisés ?

Ou lalalalla 

Je me méfie de cette situation vécue si souvent...

Des machins comme ça j'en ai plein le grenier !

Donc déjà on pose le truc calmement.

Avis perso, hein, mais je me connais.

  • J'aime 2
  • Comme je me gausse! 1
Posté
Il y a 8 heures, gehelem a dit :

Salut

Est-ce que le vendeur t'a répondu ?

Salut,

 

Oui il n'a pas d'autres modèles disponibles.

C'est certainement compliqué de proposer une réduction de plus de 30:1 dans un si petit espace.. 

Posté
il y a 38 minutes, JMDSomme a dit :

j'ai regardé sur le onstep calculator avec 1:30 on n'est pas aux fraises.

le go to peut être fait en 1/4 de pas oy autres valeurs

vyu que j'ai déjà une électronique prête (suite essai scabreux sur les big jumelles)..... c'est tentant.

Set up de voyage avec apn

reste le souci de la base équato (la star adv est vraiment limite) et celui du pied... léger ça bouge.... et berlebach ça voyage moins 😀

 

Si quelqu'un se lance on fait achat groupé ?

Frais de ports peut être optimisés ?

Salut,

 

Avec 30:1 en "direct drive"(pas de vis sans fin/courrone demultiplacteur) cela oblige le microstepping en 1/256 pour avoir quelque chose de potable en suivi.

Mais ça c'est la théorie. Un nema17 microsteppé en 1/256 il ne reste plus grand chose comme couple.. 

Posté
il y a 22 minutes, gehelem a dit :

 

Des machins comme ça j'en ai plein le grenier !

j'avoue que j'ai une caisse qui commence à se remplir de "trucs".... je ne jette pas... ça pourrait servir à kk chose 🤣

Posté

Ce qui est dommage à la base dans son produit, c'est l'usage de moteur 1.8°/steps au lieu de 0.9°.. cela peut se changer mais ça augmente encore le coût.

Posté
à l’instant, RemyB a dit :

Ce qui est dommage à la base dans son produit, c'est l'usage de moteur 1.8°/steps au lieu de 0.9°.. cela peut se changer mais ça augmente encore le coût.

Il vend le reducteur seul...

Je dis ça je dis rien...

  • Merci / Quelle qualité! 1
Posté
il y a 4 minutes, RemyB a dit :

Un nema17 microsteppé en 1/256 il ne reste plus grand chose comme couple.. 

j'j'ignorais qu'on perdait du couple....

et... je pensais à max 2,5kg de charge, 3kg maxi...

à l’instant, gehelem a dit :

Il vend le reducteur seul...

Je dis ça je dis rien...

bien vu, un Nema 17 c'est facile et il y a du choix !

Posté

pas loin de craquer.... 🤣

Ceci étant: avec ces réducteurs on sait que l'EP est douce mais importante, cela signifie qu'un guidage est nécessaire.

Pour un set up léger à focale raisonnable (genre 300max) on peut se contenter d'un guide style iguider ou autres versions en 32mm, mais cela impose une électronique complète (ma version simplifiée de Onstep, par exemple, ne suffirait pas)... donc il faut voir la mécanique et l'électronique ensemble pour faire un truc utilisable.

@Cedric02700 je dis ça je dis rien... mais: la version de CI que tu m'as envoyée, sais tu si elle inclut une entrée pour caméra de guidage ?

si c'est le cas.... liste de composants, conseils et on est repartis pour une aventure ?

J'ai maintenant un caisson fermé "de luxe" autour de mon imprimante et j'ai enfin réussi hier à imprimer avec des filaments difficiles (Nylon, nylon armé) ça ouvre des horizons nouveaux en termes de solidité de pièces (sans avoir à les surdimensionner...).

Posté

Personnellement ce système m'intéresse beaucoup pour mon montage léger imprimé en 3D

 

Il est trop lourd pour ma star adventurer, et mon HEQ5 est un peu surdimensionnée (et accessoirement je pourrais l'utiliser pour un autre instrument). Par ailleurs ce serait un beau challenge de réaliser soit même la totalité du setup.

  • Merci / Quelle qualité! 1
Posté
Le 21/01/2022 à 16:08, RemyB a dit :

Un autre modèle qui pourrait être converti en grosse monture.

ce machin aussi me fait gamberger (la nuit)

c'est beaucoup plus cher, mais si on peut insérer une réduction genre 1:12 / 1:20 entre le moteur et le réducteur c'est merveilleux

on en trouve en nema23, plein plein plein ...

(et on a un réducteur beaucoup plus costaud, ce qui doit être plus critique sur le petit frère au format nema17)

il  n'y aurait presque plus qu'à poser la lunette dessus

 

Posté
Il y a 18 heures, gehelem a dit :

Les specs de la petite crux 140

 

Je ne comprends pas... Un moteur à 48 pas par tour, un réducteur de 50 fois et des 128è de pas, ça nous fait 48x50x128 = 307 200 micropas par tour. Un tour fait 360x60² = 1 296 000" d'arc, donc un peu plus de 4" par micropas. Si ce n'est que l'inertie (mécanique comme électrique, un moteur étant une charge inductive rétive aux variations de courant) doit "lisser" le mouvement, le mouvement pourrait, vu les résolutions dont nous avons besoin pour un suivi astronomique, paraître saccadé (par sauts de 4" d'arc).

Posté
il y a 20 minutes, Moot a dit :

 

Je ne comprends pas... Un moteur à 48 pas par tour, un réducteur de 50 fois et des 128è de pas, ça nous fait 48x50x128 = 307 200 micropas par tour. Un tour fait 360x60² = 1 296 000" d'arc, donc un peu plus de 4" par micropas. Si ce n'est que l'inertie (mécanique comme électrique, un moteur étant une charge inductive rétive aux variations de courant) doit "lisser" le mouvement, le mouvement pourrait, vu les résolutions dont nous avons besoin pour un suivi astronomique, paraître saccadé (par sauts de 4" d'arc).

bonne question en effet ...

convoquons -encore- @Cedric02700 (désolé)

Rejoignez la conversation !

Vous pouvez répondre maintenant et vous inscrire plus tard. Si vous avez un compte, connectez-vous pour poster avec votre compte.

Invité
Répondre à ce sujet…

×   Collé en tant que texte enrichi.   Coller en tant que texte brut à la place

  Seulement 75 émoticônes maximum sont autorisées.

×   Votre lien a été automatiquement intégré.   Afficher plutôt comme un lien

×   Votre contenu précédent a été rétabli.   Vider l’éditeur

×   Vous ne pouvez pas directement coller des images. Envoyez-les depuis votre ordinateur ou insérez-les depuis une URL.

  • En ligne récemment   0 membre est en ligne

    • Aucun utilisateur enregistré regarde cette page.
×
×
  • Créer...

Information importante

Nous avons placé des cookies sur votre appareil pour aider à améliorer ce site. Vous pouvez choisir d’ajuster vos paramètres de cookie, sinon nous supposerons que vous êtes d’accord pour continuer.