-
Compteur de contenus
2476 -
Inscription
-
Jours gagnés
6
Type de contenu
Profils
Forums
Téléchargements
Blogs
Boutique
Calendrier
Noctua
Tout ce qui a été posté par lyl
-
Instruments vintage au cinéma.
lyl a répondu à un sujet de Jorris dans Discussions générales de L'astronomie vintage !
A 1 km, n'importe quoi... On voit une personne allumer sa cigarette à 10km avec un 6" et pas à 3000x 100x c'est 12m à 1000m avec un x-cel-X -
Matériel Porte-oculaire Vixen M43
lyl a répondu à un sujet de lyl dans Intruments anciens, catalogues et documentations diverses de L'astronomie vintage !
c'est peut-être un vissant, il est sans doute grippé. -
Quelques images en terrestre avec cette caméra gain 100, pose en automatique Objectif Scopetech 60/700 sur lunette customisée + barlow télécentrique Zeiss c'est ma cible de test habituel, environ 3km, on est sans doute autour de f/25 Traité HDR avec AstroSurface : ------------ Test sur mon objectif 80-1200 avec barlow
-
Matériel Porte-oculaire Vixen M43
lyl a répondu à un sujet de lyl dans Intruments anciens, catalogues et documentations diverses de L'astronomie vintage !
C'est la situation normale, j'ai le cas sur une 102SDv1 récente avec un autre PO. Pas d'idée, peut-être pour une fixation de moteur. -
Un 150 d'épaisseur courant n'a pas besoin de multiples points de soutien. Le calage latéral en caoutchouc c'est une bonne idée, Par contre, ça doit glisser sous le miroir, des patins en téflon qu'on mets en-dessous des meubles ça fonctionne bien , j'ai une photo quelque part que j'avais de mon 150, je rajoute ça si je retrouve. ----- C'est un support de TAL2 (150mm) : feuille plastifiée/nylon, récupérée de feutres auto-collant pour mettre sur la pince de maintien, calage latéral en liège, patin téflon, feutre de butée (ne touche pas le miroir) contre des secousses éventuelles. Le jeu est nul mais ça n'empêche pas la dilatation (j'étais en montagne parfois à -15°C), ça fait une grosse différence au sortir du véhicule. Le support est en alu de fonderie, ça se contracte au froid.
-
Je ne vais pas lister tout ce que j'ai mais les orthoscopiques de qualité supérieure ne décevront pas. J'ai acquis quelques Takahashi Abbe récent et anciens avant de les voir disparaître, aucun regret pour l'effort financier sur ces oculaires. Ça tient dans l'expérience de fabrication sur ce type d'oculaire et au contrôle qualité que faisait Taka dessus. Avec une barlow supérieure en complément on peut tout faire. Ce n'est pas la seule possibilité, et je vais faire sourire, c'est ce qu'il y avait de mieux en rapport qualité prix chez Takahashi. Prendre des champs larges ça a du sens en lunaire mais beaucoup moins en planétaire. Un oculaire à champ élargi ça réduit potentiellement son contraste : difficulté du bafflage.
-
Bah c'est un petit tube, les anneaux coûteront plus cher probablement. Les gens ne veulent plus s'emmerder avec de l'inconnu, c'est dommage, c'est probablement très bon et en coulant 24.5 ou 1"1/4, pas de raison de pleurnicher sur le contraste avec un tel tube. En tout cas c'est pas un jouet. Le post aurait pu être créé dans le groupe vintage mais c'est pas grave. C'est bien qu'il ne soit pas parti à la benne, ça dépannera voire mieux, ça vaut une 80-90mm sans chromatisme.
-
Les couleurs de Jupiter par la sonde Juno il y a 10 ans (2016) https://science.nasa.gov/mission/juno/ En approche avant capture orbitale Empilement 3 images dans les premiers passages au périhélie. Les photos vue de la Terre prises par les cam astros ne sont en général pas corrigée couleur (CCM : color correction matrix) comme dans les appareils photos APN. On note la différence avec les couleurs de la Junocam (c'est amélioré mais quand même...) Le jour ou l'on aura des astro-photos comme ça, je saluerai la maitrise. Le problème vient également du voile atmosphérique qui absorbe pas mal de plage de couleurs.
-
Ça pour l'encombrement, je suis d'accord. Il y a deux autres formules plus rares dont une qui est excellente et dont j'ai profité avant que la Russie déconne plein tubes (c'est le cas de le dire). C'est un maksutov newton à obstruction réduite et f/8. C'est l'instrument sur lequel la verroterie est au minimum, champ plat, corrigé de la coma, bande couleur au-delà du visuel. Il existe aussi des schmidt-newton, et j'ai vu aussi Jean Dijon faire son 250 astrographe avec lame correctrice. C'est rare mais conçu pour ça. Il y en a un bon sur ebay, certes pas un deluxe mais c'est une belle affaire si tu peux le manœuvrer. https://www.ebay.fr/itm/295743442286
-
Elle vaut pour : face à un standard commercial pour lequel le miroir si préparé correctement l'est en moyenne à 0.92. ----------- Je ne compte pas l'obstruction qui lui met une difficulté supplémentaire mais pas si handicapante qu'on veut bien l'affirmer. Ce qui est le plus handicapant sur une optique, c'est l'aberration sphérique et l'astigmatisme. La coma : c'est inévitable sur un newton mais la collimation et un correcteur font très bien la compensation. Ce que je veux exprimer, c'est qu'il y a une vrai limite qui est en train d'être brisée et qui a un intérêt. 200 c'est trop petit vu les formats standardisés actuels. Le soucis à 200 de diamètre, avec un porte-oculaire de 2" et des ratio f/D de 5 en général, c'est que l'obstruction est difficile à faire passer sous 30% à cause du besoin d'illuminer correctement le champ pour du CP. Donc pour un dobson, c'est contradictoire d'espérer obtenir un bon rendu planétaire. Un mewlon 200 par exemple, ne joue pas dans la même cours malgré ses 32%. L'optique est d'un niveau plus élevé : sur la forme et sur la douceur de polissage (micro-mammelonnage) qui est supérieure. 250, là on se bat sur la qualité optique. A 250mm, on a souvent quelques modèles avec du 25% d'obstruction, c'est une différence marquante, la baisse de contraste devient raisonnable. Avec un bon miroir, c'est un instrument polyvalent. Et là je ne parle pas de calculs théoriques (il y a du parti pris fait à l'emporte-pièce) mais d'un constat que j'ai fait. Sur un dob 250 actuel, c'est la qualité du miroir qui fait la différence sur une même série ou alors si on lui améliore son miroir. Ce qui évolue actuellement est l'acuité du processus industriel, la fourchette sur l'état de la forme désiré est autour de strehl 0.92, au-delà, c'est compliqué et/ou coûteux à corriger avec le processus actuel et le prix de fabrication monte à cause de l'intervention manuelle. Je ne suis pas sûre pour la majorité des 200mm, et encore moins pour les 250mm. Je dirais qu'on tourne un peu en rond. Optimiser un 200mm, c'est lui serrer la ceinture avec un petit miroir secondaire, un f/D de 6 ou 7. Ca revient à un tube encombrant. Passer à un 250 f/5 avec les normes de PO actuelles, une obstruction contrôllée et un bon miroir, c'est finalement plus simple et ça contentera tous les usages. Tu peux faire un saut ensuite en 300mm si ton site d'observation est favorable. Il ne faut pas toutefois s'attendre au jackpot à chaque sortie, le ciel met une barrière difficile quasiment tout le temps. Tout ça ce sont des discussions qui reviennent régulièrement depuis J.Texereau dans les années 50, puis Pierre Bourge etc etc. On en revient tout le temps aux mêmes conclusions. Ce qui change c'est la disponibilité industrielle qu'il faut examiner sérieusement.
-
Bonjour, le but est d'amener à réfléchir par soi-même, la réponse à cette question est "ça dépend". Elle a été donnée plusieurs fois à 2 ans d'intervalle grosso-modo sur le forum. Ce type de question revient en boucle. Je dirais que lire le forum matériel général sur quelques pages en arrière permet de se faire une idée : c'est le but de la capitalisation sur un forum. Ceci dit, si on transforme le rôle du forum en discussion pure, ou à juste récupérer un conseil d'achat, je vais laisser parler. Animer ce forum n'est-il pas aussi de rappeler ce qui a été déjà discuté ? Sur la qualité des matériels, il y a une amélioration dans le sens d'une stabilisation certaines ces dernières années. La qualité des diamètres de 150mm est maintenant acquise pour ce qui sort d'usine, la fourchette est bien stable atour d'un strehl vers 0.92 avec des plus et des moins. C'est la qualité commerciale. Je ne sais pas dire si aujourd'hui on monte à ce niveau moyen pour 200 voire 250mm de diamètre. A l'époque de ma comparaison, en 2019, le tube dobson de 250mm était inférieur dans les conditions améliorées à 1700m d'altitude lors d'un bon jour. Il en résulte quelques rappels des bonnes maximes : le premier perturbateur dans l'observation ce sont les conditions atmosphériques, avec en général la pollution, la turbulence et le taux d'humidité. Peux-être bien la raison pour laquelle on construit les grands observatoires mondiaux à des endroits particulier. (lol). Si vous n'avez pas de conditions d'observation intéressantes là ou vous êtes, je dirais que l'achat standard vous conviendra car vous ne verrez pas de différence : le filtre de la condition atmosphérique vous bridera 90% du temps à minima pour faire de l'observation planétaire. Pour du CP, ça reste plus simple, il y a toutefois le filtrage des nuances rouges due à l'humidité qui peuvent rendre les images moins chatoyantes. Mais bon, peu de gens en parle d'avoir vu ça dans leur existence. Un dobson de bon diamètre, c'est très bien pour ça, on est dans un mode dans lequel la collecte de lumière fait bien le job, mieux que la qualité supérieure au niveau commercial actuel. Je continue dans la réponse de normand, ça dépend dans quelles conditions vous êtes : budget, qualité du ciel, pollution lumineuse, capacité pratique, envie, façon de regarder (spectacle ou observation)...
-
Occaz vintage
lyl a répondu à un sujet de bosgi dans Discussions générales de L'astronomie vintage !
Bah pose lui la question, il faut si peu d'écart au design théorique pour que ça ne fonctionne pas. J'ai juste rebondi sur ce que tu avais écrit pour sortir l'anecdote. car Yerkes est maintenant rénové et réouvert au public après beaucoup d'efforts. La volonté de l'époque en a fait un instrument qui soit mieux corrigé chromatiquement grâce à une cuisine un peu compliquée sur la fabrication des verres optiques : elle vaut le coup. Fin de l'apparté. -
Occaz vintage
lyl a répondu à un sujet de bosgi dans Discussions générales de L'astronomie vintage !
C'est arrivé aux très intelligents opticiens de Chicago lorsqu'ils ont repoli la grande lentille crown de 1m de l'observatoire de Yerkes. Elle était dévorée par la pollution atmosphérique. Les rayons de courbures mesurés étaient identiques pourtant et on la permuttait régulièrement de face pour le nettoyage, c'était dans le cahier d'entretien. (pour inverser la contrainte mécanique importante : on est assez près de la limite de déformation à cette taille d'objectif, le max est celle mis à la benne pour l'expo universelle de Paris 1900, elle faisait 1m25 et 57 m de focale, positionnée de façon fixe sur le champ de Mars, c'est un sidérostat qui lui envoyait la lumière. la Lune était projetée sur un grand écran du théatre construit dans l'alignement) ... sauf que les Clark père et fils avaient retouché la correction de l'aberration sphérique en asphérisant une des faces et en corrigeant les petits défauts de convergence, parfois "au doigt". Une chose que l'on ne fait plus de nos jours depuis que Zeiss astro est mort. Il leur a fallu plus de temps pour trouver quelqu'un de compétent que de temps pour corriger ça. Malheureusement, ce n'est plus aussi bon qu'avant, l'objectif est limite diffraction limited avec des anomalies locales partout sur la lentille. Le savoir-faire pour réajuster tout ça a été perdu. C'était à la fin du 20eme siècle (1980+) Mésaventure publiée dans Sky & Telescopes. Les documents de l'objectif et des index mesuré des verres ont été retrouvés chez le professeur Charles Hastings, dans une autre université... Je vous laisse imaginer la déception en remontant la lentille : tout était flou aux grossissements utilisés précédemment. Les outils d'origine : on notera le petit disque outil en bas à droite pour les corrections sub-diamétrales. comme quoi, il y a parfois des ajustements inattendus et deux rayons de courbures identiques, c'est très dur à vérifier sauf si on contrôle par des anneaux de newton. -
Ensuite, 2ème question quel est l'instrument entre un 10" et un 6" qui sera le plus impacté par la turbulence atmosphérique et à quelle intensité approximativement. Enfin 3eme question quel est l'impact de l'obstruction sur le contraste ? C'est important pour la comparaison des prix entre instruments quand on discute de les pousser à leur limite. C'est exactement l'inverse quand on fonctionne à 1/2D à 1/5D pour le grossissement. Là c'est le diamètre : "le collecteur de photons" qui écrase le petit tube.
-
Je te retourne la question avec des faits : à taille de détail égale ; la différence de contraste à discriminer : - quand tu observes Jupiter et Saturne depuis la Terre est de 3 à 5% pour les détails - Mars est plus facile, c'est de 5 à 10% de façon courante lors d' une opposition proche - c'est de 5 à 25% suivant la phase est l'éloignement du terminateur et du limbe lunaire. - c'est théorique à 18-20% pour dédoubler une étoile suivant critère de Rayleigh, exemple pour les doubles de luminosité équivalente. -> celui du milieu, lumière normale et faible lumière La précision optique : 88% de strehl signifie que tu as 12% de lumière qui est dans les choux et vient perturber la résolution théorique. Il y a le diamètre qui joue bien entendu, en doublant le diamètre tu divises la perte de lumière hors du disque de diffraction par 4 environ, 12% perdu devient 3%. On estimera, un instrument dobson bien collimaté, dans l'angle dans lequel la coma est négligeable (centre champ) Question : Sur quelle cible estimes-tu possible de discriminer au niveau de résolution le même détail vu avec un instrument à 97% de strehl (mesuré chaîne complète) ? Ceci par rapport à un instrument qui offre un strehl de 88% qui est celui de la moyenne des instruments commerciaux bien collimaté sur les tailles de 250mm.
-
Un 150 dédié je te laisse imaginer le prix
-
Un 150 dédié vs un dob 250 basique : j'ai déjà vu une différence à faire peur entre ces deux diamètres. (en côte à côte à 1750m d'altitude)
-
J'ai eu un newton 150f/5 miroir industriel trié (courtesy of Agena) obstruction réduite à ~26% effectif (40mm pour le secondaire) dans un tube TAL. c'était bon mais pas exceptionnel. Si tu veux une solution pour faire du planétaire il faut ... beaucoup plus de moyens pour gérer correctement les réflexions et/ou lumières parasites pour maximiser le contraste. Ça coûte plus que 600€. Economise et vise le Mak 180 SW, là tu sortiras quelque chose qui est reconnu. Ou alors un Mak Intes (Alter ou Micro) d'occasion en f/12 ou f/15. Ça va chercher plutôt 800 à 1200€ (ça dépend si monture ou pas). En 6", c'est vraiment difficile de sortir du beau sur les planètes en réflecteur pur : minimiser l'obstruction est un casse-tête. Ça passe en catadioptre de marque (non parabolique) ou en réfracteur (mais ouille le prix) Et pour info le SCT en 6" ne m'a pas convaincue du tout...
-
Mizar 68-800
lyl a répondu à un sujet de Jorris dans Photos de vos antiquités ! de L'astronomie vintage !
Un bon choix, cette focale de 800 à quelque chose de mythique en liaison avec le PO en M36.4. L'encombrement n'est pas excessif, ça se manœuvre bien et l'on a un champ qui permet de voir sans restriction les objets courants étendus. En 1m de focale, c'est le M43 pour le PO qui est nécessaire (mes souvenirs d'une Vixen 102M) Honnêtement tu peux lui sortir les tripes sur la Lune, elle est faite pour ça. En planétaire par contre, ça sera de la luminosité en plus mais elle ne sortira pas autant de détails que le modèle rare SP-68R ou pour le dire de façon plus compréhensible : le 68/1000. Elle est toutefois full métal comme la grande sœur : https://www.cloudynights.com/topic/696119-the-cleanstoration-of-a-mizar-sp-68r-681000mm/ Je ne sais pas si le tube est en bakélite par contre, ça serait plus logique de le voir en alu sur ce diamètre car historiquement on sort de l'entrée de gamme (les 50 et 60 de l'époque). La monture est simple mais elle fut reprise souvent dans des modèles approchant, tu peux la graisser avec de la graisse d'amortissement dense si tu as du jeu en manoeuvrant avec la vis sans fin. Bref, les deux modèles avaient du sens à l'époque mais de nos jours, c'est une belle prise que je trouve mieux calibrées que la Starbase 80 : 80/800. On aurait tendance à pousser plus la Starbase mais le résultat serait, à mon avis le même pour avoir pratiqué quelques modèles 80f10 et 68/800. Le mieux est parfois ennemi du bien comme dit la maxime populaire. J'ai trouvé stupide cet espèce de compromis de la nouvelle Mizar qui fait se fait en 70/900 et pareil SkyW qui fait ça en 70/700. Les deux ont simplement tout faux. Je te souhaite bien du plaisir avec la gamme d'oculaire du 6 au 32mm (erflé vissant sur RC à prisme se vissant au bout du PO). Elle est destinée à tout faire. On sent bien que ton expérience d'observateur s'affine. N'hésitez pas si vous en trouver une du même tonneau. Ce type AZ 68/800 méritait son sujet à lui tout seul. Note : la 68/1000 était en équatorial, pour le confort de suivi nécessaire au grossissement supplémentaire que l'on en tirait : x166 sur le 6mm ortho, ça filait vite dans le champ, en moins d'une minute. C'est stable 1mn en x133. -
Le baffle.....?
lyl a répondu à un sujet de BEGNAT996 dans Discussions générales de L'astronomie vintage !
page 2 et 3 du sujet : La leçon ici est ce qui détermine à quel point le vignettage peut être mauvais est en grande partie fonction de l'objectif de l'instrument. Pour l'observation solaire avec ces petits télescopes, le cercle entièrement illuminé n'a généralement besoin que de 8 mm ou moins. En dehors de cela, le vignettage est sévère, mais comme nous ne pouvons rien voir en dehors de ce cercle, cela n'a pas d'importance. La partie importante est le disque du soleil et des proéminences et même si j'ai un déflecteur de 12 mm dans le chemin lumineux, la partie dont j'ai besoin est éclairée à 100%. Pour les télescopes destinés principalement à l'observation du système solaire, le cercle entièrement éclairé peut être aussi petit que quelques millimètres et de grandes quantités d'atténuation de l'éclairage peuvent être tolérées. Pour les instruments visuels à grand champ, un cercle entièrement éclairé de 10 mm est généralement considéré comme suffisant . La plupart des réflecteurs rapides ont des cercles de cette taille et au niveau de l'oculaire, le vignettage à l'extérieur de ce cercle est presque impossible à voir à moins que les conditions du ciel n'aient des niveaux de pollution lumineuse urbaine. Jusqu'à ce que le cercle entièrement éclairé tombe à une taille négative, le centre du champ fonctionne toujours à pleine ouverture mais les détails sur de très grandes cibles étendues seraient réduits en luminosité et en contraste en dehors du cercle entièrement éclairé, mais généralement pas assez pour le œil pour voir . Encore une fois, les caméras montreront du vignettage, mais l'œil est un détecteur assez horrible par rapport au silicone. --- Note : il ne faut pas hésiter à surdimensionner les tubes et à baffler, VIxen utilise du 86mm ID (minimum) 90mm OD (minimum) pour un instrument de 80mm de diamètre optique et 900mm de focale.. => 7.5% Ceci évite d'avoir à calculer une tonne de baffles. Dans le doutes, 3 baffles à poser à 18%/36%/65% du bord du tube en mesurant côté objectif, c'est pas mal du tout. Il faut plus soigner près du bord car la lumière est rasante et réfléchit plus sur la peinture même noire à moins de 1% de réflexion. Illustration de la densité de lumière parasite sans pare-buée : Sur les instruments professionnels tu as en plus une "tulipe" qui gère la partie lambertienne très efficacement et qui bien sûr entraîne un surcoût certain sur l'instrument. Sur ma M80 Astro Tokyo, le piège à réflexion est énorme : 100mm pour 80mm avec des angles destinés à couper l'orientation des rayons et assurer qu'ils repartent sans entrer. C'est redoutable et permet de monter en grossissement > 2D pour séparer les étoiles doubles et visualiser les occultations de lune de Jupiter. Une lunette qui n'est pas équipée de cela ne peut pas rivaliser dans ce domaine, que l'objectif soit conçu par Takahashi, Astro-Physics, LZOS ou CFF n'y change rien et ils le savent parfaitement. Un tube Astro-Physics par exemple est aussi un exemple d'art de fabrication mécanique : le bafflage est taillé dans la masse d'aluminium. On parle peut du mécanicien de chez AP mais Roland Christen le tient en grand respect, chacun sa partie. Note avec la tulipe de 8cm de profondeur (= diamètre de l'objectif et un espace de 25% plus large), les positionnements des baffles sont différents. -
Occaz vintage
lyl a répondu à un sujet de bosgi dans Discussions générales de L'astronomie vintage !
-
Au secours! Des champignons attaquent ma vieille lulu!
lyl a répondu à un sujet de Brumeargentee dans Discussions générales de L'astronomie vintage !
Yep, un clin d’œil de ma part. J'avais les yeux écarquillés quand j'ai vu la bouteille de ce que tu me mettais dans le lot . J'en ai pour un bon moment à la finir si je ne colle que des cales. -
Occaz vintage
lyl a répondu à un sujet de bosgi dans Discussions générales de L'astronomie vintage !
Hello petite modification sur mon annonce de la 60/700 : le renvoi coudé étant vendu, je répercute sur le prix de la lunette. cd Refracteur ota 60-700 -
Au secours! Des champignons attaquent ma vieille lulu!
lyl a répondu à un sujet de Brumeargentee dans Discussions générales de L'astronomie vintage !
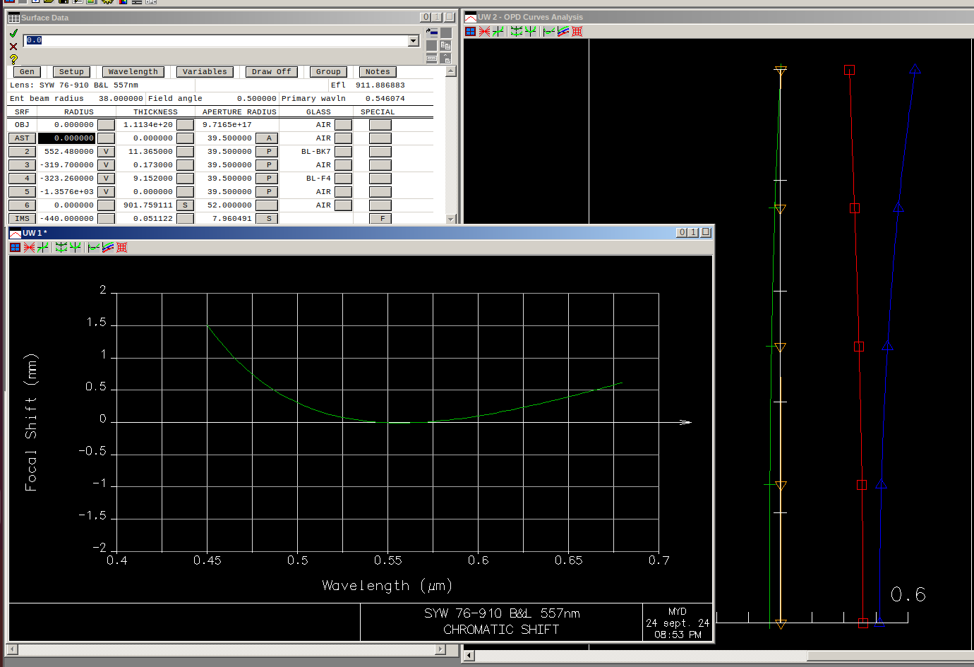
Pas beaucoup à craindre sur ce doublet, Brumeargentée me la confié pour le week-end. C'est un petit coup d'humidité qui a permis à un champignon de consommer la colle d'une des cales. (de la collophane ou de la colle de poisson probablement). J'ai recollé au beaume du Canada, c'est plus difficile car il faut presser et laisser sêcher, détourer ensuite. J'ai remis des cales à la même position, l'opticien ne les avait pas positionnée à 120° mais c'était bien centré quand j'ai passé ça au Reego. Le plus compliqué est de bien dégraisser l'entreverre avant de le sceller. J'ai refermé avec une bande de Kapton, j'ai repris la façon de faire de Roland Christen pour ses doublet huilés et aussi de chez Istar Optical pour le dernier 100mm que j'ai recalé pour du CaK. Finalement, c'est une bonne idée et ça gère très bien la mise en température sans stresser le doublet par le bord. J'espère que ça fera perdurer l'objectif pour encore 50 ans. C'était une opération intéressante car ceci confirme un point technique que l'on a déjà vu sur les SYW. Il y a un petit bonus sur la correction couleur. Je pense que vu l'ancienneté des 76mm, c'est donc avant la moitié des années 1970 (ma M80 en BK7-F2 est de ~ 1974) Les verriers ne sont pas encore bien développés au Japon et je doute que ce soit des verres allemands de chez Schott Je penche pour des verres d'importation USA, de chez Bausch & Lomb. BSC-517/645 et F-617/366 ~ BK7-PBM4 (F4 au plomb) Il y a un petit gain de quelques % spécifiquement avec ces vieux verres légèrement anormaux : cette 76/910 vaudrait une 76/970 en BK7-F2 L'optique est vraiment excellente quand je l'ai testée (merci à mon Papa pour la 3ème main pour tenir l'objectif au bout d'un pare-buée du tube de ma 60-700). En visuel c'est bien contrasté et bien saturé pour les couleurs, bluffant en terrestre sans aucune pointe de chromatisme. Je n'ai pas poussé le grossissement, j'en suis restée à la théorie à 2mm de pupille de sortie avec un Tak LE 24mm (x38) réputé pour sa pureté couleur et son piqué. En star test, je n'étais pas dans les conditions optimales, n'ayant pas de quoi monter facilement l'objectif au bout d'un tube. J'ai obtenu plusieurs anneaux bien distincts et circulaires. L'optique est très bien formée et polie. A conserver, c'est sûr. On verra ce que tu en penses à réception. Formule optique (à la tolérance du sphéromètre) C'est optimisé pour du vert 546 à jaune-orange 589 (contraste pour l’œil), le bleu ciel est un peu en-dessous de la limite de contraste, le H-alpha est bien dedans. C'est du très bon tout ça => lunette générique. diff limited de 513nm à 631nm -
C'est pas mal pour du smartphone à main levée
