Aller au contenu

Messages recommandés

Posté

Le complexe de tâches se tourne vers nous désormais. Au vu de l'activité intense du moment, espérons que quelque chose ne nous tombe pas dessus... 

Fusion_color_continuum.jpg

Fusion_color_continuum.jpg

Fusion_color_continuum2.jpg

  • J'aime 6
Posté

La  matinée était mal commencée : le soleil était dans  un voile épais de nuage. Vers 10h30, ce voile  a disparu. Ni une ni deux, j'ai sorti immédiatement l'hélioscope.

 

une  première image en  N&B pour changer :

 

AR2993_AR2994_20220422_105847_22r.thumb.png.713ff5062a09ec113b1ea087765fced7.png

 

d'autres images vont suivre ... :)

  • J'aime 2
  • Merci / Quelle qualité! 3
Posté

Bonjour 👋

 

Superbe ce groupe de taches Solaires ! 👍

 

Bravo pour vos images, ces taches méritent d être immortalisées !

 

Mon dessin fait ce matin durant presque 2 heures. Que du bonheur. 

 

Particularités : une sorte "d amas globulaire " (tout à gauche) jamais vu pour moi sur cette surface Solaire, et cette pénombre très très claire à droite de AR2994.

 

20220422_135000.thumb.jpg.fcd8c596f26677a255d6b5f6f992702d.jpg

20220422_135350.jpg

  • J'aime 2
  • Merci / Quelle qualité! 3
Posté
bonjour à tous,
 
A priori, dernier jour de beau temps dans les Vosges avant l'arrivée de la pluie demain (ce qui n'est pas grave car, de toute façon, je serais sur la route pour rentrer chez moi :) ) donc une dernière image de notre étoile.
 
S20220422-sm40DS-fs60-bf10-gpx1.7-asi178mm.thumb.jpg.3d6170320557b79e04cb4cbde9b15ed8.jpg
 
A la fs60 muni de son sm40 double stack, BF10, glasspath x1.7 et zwo178mm sur staradventurer vers 12h35 HL ce 22 Avril
 
S20220422-10h34UT-sm40DS-fs60-bf10-gpx1.7-asi178mm.thumb.jpg.d6cdd1a0d6172ad1933cef2478bbb28b.jpg
 
S20220422-10h35UT-sm40DS-fs60-bf10-gpx1.7-asi178mm.thumb.jpg.78ae0ab6fd1fb83cd615e1ae9c3e155d.jpg
 
a+
stéphane
  • J'aime 3
  • Merci / Quelle qualité! 1
Posté

Voici  la suite  promise :

 

en Lumière blanche , les groupes AR2995 et AR2996  en  gros  plan (barlow x3)

 

AR2995_AR2996_20220422_110004_14r.thumb.png.a6a58610de574a0670a5639879058924.png

 

 

une petite photo de "groupe"    ( barlow x2) :

 

AR2993_94_95_95_20220422_110948_14r.thumb.png.87d4dba2d4d4bc04acf227cb237ecc56.png

 

 

les mêmes mais  Ha :

 

AR2993_94_95_95_20220422_114458.thumb.png.3fff9385fa0211de5fe7617674418235.png

 

le groupe un  peu oublié  par nos  imageur : AR2991

AR2991_20220422_114309.thumb.png.5f221301722768fc05f5f463a5bf7d21.png

 

un  peu de couleur pour  les  protubérances du jour :

 

Protu_20220422_115030.png.540b79a6c1233a85a29876e555ac0ddd.png

 

Protu_20220422_115118.png.4640da0feee6ab68862a8af1bd39f460.png

  • J'aime 2
  • Merci / Quelle qualité! 3
Posté

Après avoir rêvé devant vos chefs-d'œuvre, je poste ma modeste contribution. J'y ai passé près de 2h cet après-midi à guetter le moment où les nuages seraient le moins présent, mais il y avait toujours un voile entre chaque passages. La première difficulté fut d'arriver à faire une mise au point à peu près correcte, puis d'arriver à capter quelques séances de 10s pas plus. Au finale j'en ai une qui m'a donné un résultat présentable et surtout un souvenir de ce moment d'attente. 

Demain la pluie revient en force, avec une petite espérance pour dimanche et la semaine prochaine. 

Pourvu que cette activité se poursuive!!!

 

630127565_2022-04-22-1514_4-Continuum-Sol_ZWOASI178MM_Gain195(off)_Exposure5.0ms_8_lapl5_ap4990-as-infos-BorderMaker.jpg.8fb775cc7ee46689ef6b16d5bee10094.jpg

  • J'aime 3
  • Merci / Quelle qualité! 1
Posté (modifié)
Il y a 16 heures, m27trognondepomme a dit :

@jpb37 je pense que  tu sous-échantillonnes avec ta configuration 72ED/ASI178MM:  tu pourrais mettre un barlow x3. Tu gagnerais en détails sur  les tâches ( par contre, tu n'auras plus le soleil en entier).

Merci pour ton conseil @m27trognondepomme, j'ai bien une solution pour ça, utiliser mon Mak127, avec ses 1500mm de focale j'aurais le bon échantillonnage, mais par contre je n'aurais plus la possibilité d'utiliser mon prisme de Herschel. Sans compter qu'il faudrait que je démonte à chaque fois le filtre continuum, ou alors il faut que je m'en procure un autre. Sinon j'ai bien un filtre Astrosolar de monter sur un support pour le Mak.

Modifié par jpb37
Posté

Vieux motard que jamais @MatEX 😉

L'image du jour, avec un peu moins de difficulté pour faire la mise au point, mais toujours du mal à trouver un créneau sans nuages pour lancer une acquisition de 10s.

J'ai noté la tâche 2999 qui n'est pas encore répertoriée, je verrais bien demain si j'ai eu raison.

 

1482346149_2022-04-24-1304_1-Continuum-Sol_ZWOASI178MM_Gain110(off)_Exposure1.5ms_1_lapl5_ap4967-as-infos-BorderMaker.jpg.fbc220226b014232e761aa016d9714a3.jpg

  • J'aime 3
  • Comme je me gausse! 1
Posté

Salut à tous et à toutes ! Notre astre diurne favori, au continuum, SW 150/750 sur HEQ-5, APN Canon EOS 90D. Traitement sous PIPP, AS!3, R6 et GIMP... Ciel dégagé à 80 %, seeing bof, vent modéré d'est.

277 Fusion_color_continuum.jpg

277 Fusion_color_continuum.jpg

277b Fusion_color_continuum.jpg

  • J'aime 2
Posté

Avec un peu de retard je poste mes images d'hier. Après une heure et demi d'incertitude, les nuages qui avaient décidé de ce localiser devant le soleil, ont enfin pris le large. J'ai pu réaliser plusieurs séries et suivre en partie ton conseil @m27trognondepomme, j'ai monté ma Barlow CEL LX x2 pour cadrer un peu plus serré et essayer d'améliorer mon échantillonnage.

 

276055343_2022-04-25-1412_6-Continuum-Sol_ZWOASI178MM_Gain30(off)_Exposure4.0ms_26_lapl5_ap4970-as-infos-BorderMaker.jpg.4f8e27515e9786e450a579fccf91ceb3.jpg1365258669_2022-04-25-1405_9-Continuum-Sol_ZWOASI178MM_Gain195(off)_Exposure5.0ms_19_lapl5_ap12776-as-infos-BorderMaker.jpg.65bebcb987dc2ef85d9cec9140a8bbd5.jpg1749380431_2022-04-25-1408_8-Continuum-Sol_ZWOASI178MM_Gain170(off)_Exposure5.0ms_24_lapl5_ap11310-as-infos-BorderMaker.jpg.a21103d7502a1b0142f146050b809e8f.jpg

  • J'aime 2
  • Merci / Quelle qualité! 2
Posté

La suite, au calcium k-line...

278 Fusion_color_calcium k-line.jpg

278 Fusion_color_calcium k-line.jpg

278b Fusion_color_calcium k-line.jpg

Il y a 3 heures, jpb37 a dit :

J'ai pu réaliser plusieurs séries et suivre en partie ton conseil @m27trognondepomme, j'ai monté ma Barlow CEL LX x2 pour cadrer un peu plus serré et essayer d'améliorer mon échantillonnage.

 

Bravo jpb37 ! Tu fais un grand pas en avant dans l'amélioration de tes images solaires. Plus de travail au traitement, certes, mais plus de satisfaction aussi pour la qualité du résultat. ;)

  • J'aime 3
Posté (modifié)

@jpb37 oui, c'est  mieux avec la barlow x2 👍 les tâches sont mieux résolues.

@MatEX  tu empiles combien de  photos sur  ta séquence vidéo. Avec mon T150/1200, je suis assez restrictif , j'empile seulement 1 à 2 % de  la séquence vidéo soit 10 à 20 images sur une séquence de 1000 images.

Modifié par m27trognondepomme
Posté
Il y a 8 heures, m27trognondepomme a dit :

  tu empiles combien de  photos sur  ta séquence vidéo. Avec mon T150/1200, je suis assez restrictif , j'empile seulement 1 à 2 % de  la séquence vidéo soit 10 à 20 images sur une séquence de 1000 images.


Bonjour @m27trognondepomme
Si tu est trop restrictif, je suis alors trop laxiste. J’empile généralement entre 10 et 20 % sur des séquences tournant autour 2000 à 2500 images. J’avais fait des tests, il y a déjà un certain temps, en changeant les valeurs sur AS!3. Mais rien de bien concluant. Depuis, et c’est pas bien, je suis resté sur mes acquis. Je vais donc essayer de réduire encore le nombre d’images au stack, au moins à 5% pour voir. Encore, trouvais-je ( sauf bon seeing ) que mes images finales gardaient justement un côté « pâteux » dans les plus fins détails.

Au-delà de ça, mon objectif du moment est principalement axé sur la gestion d’une fusion difficile particulièrement en calcium. J’utilise GIMP pour ce faire et effectue la fusion manuellement. N’empêche qu’alors que mes réglages d’acquisition sont strictement les mêmes, je me retrouve avec des cadres d’expos complètement à l’ouest. Même chose en continuum mais moins flagrant. Je corrige donc l’expo de chacun sous GIMP pour trouver la bonne correspondance mais impossible de trouver la perfection… I am dépited !!! :confused:

Posté (modifié)
Il y a 9 heures, MatEX a dit :

Bravo jpb37 ! Tu fais un grand pas en avant dans l'amélioration de tes images solaires. Plus de travail au traitement, certes, mais plus de satisfaction aussi pour la qualité du résultat. ;)

Merci @MatEX, j'envie tes images au K-Line, mais malheureusement toujours pas de nouvelles sur disponibilité. Et pour le Sol-Ex, j'ai quelques soucis d'impression 3D.

Il y a 9 heures, m27trognondepomme a dit :

@jpb37 oui, c'est  mieux avec la barlow x2 👍 les tâches sont mieux résolues.

 

Merci @m27trognondepomme , du coup j'hésite entre poursuivre le projet Sol'Ex, ou bien alors me limiter à l'achat d'une Barlow Télévue 3X.

Le champ des possibilité n'est pas du tout le même.

 

Edit: j'ai décidé d'acheter directement le système Sol'Ex imprimer par Azur3DPrint, pour le kit Shelyak je vais attendre un peu.

Modifié par jpb37
Posté (modifié)

Bonjour

En ce moment le soleil nous gratifie de phénomènes très actifs. Ce matin, je regarde dans la lunt, quelques protubérances mais rien d'exceptionnel. 30 minutes plus tard, deux protubérances en jet très étendues. Le temps d'installer la caméra et l'ordinateur, les jets avais déjà diminué. Voici les 7 dernières minutes du phénomène.

2022-05-01-0858.jpg.f94d2ba499d9f25e41df48204936af3a.jpg

 

2022-05-01-0859.jpg.9a43f1da39bd9c8b0832f205d7804f77.jpg

 

2022-05-01-0900.jpg.eb0c3f311f398b14cf69d92653e6d539.jpg

 

2022-05-01-0901.jpg.460f8ddc68452b71eff52666218e808c.jpg

 

2022-05-01-0902.jpg.5cc1f3a03d2302ec0370912e0d4f9dc4.jpg

 

2022-05-01-0903.jpg.386cb9ef898d8d58fa7e0b4c66f21a99.jpg

 

2022-05-01-0904.jpg.a96c7754b91517e6cc37e7ee961f1058.jpg

 

Donc surveillez bien notre astre du jour

 

A bientôt

Jean-Christophe

 

En animation

output_59E5YD.gif.9dbc861a3e383f0d11af4957418e584b.gif

 

 

Modifié par j-christophe
  • J'aime 3
  • Merci / Quelle qualité! 5
Posté

Et oui, une belle protu furtive ce matin !  Le temps de mettre en place le bouzin pour faire une animation et hop, plus de protu... Il me reste quand même une image de ce moment :)

 

Sun_20220501_FullDisk.thumb.jpg.744a0ed4319cb5b9337c75a3c21b185e.jpg

  • J'aime 2
  • Merci / Quelle qualité! 5
Posté

Salut,

 

Belles captures les copains😎J'ai observé ces 2 jets ce matin à la Lunt 60(achetée en 2008!) et avec mon vieux et fidèle Orion Stratus 13 .

 

Jean Louis

  • J'aime 1
Posté

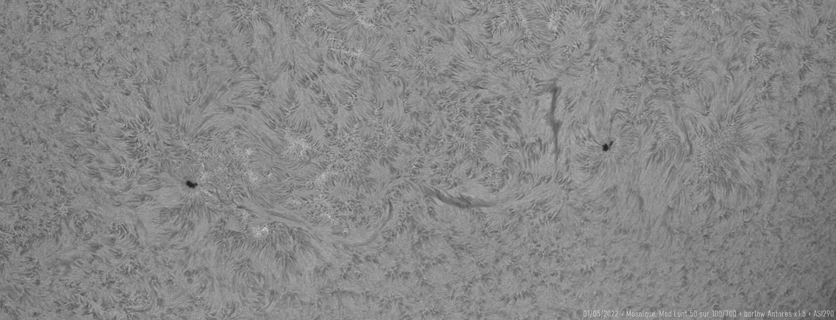
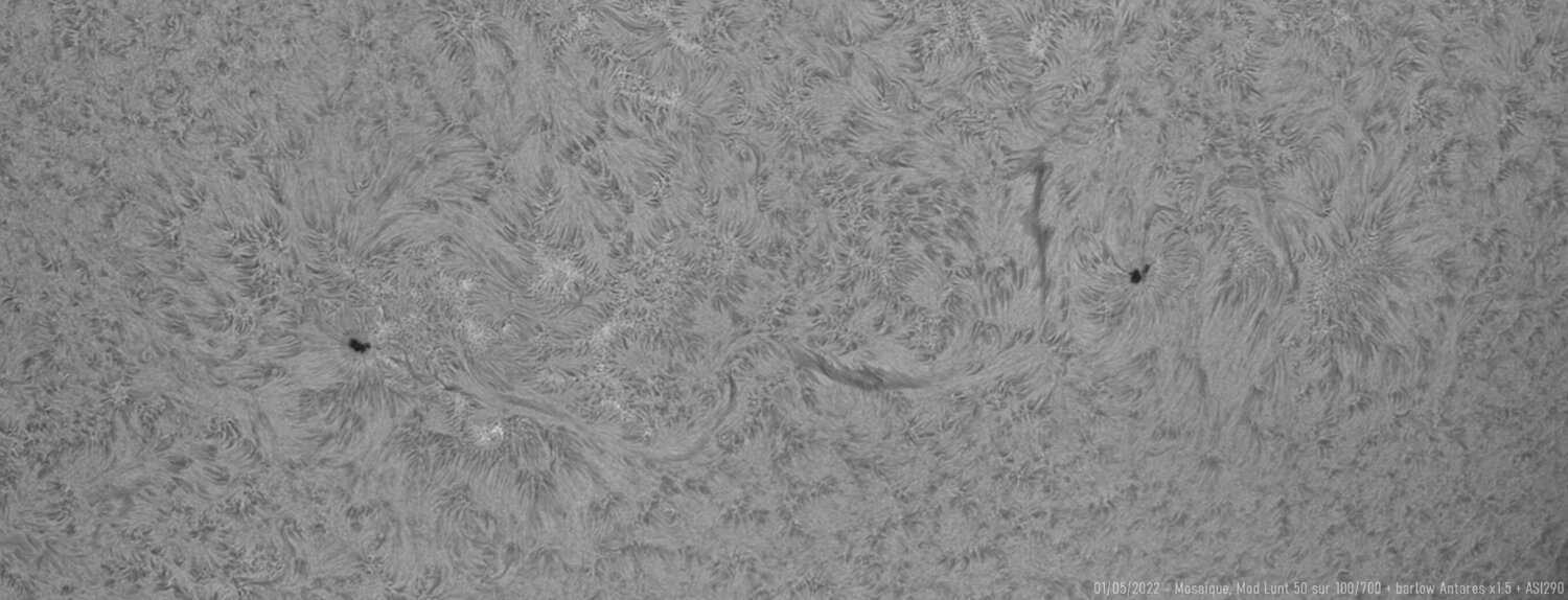
La protu du jour qui a vite diminué, prise à la Lunt 60 millésime 2014. @Jean Louis Elle va bien cette lunette de soleil ;)

1532468226_Sun_20220501_Protu4nota.thumb.jpg.ad3534ca1bd340d0f25d3625bc585592.jpg

La même quelques minutes plus tard avec une Mod Lunt 50 sur 100/700 + barlow Antares x1.5 et ASI290

1612609196_Sun_20220501_Protu3nota.thumb.jpg.701d1d9e5a32c6cd32431c380204f1ab.jpg

Et pour finir, une mosaïque de la surface

1962658061_Sun_20220501_tchesbnota.thumb.jpg.b438c13980e798cffe8839c39ea37cc0.jpg

C'est tout pour aujourd'hui !

  • J'aime 3
  • Merci / Quelle qualité! 1
Posté

j'ai pu observer 2 belles taches aujourd'hui, avec les bino 100mm (oculaires 9mm, le soleil emplit les 4/5emes du champ) et astrosolar. 😉

Posté

bonjour à tous,

 

un soleil plutôt calme en cet après midi du 1er Mai ;)

 

A la fs60 muni de son sm40 double stack, BF10, glasspath x1.7 et zwo178mm vers 14h30 HL

 

S20220501-12h28UT-sm40DS-fs60-bf10-gpx1.7-asi178mm.thumb.jpg.0947eed8df01200ae4596a241e354ff1.jpg

 

S20220501-12h29UT-sm40DS-fs60-bf10-gpx1.7-asi178mm.thumb.jpg.9ea2d59916208a7ff7f3b8d62b723de0.jpg

 

A l'hélioscopte TS

 

S20220501-12h40UT-fs60-helioTS-gpx1.7-asi178mm.thumb.jpg.477da8da08fb9b787bf59e223e98d882.jpg

 

a+
stéphane

  • J'aime 4
Posté (modifié)

Un soleil calme en effet, mais joyeux en ce premier Mai!!!!

 

solgag-BorderMaker.jpg.793ecf9c7547735061202768bf8767d2.jpg

Modifié par jpb37
  • Comme je me gausse! 5

Rejoignez la conversation !

Vous pouvez répondre maintenant et vous inscrire plus tard. Si vous avez un compte, connectez-vous pour poster avec votre compte.

Invité
Répondre à ce sujet…

×   Collé en tant que texte enrichi.   Coller en tant que texte brut à la place

  Seulement 75 émoticônes maximum sont autorisées.

×   Votre lien a été automatiquement intégré.   Afficher plutôt comme un lien

×   Votre contenu précédent a été rétabli.   Vider l’éditeur

×   Vous ne pouvez pas directement coller des images. Envoyez-les depuis votre ordinateur ou insérez-les depuis une URL.

  • En ligne récemment   0 membre est en ligne

    • Aucun utilisateur enregistré regarde cette page.
×
×
  • Créer...

Information importante

Nous avons placé des cookies sur votre appareil pour aider à améliorer ce site. Vous pouvez choisir d’ajuster vos paramètres de cookie, sinon nous supposerons que vous êtes d’accord pour continuer.